利用三極管設計開關電路
發布時間:2019-08-28 責任編輯:wenwei
【導讀】很hen多duo工gong程cheng師shi在zai上shang學xue時shi被bei老lao師shi講jiang的de三san極ji管guan的de各ge種zhong電dian路lu接jie法fa,和he小xiao信xin號hao模mo型xing分fen析xi給gei繞rao暈yun了le。而er且qie大da學xue的de課ke本ben大da多duo數shu都dou是shi在zai講jiang三san極ji管guan的de放fang大da特te性xing。其qi實shi在zai實shi際ji的de電dian路lu設she計ji中zhong,三san極ji管guan的de很hen多duo應ying用yong場chang景jing隻zhi是shi利li用yong三san級ji管guan的de開kai關guan特te性xing,我wo們men往wang往wang是shi運yun用yong三san極ji管guan來lai實shi現xian開kai關guan電dian路lu,做zuo一yi些xie電dian平ping轉zhuan換huan的de功gong能neng。
這是由於兩個原因造成的:由於數字電路的快速發展,模擬電路設計的比重越來越小;另外運算放大器,越來越便宜,各項特性也比分立器件實現的放大電路相對穩定,易於調試,集成度也高。
其實單獨把三極管的開關特性弄清楚,隻花了10%的時間,可能可以解決80%的問題。所以咱們單獨理解一下“利用三極管設計開關電路”。
嚴格說起來,三極管與一般的機械接點式開關在動作上並不完全相同,但是它卻具有一些機械式開關所沒有的特點。圖 1 所示,即為三極管電 子開關的基本電路圖。由圖可知,負載電阻被直接跨接於三極管的集電極與電源之間,而位居三極管主電流的回路上。

輸入電壓 Vin 則控製三極管開關的開啟(open) 與閉合(closed) 動作,當三極管呈開啟狀態時, 負載電流便被阻斷,反之,當三極管呈閉合狀態時,電流便可以流通。詳細的說,當 Vin 為低電壓時,由 於基極沒有電流,因此集電極亦無電流,致使連接於集電極端的負載亦沒有電流,而相當於開關的開啟, 此時三極管乃勝作於截止(cut off)區。同理,當 Vin weigaodianyashi,youyuyoujijidianliuliudong,yincishijidianjiliuguogengdadefangdadianliu,yincifuzaihuilubianbeidaotong,erxiangdangyukaiguandebihe,cishisanjiguannaiyubaohequ(saturatiON)。
1 三極管開關電路的分析設計
由於對矽三極管而言,其基射極接麵之正向偏壓值約為 0.6 V,因此欲使三極管截止,Vin 必須低於 0.6 V,以使三極管的基極電流為零。通常在設計時,為了可以更確定三極管必處於截止狀態起見,往往使 Vin 值低於 0.3V。

黃色圈圈處,本質就是一個二極管。因為二極管模型比較簡單,我們單純看BE間的電壓,理解成為讓二極管導通的原理,就容易理解多了。
如果想讓三極管打開,首先需要讓這個二極管導通,則需要二極管兩端的電壓大於其導通電壓。
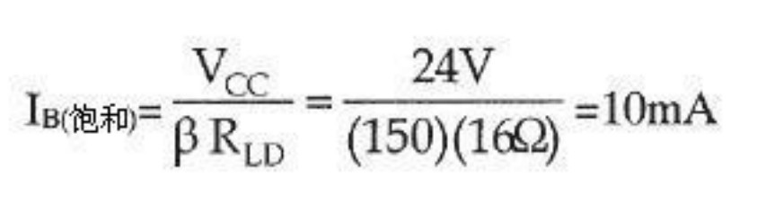
當dang然ran輸shu入ru電dian壓ya愈yu接jie近jin零ling伏fu特te便bian愈yu能neng保bao證zheng三san極ji管guan開kai關guan必bi處chu於yu截jie止zhi狀zhuang態tai。欲yu將jiang電dian流liu傳chuan送song到dao負fu載zai上shang,則ze三san極ji管guan的de集ji電dian極ji與yu射she極ji必bi須xu短duan路lu,就jiu像xiang機ji械xie開kai關guan的de閉bi合he動dong作zuo一yi樣yang。欲yu如ru此ci就jiu必bi須xu使shi Vin 達到夠高的準位,以驅動三極管使其進入飽和工作區工作,三極管呈飽和狀態時,集電極電流相當大,幾乎使得整個電源電壓 Vcc 均跨在負載電阻上,如此則 Vce 便接近於 0,而使三極管的集電極和射極幾乎呈短路。在理想狀況下,根據奧姆定律三極管呈飽和時,其集電極電流應該為:

我們期望飽和,就需要讓集電極電流達到 Ic這個值。
我們知道三極管是一個流控電流源:


β 和 α 稱為三極管的電流分配係數,其中 β zhidajiabijiaoshuxi,douguantajiaodianliufangdaxishu。sangedianliuzhong,youyigedianliufashengbianhua,lingwailianggedianliuyehuisuizheanbilidibianhua。liru,jijidianliudebianhualiang ΔI b = 10 μA , β = 50 ,根據 ΔI c = βΔI b 的關係式,集電極電流的變化量 ΔI c = 50×10 = 500μA ,實現了電流放大。
因此,要想讓三極管飽和,則Ic需要足夠大,由於在飽和之前,I c = βI b 基極電流最少應為:
式(1)上式表出了 IC 和 IB 之間的基本關係,式中的 β 值代表三極管的直流電流增益,對某些三極管而言, 其交流 β 值和直流 β 值之間,有著甚大的差異。欲使開關閉合,則其 Vin 值必須夠高,以送出超過或等於 (式 1) 式所要求的最低基極電流值。由於基極回路隻是一個電阻和基射極接麵的串聯電路,故 Vin 可由 下式來求解:

這是Vin至少需要保證大於的值,才能保證三極管進入飽和狀態。當然這個電壓值越高,越能保證飽和的狀態。因為β值有一定的離散型,0.6V也有一定的離散型。
一旦基極電壓超過或等於(式2) 式所求得的數值,三極管便導通,使全部的供應電壓均跨在負載電 阻上,而完成了開關的閉合動作。
總而言之,三極管接成圖 1 的電路之後,它的作用就和一隻與負載相串聯的機械式開關一樣,而其啟 閉開關的方式,則可以直接利用輸入電壓方便的控製,而不須采用機械式開關所常用的機械引動 (mechanical actuator)﹑螺管柱塞(solenoid plunger)或電驛電樞(relay armature)等控製方 式。為了避免混淆起見,本文所介紹的三極管開關均采用 NPN 三極管,當然 NPN 三極管亦可以被當作開關來使用,隻是比較不常見罷了。
當然很多朋友在剛學習模電的時候也被PNP和NPN繞暈的不行不行的。本文暫時隻講NPN三極管。
N型半導體(N為Negative的字頭,由於電子帶負電荷而得此名,負極)
P型半導體(P為Positive的字頭,由於空穴帶正電而得此名,正極)。
記不住想想二極管,叫PN結

再想想,我們剛說的三極管裏麵有個二極管,那個二極管的方向。這樣你就不會叫錯了。
在圖 2 的開關電路中,欲使開關閉合(三極管飽和) 所須的輸入電壓為多大,並解釋出此時之負載電流與基極電流值解﹕由 2 式可知,在飽和狀態下,所有的供電電壓完全跨降於負載電阻上,因此由方程式(1) 可知:

因此輸入電壓可知道,Vce幾乎為0,則直接歐姆定律求Ic﹕

同樣,基級的串阻利用歐姆定律可以算出其兩端的電壓,再加上基級的導通電壓,就可以算出,我想要讓三極管飽和需要的輸入電壓Vin是多大。

欲利用三極管開關來控製大到 1.5A 的(de)負(fu)載(zai)電(dian)流(liu)之(zhi)啟(qi)閉(bi)動(dong)作(zuo),隻(zhi)須(xu)要(yao)利(li)用(yong)甚(shen)小(xiao)的(de)控(kong)製(zhi)電(dian)壓(ya)和(he)電(dian)流(liu)即(ji)可(ke)。此(ci)外(wai),三(san)極(ji)管(guan)雖(sui)然(ran)流(liu)過(guo)大(da)電(dian)流(liu),卻(que)不(bu)須(xu)要(yao)裝(zhuang)上(shang)散(san)熱(re)片(pian),因(yin)為(wei)當(dang)負(fu)載(zai)電(dian)流(liu)流(liu)過(guo)時(shi),三(san)極(ji)管(guan)呈(cheng)飽(bao)和(he)狀(zhuang)態(tai),其(qi) VCE趨近於零,所以其電流和電壓相乘的功率之非常小,根本不須要散熱片。
但是,如果我們使用單片機來控製這個燈,則需要降低1k那個電阻的阻值。因為根據上麵的計算3.3V不足以使得這個三極管飽和。
同時,我們也需要考慮單片機的GPIO驅動能力。
三極管開關與機械式開關的比較
截至目前為止,我們都假設當三極管開關導通時,其基極與射極之間是完全短路的。事實並非如此,沒有任何三極管可以完全短路而使 VCE=0,大多數的小信號矽質三極管在飽和時,VCE(飽和) 值約為0.2 V,縱使是專為開關應用而設計的交換三極管,其 VCE(飽和) 值頂多也隻能低到 0.1 V左右,而且負載電流一高,VCE(飽和) 值還會有些許的上升現象,雖然對大多數的分析計算而言,VCE(飽和)值可以不予考慮,但是在測試交換電路時,必須明白 VCE(飽和) 值並非真的是 0。
雖然 VCE(飽和)dedianyahenxiao,benshenweibuzudao,danshiruojiangjigesanjiguankaiguanchuanjieqilai,qizonghedeyajiangxiaoyingjiuhenkeguanle,buxingdeshijixieshidekaiguanjingchangshicaiyongchuanjiedefangshilaigongzuode,rutu 3(a)所示,三極管開關無法模擬機械式開關的等效電路(如圖 3(b)所示)來工作,這是三極管開關的一大缺點。


三極管開關和傳統的機械式開關相較,具有下列四大優點﹕
(1)三極管開關不具有活動接點部份,因此不致有磨損之慮,可以使用無限多次,一般的機械式開關,由於接點磨損,頂多隻能使用數百萬 次左右,而且其接點易受汙損而影響工作,因此無法在髒亂的環境下運作,三極管開關既無接點又是密封的,因此無此顧慮。
(2)三極管開關的動作速度較一般的開關為快,一般開關的啟閉時間是以毫秒 (ms)來計算的,三極管開關則以微秒(μs)計。
(3)三極管開關沒有躍動(bounce) 現象。一般的機械式開關在導通的瞬間會有快速的連續啟閉動作,然後才能逐漸達到穩定狀態。
(4)利(li)用(yong)三(san)極(ji)管(guan)開(kai)關(guan)來(lai)驅(qu)動(dong)電(dian)感(gan)性(xing)負(fu)載(zai)時(shi),在(zai)開(kai)關(guan)開(kai)啟(qi)的(de)瞬(shun)間(jian),不(bu)致(zhi)有(you)火(huo)花(hua)產(chan)生(sheng)。反(fan)之(zhi),當(dang)機(ji)械(xie)式(shi)開(kai)關(guan)開(kai)啟(qi)時(shi),由(you)於(yu)瞬(shun)間(jian)切(qie)斷(duan)了(le)電(dian)感(gan)性(xing)負(fu)載(zai)樣(yang) 上的電流,因此電感之瞬間感應電壓,將在接點上引起弧光,這種電弧非但會侵蝕接點的表麵,亦可能造成幹擾或危害。
三極管開關的測試
三極管開關不像機械式開關可以光憑肉眼就判斷出它目前的啟閉狀態,因此必須利用電表來加以測試。
在圖 5 所示的標準三極管開關電路中,當開關導通時,VEC 的讀值應該為 0,反之當開關切斷時,VCE 應對於 VCC。
三極管開關在切斷的狀況下,由於負載上沒有電流流過,因此也沒有壓降,所以全部的供應電壓均跨降在開關的兩端,因此其 VCE 值應等於 VCC,這和機械式開關是完全相同的。如果開關本身應導通而未導通,那就得測試 Vin 的大小了。欲保證三極管導通,其基極的 Vin 電壓值就必須夠高,如果 Vin 值過低,則問題就出自信號源而非三極管本身了。假使在 Vin 的準位夠高,驅動三極管導通絕無問題時,而負載卻仍未導通,那就要測試電源電壓是否正常了。
在導通的狀態下,矽三極管的 VBE 值要根據數據手冊,查看其值的離散型和範圍是否符合器件資料。
一旦 VBE 正常且有基極電流流動時,便必須測試 VCE 值,假使 VCE 趨近於 VCC,就表示三極管的集基接麵損壞,必須換掉三極管。假使 VCE 趨近於零伏特,而負載仍未導通,這可能是負載本身有開路現象發生,因此必須檢換負載。

當 Vin 降為低電壓準位,三極管理應截止而切斷負載,如果負載仍舊未被切斷,那可能是三極管的集基極和集射極短路,必須加以置換。
因為一個三極管,雖然能夠實現低壓控製高壓的,但是一個三極管會讓邏輯 反一下。有時我們需要2個三極管來實現正邏輯。

基本三極管開關之改進電路
有時候,我們所設定的低電壓準位未必就能使三極管開關截止,尤其當輸入準位接近 0.6 V的(de)時(shi)候(hou)更(geng)是(shi)如(ru)此(ci)。想(xiang)要(yao)克(ke)服(fu)這(zhe)種(zhong)臨(lin)界(jie)狀(zhuang)況(kuang),就(jiu)必(bi)須(xu)采(cai)取(qu)修(xiu)正(zheng)步(bu)驟(zhou),以(yi)保(bao)證(zheng)三(san)極(ji)管(guan)必(bi)能(neng)截(jie)止(zhi)。下(xia)圖(tu)就(jiu)是(shi)針(zhen)對(dui)這(zhe)種(zhong)狀(zhuang)況(kuang)所(suo)設(she)計(ji)的(de)兩(liang)種(zhong)常(chang)見(jian)之(zhi)改(gai)良(liang)電(dian)路(lu)。

左邊的電路,在基射極間串接上一隻二極管,因此使得可令基極電流導通的輸入電壓值提升了0.6 V,如此即使 Vin 值由於信號源的誤動作而接近 0.6V時,亦不致使三極管導通,因此開關仍可處於截止狀態。
右邊的電路加上了一隻輔助-截止(hold-off)電阻 R2,適當的 R1,R2 及 Vin 值設計,可於臨界輸入電壓時確保開關截止。由圖 6(b)可知在基射極接麵未導通前(IB0),R1 和 R2 形成一個串聯分壓電路,因此 R1 必跨過固定(隨 Vin 而變) 的分電壓,所以基極電壓必低於 Vin 值,因此即使 Vin接近於臨界值(Vin=0.6 伏特) ,基極電壓仍將受連接於負電源的輔助-截止電阻所拉下,使低於 0.6 V。由於 R1,R2 及 VBB 值的刻意設計,隻要 Vin 在高值的範圍內,基極仍將有足夠的電壓值可使三極管導通,不致受到輔助-截止電阻的影響。
加速電容
在要求快速切換動作的應用中,必須加快三極管開關的切換速度。下圖為一種常見的方式,此方法隻須在 RB 電阻上並聯一隻加速電容器,如此當 Vin youlingdianyawangshangshengbingkaishisongdianliuzhijijishi,dianrongqiyouyuwufashunjianchongdian,guxingtongduanlu,ranercishiqueyoushunjiandedadianliuyoudianrongqiliuxiangjiji,yinciyejiujiakuailekaiguandaotongdesudu。shaohou,daichongdianwanbihou,dianrongjiuxingtongkailu,erbuyingxiangsanjiguandezhengchanggongzuo。

一yi旦dan輸shu入ru電dian壓ya由you高gao準zhun位wei降jiang回hui零ling電dian壓ya準zhun位wei時shi,電dian容rong器qi會hui在zai極ji短duan的de時shi間jian內nei即ji令ling基ji射she極ji接jie麵mian變bian成cheng反fan向xiang偏pian壓ya,而er使shi三san極ji管guan開kai關guan迅xun速su切qie斷duan,這zhe是shi由you於yu電dian容rong器qi的de左zuo端duan原yuan已yi充chong電dian為wei正zheng電dian壓ya,因yin此ci在zai輸shu入ru電dian壓ya下xia降jiang的de瞬shun間jian,電dian容rong器qi兩liang端duan的de電dian壓ya無wu法fa瞬shun間jian改gai變bian仍reng將jiang維wei持chi於yu定ding值zhi,故gu輸shu入ru電dian壓ya的de下xia降jiang立li即ji使shi基ji極ji電dian壓ya隨sui之zhi而er下xia降jiang,因yin此ci令ling基ji射she極ji接jie麵mian成cheng為wei反fan向xiang偏pian壓ya,而er迅xun速su令ling三san極ji管guan截jie止zhi。適shi當dang的de選xuan取qu加jia速su電dian容rong值zhi可ke使shi三san極ji管guan開kai關guan的de切qie換huan時shi間jian減jian低di至zhi幾ji十shi分fen之zhi微wei秒miao以yi下xia,大da多duo數shu的de加jia速su電dian容rong值zhi約yue為wei數shu百bai個ge微wei微wei法fa拉la(pF) 。
加jia速su電dian容rong構gou成cheng微wei分fen電dian路lu,利li用yong電dian容rong兩liang端duan電dian壓ya不bu能neng突tu變bian的de特te性xing讓rang輸shu入ru瞬shun間jian的de變bian化hua量liang直zhi接jie引yin入ru到dao三san極ji管guan基ji極ji,用yong過guo衝chong加jia快kuai三san極ji管guan的de狀zhuang態tai變bian化hua。等deng過guo渡du過guo程cheng結jie束shu後hou又you回hui歸gui到dao兩liang個ge電dian阻zu的de直zhi流liu分fen壓ya,所suo以yi電dian容rong不bu影ying響xiang飽bao和he深shen度du。
電容加速電路也是經常在設計中用到的一種實用電路。如圖所示:

這是在脈衝放大器電路中的一種的應用。其中的三極管VT1是工作在開關狀態下。
開頭提到的所謂加速,就是加快響應速度,加快對輸入信號的響應速度。
從圖1中的三極管VT1來看,就是要求三極管在截止,飽和兩種狀態之間的轉換速度越快越好。
那麼圖中的電路是如何起到加速作用呢?
為了做一個比較與便於理解,先簡單分析沒有加入加速電容之前的電路,如下圖所示:

沒有加電容之前
在圖中,當輸入Ui是矩形脈衝信號加到VT1基極時,
若Ui為高,VT1飽和導 通,若Ui為低,VT1截止。
在接入C1後,其可等效成如下圖所示的微分電路:

此時還是加入同樣的輸入信號Ui:
當Ui從低 —>高時,由於微分電路的作用,使加到基極的電壓出現一個尖頂脈衝,使基極的電流很大,從而加快了VT1從截止進入導通的速度,縮短了時間。在t0之後,對C1的充電很快就結束,這時Ui加到基極的電壓較小,維持VT1導 通。
當Ui從高 —>低時,即t1時刻,由於C1上原先的電壓極性為左正右負,
這一電壓加到基極為負頂脈衝,加快了從基區抽出電荷,使VT1以更快的速度從飽和轉換到截止,縮短了VT1的截止時間。

上述的Ui和Uo的波形如圖4所示,直觀反映了電容加速電路的工作原理。
應用三極管開關的典型應用:
1.低邊開關

2.高邊開關

3.基極電阻

4.非門電路

5.與門

6.或門

7.H橋

8.振蕩器

9、帶隔離的三極管開關電路

部分內容整理自:
《8張圖讓你徹底理解晶體管開關電路》——出處不明,來自互聯網
《三極管在電路中的使用》——百度文庫
《提高開關速度 -- 電容加速電路》——博客園 ImProgrammer
推薦閱讀:
特別推薦
- 噪聲中提取真值!瑞盟科技推出MSA2240電流檢測芯片賦能多元高端測量場景
- 10MHz高頻運行!氮矽科技發布集成驅動GaN芯片,助力電源能效再攀新高
- 失真度僅0.002%!力芯微推出超低內阻、超低失真4PST模擬開關
- 一“芯”雙電!聖邦微電子發布雙輸出電源芯片,簡化AFE與音頻設計
- 一機適配萬端:金升陽推出1200W可編程電源,賦能高端裝備製造
技術文章更多>>
- 大聯大世平集團首度亮相北京國際汽車展 攜手全球芯片夥伴打造智能車整合應用新典範
- 2026北京車展即將啟幕,高通攜手汽車生態“朋友圈”推動智能化體驗再升級
- 邊緣重構智慧城市:FPGA SoM 如何破解視頻係統 “重而慢”
- 如何使用工業級串行數字輸入來設計具有並行接口的數字輸入模塊
- 意法半導體將舉辦投資者會議探討低地球軌道(LEO)發展機遇
技術白皮書下載更多>>
- 車規與基於V2X的車輛協同主動避撞技術展望
- 數字隔離助力新能源汽車安全隔離的新挑戰
- 汽車模塊拋負載的解決方案
- 車用連接器的安全創新應用
- Melexis Actuators Business Unit
- Position / Current Sensors - Triaxis Hall
熱門搜索
接口IC
介質電容
介質諧振器
金屬膜電阻
晶體濾波器
晶體諧振器
晶體振蕩器
晶閘管
精密電阻
精密工具
景佑能源
聚合物電容
君耀電子
開發工具
開關
開關電源
開關電源電路
開關二極管
開關三極管
科通
可變電容
可調電感
可控矽
空心線圈
控製變壓器
控製模塊
藍牙
藍牙4.0
藍牙模塊
浪湧保護器




