一款帶PFC的初級端調節反激式LED驅動
發布時間:2014-05-21 來源:電子工程專輯 責任編輯:sherryyu
【導讀】消費電子市場需要功耗低、尺寸小且成本超低的電源/驅動,另外,由於對電能質量要求不斷提高,在這些設備上使用功率因數校正(PFC)電路幾乎是必須的。而反激因為簡單而成為對這些應用最具吸引力的拓撲。本文就介紹一款帶PFC的初級端調節反激式LED驅動設計。
消費電子市場(特別是LED驅動市場)最近幾年發展迅速。這些市場需要功耗低、尺寸小且成本超低的電源/驅動。另外,由於對電能質量要求不斷提高,在這些設備上使用功率因數校正(PFC)電路幾乎是必須的。今天,在多種不同電路中,反激因為簡單而成為對這些應用最具吸引力的拓撲。它使用一個開關提供絕緣、啟動以及各種其他保護。在非連續導通模式下工作時,通過簡單的恒定導通時間控製,可使功率因數為1。
傳統上,用於LED的恒流LED驅動使用隔離反激式轉換器實施,該轉換器具有輸出電流調節電路,如圖1所示。實際LED電dian流liu使shi用yong感gan測ce電dian阻zu測ce量liang,然ran後hou與yu與yu參can考kao電dian壓ya進jin行xing比bi較jiao,生sheng成cheng誤wu差cha電dian壓ya。誤wu差cha電dian壓ya通tong過guo光guang電dian耦ou合he器qi傳chuan輸shu到dao初chu級ji端duan,並bing用yong於yu控kong製zhi初chu級ji端duan開kai關guan器qi件jian的de占zhan空kong比bi。雖sui然ran這zhe可ke以yi實shi現xian卓zhuo越yue的deLED電流調節,但輸出調節電路要求使用光電耦合器、基準電壓以及感測電阻,從而增加係統成本並降低整體效率。

圖1:傳統次級端調節LED驅動
初級端調節(PSR)可以成為最小化LED驅動成本的最佳解決方案。此技術僅使用驅動器初級端的信息便可精確控製次級端的LED電流。它不僅消除了輸出電流感測損耗,還減少了所有次級反饋電路。這有利於獲得更高效率的離線LED驅動設計,且無需巨大成本。此技術無需次級反饋電路便可調節LED驅動器輸出電壓,可做開路過壓保護,確保驅動器具有更佳的可靠性。

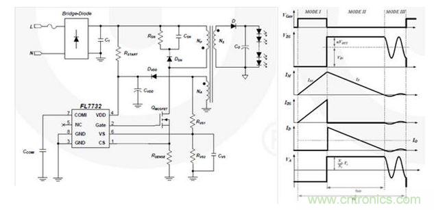
圖2:初級端調節LED驅動及其典型波形
圖2xianshideshichujiduantiaojiefanjishizhuanhuanqidejianhuadianlutujiqidianxinggongzuoboxing。chujiduantiaojiedeguanjianzaiyuhuodeshuchudianyahedianliuxinxi,qiewuxuzhijiegance。
在二極管導通時間期間,輸出電壓與二極管正向壓降之和反射到輔助繞組為(VO+VF)*Na/Ns。通過在二極管導通時間結束時對繞組電壓進行采樣,可以獲得輸出電壓信息。輸出電流(Io)可使用MOSFET的峰值漏極電流(Ipk)以及電感電流的放電時間(tDIS)來估算,因為在穩態下,輸出電流(Io)與二極管電流(ID)的平均值相同。輸出電流估算通過峰值檢測電路來確定漏極電流的峰值,並利用電感放電時間和開關周期(ts)來計算輸出電流。將此輸出信息與內部精確參考電壓進行比較,產生誤差電壓(VCOMI),它可以確定MOSFET的占空比。使用Fairchild的創新TRUECURRENT技術,可精確控製恒定輸出電流。

利用探測到的輸出電壓和電流信息,可通過傳統的反饋補償方法完成控製。對於初級端調節,通常優先使用非連續導通模式(DCM)操作。它具有更佳的輸出調節以及單位輸入功率因數(PF)。
相關閱讀:
特別推薦
- 噪聲中提取真值!瑞盟科技推出MSA2240電流檢測芯片賦能多元高端測量場景
- 10MHz高頻運行!氮矽科技發布集成驅動GaN芯片,助力電源能效再攀新高
- 失真度僅0.002%!力芯微推出超低內阻、超低失真4PST模擬開關
- 一“芯”雙電!聖邦微電子發布雙輸出電源芯片,簡化AFE與音頻設計
- 一機適配萬端:金升陽推出1200W可編程電源,賦能高端裝備製造
技術文章更多>>
- 大聯大世平集團首度亮相北京國際汽車展 攜手全球芯片夥伴打造智能車整合應用新典範
- 2026北京車展即將啟幕,高通攜手汽車生態“朋友圈”推動智能化體驗再升級
- 邊緣重構智慧城市:FPGA SoM 如何破解視頻係統 “重而慢”
- 如何使用工業級串行數字輸入來設計具有並行接口的數字輸入模塊
- 意法半導體將舉辦投資者會議探討低地球軌道(LEO)發展機遇
技術白皮書下載更多>>
- 車規與基於V2X的車輛協同主動避撞技術展望
- 數字隔離助力新能源汽車安全隔離的新挑戰
- 汽車模塊拋負載的解決方案
- 車用連接器的安全創新應用
- Melexis Actuators Business Unit
- Position / Current Sensors - Triaxis Hall
熱門搜索



