PLC各種輸入輸出回路接線分析
發布時間:2019-05-21 責任編輯:xueqi
【導讀】在PLC控製係統設計中接線的工作比重較小,但它是編程設計的基礎。要保證接線工作正確性,需PLC的輸入輸出電路有一個清楚的了解。接下來為大家分析PLC各種輸入輸出回路接線。
一、輸入回路接線
輸入電路是PLC接收信號的端口(對模擬量來說一般為0-40MA直流電流或0-10V直流電壓信號),輸入接線是指外部輸入器件(任何無源的觸點和集電極開路的NPN三極管)接通輸入回路閉合,同tong時shi輸shu入ru指zhi示shi的de發fa光guang二er極ji管guan亮liang。常chang用yong外wai部bu輸shu入ru器qi件jian有you按an鈕niu,接jie近jin開kai關guan,轉zhuan換huan開kai關guan,撥bo碼ma器qi,各ge種zhong感gan應ying器qi等deng,是shi對dui係xi統tong發fa出chu各ge種zhong控kong製zhi信xin號hao的de主zhu令ling電dian器qi。

(一)PLC輸入模塊與主令電器電器類設備的連接
圖中鬆下PLC為直流彙點式輸入,即所以輸入點共用一個公共端COM,同時COM端內帶有DC24V電源,在編寫程序時注意外部設備使用的是常閉還是常開觸點

輸入端的電氣原理圖中停止按鈕SB0用常閉觸點,串在控製線中,用於停機控製。 啟動按鈕SB1用常開觸點。在設計的兩個梯形圖完成的控製功能相同,但停機信號X0使用的觸點類型不同,那麼連接在端點的外部停機按鈕觸點類型也就不同

I/O分配SB0-X0,SB1-X1,輸出K0-Y0。當外部使用長閉觸點,不操作該按鈕,輸出Y0正常接通,在PLC控製係統中,外部開關無論是啟動還是停止一般都選用常開型。

(二)接近開關與PLC輸入模塊的連接
在PLC控製係統設計中接線的工作比重較小,但它是編程設計的基礎。要保證接線工作正確性,需PLC的輸入輸出電路有一個清楚的了解。
1.PLC直流輸入電路:分有源型(共陽極)輸入電路,漏型(共陰極)輸入電路。所以漏型輸入電路PLC的COM端是外接直流電源的正極,如西門子S7-400PLC直流輸入模塊的COM端必須接外部電源的正極。所以西門子PLC輸入信號為低壓信號,如果外部信號為高壓信號應該通過中間繼電器轉換。
2.PLC交流輸入電路電壓一般為AC120V或AC230V,jingguodianzudexianliuhedianrongdegelizaijingguozhengliubianchengzhiliusangehuanjie,suoyishuruxinhaoyanchishijianbizhiliudianluchang,danshishuruduanshigaodianya,shuruxinhaodekekaoxingao,yibanyongyuhuanjingelie,duixiangyingyaoqiubugaodechanghe。
(三)開關量信號與PLC輸入模塊的連接
對於不同的PLC輸入電路應正確選擇傳感器(NPN或PNP)的輸入方式,NPN型傳感器動作時,OUT端為0V,(NPN型輸出端OUT應和PLC的輸入端漏型相連)輸出低電平信號。PNP型傳感器動作時,OUT端為+V,輸出高電平信號。
(四)PLC輸入回路接線的優化
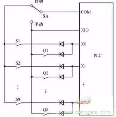
1、減少輸入點數,分組輸入

如圖上係統分自動和手動兩種工作方式,Q1-Q8為手動方式用到的 輸入信號,S1-S8為自動方式用到的輸入信號。S1和Q1共用輸入點X0,PLC運行時隻會用到其中一組信號,所以可以共用PLC的輸入點。(圖中二極管是用來防止寄生回路,避免錯誤輸入信號的產生。
2、輸入設備的多功能化:在PLC係統中可以借助PLC邏輯功能來實現一個設備在不同條件下產生不同作用的信號。
3、不同形式的直流輸入信號與PLC連接

直流有源輸入輸入信號一般都是24V,這類信號與其他無源開關量信號混合接入PLC輸入點時電壓的0V點一定要接。上圖輸入點I0.0,I0.1連接光電編碼器,接近開關的輸出OUT信號,它們的驅動電源由PLC自身的24V電壓提供

不同電壓直流信號與PLC輸入模塊輸入點的連接,注意信號電位差的參考點必須相同。即它們的0V信號必須連接在一起。
4、對與用長線引入PLC的開關量信號可以用小行繼電器來轉接輸入信號,避免外部的強電感應的幹擾。
二、輸出回路接線
由於PLC輸(shu)出(chu)元(yuan)件(jian)被(bei)封(feng)裝(zhuang)在(zai)線(xian)路(lu)板(ban)上(shang)並(bing)連(lian)接(jie)至(zhi)輸(shu)出(chu)端(duan)子(zi)板(ban)上(shang),若(ruo)將(jiang)輸(shu)出(chu)元(yuan)件(jian)短(duan)路(lu)將(jiang)燒(shao)毀(hui)印(yin)製(zhi)電(dian)路(lu)板(ban),所(suo)以(yi)應(ying)用(yong)熔(rong)斷(duan)器(qi)保(bao)護(hu)輸(shu)出(chu)元(yuan)件(jian)。開(kai)關(guan)量(liang)輸(shu)出(chu)模(mo)塊(kuai)有(you)繼(ji)電(dian)器(qi),晶(jing)體(ti)管(guan),晶(jing)閘(zha)管(guan)輸(shu)出(chu)。輸(shu)出(chu)端(duan)接(jie)線(xian)分(fen)公(gong)共(gong)輸(shu)出(chu)和(he)獨(du)立(li)輸(shu)出(chu)。直(zhi)流(liu)輸(shu)出(chu)的(de)續(xu)流(liu)管(guan)保(bao)護(hu),交(jiao)流(liu)輸(shu)出(chu)阻(zu)容(rong)吸(xi)收(shou)電(dian)路(lu),晶(jing)體(ti)管(guan),晶(jing)閘(zha)管(guan)輸(shu)出(chu)的(de)旁(pang)路(lu)電(dian)阻(zu)保(bao)護(hu),以(yi)及(ji)外(wai)部(bu)緊(jin)急(ji)停(ting)車(che)電(dian)路(lu)。
(一)PLC輸出有三種,這三種輸出回路的配線應注意
1、繼電器輸出配線:通用於交直流電路,不同公共點可以帶不同交直流電壓負載。負載容量以負載性質區分,阻抗負載2A/1點,8A/4點COM ,感抗負載容量80VA,燈泡負載100W。可知繼電器型輸出的PLC可通過相對大的電流,但輸出觸點響應的時間相對較慢。
2、晶體管輸出:通用於直流電路,電壓範圍DC5-30V,阻抗負載0.5A/1點,0.8A/4點COM ,感抗負載容量12W/DC24,燈泡負載1.5W/DC24。可知晶體管型輸出的PLC輸出觸點響應時間快,但個通過的電流小。
3、晶閘管輸出:適應高頻動作,但隻能帶DC5-30V,負載最大電流電流為0.5A,燈泡負載30W。
4、在輸出回路必須設置適當熔斷器作為保護。DC直流感抗負載要並聯二極管以延長觸點壽命,二極管規格為耐壓時負載電壓5-10倍,電路大於負載電流。
5、氖燈或小電流負載需要並聯浪湧吸收器。
6、馬達正反轉電路,除PLC內部程序要設計互鎖,輸出外部配線也必須互鎖配線。
(二)COM 點的選擇
因為PLC內部沒有熔斷器,需在COM點處加一個熔斷器。當負載種類多且電流大可采用一個COM點帶1-2個輸出點的PLC產品,當負載數量多且種類少可采用一個COM點帶4-8個輸出點的PLC產品。
(三)PLC與感性設備的連接
當PLC輸入輸出端接有感性負載元件時,直流輸出的續流管保護(直流電路兩端並聯續流二極管),交流輸出阻容吸收電路。

對與大容量負載電路,須在繼電器主觸頭兩端連接RC阻容吸收電路

(四)PLC與七段LED顯示器的連接

上圖兩隻CD4513的數據輸入端A-D共用PLC四個輸出端Y0-Y3,A為最底D為最高,LE 為寄存輸入端,當LE 為高電平時,輸入數據將存在芯片內的寄存器中,並將其譯碼後顯示出來。如PLC使用繼電器輸出模塊時,與CD4513相連的輸出各端在接一個下拉電阻,避免輸出繼電器斷開的時候CD4513輸入端懸空。

七段數碼管有共陰極(公共極接地)和共陽極(公共極接+5V)兩種,是電氣儀表常用的數顯器件。
(五)PLC控製係統輸出回路接線的優化
1、減少輸出點的措施
① 巨陣輸出:要使某個設備(負載)接通工作,隻要控製相對應的輸出繼電器接通即可,采用巨陣輸出必須將同一時間段接通的負載安排在同一列。
②分組輸出:PLC每個輸出點可以控製兩個不同時工作的負載,當兩組負載不會同時工作事,可以通過外部轉換開關SA進行切換。
③ 並聯輸出:兩個通段完全相同的負載可並聯後共用PLC的一個輸出點。
④ 提高PLC輸出可靠性措施:PLC輸出模塊的繼電器觸點容量一般為2A,如果輸出點的負載功率太大,可以采用輸出繼電器帶動一個中間繼電器,在由中間繼電器驅動負載。
特別推薦
- 噪聲中提取真值!瑞盟科技推出MSA2240電流檢測芯片賦能多元高端測量場景
- 10MHz高頻運行!氮矽科技發布集成驅動GaN芯片,助力電源能效再攀新高
- 失真度僅0.002%!力芯微推出超低內阻、超低失真4PST模擬開關
- 一“芯”雙電!聖邦微電子發布雙輸出電源芯片,簡化AFE與音頻設計
- 一機適配萬端:金升陽推出1200W可編程電源,賦能高端裝備製造
技術文章更多>>
- 大聯大世平集團首度亮相北京國際汽車展 攜手全球芯片夥伴打造智能車整合應用新典範
- 2026北京車展即將啟幕,高通攜手汽車生態“朋友圈”推動智能化體驗再升級
- 邊緣重構智慧城市:FPGA SoM 如何破解視頻係統 “重而慢”
- 如何使用工業級串行數字輸入來設計具有並行接口的數字輸入模塊
- 意法半導體將舉辦投資者會議探討低地球軌道(LEO)發展機遇
技術白皮書下載更多>>
- 車規與基於V2X的車輛協同主動避撞技術展望
- 數字隔離助力新能源汽車安全隔離的新挑戰
- 汽車模塊拋負載的解決方案
- 車用連接器的安全創新應用
- Melexis Actuators Business Unit
- Position / Current Sensors - Triaxis Hall
熱門搜索




