電路設計:可穿戴醫療設備語音報警電路
發布時間:2014-09-26 責任編輯:sherryyu
【導讀】本文講解的可穿戴醫療設備語音報警電路設計,主要是用集成語音芯片ISD2560組成。具有較強功能的語音錄放芯片,是一種永久記憶型語音錄放電路設計。值得醫療設備擁有!
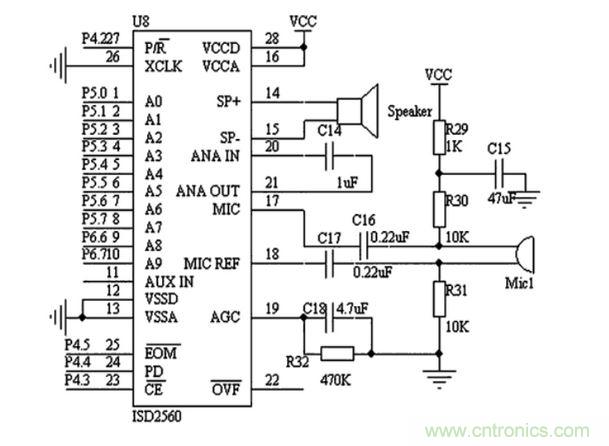
可穿戴醫療設備語音報警電路: 電路如圖所示,主要由集成語音芯片ISD2560組成。
ISD2560是Winbond公司生產的一款具有較強功能的語音錄放芯片,是一種永久記憶型語音錄放電路,錄音時間為60s,可重複錄放10萬次。該芯片采用多電平直接模擬量存儲專利技術,能夠非常真實、自zi然ran地di再zai現xian語yu音yin。通tong過guo事shi先xian錄lu製zhi好hao的de聲sheng音yin,實shi現xian血xue壓ya測ce量liang值zhi的de自zi動dong聲sheng音yin提ti示shi,如ru果guo血xue壓ya高gao出chu正zheng常chang血xue壓ya的de上shang下xia限xian值zhi,還hai會hui發fa揮hui報bao警jing,提ti醒xing使shi用yong者zhe就jiu醫yi。具ju體ti做zuo法fa:經過一段時間(大概為正常人的一個月)dejingqueceliang,zaidiannaoshangchulishuju,dedaoxueyadezhengchangfanwei,jiangqishangxiaxianshezhiweibaojingfanwei,shishijiankongpeidaizhedexueyazhi,ruguoxueyachaochuzhengchangfanwei,zekaishijishi,jiangriqishijiandengshujudouyaojiluxialai,ruguochaochuzhengchangfanweideshijianchaochuwufenzhong,zekaishibaojingtixing,tishineirongwei:尊敬的用戶您好,此時您的血壓偏高低,建議您立即進行電壓測量,並服用相應的藥物!

特別推薦
- 噪聲中提取真值!瑞盟科技推出MSA2240電流檢測芯片賦能多元高端測量場景
- 10MHz高頻運行!氮矽科技發布集成驅動GaN芯片,助力電源能效再攀新高
- 失真度僅0.002%!力芯微推出超低內阻、超低失真4PST模擬開關
- 一“芯”雙電!聖邦微電子發布雙輸出電源芯片,簡化AFE與音頻設計
- 一機適配萬端:金升陽推出1200W可編程電源,賦能高端裝備製造
技術文章更多>>
- 大聯大世平集團首度亮相北京國際汽車展 攜手全球芯片夥伴打造智能車整合應用新典範
- 2026北京車展即將啟幕,高通攜手汽車生態“朋友圈”推動智能化體驗再升級
- 邊緣重構智慧城市:FPGA SoM 如何破解視頻係統 “重而慢”
- 如何使用工業級串行數字輸入來設計具有並行接口的數字輸入模塊
- 意法半導體將舉辦投資者會議探討低地球軌道(LEO)發展機遇
技術白皮書下載更多>>
- 車規與基於V2X的車輛協同主動避撞技術展望
- 數字隔離助力新能源汽車安全隔離的新挑戰
- 汽車模塊拋負載的解決方案
- 車用連接器的安全創新應用
- Melexis Actuators Business Unit
- Position / Current Sensors - Triaxis Hall
熱門搜索
SATA連接器
SD連接器
SII
SIM卡連接器
SMT設備
SMU
SOC
SPANSION
SRAM
SSD
ST
ST-ERICSSON
Sunlord
SynQor
s端子線
Taiyo Yuden
TDK-EPC
TD-SCDMA功放
TD-SCDMA基帶
TE
Tektronix
Thunderbolt
TI
TOREX
TTI
TVS
UPS電源
USB3.0
USB 3.0主控芯片
USB傳輸速度



