DC-DC模塊電源並聯電路,如何設計最有效?
發布時間:2015-08-31 責任編輯:sherry
【導讀】在(zai)工(gong)業(ye)係(xi)統(tong)中(zhong),將(jiang)多(duo)個(ge)大(da)功(gong)率(lv)的(de)模(mo)塊(kuai)電(dian)源(yuan)通(tong)過(guo)並(bing)聯(lian)方(fang)式(shi)實(shi)現(xian)均(jun)流(liu)可(ke)以(yi)有(you)效(xiao)保(bao)證(zheng)輸(shu)出(chu)電(dian)壓(ya)的(de)穩(wen)定(ding),也(ye)能(neng)夠(gou)維(wei)係(xi)整(zheng)個(ge)係(xi)統(tong)的(de)正(zheng)常(chang)工(gong)作(zuo)運(yun)行(xing)。那(na)麼(me),工(gong)程(cheng)師(shi)在(zai)麵(mian)對(dui)DC-DC變換電路的設計時,應該如何保證這種多個電源模塊並聯電路的設計是最有效的呢?
下麵我們將會通過一個案例,來進行具體的分析。
相信很多工程師都非常了解DC-DC變換電路,這種電路是將一組電參數的直流電能轉換為另一組電參數的直流電能的電路。根據工業係統正常的60%以上輸出功率的要求,模塊須采用DC-DC降壓變換電路(Buck電路)以此實現8V直流輸出電壓。Buck電路的實現可以由分離原件與專用集成芯片組成。下麵我們將會對三種不同的設計思路進行綜合比對。
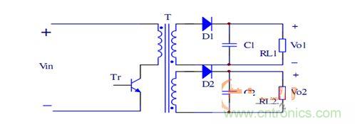
首先我們來看第一種設計方案,該方案通過采用PWM控製的高頻開關變壓器的方式來實現變換電路的設計。如下圖所示,反激式DC-DC變換器開關管(Tr)導通時,變壓積能量,截止時輸出能量。反激式優點是:結構簡單、外圍元件少,要扼流圈和續流二極管。輸出電壓公式為:

當多個電源模塊進行並聯時,由於在該係統中是由一個PWM控kong製zhi器qi同tong時shi控kong兩liang路lu,兩liang路lu的de開kai關guan管guan在zai高gao頻pin下xia始shi終zhong是shi導dao通tong和he關guan斷duan的de,所suo以yi電dian容rong上shang始shi終zhong保bao持chi同tong時shi充chong電dian和he放fang電dian,因yin此ci並bing聯lian時shi兩liang路lu電dian流liu始shi終zhong保bao持chi相xiang等deng。缺que點dian是shi:變壓器存在漏感,將在原邊形成很大電壓尖峰,可能擊穿開關器件,且負載調整率差、電源效率低。同時,由於在整個係統中電源能量均由變壓器T儲存,體積較大,而且需要開氣隙。

圖為反激式DC/DC電路
接下來我們來看第二種設計思路。第二個DC-DC電源模塊並聯電路的設計中,采用了TI公司的PWM控製芯片TL494,驅動P溝道MOS管IRF9630。TL494內部集成兩個誤差放大器,通過反饋能對PWM信號的占空比進行調節,內部自帶5V基準,這種方式能夠對輸出電壓實現精確控製。
除了上麵提及的兩種設計思路之外,還有第三種DC-DC電源模塊並聯電路的設計方案,那就是采用開關電壓調節芯片LM2596-ADJ實現多個電源模塊的並聯和均流輸出。LM2596能夠輸出3A的驅動電流,同時具有很好的線性和負載調節特性。可調版本可以輸出小於37V的各種電壓。該器件內部集成頻率補償和固定頻率發生器,開關頻率為150KHz,與低頻開關調節器相比較,可以使用更小規格的濾波元件。由於該器件隻需外接少量元件,使用方便。
在詳細的對以上三種方案進行介紹和分析之後,我們可以比較清楚的發現,雖然三種設計方法都能滿足電源效率不低於為60%,但是方案二需要使用PWM控製芯片TL494,所接外部器件比較多,而且需要自製高頻開關變壓器,性能無法得到保證。因此,在綜合比較之後,第三種采用LM2596芯片作為DC-DC模塊的主器件,具有可靠,穩定的性能,改變外部電阻可以較好的控製,比較適合目前國內的工業控製係統需求。
特別推薦
- 噪聲中提取真值!瑞盟科技推出MSA2240電流檢測芯片賦能多元高端測量場景
- 10MHz高頻運行!氮矽科技發布集成驅動GaN芯片,助力電源能效再攀新高
- 失真度僅0.002%!力芯微推出超低內阻、超低失真4PST模擬開關
- 一“芯”雙電!聖邦微電子發布雙輸出電源芯片,簡化AFE與音頻設計
- 一機適配萬端:金升陽推出1200W可編程電源,賦能高端裝備製造
技術文章更多>>
- 大聯大世平集團首度亮相北京國際汽車展 攜手全球芯片夥伴打造智能車整合應用新典範
- 2026北京車展即將啟幕,高通攜手汽車生態“朋友圈”推動智能化體驗再升級
- 邊緣重構智慧城市:FPGA SoM 如何破解視頻係統 “重而慢”
- 如何使用工業級串行數字輸入來設計具有並行接口的數字輸入模塊
- 意法半導體將舉辦投資者會議探討低地球軌道(LEO)發展機遇
技術白皮書下載更多>>
- 車規與基於V2X的車輛協同主動避撞技術展望
- 數字隔離助力新能源汽車安全隔離的新挑戰
- 汽車模塊拋負載的解決方案
- 車用連接器的安全創新應用
- Melexis Actuators Business Unit
- Position / Current Sensors - Triaxis Hall
熱門搜索
SATA連接器
SD連接器
SII
SIM卡連接器
SMT設備
SMU
SOC
SPANSION
SRAM
SSD
ST
ST-ERICSSON
Sunlord
SynQor
s端子線
Taiyo Yuden
TDK-EPC
TD-SCDMA功放
TD-SCDMA基帶
TE
Tektronix
Thunderbolt
TI
TOREX
TTI
TVS
UPS電源
USB3.0
USB 3.0主控芯片
USB傳輸速度



