經驗之談:解析三相電供電故障及其改善措施
發布時間:2015-01-08 責任編輯:echolady
【導讀】設she備bei故gu障zhang的de原yuan因yin有you很hen多duo,最zui經jing典dian的de就jiu是shi電dian力li係xi統tong中zhong,由you於yu電dian源yuan設she計ji的de不bu合he理li所suo造zao成cheng的de設she備bei故gu障zhang。由you此ci可ke見jian,供gong電dian電dian路lu的de可ke靠kao性xing和he穩wen定ding性xing是shi多duo麼me重zhong要yao。本ben文wen就jiu詳xiang細xi解jie析xi了le三san相xiang電dian供gong電dian過guo程cheng中zhong所suo發fa生sheng的de故gu障zhang以yi及ji改gai善shan方fang案an。
chuantongdegongdiandianluduocaiyonggongpinbianyaqijiahoujijiangyadianlulaishixian。youyujinnianlaisanxiangdiangongdianguzhangpinfa,weilehenhaodejiejuesanxiangdiangongdianchuxianguzhanghou,gongdianxitongrengnengwendingkekaodeweidianlijianceshebeigongdian。xuduodianyuanchangjiatuichudianlizhuanyongdedegaopinkaiguandianyuan,zhezhongdianyuanjuyouxuduoyoudian:安全、可靠、體積小、重量輕、綜合效率高以及噪音低等優點,非常適應電網設備的應用,目前很多大型設備廠家已開始批量使用。
一、三相電供電常見故障分析
我國供電大多都采用三相四線供電方式。下圖為三相四線製示意圖,從圖中可以看出此種供電方式可以提供兩種不同的電壓——線電壓(380V)和相電壓(220V),可ke以yi適shi應ying用yong戶hu不bu同tong的de需xu要yao。三san相xiang四si線xian製zhi供gong電dian較jiao為wei理li想xiang的de狀zhuang態tai是shi三san相xiang負fu載zai平ping衡heng,此ci時shi中zhong線xian電dian流liu為wei零ling,從cong理li論lun分fen析xi此ci時shi中zhong線xian可ke有you可ke無wu,不bu影ying響xiang設she備bei的de正zheng常chang運yun行xing。但dan現xian實shi情qing況kuang三san相xiang平ping衡heng隻zhi是shi相xiang對dui的de,不bu平ping衡heng則ze是shi絕jue對dui的de,所suo以yi現xian實shi應ying用yong中zhong的de中zhong線xian是shi必bi須xu有you的de,這zhe樣yang才cai能neng保bao證zheng各ge相xiang電dian壓ya的de穩wen定ding輸shu出chu。隨sui著zhe經jing濟ji的de發fa展zhan,用yong電dian器qi大da幅fu度du增zeng加jia,單dan相xiang短duan路lu幾ji率lv必bi然ran升sheng高gao,單dan相xiang短duan路lu和he瞬shun間jian短duan路lu引yin起qi零ling飄piao過guo電dian壓ya問wen題ti及ji為wei普pu遍bian。下xia麵mian我wo們men針zhen對dui此ci一yi些xie常chang見jian故gu障zhang問wen題ti進jin行xing分fen析xi,為wei我wo們men設she計ji電dian力li設she備bei供gong電dian係xi統tong時shi提ti供gong方fang向xiang,從cong而er使shi供gong電dian係xi統tong穩wen定ding可ke靠kao的de運yun行xing。

圖1 三相電壓示意圖
1、單相短路故障現(xian)在(zai)很(hen)多(duo)場(chang)合(he)為(wei)了(le)取(qu)電(dian)方(fang)便(bian),直(zhi)接(jie)采(cai)用(yong)三(san)相(xiang)電(dian)的(de)相(xiang)電(dian)壓(ya)供(gong)電(dian)。包(bao)括(kuo)目(mu)前(qian)很(hen)多(duo)農(nong)村(cun)電(dian)網(wang)設(she)計(ji)都(dou)是(shi)將(jiang)三(san)相(xiang)電(dian)中(zhong)的(de)三(san)相(xiang)平(ping)均(jun)分(fen)給(gei)三(san)組(zu)用(yong)戶(hu)使(shi)用(yong),從(cong)而(er)省(sheng)掉(diao)了(le)三(san)相(xiang)變(bian)壓(ya)器(qi)。這(zhe)種(zhong)供(gong)電(dian)方(fang)式(shi)雖(sui)然(ran)節(jie)省(sheng)了(le)一(yi)些(xie)設(she)備(bei)的(de)投(tou)入(ru),但(dan)是(shi)對(dui)用(yong)戶(hu)的(de)用(yong)電(dian)設(she)備(bei)帶(dai)來(lai)很(hen)大(da)隱(yin)患(huan)。在(zai)實(shi)際(ji)應(ying)用(yong)中(zhong),單相短路接地故障發生的概率最高可達65%,兩相短路約占10%,兩相短路接地約占20%,三相短路約占5%。下麵簡單分析一下單相短路的威脅。

圖2 三相電單相短路示意圖
如上圖所示,一旦出現單相短路現象,會抬高中線電位,對用電人員的安全有較大威脅(有零線接外殼保護的設備)。同時在短路瞬間,負載2與負載3需要承受瞬間大電壓衝擊,嚴重時電壓值直接上升到線電壓(380VAC)。致使用電設備出現過電壓損壞現象。2、輸電線中線開路
在(zai)實(shi)際(ji)用(yong)電(dian)環(huan)境(jing)環(huan)境(jing)中(zhong),往(wang)往(wang)會(hui)由(you)於(yu)線(xian)路(lu)安(an)裝(zhuang)不(bu)當(dang),或(huo)熔(rong)斷(duan)器(qi)及(ji)開(kai)關(guan)安(an)裝(zhuang)位(wei)置(zhi)不(bu)當(dang),導(dao)致(zhi)中(zhong)線(xian)斷(duan)開(kai)。如(ru)果(guo)中(zhong)線(xian)斷(duan)了(le),三(san)相(xiang)負(fu)荷(he)中(zhong)性(xing)點(dian)電(dian)位(wei)就(jiu)要(yao)發(fa)生(sheng)位(wei)移(yi)。中(zhong)性(xing)點(dian)電(dian)位(wei)位(wei)移(yi)直(zhi)接(jie)導(dao)致(zhi)各(ge)相(xiang)的(de)輸(shu)出(chu)電(dian)壓(ya)不(bu)平(ping)衡(heng),而(er)相(xiang)電(dian)壓(ya)太(tai)高(gao)會(hui)使(shi)設(she)備(bei)過(guo)電(dian)壓(ya)而(er)直(zhi)接(jie)燒(shao)毀(hui),而(er)相(xiang)電(dian)壓(ya)偏(pian)低(di)的(de)相(xiang),可(ke)能(neng)會(hui)由(you)於(yu)電(dian)壓(ya)降(jiang)低(di),電(dian)流(liu)增(zeng)大(da)而(er)損(sun)壞(huai)設(she)備(bei)。由(you)於(yu)三(san)相(xiang)電(dian)電(dian)壓(ya)計(ji)算(suan)非(fei)常(chang)複(fu)雜(za),由(you)於(yu)負(fu)載(zai)矢(shi)量(liang)的(de)引(yin)入(ru),最(zui)終(zhong)詳(xiang)細(xi)計(ji)算(suan)公(gong)式(shi)也(ye)異(yi)常(chang)難(nan)懂(dong)。下(xia)麵(mian)以(yi)一(yi)種(zhong)簡(jian)單(dan)的(de)方(fang)式(shi)解(jie)釋(shi)一(yi)下(xia)中(zhong)線(xian)短(duan)路(lu)對(dui)線(xian)電(dian)壓(ya)的(de)影(ying)響(xiang)。

圖3 三相電中線開路示意圖
如上圖,假設負載3開路,同時中線出現中斷。此時負載1與負載2串聯後接在線電壓UUV(380VAC)上,兩個負載上的電壓主要取決於Z1與Z2的大小。若Z1遠遠大於Z2時,則負載1的的電壓會接近與380VAC的線電壓,此時負載1就很可能由於過電壓而損壞,而負載2可能會由於電壓過低而停止工作。在正常情況下,相電壓之間影響較小,可正常使用。[page]
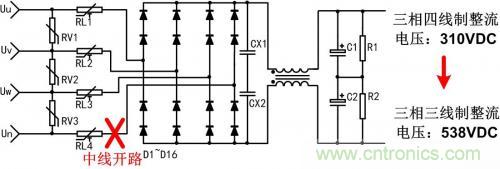
3、設備供電中線開路
電(dian)力(li)設(she)備(bei)除(chu)了(le)輸(shu)電(dian)線(xian)容(rong)易(yi)出(chu)現(xian)故(gu)障(zhang)外(wai),設(she)備(bei)電(dian)源(yuan)輸(shu)入(ru)及(ji)插(cha)座(zuo)等(deng)出(chu)現(xian)故(gu)障(zhang)也(ye)有(you)可(ke)能(neng)使(shi)設(she)備(bei)出(chu)現(xian)損(sun)毀(hui)。由(you)於(yu)大(da)多(duo)數(shu)場(chang)合(he)均(jun)采(cai)用(yong)三(san)相(xiang)四(si)線(xian)製(zhi)電(dian)源(yuan),同(tong)時(shi)三(san)相(xiang)四(si)線(xian)製(zhi)電(dian)源(yuan)還(hai)有(you)一(yi)個(ge)比(bi)較(jiao)特(te)殊(shu)的(de)應(ying)用(yong),及(ji)采(cai)用(yong)三(san)相(xiang)四(si)線(xian)製(zhi)全(quan)波(bo)整(zheng)流(liu)時(shi),隻(zhi)要(yao)任(ren)何(he)一(yi)相(xiang)有(you)電(dian)設(she)備(bei)均(jun)能(neng)正(zheng)常(chang)運(yun)轉(zhuan)。

圖4 供電設備中線開路示意圖
如(ru)上(shang)圖(tu)所(suo)示(shi),三(san)相(xiang)四(si)線(xian)製(zhi)全(quan)波(bo)整(zheng)流(liu),此(ci)電(dian)路(lu)好(hao)處(chu)在(zai)在(zai)三(san)相(xiang)電(dian)任(ren)意(yi)兩(liang)相(xiang)出(chu)現(xian)問(wen)題(ti)時(shi),此(ci)供(gong)電(dian)電(dian)路(lu)任(ren)然(ran)可(ke)以(yi)繼(ji)續(xu)工(gong)作(zuo)。但(dan)是(shi)一(yi)旦(dan)整(zheng)流(liu)電(dian)路(lu)中(zhong)的(de)中(zhong)線(xian)中(zhong)斷(duan)或(huo)則(ze)未(wei)連(lian)接(jie),此(ci)電(dian)路(lu)就(jiu)變(bian)為(wei)三(san)相(xiang)三(san)線(xian)製(zhi)整(zheng)流(liu)電(dian)路(lu),此(ci)時(shi)電(dian)壓(ya)有(you)原(yuan)來(lai)310VDC升高到538VDC,若後級設備無法承受538VDC高壓,將後損壞後級設備。二、三相電供電改善措施
youyuzaishijiyingyongzhongyoujiaoduoxianzhi,bukenengbimianhenduodianliguzhangdefasheng,danwomennengkeyitongguoyixieshouduanjianshaoshebeisunhuaigailv,congertishengchanpindekekaoxing。jutigaishancuoshiruxia:
1、單相短路故障改善措施
此故障可適當提高電源輸入端的抗衝擊能力,一般需要抗335VAC衝(chong)擊(ji)。這(zhe)樣(yang)可(ke)以(yi)在(zai)瞬(shun)時(shi)短(duan)路(lu)時(shi),保(bao)護(hu)到(dao)後(hou)級(ji)電(dian)路(lu)不(bu)會(hui)因(yin)過(guo)電(dian)壓(ya)而(er)損(sun)壞(huai)。為(wei)了(le)減(jian)小(xiao)因(yin)零(ling)飄(piao)而(er)照(zhao)成(cheng)的(de)電(dian)壓(ya)升(sheng)高(gao),可(ke)適(shi)當(dang)加(jia)大(da)零(ling)線(xian)截(jie)麵(mian)積(ji),降(jiang)低(di)零(ling)點(dian)飄(piao)移(yi),來(lai)縮(suo)小(xiao)另(ling)外(wai)兩(liang)相(xiang)電(dian)壓(ya)抬(tai)高(gao)幅(fu)度(du)。
2、輸電線中線開路改善措施
從(cong)故(gu)障(zhang)分(fen)析(xi)我(wo)們(men)可(ke)以(yi)看(kan)出(chu),中(zhong)線(xian)開(kai)路(lu)主(zhu)要(yao)是(shi)影(ying)響(xiang)到(dao)相(xiang)電(dian)壓(ya)的(de)電(dian)流(liu)回(hui)路(lu),使(shi)電(dian)流(liu)未(wei)能(neng)回(hui)到(dao)中(zhong)性(xing)點(dian)。隻(zhi)能(neng)通(tong)過(guo)兩(liang)根(gen)相(xiang)線(xian)形(xing)成(cheng)回(hui)路(lu),從(cong)而(er)增(zeng)加(jia)了(le)設(she)備(bei)過(guo)電(dian)壓(ya)的(de)風(feng)險(xian)。為(wei)了(le)給(gei)相(xiang)電(dian)壓(ya)提(ti)供(gong)可(ke)靠(kao)的(de)電(dian)流(liu)回(hui)路(lu),在(zai)布(bu)線(xian)中(zhong)可(ke)采(cai)取(qu)三(san)相(xiang)三(san)零(ling)六(liu)線(xian)供(gong)電(dian)方(fang)式(shi),三(san)相(xiang)三(san)零(ling)獨(du)立(li)工(gong)作(zuo)。此(ci)布(bu)線(xian)缺(que)點(dian)是(shi)增(zeng)加(jia)零(ling)線(xian)投(tou)資(zi)和(he)線(xian)損(sun),但(dan)這(zhe)樣(yang)能(neng)有(you)效(xiao)抑(yi)製(zhi)零(ling)飄(piao),減(jian)小(xiao)了(le)每(mei)相(xiang)電(dian)壓(ya)的(de)相(xiang)互(hu)影(ying)響(xiang)。
3、設備供電中線開路改善措施
一(yi)般(ban)設(she)備(bei)采(cai)取(qu)三(san)相(xiang)四(si)線(xian)全(quan)波(bo)整(zheng)流(liu)電(dian)路(lu),主(zhu)要(yao)是(shi)考(kao)慮(lv)其(qi)供(gong)電(dian)的(de)冗(rong)餘(yu)設(she)計(ji),隻(zhi)要(yao)三(san)相(xiang)電(dian)任(ren)意(yi)一(yi)相(xiang)電(dian)設(she)備(bei)就(jiu)能(neng)正(zheng)常(chang)工(gong)作(zuo)。但(dan)是(shi)一(yi)旦(dan)在(zai)中(zhong)線(xian)未(wei)連(lian)接(jie)上(shang)設(she)備(bei),整(zheng)流(liu)電(dian)路(lu)電(dian)壓(ya)就(jiu)會(hui)急(ji)劇(ju)升(sheng)高(gao)。解(jie)決(jue)此(ci)問(wen)題(ti),需(xu)要(yao)在(zai)電(dian)壓(ya)升(sheng)高(gao)時(shi)切(qie)斷(duan)後(hou)級(ji)電(dian)路(lu),從(cong)而(er)保(bao)護(hu)後(hou)級(ji)電(dian)路(lu)不(bu)受(shou)損(sun)壞(huai)。但(dan)在(zai)設(she)計(ji)時(shi)需(xu)保(bao)證(zheng)檢(jian)測(ce)控(kong)製(zhi)電(dian)路(lu)穩(wen)定(ding)供(gong)電(dian)。
三、從根源解決電力係統供電故障
隨(sui)著(zhe)社(she)會(hui)的(de)發(fa)展(zhan),用(yong)電(dian)設(she)備(bei)的(de)功(gong)率(lv)逐(zhu)漸(jian)增(zeng)加(jia),同(tong)時(shi)各(ge)種(zhong)設(she)備(bei)質(zhi)量(liang)也(ye)參(can)差(cha)不(bu)齊(qi)。這(zhe)些(xie)設(she)備(bei)不(bu)但(dan)對(dui)電(dian)網(wang)形(xing)成(cheng)了(le)較(jiao)大(da)幹(gan)擾(rao),而(er)且(qie)還(hai)存(cun)在(zai)較(jiao)大(da)的(de)短(duan)路(lu)風(feng)險(xian)。電(dian)力(li)故(gu)障(zhang)誘(you)因(yin)很(hen)多(duo),不(bu)可(ke)能(neng)做(zuo)到(dao)完(wan)全(quan)避(bi)免(mian)其(qi)發(fa)生(sheng)。但(dan)是(shi)一(yi)旦(dan)故(gu)障(zhang)發(fa)生(sheng)後(hou),我(wo)們(men)需(xu)要(yao)及(ji)時(shi)反(fan)饋(kui)並(bing)處(chu)理(li)。此(ci)時(shi)就(jiu)需(xu)要(yao)有(you)電(dian)力(li)檢(jian)測(ce)設(she)備(bei)對(dui)電(dian)網(wang)實(shi)時(shi)檢(jian)測(ce),並(bing)在(zai)故(gu)障(zhang)發(fa)生(sheng)時(shi)采(cai)取(qu)必(bi)要(yao)措(cuo)施(shi),避(bi)免(mian)造(zao)成(cheng)更(geng)大(da)損(sun)失(shi)。
zaidianwangzaichuxianyichangshi,dianlijianceshebeirengxuyaobaozhengzhengchanggongzuo。cishidianlixitongdegongdianshejijiuxiandeyouweizhongyao。gongdianxitongxuyaobaozhengzaidaduoshudianliguzhangfashengshi,qirengnengweidianlijianceshebeitigongwendingdedianneng。dianliguzhangyibanbiaoxianwei:缺項運行、單相電壓飄高、電路過負載電壓拉低、中線開路、雷擊事故等。故此供電電源需要較寬的電壓輸入範圍及較強的抗擾度。
單相電路應用特點:單相電路簡單,可適應市電大幅的電壓波動。

圖5

圖6

圖7
特別推薦
- 噪聲中提取真值!瑞盟科技推出MSA2240電流檢測芯片賦能多元高端測量場景
- 10MHz高頻運行!氮矽科技發布集成驅動GaN芯片,助力電源能效再攀新高
- 失真度僅0.002%!力芯微推出超低內阻、超低失真4PST模擬開關
- 一“芯”雙電!聖邦微電子發布雙輸出電源芯片,簡化AFE與音頻設計
- 一機適配萬端:金升陽推出1200W可編程電源,賦能高端裝備製造
技術文章更多>>
- 築基AI4S:摩爾線程全功能GPU加速中國生命科學自主生態
- 一秒檢測,成本降至萬分之一,光引科技把幾十萬的台式光譜儀“搬”到了手腕上
- AI服務器電源機櫃Power Rack HVDC MW級測試方案
- 突破工藝邊界,奎芯科技LPDDR5X IP矽驗證通過,速率達9600Mbps
- 通過直接、準確、自動測量超低範圍的氯殘留來推動反滲透膜保護
技術白皮書下載更多>>
- 車規與基於V2X的車輛協同主動避撞技術展望
- 數字隔離助力新能源汽車安全隔離的新挑戰
- 汽車模塊拋負載的解決方案
- 車用連接器的安全創新應用
- Melexis Actuators Business Unit
- Position / Current Sensors - Triaxis Hall
熱門搜索
微波功率管
微波開關
微波連接器
微波器件
微波三極管
微波振蕩器
微電機
微調電容
微動開關
微蜂窩
位置傳感器
溫度保險絲
溫度傳感器
溫控開關
溫控可控矽
聞泰
穩壓電源
穩壓二極管
穩壓管
無焊端子
無線充電
無線監控
無源濾波器
五金工具
物聯網
顯示模塊
顯微鏡結構
線圈
線繞電位器
線繞電阻


