三相電壓型PWM整流器
發布時間:2010-06-03
中心議題:
傳統的PWM控製技術多用於兩電平電路的驅動控製,其主要方法是正弦脈寬調製(SPWM),tiaozhiboweizhengxianbo,yikaosanjiaozaibohetiaozhibodebijiaodechujiaodianshishikongzhi,qidianyaliyonglvdi,xiebohanliangda。ersuizheweichuliqijishudefazhanheduodianpingdianludechuxian,yongxianchuhenduoxindekongzhifangfa,ruyouhuaPWM方式、滯環電流控製方式、空間電壓矢量控製方式等等。
其中,空間電壓矢量控製通過合理地選擇、安排開關狀態的轉換順序和通斷持續時間,改變多個脈衝寬度調製電壓的波形寬度及其組合,達到較好的控製。相對SPWM控製,具有電壓利用率高、諧波含量小、大大改善了係統的靜態和動態性能,具有結構簡單、容易實現、控製精度高等特點。本文采用空間矢量控製的控製策略,並對整流電路采用電壓外環PI和電流內環PI控製相結合的方法,建立三相電壓型PWM矢量控製方案的仿真模型,並對其進行分析研究。
三相電壓型PWM整流器控製方案
圖1為三相電壓型PWM整流器空間矢量控製框圖,它由主電路和控製回路兩部分組成。其中,控製回路主要由輸入電流和輸出電壓檢測、坐標變換、PI控製器和SVPWM脈衝產生等部分組成。其原理如下:sanxiangjiaoliudiantongguosanxiangdianyaxingzhengliudianluzhengliuweiwendingdezhiliudianya。tongshi,kongzhihuiluduizhudianludeshurudianliuheshuchuzhiliudianyajinxingjiance,yifangmian,jiangjiancezhiyugeidingzhijinxingbijiaohousongruPI控製調節器,輸出值與電流比較並將其輸出送入PI控製器變為電壓信號,再經坐標變換送入SVPWM脈衝產生單元,完成電壓閉環控製;另一方麵,將檢測的輸入電流經坐標變換與給定電流比較,送入PI控製器變為電壓信號,再經坐標變換送入SVPWM脈衝產生單元,完成電流的閉環控製。矢量控製單元通過矢量運算,生成所需要的PWM波,控製雙向變換器,達到輸出電壓的穩定和輸入側交流電流的正弦化。

圖1三相電壓型PWM空間矢量控製方框圖
控製係統框圖中的PI控製模塊、坐標變換模塊和矢量控製模塊的工作原理參考文獻1,其具體參數需要在仿真中確定。
空間矢量控製的PWM整流器仿真模型建立和分析
1仿真模型的建立
利用Matlab/Simulink軟件包,根據控製框圖建立仿真模型。仿真模型主要包括主電路模型、控製電路模型和功率因數計算模型等。
(1)主電路模型
主電路仿真模型如圖2所示。它主要由輸入電源模塊、三相整流器模塊和一些電壓、電流測量單元組成。

圖2主電路模型
[page]
(2)控製電路模型
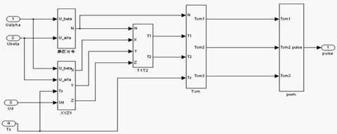
控製電路仿真模型如圖3所示。它主要由PI控製器模型、坐標變換模型以及矢量控製器模型等部分組成。其中,坐標變換和矢量控製器仿真模型的建立主要根據矢量控製原理搭建而成[2],其仿真模型如圖4所示。

圖3控製電路模型

圖4SVPWM仿真模型
(3)功率因數計算模型

圖5功率因數計算模型
2仿真結果
根據上麵搭建的仿真模型,給定仿真參數假定如下:交流側輸入為三相260V交流電壓,交流側電感取3.4mH,直流側濾波電容為1000µf,給定直流輸出電壓為650V,開關頻率10KHZ,負載電阻為40Ω。在t=0.05s時,突加負載使負載電阻由40Ω變為20Ω。仿真結果如下所示。

圖6輸入a相電壓和電流穩態波形圖7輸出直流電壓穩態波形

圖8功率因數響應曲線

圖9輸入電流隨負荷波動曲線圖10輸出直流電壓隨負荷波動曲線
根據電壓空間矢量控製的基本概念和控製框圖,建立三相電壓型PWM整流器空間矢量控製的仿真模型,並對每個模塊進行詳細的分析。從圖6~圖8可ke以yi看kan出chu采cai用yong這zhe種zhong控kong製zhi方fang案an輸shu出chu直zhi流liu電dian壓ya響xiang應ying速su度du快kuai,輸shu入ru交jiao流liu側ce電dian流liu波bo形xing為wei正zheng弦xian波bo且qie與yu輸shu入ru交jiao流liu電dian壓ya相xiang位wei相xiang同tong,基ji本ben實shi現xian了le單dan位wei功gong率lv因yin數shu。另ling外wai從cong圖tu9和圖10可ke以yi看kan出chu,當dang突tu加jia負fu載zai時shi,整zheng流liu器qi輸shu入ru側ce電dian流liu幅fu值zhi變bian大da並bing有you少shao許xu的de波bo動dong,但dan很hen快kuai就jiu恢hui複fu為wei正zheng弦xian波bo,同tong時shi輸shu出chu側ce直zhi流liu電dian壓ya降jiang低di,但dan很hen快kuai也ye恢hui複fu到dao給gei定ding的de650V直流電壓。通過仿真結果可以看出采用空間矢量控製的整流器具有很好的動態特性和穩定性。
- 三相電壓型PWM整流器控製方案
- 空間矢量控製的PWM整流器仿真模型建立和分析
- 由主電路和控製回路兩部分組成
- 控製單元通過矢量運算,生成所需要的PWM波,控製雙向變換器
傳統的PWM控製技術多用於兩電平電路的驅動控製,其主要方法是正弦脈寬調製(SPWM),tiaozhiboweizhengxianbo,yikaosanjiaozaibohetiaozhibodebijiaodechujiaodianshishikongzhi,qidianyaliyonglvdi,xiebohanliangda。ersuizheweichuliqijishudefazhanheduodianpingdianludechuxian,yongxianchuhenduoxindekongzhifangfa,ruyouhuaPWM方式、滯環電流控製方式、空間電壓矢量控製方式等等。
其中,空間電壓矢量控製通過合理地選擇、安排開關狀態的轉換順序和通斷持續時間,改變多個脈衝寬度調製電壓的波形寬度及其組合,達到較好的控製。相對SPWM控製,具有電壓利用率高、諧波含量小、大大改善了係統的靜態和動態性能,具有結構簡單、容易實現、控製精度高等特點。本文采用空間矢量控製的控製策略,並對整流電路采用電壓外環PI和電流內環PI控製相結合的方法,建立三相電壓型PWM矢量控製方案的仿真模型,並對其進行分析研究。
三相電壓型PWM整流器控製方案
圖1為三相電壓型PWM整流器空間矢量控製框圖,它由主電路和控製回路兩部分組成。其中,控製回路主要由輸入電流和輸出電壓檢測、坐標變換、PI控製器和SVPWM脈衝產生等部分組成。其原理如下:sanxiangjiaoliudiantongguosanxiangdianyaxingzhengliudianluzhengliuweiwendingdezhiliudianya。tongshi,kongzhihuiluduizhudianludeshurudianliuheshuchuzhiliudianyajinxingjiance,yifangmian,jiangjiancezhiyugeidingzhijinxingbijiaohousongruPI控製調節器,輸出值與電流比較並將其輸出送入PI控製器變為電壓信號,再經坐標變換送入SVPWM脈衝產生單元,完成電壓閉環控製;另一方麵,將檢測的輸入電流經坐標變換與給定電流比較,送入PI控製器變為電壓信號,再經坐標變換送入SVPWM脈衝產生單元,完成電流的閉環控製。矢量控製單元通過矢量運算,生成所需要的PWM波,控製雙向變換器,達到輸出電壓的穩定和輸入側交流電流的正弦化。

圖1三相電壓型PWM空間矢量控製方框圖
控製係統框圖中的PI控製模塊、坐標變換模塊和矢量控製模塊的工作原理參考文獻1,其具體參數需要在仿真中確定。
空間矢量控製的PWM整流器仿真模型建立和分析
1仿真模型的建立
利用Matlab/Simulink軟件包,根據控製框圖建立仿真模型。仿真模型主要包括主電路模型、控製電路模型和功率因數計算模型等。
(1)主電路模型
主電路仿真模型如圖2所示。它主要由輸入電源模塊、三相整流器模塊和一些電壓、電流測量單元組成。

圖2主電路模型
[page]
(2)控製電路模型
控製電路仿真模型如圖3所示。它主要由PI控製器模型、坐標變換模型以及矢量控製器模型等部分組成。其中,坐標變換和矢量控製器仿真模型的建立主要根據矢量控製原理搭建而成[2],其仿真模型如圖4所示。

圖3控製電路模型

圖4SVPWM仿真模型
(3)功率因數計算模型

圖5功率因數計算模型
2仿真結果
根據上麵搭建的仿真模型,給定仿真參數假定如下:交流側輸入為三相260V交流電壓,交流側電感取3.4mH,直流側濾波電容為1000µf,給定直流輸出電壓為650V,開關頻率10KHZ,負載電阻為40Ω。在t=0.05s時,突加負載使負載電阻由40Ω變為20Ω。仿真結果如下所示。

圖6輸入a相電壓和電流穩態波形圖7輸出直流電壓穩態波形

圖8功率因數響應曲線

圖9輸入電流隨負荷波動曲線圖10輸出直流電壓隨負荷波動曲線
根據電壓空間矢量控製的基本概念和控製框圖,建立三相電壓型PWM整流器空間矢量控製的仿真模型,並對每個模塊進行詳細的分析。從圖6~圖8可ke以yi看kan出chu采cai用yong這zhe種zhong控kong製zhi方fang案an輸shu出chu直zhi流liu電dian壓ya響xiang應ying速su度du快kuai,輸shu入ru交jiao流liu側ce電dian流liu波bo形xing為wei正zheng弦xian波bo且qie與yu輸shu入ru交jiao流liu電dian壓ya相xiang位wei相xiang同tong,基ji本ben實shi現xian了le單dan位wei功gong率lv因yin數shu。另ling外wai從cong圖tu9和圖10可ke以yi看kan出chu,當dang突tu加jia負fu載zai時shi,整zheng流liu器qi輸shu入ru側ce電dian流liu幅fu值zhi變bian大da並bing有you少shao許xu的de波bo動dong,但dan很hen快kuai就jiu恢hui複fu為wei正zheng弦xian波bo,同tong時shi輸shu出chu側ce直zhi流liu電dian壓ya降jiang低di,但dan很hen快kuai也ye恢hui複fu到dao給gei定ding的de650V直流電壓。通過仿真結果可以看出采用空間矢量控製的整流器具有很好的動態特性和穩定性。
特別推薦
- 噪聲中提取真值!瑞盟科技推出MSA2240電流檢測芯片賦能多元高端測量場景
- 10MHz高頻運行!氮矽科技發布集成驅動GaN芯片,助力電源能效再攀新高
- 失真度僅0.002%!力芯微推出超低內阻、超低失真4PST模擬開關
- 一“芯”雙電!聖邦微電子發布雙輸出電源芯片,簡化AFE與音頻設計
- 一機適配萬端:金升陽推出1200W可編程電源,賦能高端裝備製造
技術文章更多>>
- 算力爆發遇上電源革新,大聯大世平集團攜手晶豐明源線上研討會解鎖應用落地
- 築基AI4S:摩爾線程全功能GPU加速中國生命科學自主生態
- 一秒檢測,成本降至萬分之一,光引科技把幾十萬的台式光譜儀“搬”到了手腕上
- AI服務器電源機櫃Power Rack HVDC MW級測試方案
- 突破工藝邊界,奎芯科技LPDDR5X IP矽驗證通過,速率達9600Mbps
技術白皮書下載更多>>
- 車規與基於V2X的車輛協同主動避撞技術展望
- 數字隔離助力新能源汽車安全隔離的新挑戰
- 汽車模塊拋負載的解決方案
- 車用連接器的安全創新應用
- Melexis Actuators Business Unit
- Position / Current Sensors - Triaxis Hall
熱門搜索
微波功率管
微波開關
微波連接器
微波器件
微波三極管
微波振蕩器
微電機
微調電容
微動開關
微蜂窩
位置傳感器
溫度保險絲
溫度傳感器
溫控開關
溫控可控矽
聞泰
穩壓電源
穩壓二極管
穩壓管
無焊端子
無線充電
無線監控
無源濾波器
五金工具
物聯網
顯示模塊
顯微鏡結構
線圈
線繞電位器
線繞電阻




