一款簡單穩定的單相正弦波變頻穩壓電源設計
發布時間:2013-11-07 責任編輯:eliane
【導讀】本文介紹了一款單項正弦波變頻穩壓電源設計,以單相半控橋式電路為整流電路,整流觸發電路由單結晶體管組成,逆變電路采用功率BJT為開關器件,頻率顯示部分采用單片機AT89C2051為核心器件。硬件電路簡單穩定,電池幹擾及其他環境幹擾較小。
本文實現一個單相正弦波變頻穩壓電源。電源框圖如圖所示。

設計基本要求
(1)輸出電壓波形應盡量接近正弦波,用示波器觀察無明顯失真;
(2)輸出頻率範圍為20~100Hz,電壓有效值為10~18V的正弦交流電;
(3)當輸入電壓為198~242V,負載電流有效值為0.5~1A時,輸出電壓有效值應保持在15V,誤差小於5%;
(4)具有過流保護,輸出電流有效值達2A時動作(5)DC—AC逆變器效率.n≥70%。
發揮部分
(1)當輸入電壓為198—242V,負載電流有效值為0.5~1A時,輸出電壓有效值應保持在15V,誤差小於1%;
(2)設計製作具有測量、顯示該變頻穩壓電源輸出電壓、電流、頻率和功率的電路,測量誤差小於5%。
說明
(1)不能使用產生SPWM(正弦波脈寬調製)波形的專用芯片;
(2)輸出功率可通過電流、電壓的測量值計算。
經過論證,在多種方案可供選擇的情況下,我們選擇了如下方案:
①隔離變壓器:選擇功率為200W、二次側可提供50V、15V、15V三組交流電壓。
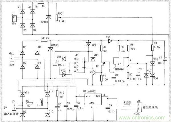
②單相整流電路:選(xuan)用(yong)單(dan)相(xiang)半(ban)控(kong)整(zheng)流(liu)電(dian)路(lu)如(ru)下(xia)圖(tu)所(suo)示(shi)。該(gai)電(dian)路(lu)控(kong)製(zhi)靈(ling)活(huo),輸(shu)出(chu)電(dian)壓(ya)大(da)小(xiao)在(zai)一(yi)定(ding)範(fan)圍(wei)內(nei)可(ke)調(tiao)節(jie),因(yin)此(ci)成(cheng)為(wei)被(bei)選(xuan)方(fang)案(an)。但(dan)我(wo)們(men)做(zuo)完(wan)這(zhe)部(bu)分(fen)電(dian)路(lu)時(shi)發(fa)現(xian).這(zhe)個(ge)電(dian)路(lu)的(de)觸(chu)發(fa)電(dian)路(lu)還(hai)是(shi)有(you)一(yi)定(ding)難(nan)度(du)的(de)。在(zai)設(she)計(ji)指(zhi)標(biao)中(zhong)沒(mei)對(dui)整(zheng)流(liu)器(qi)做(zuo)出(chu)硬(ying)性(xing)指(zhi)標(biao)規(gui)定(ding)的(de)情(qing)況(kuang)下(xia),我(wo)們(men)完(wan)全(quan)可(ke)以(yi)采(cai)用(yong)單(dan)相(xiang)不(bu)可(ke)控(kong)整(zheng)流(liu)電(dian)路(lu),從(cong)而(er)減(jian)少(shao)兩(liang)個(ge)晶(jing)閘(zha)管(guan)的(de)觸(chu)發(fa)電(dian)路(lu)的(de)設(she)計(ji)。
本設計采用的RC過電壓抑製電路R9、C5並聯在變壓器次級(元件側),以(yi)吸(xi)收(shou)變(bian)壓(ya)器(qi)鐵(tie)心(xin)磁(ci)場(chang)釋(shi)放(fang)的(de)能(neng)量(liang)。並(bing)把(ba)它(ta)轉(zhuan)換(huan)為(wei)電(dian)容(rong)器(qi)的(de)電(dian)場(chang)能(neng)而(er)儲(chu)存(cun)起(qi)來(lai),串(chuan)聯(lian)電(dian)阻(zu)是(shi)為(wei)了(le)在(zai)能(neng)量(liang)轉(zhuan)換(huan)過(guo)程(cheng)中(zhong)消(xiao)耗(hao)一(yi)部(bu)分(fen)能(neng)量(liang)並(bing)且(qie)抑(yi)製(zhi)RC回路可能產生的振蕩。R10、C6作為直流側阻容保護電路。
[page]
整流電路的觸發電路選擇由單結晶體管BT33(Q3)組成的觸發電路如下圖所示,雖然移相範圍及功率不高,但成本低,可滿足設計要求,因此成為被選方案。VD1、VD2輸出的觸發脈衝做為VT1和VT2晶閘管的觸發信號。通過調節電位器RP0來改變觸發角的大小,從而改變輸出直流電壓的大小。

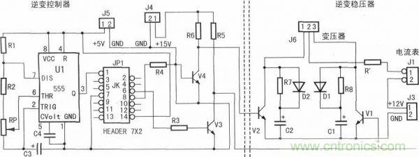
③逆變穩壓器選擇帶中心抽頭變壓器的逆變電路如下圖右側電路所示。交替驅動兩個功率BJT(V1、V2),經變壓器耦合給負載加上矩形波交流電壓。兩個二極管(D1、D2)的作用也是提供無功能量的反饋通道。該電路優點是控製電路簡單,元件保護技術成熟。逆變開關元件選擇功率BJT管是因其價格便宜,控製靈活。

④單相變頻控製器選擇由555(U1)組成多諧振蕩器與JK(JPl)觸發器組成的整形和V4、V5組成的後級放大電路如下圖左側電路所示。此電路控製頻率精度高,靈活方便,能完成設計要求指標。

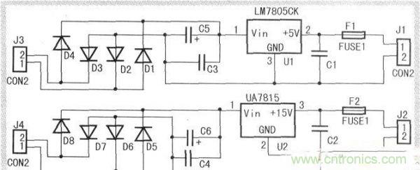
由於555(U1)和JK(JP1)觸發器是有源器件,因此還需另外製作5V和15V直流穩壓電路如下圖所示,做為其偏置直流電壓源,15V穩壓電源還為兩個功放管(V3、V4)提供偏置電壓。
據設計要求,頻率的測量采用單獨的頻率顯示模塊。需要製作一個LED頻率計,用來顯示輸出電壓的頻率。該部分電路采用的是僅用兩塊集成電路CD4069和AT90S2313組成的頻率計。CD4069用於小信號的放大和整形,AT90S2313則是一塊精簡指令的高速單片機,它在8M時鍾下的性能超過了51係列在100M時鍾下的性能,在電路中擔任測量和顯示驅動。由於這個電路比較常用,電路圖就不介紹了。
方案確定後,開始分工繪圖、製板、寫報告。由於製作PCB板耗時較長,所以在一定程度上影響了進度。在PCB電路板製作過程中又有個別環節出現錯誤,後來在調試時又耽誤了一些時間。所以建議以後在沒規定必須用PCB板的情況下,盡量采用現成的孔式電路板製作可以節約大量的時間。
本實驗需要調試的部分:晶閘管觸發電路測試、輸出頻率範圍測試、用示波器觀察輸出電壓波形等,通過努力。最後終於調好電路,大多數參數基本滿足設計要求。
本ben設she計ji以yi單dan相xiang半ban控kong橋qiao式shi電dian路lu為wei整zheng流liu電dian路lu,整zheng流liu觸chu發fa電dian路lu由you單dan結jie晶jing體ti管guan組zu成cheng,調tiao節jie方fang便bian,並bing設she有you必bi要yao的de保bao護hu及ji顯xian示shi設she備bei。逆ni變bian電dian路lu采cai用yong功gong率lvBJT為開關器件,通過帶中心抽頭變壓器形成方波,變換後形成交流波形。逆變觸發信號由555組成的振蕩電路產生周期可調的多諧信號,通過JK觸發器整形及三極管組成的放大電路放大後驅動功率BJT的通與斷。頻率顯示部分采用單片機AT89C2051為核心器件,充分發揮了軟件編程的優點。本設計盡量做到了硬件電路簡單穩定,減小電磁幹擾和其它環境幹擾。
相關閱讀:
開關電源設計必看!盤點電源設計中最常用的計算公式
http://m.0-fzl.cn/power-art/80021732
工程師詳解:一款開關電源設計及參數計算
http://m.0-fzl.cn/power-art/80021730
低EMI、高效的零電壓開關反激式開關電源設計
http://m.0-fzl.cn/power-art/80021603
工程師必看!LED照明電源設計四大難題解析
http://m.0-fzl.cn/opto-art/80021571
特別推薦
- 噪聲中提取真值!瑞盟科技推出MSA2240電流檢測芯片賦能多元高端測量場景
- 10MHz高頻運行!氮矽科技發布集成驅動GaN芯片,助力電源能效再攀新高
- 失真度僅0.002%!力芯微推出超低內阻、超低失真4PST模擬開關
- 一“芯”雙電!聖邦微電子發布雙輸出電源芯片,簡化AFE與音頻設計
- 一機適配萬端:金升陽推出1200W可編程電源,賦能高端裝備製造
技術文章更多>>
- 築基AI4S:摩爾線程全功能GPU加速中國生命科學自主生態
- 一秒檢測,成本降至萬分之一,光引科技把幾十萬的台式光譜儀“搬”到了手腕上
- AI服務器電源機櫃Power Rack HVDC MW級測試方案
- 突破工藝邊界,奎芯科技LPDDR5X IP矽驗證通過,速率達9600Mbps
- 通過直接、準確、自動測量超低範圍的氯殘留來推動反滲透膜保護
技術白皮書下載更多>>
- 車規與基於V2X的車輛協同主動避撞技術展望
- 數字隔離助力新能源汽車安全隔離的新挑戰
- 汽車模塊拋負載的解決方案
- 車用連接器的安全創新應用
- Melexis Actuators Business Unit
- Position / Current Sensors - Triaxis Hall
熱門搜索
微波功率管
微波開關
微波連接器
微波器件
微波三極管
微波振蕩器
微電機
微調電容
微動開關
微蜂窩
位置傳感器
溫度保險絲
溫度傳感器
溫控開關
溫控可控矽
聞泰
穩壓電源
穩壓二極管
穩壓管
無焊端子
無線充電
無線監控
無源濾波器
五金工具
物聯網
顯示模塊
顯微鏡結構
線圈
線繞電位器
線繞電阻



