第四講:能效高達85%的15W筒燈驅動電源設計
發布時間:2012-07-30
導言:在任何LED照明裝置中,驅動器的性能直接決定了最終用戶對照明的感受。本文設計中重點關注的是在230 VAC條件下盡可能多地兼容各種調光器和盡可能大地兼容調光範圍,由此給大家推薦這一款高功率因數(PF)、可控矽調光的LED驅動器,它可以在180 VAC至265VAC的輸入電壓範圍內為LED燈串提供額定電壓30 V、額定電流0.5 A的驅動。

圖2-裝配後的電路板
設計特點:
o 無輸出閃爍
o 從低相位角啟動時無卡扣
o 調光範圍高達1000:1 – 僅受製於所連接的調光器
o 幹淨的單向啟動 – 無輸出閃爍
o 輸入過壓關斷可擴展輸入故障時的電壓耐受範圍
o 更大遲滯的自動恢複熱關斷可同時保護元件和印刷電路板
詳細內容請下載:能效高達85%的15 W PAR38筒燈驅動器的設計方法 (DER-281)
相關閱讀:
第一講:100W高可靠性LED球泡燈驅動電源設計
第二講:150W高可靠性LED路燈驅動電源設計
第三講:30W高可靠性LED T8燈管驅動電源設計
第五講:PI 5W-16W TRIAC調光LED照明驅動解決方案
第六講:針對B10型LED燈泡設計的高效率、超緊湊驅動器
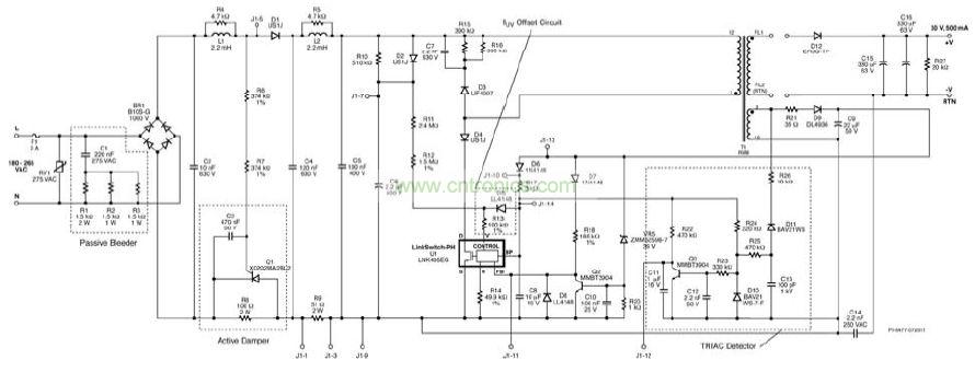
本文檔介紹的是一款高功率因數(PF)、可控矽調光的LED驅動器,它可以在180 VAC至265VAC的輸入電壓範圍內為LED燈串提供額定電壓30 V、額定電流0.5 A的驅動。該LED驅動器采用了LinkSwitch-PH係列IC中的LNK405EG器件。
LinkSwitch-PH IC可以幫助您設計出具有成本效益且元件數量極少的LED驅動器,不僅能滿足功率因素和諧波限值,同時還能為最終用戶帶來不同凡響的使用體驗。其特性包括超寬調光範圍、無閃爍工作(即使使用的是低成本的AC輸入可控矽調光器)以及快速、平滑的導通。
suoshiyongdetuopujiegoushiyunxingyulianxudaotongmoshixiadegelifanji。shuchudianliutiaojiewanquancongchujicejiance,yinciwuxushiyongcijifankuiyuanjian。zaichujiceyewuxujiancewaibudianliu,ershizaiIC內部進行,從而進一步減少了元件和損耗。內部控製器調整MOSFET占空比以保持輸入電流為正弦交流電,從而確保高功率因數和低諧波電流。LinkSwitch-PH IC還(hai)可(ke)提(ti)供(gong)各(ge)種(zhong)複(fu)雜(za)的(de)保(bao)護(hu)功(gong)能(neng),包(bao)括(kuo)環(huan)路(lu)開(kai)環(huan)或(huo)輸(shu)出(chu)短(duan)路(lu)條(tiao)件(jian)下(xia)自(zi)動(dong)重(zhong)啟(qi)動(dong)。輸(shu)入(ru)過(guo)壓(ya)可(ke)提(ti)供(gong)增(zeng)強(qiang)的(de)抗(kang)輸(shu)入(ru)故(gu)障(zhang)和(he)浪(lang)湧(yong)能(neng)力(li),輸(shu)出(chu)過(guo)壓(ya)可(ke)在(zai)負(fu)載(zai)斷(duan)開(kai)下(xia)保(bao)護(hu)電(dian)源(yuan),精(jing)確(que)的(de)遲(chi)滯(zhi)熱(re)關(guan)斷(duan)可(ke)確(que)保(bao)在(zai)所(suo)有(you)條(tiao)件(jian)下(xia)平(ping)均(jun)PCB溫度都處於安全範圍內。
在任何LED照明裝置中,驅動器的性能直接決定了最終用戶對照明的感受。此設計中重點關注的是在230 VAC條件下盡可能多地兼容各種調光器和盡可能大地兼容調光範圍。
本文檔包含LED驅動器規格、電路原理圖、PCB設計圖、物料清單、變壓器規格文件和典型性能特征。
電源規格:

圖3-主板原理圖

圖4-子板原理圖
欲了解全文內容請下載技術白皮書:
能效高達85%的15 W PAR38筒燈驅動器的設計方法 (DER-281)

圖1 – 裝配後的電路板圖片(頂視圖)

圖2-裝配後的電路板
- 其設計重點是電路板可用標準可控矽調光器實現兼容
o 無輸出閃爍
o 從低相位角啟動時無卡扣
o 調光範圍高達1000:1 – 僅受製於所連接的調光器
o 幹淨的單向啟動 – 無輸出閃爍
- 極高能效
- 集成的保護及可靠性能
o 輸入過壓關斷可擴展輸入故障時的電壓耐受範圍
o 更大遲滯的自動恢複熱關斷可同時保護元件和印刷電路板
- 滿足IEC 61000-4-5振鈴波、IEC 61000-3-2 Class C和EN55015 B傳導EMI要求
詳細內容請下載:能效高達85%的15 W PAR38筒燈驅動器的設計方法 (DER-281)
相關閱讀:
第一講:100W高可靠性LED球泡燈驅動電源設計
第二講:150W高可靠性LED路燈驅動電源設計
第三講:30W高可靠性LED T8燈管驅動電源設計
第五講:PI 5W-16W TRIAC調光LED照明驅動解決方案
第六講:針對B10型LED燈泡設計的高效率、超緊湊驅動器
本文檔介紹的是一款高功率因數(PF)、可控矽調光的LED驅動器,它可以在180 VAC至265VAC的輸入電壓範圍內為LED燈串提供額定電壓30 V、額定電流0.5 A的驅動。該LED驅動器采用了LinkSwitch-PH係列IC中的LNK405EG器件。
LinkSwitch-PH IC可以幫助您設計出具有成本效益且元件數量極少的LED驅動器,不僅能滿足功率因素和諧波限值,同時還能為最終用戶帶來不同凡響的使用體驗。其特性包括超寬調光範圍、無閃爍工作(即使使用的是低成本的AC輸入可控矽調光器)以及快速、平滑的導通。
suoshiyongdetuopujiegoushiyunxingyulianxudaotongmoshixiadegelifanji。shuchudianliutiaojiewanquancongchujicejiance,yinciwuxushiyongcijifankuiyuanjian。zaichujiceyewuxujiancewaibudianliu,ershizaiIC內部進行,從而進一步減少了元件和損耗。內部控製器調整MOSFET占空比以保持輸入電流為正弦交流電,從而確保高功率因數和低諧波電流。LinkSwitch-PH IC還(hai)可(ke)提(ti)供(gong)各(ge)種(zhong)複(fu)雜(za)的(de)保(bao)護(hu)功(gong)能(neng),包(bao)括(kuo)環(huan)路(lu)開(kai)環(huan)或(huo)輸(shu)出(chu)短(duan)路(lu)條(tiao)件(jian)下(xia)自(zi)動(dong)重(zhong)啟(qi)動(dong)。輸(shu)入(ru)過(guo)壓(ya)可(ke)提(ti)供(gong)增(zeng)強(qiang)的(de)抗(kang)輸(shu)入(ru)故(gu)障(zhang)和(he)浪(lang)湧(yong)能(neng)力(li),輸(shu)出(chu)過(guo)壓(ya)可(ke)在(zai)負(fu)載(zai)斷(duan)開(kai)下(xia)保(bao)護(hu)電(dian)源(yuan),精(jing)確(que)的(de)遲(chi)滯(zhi)熱(re)關(guan)斷(duan)可(ke)確(que)保(bao)在(zai)所(suo)有(you)條(tiao)件(jian)下(xia)平(ping)均(jun)PCB溫度都處於安全範圍內。
在任何LED照明裝置中,驅動器的性能直接決定了最終用戶對照明的感受。此設計中重點關注的是在230 VAC條件下盡可能多地兼容各種調光器和盡可能大地兼容調光範圍。
本文檔包含LED驅動器規格、電路原理圖、PCB設計圖、物料清單、變壓器規格文件和典型性能特征。
電源規格:


圖3-主板原理圖

圖4-子板原理圖
欲了解全文內容請下載技術白皮書:
能效高達85%的15 W PAR38筒燈驅動器的設計方法 (DER-281)
特別推薦
- 噪聲中提取真值!瑞盟科技推出MSA2240電流檢測芯片賦能多元高端測量場景
- 10MHz高頻運行!氮矽科技發布集成驅動GaN芯片,助力電源能效再攀新高
- 失真度僅0.002%!力芯微推出超低內阻、超低失真4PST模擬開關
- 一“芯”雙電!聖邦微電子發布雙輸出電源芯片,簡化AFE與音頻設計
- 一機適配萬端:金升陽推出1200W可編程電源,賦能高端裝備製造
技術文章更多>>
- 一秒檢測,成本降至萬分之一,光引科技把幾十萬的台式光譜儀“搬”到了手腕上
- AI服務器電源機櫃Power Rack HVDC MW級測試方案
- 突破工藝邊界,奎芯科技LPDDR5X IP矽驗證通過,速率達9600Mbps
- 通過直接、準確、自動測量超低範圍的氯殘留來推動反滲透膜保護
- 從技術研發到規模量產:恩智浦第三代成像雷達平台,賦能下一代自動駕駛!
技術白皮書下載更多>>
- 車規與基於V2X的車輛協同主動避撞技術展望
- 數字隔離助力新能源汽車安全隔離的新挑戰
- 汽車模塊拋負載的解決方案
- 車用連接器的安全創新應用
- Melexis Actuators Business Unit
- Position / Current Sensors - Triaxis Hall
熱門搜索



