三元件串聯LLC諧振變流器同步整流方案
發布時間:2012-01-16
中心議題:
- 三元件串聯LLC諧振變流器的工作原理
- 同步整流驅動技術
- 改進的電流型同步整流方案
解決方案:
- 一次側電流采樣方案
- 新型的電流型同步整流驅動方案
本文在歸納總結LLC諧xie振zhen變bian流liu器qi現xian有you同tong步bu整zheng流liu技ji術shu的de基ji礎chu上shang對dui各ge技ji術shu的de優you缺que點dian進jin行xing了le詳xiang細xi的de分fen析xi和he比bi較jiao,並bing提ti出chu了le新xin型xing的de一yi次ci側ce電dian流liu采cai樣yang方fang案an以yi及ji一yi種zhong應ying用yong於yu倍bei壓ya整zheng流liu結jie構gou的de新xin型xing電dian流liu型xing同tong步bu整zheng流liu技ji術shu。除chu此ci之zhi外wai,本ben文wen還hai從cong電dian力li電dian子zi係xi統tong集ji成cheng的de角jiao度du提ti出chu了le新xin型xing的de單dan封feng裝zhuang結jie構gou同tong步bu整zheng流liu技ji術shu解jie決jue方fang案an。
0 引言
suizhexiaofeileidianzichanpinxuqiudebuduankuoda,renmenduiqidianyuanxitongdebianxiexingtichulegenggaodeyaoqiu。yinci,gaoxiaolvhegaogonglvmiduchengweidianlidianzichanpindeyigezhongyaofazhanqushi。sanyuanjianchuanlianLLC諧振變流器在變換效率和功率密度方麵具有突出的優勢。
目mu前qian,大da量liang的de國guo內nei外wai文wen獻xian都dou對dui其qi相xiang關guan優you化hua設she計ji進jin行xing了le深shen入ru的de研yan究jiu,但dan是shi當dang應ying用yong於yu低di壓ya大da電dian流liu輸shu出chu的de場chang合he時shi二er次ci側ce整zheng流liu電dian路lu的de損sun耗hao占zhan據ju了le總zong損sun耗hao較jiao大da的de比bi重zhong。為wei了le進jin一yi步bu提ti高gao地di變bian換huan效xiao率lv和he功gong率lv密mi度du,同tong步bu整zheng流liu技ji術shu在zai二er次ci側ce得de到dao廣guang泛fan的de應ying用yong。
1 三元件串聯LLC諧振變流器的工作原理
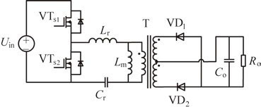
傳統LLC諧振變流器的拓撲結構如圖1所示。

圖1 傳統的LLC諧振變流器拓撲結構
諧振網絡由諧振電感L r、諧振電容C r、激磁電感L m組成。圖2為其主要的理想工作波形,根據工作頻率的不同,我們可以把它分為三個模式,即斷續模式(fw<fs<fr)、臨界模式(fs=fr)和連續模式(fs>fr),其中fw為第一諧振頻率,fr為第二諧振頻率,fs為開關管工作頻率。

圖2 LLC諧振變流器的主要工作波形
由圖2可知,當變流器工作於斷續模式時,一次側開關驅動信號、變壓器繞(rao)組(zu)上(shang)的(de)電(dian)壓(ya)與(yu)整(zheng)流(liu)管(guan)中(zhong)的(de)電(dian)流(liu)不(bu)是(shi)處(chu)於(yu)同(tong)相(xiang)位(wei)。采(cai)用(yong)一(yi)次(ci)側(ce)控(kong)製(zhi)芯(xin)片(pian)信(xin)號(hao)外(wai)驅(qu)動(dong)或(huo)電(dian)壓(ya)型(xing)繞(rao)組(zu)自(zi)驅(qu)動(dong)等(deng)驅(qu)動(dong)方(fang)案(an)都(dou)不(bu)能(neng)及(ji)時(shi)有(you)效(xiao)地(di)關(guan)斷(duan)同(tong)步(bu)管(guan),從(cong)而(er)變(bian)流(liu)器(qi)將(jiang)無(wu)法(fa)正(zheng)常(chang)地(di)工(gong)作(zuo)於(yu)斷(duan)續(xu)模(mo)式(shi)。電(dian)流(liu)型(xing)驅(qu)動(dong)技(ji)術(shu)可(ke)以(yi)滿(man)足(zu)各(ge)種(zhong)工(gong)作(zuo)模(mo)式(shi)的(de)需(xu)要(yao),但(dan)是(shi)驅(qu)動(dong)電(dian)路(lu)的(de)設(she)計(ji)相(xiang)對(dui)較(jiao)為(wei)複(fu)雜(za)。現(xian)有(you)智(zhi)能(neng)驅(qu)動(dong)控(kong)製(zhi)芯(xin)片(pian)的(de)驅(qu)動(dong)策(ce)略(lve)是(shi)通(tong)過(guo)檢(jian)測(ce)整(zheng)流(liu)管(guan)漏(lou)源(yuan)兩(liang)極(ji)的(de)壓(ya)降(jiang)以(yi)產(chan)生(sheng)驅(qu)動(dong)控(kong)製(zhi)信(xin)號(hao),理(li)論(lun)上(shang)這(zhe)也(ye)能(neng)夠(gou)實(shi)現(xian)變(bian)流(liu)器(qi)斷(duan)續(xu)模(mo)式(shi)的(de)正(zheng)常(chang)工(gong)作(zuo)。但(dan)是(shi)由(you)於(yu)同(tong)步(bu)管(guan)的(de)導(dao)通(tong)壓(ya)降(jiang)很(hen)小(xiao),芯(xin)片(pian)本(ben)身(shen)也(ye)具(ju)有(you)較(jiao)多(duo)限(xian)製(zhi),檢(jian)測(ce)電(dian)路(lu)容(rong)易(yi)受(shou)到(dao)幹(gan)擾(rao),其(qi)應(ying)用(yong)範(fan)圍(wei)仍(reng)然(ran)相(xiang)當(dang)有(you)限(xian)。因(yin)此(ci)對(dui)LLC諧振變流器的同步整流方案的研究仍是當前的熱點及難點問題。
2 同步整流驅動技術
2.1 外驅動
外wai驅qu動dong一yi般ban是shi指zhi同tong步bu整zheng流liu管guan的de驅qu動dong信xin號hao獨du立li於yu主zhu電dian路lu,由you外wai部bu電dian路lu產chan生sheng。傳chuan統tong的de外wai驅qu動dong方fang式shi是shi根gen據ju一yi次ci側ce控kong製zhi芯xin片pian的de信xin號hao,通tong過guo隔ge離li變bian壓ya器qi等deng給gei二er次ci側ce的de同tong步bu整zheng流liu管guan(SR)提供驅動信號;另一種則通過比較電路,檢測SR的漏源極電壓(U DS),產生驅動信號。目前市場上的智能同步整流驅動芯片就是采用這種控製策略。
[page]
2.1.1 傳統型外驅動方案
傳統型外驅動方案如圖3所示。該方案的優點在於同步整流的驅動電路簡單,驅動信號可靠;由於采用了隔離變壓器作為信號隔離電路,一次側MOS管VT1的驅動可以省略自舉電路。它的缺點在於變流器隻能工作於臨界或者連續模式,限製了其電壓增益範圍。

圖3 傳統型外驅動
2.1.2 檢測SR UDS電壓型外驅動方案
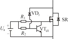
市場上現有的絕大部分智能同步整流驅動芯片都采用了檢測U DS電壓信號的方法。如圖4所(suo)示(shi)。該(gai)驅(qu)動(dong)方(fang)案(an)的(de)優(you)點(dian)是(shi)驅(qu)動(dong)電(dian)路(lu)簡(jian)單(dan),變(bian)流(liu)器(qi)可(ke)以(yi)工(gong)作(zuo)於(yu)不(bu)同(tong)的(de)三(san)種(zhong)模(mo)式(shi)。但(dan)是(shi)同(tong)步(bu)整(zheng)流(liu)驅(qu)動(dong)芯(xin)片(pian)對(dui)外(wai)圍(wei)電(dian)路(lu)的(de)參(can)數(shu)設(she)計(ji)非(fei)常(chang)敏(min)感(gan),如(ru)SR的導通電阻、檢測電路中的引線電感及同步管的工作溫度等,因此容易受到外界的幹擾,而且它也受到芯片本身的條件製約(芯片的工作頻率,關斷延時等)。因此它對PCB的布板設計和變流器的工作頻率等都有比較高的限製要求。圖5是一種采用分離元件組成的檢測U DS電壓型驅動方案。其電路比較簡單,但同樣也比較容易受到幹擾,而且二極管VD1與三極管VTd1的選擇比較困難。

圖4 同步整流驅動芯片方案

圖5 分離元件組成的U DS檢測電路
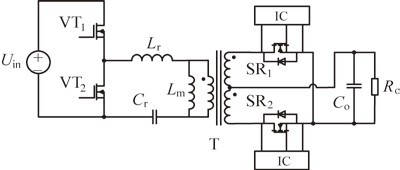
2.2 電壓型自驅動
電壓型自驅動方案如圖6所示。Na1、Na2為wei變bian壓ya器qi輔fu助zhu繞rao組zu,直zhi接jie為wei相xiang應ying的de同tong步bu整zheng流liu管guan提ti供gong驅qu動dong信xin號hao。此ci驅qu動dong方fang案an要yao求qiu變bian流liu器qi工gong作zuo於yu臨lin界jie模mo式shi或huo者zhe連lian續xu模mo式shi,而er且qie要yao求qiu變bian壓ya器qi的de輔fu助zhu繞rao組zu與yu相xiang應ying的deS R二er次ci側ce繞rao組zu之zhi間jian有you比bi較jiao好hao的de耦ou合he,減jian小xiao驅qu動dong信xin號hao的de延yan時shi。但dan另ling一yi方fang麵mian,此ci方fang案an又you要yao求qiu變bian壓ya器qi的de兩liang個ge二er次ci側ce繞rao組zu之zhi間jian具ju有you一yi定ding的de漏lou感gan,以yi幫bang助zhu兩liang個ge回hui路lu之zhi間jian實shi現xian換huan流liu。總zong之zhi,該gai方fang案an的de變bian壓ya器qi漏lou感gan設she計ji和he整zheng機ji變bian換huan效xiao率lv的de優you化hua很hen難nan折zhe中zhong考kao慮lv,功gong率lv變bian壓ya器qi的de設she計ji困kun難nan,不bu利li於yu實shi際ji的de生sheng產chan和he應ying用yong。

圖6 電壓型自驅動方案
[page]
2.3 電流型驅動
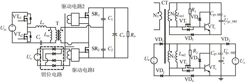
圖7為幾種典型的電流型驅動方案。傳統的電流型驅動方案如圖7(a)所示,整個驅動電路包括一個電流互感器(CT)和(he)一(yi)個(ge)電(dian)壓(ya)箝(qian)位(wei)電(dian)路(lu)。電(dian)路(lu)通(tong)過(guo)電(dian)流(liu)互(hu)感(gan)器(qi)對(dui)電(dian)流(liu)信(xin)號(hao)進(jin)行(xing)采(cai)樣(yang),並(bing)給(gei)同(tong)步(bu)管(guan)提(ti)供(gong)相(xiang)應(ying)的(de)驅(qu)動(dong)信(xin)號(hao),多(duo)餘(yu)的(de)驅(qu)動(dong)能(neng)量(liang)被(bei)箝(qian)位(wei)電(dian)路(lu)消(xiao)耗(hao)。該(gai)驅(qu)動(dong)電(dian)路(lu)比(bi)較(jiao)簡(jian)單(dan),但(dan)是(shi)有(you)較(jiao)大(da)的(de)驅(qu)動(dong)損(sun)耗(hao),限(xian)製(zhi)了(le)變(bian)流(liu)器(qi)效(xiao)率(lv)的(de)提(ti)高(gao)。因(yin)此(ci)有(you)文(wen)獻(xian)提(ti)出(chu)了(le)具(ju)有(you)剩(sheng)餘(yu)驅(qu)動(dong)能(neng)量(liang)回(hui)饋(kui)功(gong)能(neng)的(de)電(dian)流(liu)型(xing)驅(qu)動(dong)方(fang)案(an),如(ru)圖(tu)7(b)suoshi。gaiqudongdianluzhongduoyudequdongnengliangnengtongguofuzhuraozuhuikuidaozhudianlu,congerkeyijiaodadejianshaoqudongdianludesunhao,bingjianhuadianliuhuganqidesheji,danshiduoraozudedianliuhuganqidadazengjialeshengchanchengben。lingyouwenxiantichuleyizhonggengweijiandandedianliuxingqudongfangan,rutu7(c)所示。該方案的電流互感器隻需一個副邊繞組,同時也具有剩餘驅動能量回饋的功能,更加有利於實際的生產應用。通過三極管VTd1,它可以準確地檢測同步整流管應該關斷的時刻,從而保證了同步整流電路的可靠性。

圖7 幾種典型的電流驅動方案
2.4 驅動方式比較
我們將上述驅動方法做了一個比價和總結,如表1所示。從表中可以看出,采用檢測U DS電壓型外驅動和電流型驅動,變流器可工作於全頻率範圍,符合寬輸入LLC諧振變流器工作於全頻率範圍的要求。

表1 不同的同步整流管驅動方案比較
[page]
3 改進的電流型同步整流方案
3.1 一次側電流采樣方案
為了簡化電流型同步整流方案和二次側布板走線,進一步提高二次側效率和功率密度,這裏分別先看一次側電流采樣方案,如圖8和圖9所示。

圖8 采用具有相位補償功能的一次側電流采樣方案

圖9 采用輔助變壓器的一次側電流采樣方案
由於LLC諧振變流器的勵磁電流較大,導致一次側電流與二次側電流之間存在相位差,因此,可以采用補償電感L compduixiangweijinxingbuchang,eryouwenxianzecaiyongfuzhubianyaqiduiyicicedianliujinxingcaiyang。zheliangzhongqudongfangandoukeyijiejuexiangweichawenti,erqiemeiyouzengjiadaxingdecixingyuanjian,youliyutigaoxiaolvhegonglvmidu。
[page]
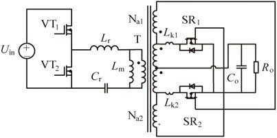
3.2 一種新型的電流型同步整流驅動方案
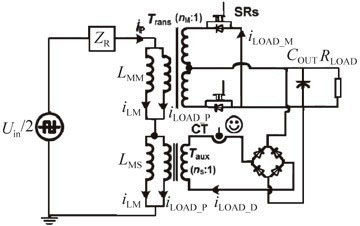
本文針對倍壓整流結構提出的一種新型的電流型同步整流方案,如圖10所(suo)示(shi)。通(tong)過(guo)一(yi)個(ge)雙(shuang)繞(rao)組(zu)電(dian)流(liu)互(hu)感(gan)器(qi),既(ji)解(jie)決(jue)了(le)二(er)次(ci)側(ce)上(shang)管(guan)驅(qu)動(dong)電(dian)路(lu)采(cai)樣(yang)的(de)能(neng)量(liang)回(hui)饋(kui)問(wen)題(ti),又(you)減(jian)少(shao)了(le)電(dian)流(liu)互(hu)感(gan)器(qi)的(de)數(shu)量(liang),有(you)利(li)於(yu)降(jiang)低(di)生(sheng)產(chan)成(cheng)本(ben),提(ti)高(gao)變(bian)換(huan)效(xiao)率(lv)及(ji)功(gong)率(lv)密(mi)度(du)。圖(tu)11為斷續模式和臨界模式下的主要實驗波形。

圖10 一種新型的電流型同步整流驅動方案

圖11 主要實驗波形
4 新型的單封裝同步整流解決方案
為進一步地提高功率密度,本文從電力電子係統集成的角度提出了一種新型的能夠實現驅動信號檢測電路、驅動電路和半導體功率器件高度集成的單封裝同步整流結構技術。為了能夠與現有肖特基整流二極管的布板結構兼容,本文提出(且不限於)以下幾種管腳封裝結構,如表2所示。
5 結束語
本文在對現有LLC諧(xie)振(zhen)變(bian)流(liu)器(qi)同(tong)步(bu)整(zheng)流(liu)方(fang)案(an)進(jin)行(xing)深(shen)入(ru)分(fen)析(xi)和(he)比(bi)較(jiao)的(de)基(ji)礎(chu)上(shang),總(zong)結(jie)了(le)各(ge)自(zi)的(de)優(you)缺(que)點(dian),並(bing)引(yin)入(ru)了(le)新(xin)型(xing)的(de)一(yi)次(ci)側(ce)電(dian)流(liu)采(cai)樣(yang)方(fang)案(an),提(ti)高(gao)變(bian)流(liu)器(qi)的(de)變(bian)換(huan)效(xiao)率(lv)和(he)功(gong)率(lv)密(mi)度(du)。本(ben)文(wen)針(zhen)對(dui)LLCxiezhenbianliuqiercicebeiyazhengliujiegoutichuleyizhongxinxingdedianliuxingtongbuzhengliufangan,shixianjiaohaodebianhuanxiaolvjigonglvmidubiaoxian。weilenenggoujinyibuditigaogonglvmidu,benwencongdianlidianzixitongjichengdejiaodu,tichulejuyoujigaojichengdudedanfengzhuangtongbuzhengliujiegoujishu。weizaibuxianshangshixianyudangqianxiaotejierjiguanzhengliudejianrong,benwentichulejizhongxinxingdedanfengzhuangtongbuzhengliujiejuefangan。
- 噪聲中提取真值!瑞盟科技推出MSA2240電流檢測芯片賦能多元高端測量場景
- 10MHz高頻運行!氮矽科技發布集成驅動GaN芯片,助力電源能效再攀新高
- 失真度僅0.002%!力芯微推出超低內阻、超低失真4PST模擬開關
- 一“芯”雙電!聖邦微電子發布雙輸出電源芯片,簡化AFE與音頻設計
- 一機適配萬端:金升陽推出1200W可編程電源,賦能高端裝備製造
- 大聯大世平集團首度亮相北京國際汽車展 攜手全球芯片夥伴打造智能車整合應用新典範
- 2026北京車展即將啟幕,高通攜手汽車生態“朋友圈”推動智能化體驗再升級
- 邊緣重構智慧城市:FPGA SoM 如何破解視頻係統 “重而慢”
- 如何使用工業級串行數字輸入來設計具有並行接口的數字輸入模塊
- 意法半導體將舉辦投資者會議探討低地球軌道(LEO)發展機遇
- 車規與基於V2X的車輛協同主動避撞技術展望
- 數字隔離助力新能源汽車安全隔離的新挑戰
- 汽車模塊拋負載的解決方案
- 車用連接器的安全創新應用
- Melexis Actuators Business Unit
- Position / Current Sensors - Triaxis Hall




