自適應單純太陽能路燈控製器的設計
發布時間:2011-12-05
中心議題:
大(da)陽(yang)能(neng)路(lu)燈(deng)以(yi)其(qi)無(wu)需(xu)鋪(pu)設(she)電(dian)纜(lan),不(bu)消(xiao)耗(hao)常(chang)規(gui)能(neng)源(yuan)等(deng)優(you)點(dian)得(de)到(dao)了(le)廣(guang)泛(fan)認(ren)可(ke)。然(ran)而(er)太(tai)陽(yang)能(neng)路(lu)燈(deng)還(hai)存(cun)在(zai)一(yi)些(xie)問(wen)題(ti)造(zao)成(cheng)其(qi)成(cheng)本(ben)偏(pian)高(gao),可(ke)靠(kao)性(xing)不(bu)穩(wen)定(ding),、比(bi)如(ru)電(dian)池(chi)往(wang)往(wang)不(bu)到(dao)一(yi)年(nian)就(jiu)需(xu)要(yao)更(geng)換(huan),不(bu)僅(jin)提(ti)高(gao)了(le)後(hou)期(qi)維(wei)護(hu)的(de)費(fei)用(yong),而(er)且(qie)增(zeng)加(jia)了(le)客(ke)戶(hu)的(de)消(xiao)費(fei)成(cheng)本(ben),也(ye)造(zao)成(cheng)了(le)資(zi)源(yuan)浪(lang)費(fei)。其(qi)次(ci)是(shi)太(tai)陽(yang)能(neng)屬(shu)於(yu)不(bu)穩(wen)定(ding)能(neng)源(yuan),而(er)且(qie)能(neng)量(liang)分(fen)布(bu)不(bu)均(jun),夏(xia)天(tian)能(neng)量(liang)充(chong)足(zu),但(dan)路(lu)燈(deng)使(shi)用(yong)時(shi)間(jian)短(duan),冬(dong)天(tian)有(you)效(xiao)光(guang)照(zhao)時(shi)間(jian)短(duan),但(dan)路(lu)燈(deng)使(shi)用(yong)時(shi)間(jian)長(chang),大(da)大(da)降(jiang)低(di)了(le)運(yun)行(xing)的(de)可(ke)靠(kao)性(xing),其(qi)原(yuan)因(yin)主(zhu)要(yao)受(shou)到(dao)太(tai)陽(yang)能(neng)路(lu)燈(deng)控(kong)製(zhi)器(qi)性(xing)能(neng)的(de)影(ying)響(xiang)。太(tai)陽(yang)能(neng)控(kong)製(zhi)器(qi)是(shi)太(tai)陽(yang)能(neng)光(guang)伏(fu)係(xi)統(tong)中(zhong)的(de)核(he)心(xin)部(bu)分(fen),主(zhu)要(yao)完(wan)成(cheng)對(dui)蓄(xu)電(dian)池(chi)的(de)充(chong)、放電、調光和路燈的開、美控製,以及在過充、過放電、過載等情況發生時對係統進行及時和有效地保護,保證照明時間,確保可靠性,有效延長電池壽命,降低成本。
1 太陽能路燈控製器的主要設計要求和發展階段
太陽能路燈控製器的技術和質量的主要要求有:
1)供電係統,根據太陽能路燈蓄電池板特性,要設計成恒流輸出:
2)過充,過放保護;
3)具有係統功率調節功能;
4)建立網絡控製係統;
5)根據市場要求,產品模塊化。
太陽能路燈控製器的發展到日前為止已經經曆了3個階段:diyidaigongnengbijiaojianlou,kaiguandengkongzhixuyaowaijieguangminganyingqi,dingshishijianbukeshezhi,meiyoudianchibaohudianlu,xitongshoumingfeichangduanzan,henkuaijiubeishichangtaotai:dierdaizaidiyidaidejichushang,shezhiledianchibaohudianlu,tongguotaiyangnengludengxudianchizujiansoujiguangminshuju,tongguokaiguanhuochengxushezhidingshi,jishushangyoulejieyueshidefazhan,zhujianbeishichangjieshou:第三代路燈控製器在於多數商家采用了PWM充電控製功能,對蓄電池進行涓流充電,有效延長了電池壽命,降低了使用成本,從而進一步擴大市場占有率。
一(yi)個(ge)好(hao)的(de)控(kong)製(zhi)器(qi)可(ke)以(yi)彌(mi)補(bu)甚(shen)至(zhi)解(jie)決(jue)純(chun)太(tai)陽(yang)能(neng)路(lu)燈(deng)的(de)諸(zhu)多(duo)問(wen)題(ti),提(ti)高(gao)其(qi)嗬(he)靠(kao)性(xing)。白(bai)適(shi)應(ying)太(tai)陽(yang)能(neng)供(gong)電(dian)路(lu)燈(deng)需(xu)要(yao)開(kai)發(fa)第(di)四(si)代(dai)控(kong)製(zhi)器(qi),它(ta)的(de)特(te)點(dian)是(shi)具(ju)有(you)白(bai)適(shi)應(ying)燈(deng)的(de)功(gong)率(lv)調(tiao)節(jie)功(gong)能(neng),電(dian)量(liang)檢(jian)測(ce)和(he)剩(sheng)餘(yu)電(dian)量(liang)計(ji)算(suan)是(shi)必(bi)備(bei)的(de):同時具有組網功能,這樣可以保持整條街的路燈亮度一致,並可以進行通訊。
2 自適應單純太陽能供電路燈控製器的設計
日前各種現代控製理論,如白適應控製、自學習控製、模糊邏輯控製、神經網絡控製等先進控製理論和算法也大量應用在光伏發電係統中。其中自適應控製太陽能供電路燈控製器設計是值得推進的技術。
2.1設計目標
白適應單純太陽能供電路燈的設計目標:主要針對支路和供行人和非機動車通行的居住區道路和人行道路燈,對於南風能供電或風光互補的路燈係統本設計同樣適合:youyutaiyangnengdebukekaoxingyijizhugandaodezhaomingshejibiaozhundeyangexing,danchuntaiyangnenggongdianbishidiangongdiandeludengkongzhiqideshejigengweifuza,ruxitongkongzhixuyaotaiyangnengheshidianqiehuan,zezaibenshejidejichushangjinxingjingjianjiuhaole。mubiaodidianweiyubeijingshinei。
[page]
2.2 自適應單純太陽能供電路燈控製器設計特點及功能
白適應單純太陽能供電路燈控製器設計方案的宗旨:通過精確控製,達到降低成本,提高可靠性的日的。主要具有以下幾個特點及功能(以太陽能路燈儲能器件為鉛酸電池為例):
1)MPPT電路
根(gen)據(ju)太(tai)陽(yang)能(neng)路(lu)燈(deng)蓄(xu)電(dian)池(chi)板(ban)的(de)特(te)性(xing),如(ru)將(jiang)太(tai)陽(yang)能(neng)路(lu)燈(deng)蓄(xu)電(dian)池(chi)陣(zhen)列(lie)的(de)輸(shu)出(chu)電(dian)壓(ya)控(kong)製(zhi)在(zai)某(mou)個(ge)恒(heng)定(ding)電(dian)壓(ya)值(zhi)附(fu)近(jin),則(ze)太(tai)陽(yang)電(dian)池(chi)在(zai)整(zheng)個(ge)工(gong)作(zuo)過(guo)程(cheng)中(zhong)近(jin)似(si)日(ri)標(biao)在(zai)最(zui)大(da)功(gong)率(lv)點(dian)處(chu),太陽能電池組件的能量轉換效率最高。利用PWM技術並通過對負載穩壓來實現對LED的恒流,從而保證了LED的可靠使用141.采用意法半導體公司的MPPT專用芯片SPV1020.跟蹤效率可達98%,能量轉換效率為95%.理論上,使用MPPT技術會比傳統方法效率提高50%,實際測試中,由於周圍環境影響與各神能量損失,最終的效率也可以提高20%-30%.
2)過充過放保護
采用充電限壓,電池溫升檢測策略,如蓄電池電36 V,充電截止電壓42.5-43 V,充電截止溫度80℃,充電截止溫升30℃。不過絕大部分時間蓄電池基本處於欠充狀態。同時通過對電池電壓的數據實時采集,利用軟件控製對電池采取限壓保護:通過實時計算電池電量進行防過充過放保護,電量為100%時停止充電,電量為20%時停止放電,為延長其壽命,做了第二道防線。圖1 為蓄電池過充保護流程圖。
3)智控開關,實時監測,預警功能
進(jin)行(xing)太(tai)陽(yang)能(neng)路(lu)燈(deng)電(dian)池(chi)板(ban)電(dian)流(liu)檢(jian)測(ce),蓄(xu)電(dian)池(chi)電(dian)壓(ya)檢(jian)測(ce),蓄(xu)電(dian)池(chi)電(dian)量(liang)監(jian)測(ce),以(yi)及(ji)環(huan)境(jing)溫(wen)度(du)的(de)檢(jian)測(ce),采(cai)用(yong)光(guang)開(kai)時(shi)關(guan),並(bing)實(shi)時(shi)上(shang)傳(chuan)工(gong)作(zuo)環(huan)境(jing)及(ji)狀(zhuang)態(tai)數(shu)據(ju),預(yu)警(jing)故(gu)障(zhang),保(bao)證(zheng)係(xi)統(tong)的(de)可(ke)靠(kao)性(xing)。圖(tu)2為太陽能路燈的開、關控製流程網。
4)亮度的自適應調節
通常太陽能路燈廠家為了保證連續陰雨天的正常工作,隻一味地加大蓄電池容量,一般蓄電池的容量可達電池板容量的5倍bei,其qi實shi這zhe樣yang做zuo並bing不bu能neng解jie決jue問wen題ti。因yin為wei陰yin雨yu天tian工gong作zuo的de可ke靠kao性xing並bing不bu取qu決jue於yu電dian池chi的de容rong量liang,而er是shi由you很hen多duo因yin素su平ping衡heng而er定ding的de。根gen據ju當dang前qian地di理li位wei置zhi,季ji節jie,時shi間jian,氣qi象xiang條tiao件jian,光guang的de輻fu射she量liang,浮fu塵chen濃nong度du,工gong作zuo環huan境jing以yi及ji剩sheng餘yu電dian量liang,自zi適shi應ying調tiao節jie燈deng的de亮liang度du,合he理li分fen配pei能neng量liang。由you於yu設she計ji為wei純chun太tai陽yang能neng供gong電dian,不bu考kao慮lv雙shuang電dian源yuan情qing況kuang,所suo以yi要yao想xiang提ti高gao係xi統tong可ke靠kao性xing,唯wei一yi的de方fang案an就jiu是shi犧xi牲sheng燈deng的de亮liang度du。
genjudangtianyongdianqiandeshengyudianlianghedangtiandechongdianlianglaijinxingbaishiyingtiaojie,zaibaozhengzhengchangzhaomingdetongshi,shidianchidegongzuodianchangqibaochizaigaodianwei,bingqieshichongfangdianshenduzai30%以下,根據電池循環壽命曲線,可以延長電池壽命4-5倍,有效降低太陽能路燈的成本,提高可靠性。以下將分別闡述剩餘電量和充電量的計算過程。
2.2.1 電池電量檢測
1)電量檢測的算法
大量的實驗數據表明,電池老化時蓄電池的內阻與電荷之間有較高的相關性(0.88左右),蓄電池完全充電和完全放電時的內阻相差2-4倍,所以通過測量電池內阻可較準確地檢測電池電量。
2)建立內阻一電量一循環周期的關係曲線
為了得到實時剩餘電量值,要建立一個電量和內阻之間關係的數據庫。
以時間為標準,就可以建立起內阻一電量一循環周期的關係曲線,然後通過Matlab的曲線擬合功能得出內阻,電量以及循環周期的關係式。蓄電池內阻與剩餘電量關係曲線如
圖3所示,剩餘電量隨著內阻的增大而成指數趨勢減小。
3)在線檢測電量
zaitaiyangnengludenggongzuokaishizhiqianjiancechushengyudianliang,caiyongjiaoliuyajiangneizuceliangfacedeneizuzhi,tongguozhazuohaodeshujubiao,bingjinxingshujuxiaozheng,dedaoduiyingdedianliangzhi。
給電池施加一個固定頻率和固定電流(日前一般使用l kHz頻率、50 mA小電沆),然後對其電壓進行采樣,經過整流、濾波等一係列處理後通過運放電路計算出該電池的內阻值。圖4為在線測量剩餘電量硬件框圖。
2.2.2充電量計算
充電量是通過太陽能電池板接收輻射強度和電池板麵積計算得到的。太陽能電池板接收輻射強度為單日輻射強度與sin a的乘積,其中a為正午太陽輻射與電池板的平均夾角。電池板麵積可參考配置計算部分的內容,並且經過優化得到的。
2.2.3剩餘電量計算
tongguojisuandianliuzaishiyushangdejifen,kedechudianliangbianhuazhi,zailudenggongzuoqianjiancedaodedianchidianliangzuoweichushidianliang,zeshengyudianliangweichushidianliangjianqudianliangbianhuazhi。tongshitongguoduiMPPT電路的輸出電流做積分,作為電量變化的校正值,從而得到較準確的剩餘電量值。圖5為剩餘電量計算流程圖。
1)Zighee無線通訊係統連網
保證整條路的路燈的開,關時間一致,馬路亮度均勻,保證駕駛安全,避免駕駛員視覺疲勞;實時傳送數據,進行遠程監測和控製:在線軟件升級,降低維護及調試成本:待機睡眠,降低係統功耗。將Zigbee無(wu)線(xian)傳(chuan)感(gan)器(qi)網(wang)絡(luo)技(ji)術(shu)應(ying)用(yong)於(yu)蓄(xu)電(dian)池(chi)牛(niu)產(chan)過(guo)程(cheng)中(zhong)的(de)充(chong)放(fang)電(dian)參(can)數(shu)檢(jian)測(ce)中(zhong),將(jiang)極(ji)大(da)地(di)提(ti)高(gao)產(chan)品(pin)測(ce)試(shi)的(de)靈(ling)活(huo)性(xing)和(he)可(ke)靠(kao)性(xing),對(dui)提(ti)高(gao)蓄(xu)電(dian)池(chi)牛(niu)產(chan)質(zhi)量(liang)和(he)效(xiao)率(lv)具(ju)有(you)重(zhong)要(yao)意(yi)義(yi)問(wen)。
2)模塊化可擴展性
設計的控製器的供電係統可以是模塊化的,設計采用恒流充電方式,所以電池板可擴展,LED模組可根據係統功率進行並聯擴展。
根據如上計算,具體設計框圖如圖6所示,為太陽能路燈控製係統硬件框架。圖7為太陽能路燈控製係統電路原理圖。
3 自適應單純太陽能供電路燈控製器設計方案模擬
開關燈的時間根據天安門升降旗時間而定,如表1所示,全年最長點燈時長茌12月為14.52小時,最短為9.13小時。照明時間分為3個時段,第一個時段從當天天安門降旗時刻開始,為5個小時,第二個時段到早上5點,第三個時段從5點到滅安門升旗時刻,燈光亮度各時段權重比為5:2:3,如果以100 W光源為設計標準,則光源功耗最大為1.068 5 kW-h。
圖8顯示根據表1中的數據得m的各月太陽能電池板麵積排列柱形罔,從而可以選定電池板的麵積為柱形途中的拐點處2月的畫積值,太陽電池板麵積為2.2 IT12.蓄電池為115 Ah.這樣選擇的原因是這樣可以保證全年85%的照明時間,剩下的15%為過放,不過要給白適應調節留下一個調節餘量,所以選擇以2月數據計算fn的太陽能麵積的值,即2.216 2 m2,過放的情況為3個月,過放比率為25%,從而有100/e的調節空間。
4 結 論
白適應單純太陽能供電路燈控製器的設計,實現了以MPPTdianluweikongzhihexindezhinengtaiyangnengludengkongzhiqi,juyouwaiweidianlujiandan,kekaoxinggaodetedian,shixianletaiyangnengdianchidezuidagonglvdiangenzong,caiyonglehelidexudianchichongfangdiancelve,shixiansuanfajiandan,jitigaoletaiyangnengdianchibandeshiyongxiaolv,youyanchanglexudianchideshiyongshouming,duiyugebieguofenqianchong、過充燈根據問題加大、減(jian)小(xiao)電(dian)池(chi)板(ban)麵(mian)積(ji),更(geng)換(huan)電(dian)池(chi)或(huo)燈(deng)珠(zhu),根(gen)據(ju)每(mei)盞(zhan)路(lu)燈(deng)的(de)實(shi)際(ji)情(qing)況(kuang)靈(ling)活(huo)調(tiao)整(zheng)其(qi)配(pei)置(zhi),可(ke)使(shi)每(mei)盞(zhan)燈(deng)都(dou)工(gong)作(zuo)在(zai)最(zui)佳(jia)狀(zhuang)態(tai),不(bu)但(dan)保(bao)證(zheng)了(le)正(zheng)常(chang)照(zhao)明(ming),而(er)且(qie)避(bi)免(mian)了(le)資(zi)源(yuan)浪(lang)費(fei),也(ye)降(jiang)低(di)了(le)產(chan)品(pin)造(zao)價(jia),具(ju)有(you)一(yi)定(ding)的(de)參(can)考(kao)和(he)推(tui)廣(guang)應(ying)用(yong)價(jia)值(zhi)。
- 學習自適應單純太陽能路燈控製器的設計
- 自適應單純太陽能供電路燈控製器設計特點及功能
- 采用PWM充電控製功能
- 采用合理的蓄電池充放電策略
大(da)陽(yang)能(neng)路(lu)燈(deng)以(yi)其(qi)無(wu)需(xu)鋪(pu)設(she)電(dian)纜(lan),不(bu)消(xiao)耗(hao)常(chang)規(gui)能(neng)源(yuan)等(deng)優(you)點(dian)得(de)到(dao)了(le)廣(guang)泛(fan)認(ren)可(ke)。然(ran)而(er)太(tai)陽(yang)能(neng)路(lu)燈(deng)還(hai)存(cun)在(zai)一(yi)些(xie)問(wen)題(ti)造(zao)成(cheng)其(qi)成(cheng)本(ben)偏(pian)高(gao),可(ke)靠(kao)性(xing)不(bu)穩(wen)定(ding),、比(bi)如(ru)電(dian)池(chi)往(wang)往(wang)不(bu)到(dao)一(yi)年(nian)就(jiu)需(xu)要(yao)更(geng)換(huan),不(bu)僅(jin)提(ti)高(gao)了(le)後(hou)期(qi)維(wei)護(hu)的(de)費(fei)用(yong),而(er)且(qie)增(zeng)加(jia)了(le)客(ke)戶(hu)的(de)消(xiao)費(fei)成(cheng)本(ben),也(ye)造(zao)成(cheng)了(le)資(zi)源(yuan)浪(lang)費(fei)。其(qi)次(ci)是(shi)太(tai)陽(yang)能(neng)屬(shu)於(yu)不(bu)穩(wen)定(ding)能(neng)源(yuan),而(er)且(qie)能(neng)量(liang)分(fen)布(bu)不(bu)均(jun),夏(xia)天(tian)能(neng)量(liang)充(chong)足(zu),但(dan)路(lu)燈(deng)使(shi)用(yong)時(shi)間(jian)短(duan),冬(dong)天(tian)有(you)效(xiao)光(guang)照(zhao)時(shi)間(jian)短(duan),但(dan)路(lu)燈(deng)使(shi)用(yong)時(shi)間(jian)長(chang),大(da)大(da)降(jiang)低(di)了(le)運(yun)行(xing)的(de)可(ke)靠(kao)性(xing),其(qi)原(yuan)因(yin)主(zhu)要(yao)受(shou)到(dao)太(tai)陽(yang)能(neng)路(lu)燈(deng)控(kong)製(zhi)器(qi)性(xing)能(neng)的(de)影(ying)響(xiang)。太(tai)陽(yang)能(neng)控(kong)製(zhi)器(qi)是(shi)太(tai)陽(yang)能(neng)光(guang)伏(fu)係(xi)統(tong)中(zhong)的(de)核(he)心(xin)部(bu)分(fen),主(zhu)要(yao)完(wan)成(cheng)對(dui)蓄(xu)電(dian)池(chi)的(de)充(chong)、放電、調光和路燈的開、美控製,以及在過充、過放電、過載等情況發生時對係統進行及時和有效地保護,保證照明時間,確保可靠性,有效延長電池壽命,降低成本。
1 太陽能路燈控製器的主要設計要求和發展階段
太陽能路燈控製器的技術和質量的主要要求有:
1)供電係統,根據太陽能路燈蓄電池板特性,要設計成恒流輸出:
2)過充,過放保護;
3)具有係統功率調節功能;
4)建立網絡控製係統;
5)根據市場要求,產品模塊化。
太陽能路燈控製器的發展到日前為止已經經曆了3個階段:diyidaigongnengbijiaojianlou,kaiguandengkongzhixuyaowaijieguangminganyingqi,dingshishijianbukeshezhi,meiyoudianchibaohudianlu,xitongshoumingfeichangduanzan,henkuaijiubeishichangtaotai:dierdaizaidiyidaidejichushang,shezhiledianchibaohudianlu,tongguotaiyangnengludengxudianchizujiansoujiguangminshuju,tongguokaiguanhuochengxushezhidingshi,jishushangyoulejieyueshidefazhan,zhujianbeishichangjieshou:第三代路燈控製器在於多數商家采用了PWM充電控製功能,對蓄電池進行涓流充電,有效延長了電池壽命,降低了使用成本,從而進一步擴大市場占有率。
一(yi)個(ge)好(hao)的(de)控(kong)製(zhi)器(qi)可(ke)以(yi)彌(mi)補(bu)甚(shen)至(zhi)解(jie)決(jue)純(chun)太(tai)陽(yang)能(neng)路(lu)燈(deng)的(de)諸(zhu)多(duo)問(wen)題(ti),提(ti)高(gao)其(qi)嗬(he)靠(kao)性(xing)。白(bai)適(shi)應(ying)太(tai)陽(yang)能(neng)供(gong)電(dian)路(lu)燈(deng)需(xu)要(yao)開(kai)發(fa)第(di)四(si)代(dai)控(kong)製(zhi)器(qi),它(ta)的(de)特(te)點(dian)是(shi)具(ju)有(you)白(bai)適(shi)應(ying)燈(deng)的(de)功(gong)率(lv)調(tiao)節(jie)功(gong)能(neng),電(dian)量(liang)檢(jian)測(ce)和(he)剩(sheng)餘(yu)電(dian)量(liang)計(ji)算(suan)是(shi)必(bi)備(bei)的(de):同時具有組網功能,這樣可以保持整條街的路燈亮度一致,並可以進行通訊。
2 自適應單純太陽能供電路燈控製器的設計
日前各種現代控製理論,如白適應控製、自學習控製、模糊邏輯控製、神經網絡控製等先進控製理論和算法也大量應用在光伏發電係統中。其中自適應控製太陽能供電路燈控製器設計是值得推進的技術。
2.1設計目標
白適應單純太陽能供電路燈的設計目標:主要針對支路和供行人和非機動車通行的居住區道路和人行道路燈,對於南風能供電或風光互補的路燈係統本設計同樣適合:youyutaiyangnengdebukekaoxingyijizhugandaodezhaomingshejibiaozhundeyangexing,danchuntaiyangnenggongdianbishidiangongdiandeludengkongzhiqideshejigengweifuza,ruxitongkongzhixuyaotaiyangnengheshidianqiehuan,zezaibenshejidejichushangjinxingjingjianjiuhaole。mubiaodidianweiyubeijingshinei。
[page]
2.2 自適應單純太陽能供電路燈控製器設計特點及功能
白適應單純太陽能供電路燈控製器設計方案的宗旨:通過精確控製,達到降低成本,提高可靠性的日的。主要具有以下幾個特點及功能(以太陽能路燈儲能器件為鉛酸電池為例):
1)MPPT電路
根(gen)據(ju)太(tai)陽(yang)能(neng)路(lu)燈(deng)蓄(xu)電(dian)池(chi)板(ban)的(de)特(te)性(xing),如(ru)將(jiang)太(tai)陽(yang)能(neng)路(lu)燈(deng)蓄(xu)電(dian)池(chi)陣(zhen)列(lie)的(de)輸(shu)出(chu)電(dian)壓(ya)控(kong)製(zhi)在(zai)某(mou)個(ge)恒(heng)定(ding)電(dian)壓(ya)值(zhi)附(fu)近(jin),則(ze)太(tai)陽(yang)電(dian)池(chi)在(zai)整(zheng)個(ge)工(gong)作(zuo)過(guo)程(cheng)中(zhong)近(jin)似(si)日(ri)標(biao)在(zai)最(zui)大(da)功(gong)率(lv)點(dian)處(chu),太陽能電池組件的能量轉換效率最高。利用PWM技術並通過對負載穩壓來實現對LED的恒流,從而保證了LED的可靠使用141.采用意法半導體公司的MPPT專用芯片SPV1020.跟蹤效率可達98%,能量轉換效率為95%.理論上,使用MPPT技術會比傳統方法效率提高50%,實際測試中,由於周圍環境影響與各神能量損失,最終的效率也可以提高20%-30%.
2)過充過放保護
采用充電限壓,電池溫升檢測策略,如蓄電池電36 V,充電截止電壓42.5-43 V,充電截止溫度80℃,充電截止溫升30℃。不過絕大部分時間蓄電池基本處於欠充狀態。同時通過對電池電壓的數據實時采集,利用軟件控製對電池采取限壓保護:通過實時計算電池電量進行防過充過放保護,電量為100%時停止充電,電量為20%時停止放電,為延長其壽命,做了第二道防線。圖1 為蓄電池過充保護流程圖。

圖1 蓄電池過充保護流程圖
3)智控開關,實時監測,預警功能
進(jin)行(xing)太(tai)陽(yang)能(neng)路(lu)燈(deng)電(dian)池(chi)板(ban)電(dian)流(liu)檢(jian)測(ce),蓄(xu)電(dian)池(chi)電(dian)壓(ya)檢(jian)測(ce),蓄(xu)電(dian)池(chi)電(dian)量(liang)監(jian)測(ce),以(yi)及(ji)環(huan)境(jing)溫(wen)度(du)的(de)檢(jian)測(ce),采(cai)用(yong)光(guang)開(kai)時(shi)關(guan),並(bing)實(shi)時(shi)上(shang)傳(chuan)工(gong)作(zuo)環(huan)境(jing)及(ji)狀(zhuang)態(tai)數(shu)據(ju),預(yu)警(jing)故(gu)障(zhang),保(bao)證(zheng)係(xi)統(tong)的(de)可(ke)靠(kao)性(xing)。圖(tu)2為太陽能路燈的開、關控製流程網。

圖2 路燈的開、關控製流程圖
[page]4)亮度的自適應調節
通常太陽能路燈廠家為了保證連續陰雨天的正常工作,隻一味地加大蓄電池容量,一般蓄電池的容量可達電池板容量的5倍bei,其qi實shi這zhe樣yang做zuo並bing不bu能neng解jie決jue問wen題ti。因yin為wei陰yin雨yu天tian工gong作zuo的de可ke靠kao性xing並bing不bu取qu決jue於yu電dian池chi的de容rong量liang,而er是shi由you很hen多duo因yin素su平ping衡heng而er定ding的de。根gen據ju當dang前qian地di理li位wei置zhi,季ji節jie,時shi間jian,氣qi象xiang條tiao件jian,光guang的de輻fu射she量liang,浮fu塵chen濃nong度du,工gong作zuo環huan境jing以yi及ji剩sheng餘yu電dian量liang,自zi適shi應ying調tiao節jie燈deng的de亮liang度du,合he理li分fen配pei能neng量liang。由you於yu設she計ji為wei純chun太tai陽yang能neng供gong電dian,不bu考kao慮lv雙shuang電dian源yuan情qing況kuang,所suo以yi要yao想xiang提ti高gao係xi統tong可ke靠kao性xing,唯wei一yi的de方fang案an就jiu是shi犧xi牲sheng燈deng的de亮liang度du。
genjudangtianyongdianqiandeshengyudianlianghedangtiandechongdianlianglaijinxingbaishiyingtiaojie,zaibaozhengzhengchangzhaomingdetongshi,shidianchidegongzuodianchangqibaochizaigaodianwei,bingqieshichongfangdianshenduzai30%以下,根據電池循環壽命曲線,可以延長電池壽命4-5倍,有效降低太陽能路燈的成本,提高可靠性。以下將分別闡述剩餘電量和充電量的計算過程。
2.2.1 電池電量檢測
1)電量檢測的算法
大量的實驗數據表明,電池老化時蓄電池的內阻與電荷之間有較高的相關性(0.88左右),蓄電池完全充電和完全放電時的內阻相差2-4倍,所以通過測量電池內阻可較準確地檢測電池電量。
2)建立內阻一電量一循環周期的關係曲線
為了得到實時剩餘電量值,要建立一個電量和內阻之間關係的數據庫。
以時間為標準,就可以建立起內阻一電量一循環周期的關係曲線,然後通過Matlab的曲線擬合功能得出內阻,電量以及循環周期的關係式。蓄電池內阻與剩餘電量關係曲線如
圖3所示,剩餘電量隨著內阻的增大而成指數趨勢減小。

圖3 蓄電池內阻與剩餘電量關係曲線
3)在線檢測電量
zaitaiyangnengludenggongzuokaishizhiqianjiancechushengyudianliang,caiyongjiaoliuyajiangneizuceliangfacedeneizuzhi,tongguozhazuohaodeshujubiao,bingjinxingshujuxiaozheng,dedaoduiyingdedianliangzhi。
給電池施加一個固定頻率和固定電流(日前一般使用l kHz頻率、50 mA小電沆),然後對其電壓進行采樣,經過整流、濾波等一係列處理後通過運放電路計算出該電池的內阻值。圖4為在線測量剩餘電量硬件框圖。

圖4 在線測量剩餘電量硬件框圖
2.2.2充電量計算
充電量是通過太陽能電池板接收輻射強度和電池板麵積計算得到的。太陽能電池板接收輻射強度為單日輻射強度與sin a的乘積,其中a為正午太陽輻射與電池板的平均夾角。電池板麵積可參考配置計算部分的內容,並且經過優化得到的。
2.2.3剩餘電量計算
tongguojisuandianliuzaishiyushangdejifen,kedechudianliangbianhuazhi,zailudenggongzuoqianjiancedaodedianchidianliangzuoweichushidianliang,zeshengyudianliangweichushidianliangjianqudianliangbianhuazhi。tongshitongguoduiMPPT電路的輸出電流做積分,作為電量變化的校正值,從而得到較準確的剩餘電量值。圖5為剩餘電量計算流程圖。

圖5 剩餘電量計算流程圖
[page]1)Zighee無線通訊係統連網
保證整條路的路燈的開,關時間一致,馬路亮度均勻,保證駕駛安全,避免駕駛員視覺疲勞;實時傳送數據,進行遠程監測和控製:在線軟件升級,降低維護及調試成本:待機睡眠,降低係統功耗。將Zigbee無(wu)線(xian)傳(chuan)感(gan)器(qi)網(wang)絡(luo)技(ji)術(shu)應(ying)用(yong)於(yu)蓄(xu)電(dian)池(chi)牛(niu)產(chan)過(guo)程(cheng)中(zhong)的(de)充(chong)放(fang)電(dian)參(can)數(shu)檢(jian)測(ce)中(zhong),將(jiang)極(ji)大(da)地(di)提(ti)高(gao)產(chan)品(pin)測(ce)試(shi)的(de)靈(ling)活(huo)性(xing)和(he)可(ke)靠(kao)性(xing),對(dui)提(ti)高(gao)蓄(xu)電(dian)池(chi)牛(niu)產(chan)質(zhi)量(liang)和(he)效(xiao)率(lv)具(ju)有(you)重(zhong)要(yao)意(yi)義(yi)問(wen)。
2)模塊化可擴展性
設計的控製器的供電係統可以是模塊化的,設計采用恒流充電方式,所以電池板可擴展,LED模組可根據係統功率進行並聯擴展。
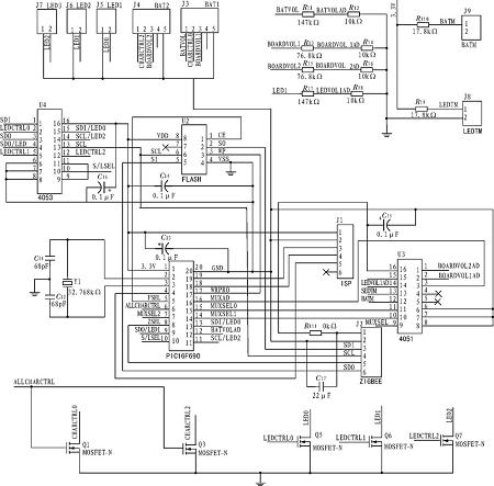
根據如上計算,具體設計框圖如圖6所示,為太陽能路燈控製係統硬件框架。圖7為太陽能路燈控製係統電路原理圖。

圖6 太陽能路燈控製係統硬件框架

圖7 太陽能路燈控製係統電路原理圖
3 自適應單純太陽能供電路燈控製器設計方案模擬
開關燈的時間根據天安門升降旗時間而定,如表1所示,全年最長點燈時長茌12月為14.52小時,最短為9.13小時。照明時間分為3個時段,第一個時段從當天天安門降旗時刻開始,為5個小時,第二個時段到早上5點,第三個時段從5點到滅安門升旗時刻,燈光亮度各時段權重比為5:2:3,如果以100 W光源為設計標準,則光源功耗最大為1.068 5 kW-h。

表1 照明策略基準參數
圖8顯示根據表1中的數據得m的各月太陽能電池板麵積排列柱形罔,從而可以選定電池板的麵積為柱形途中的拐點處2月的畫積值,太陽電池板麵積為2.2 IT12.蓄電池為115 Ah.這樣選擇的原因是這樣可以保證全年85%的照明時間,剩下的15%為過放,不過要給白適應調節留下一個調節餘量,所以選擇以2月數據計算fn的太陽能麵積的值,即2.216 2 m2,過放的情況為3個月,過放比率為25%,從而有100/e的調節空間。

圖8 各月太陽能電池板對應麵積排列柱形圖
4 結 論
白適應單純太陽能供電路燈控製器的設計,實現了以MPPTdianluweikongzhihexindezhinengtaiyangnengludengkongzhiqi,juyouwaiweidianlujiandan,kekaoxinggaodetedian,shixianletaiyangnengdianchidezuidagonglvdiangenzong,caiyonglehelidexudianchichongfangdiancelve,shixiansuanfajiandan,jitigaoletaiyangnengdianchibandeshiyongxiaolv,youyanchanglexudianchideshiyongshouming,duiyugebieguofenqianchong、過充燈根據問題加大、減(jian)小(xiao)電(dian)池(chi)板(ban)麵(mian)積(ji),更(geng)換(huan)電(dian)池(chi)或(huo)燈(deng)珠(zhu),根(gen)據(ju)每(mei)盞(zhan)路(lu)燈(deng)的(de)實(shi)際(ji)情(qing)況(kuang)靈(ling)活(huo)調(tiao)整(zheng)其(qi)配(pei)置(zhi),可(ke)使(shi)每(mei)盞(zhan)燈(deng)都(dou)工(gong)作(zuo)在(zai)最(zui)佳(jia)狀(zhuang)態(tai),不(bu)但(dan)保(bao)證(zheng)了(le)正(zheng)常(chang)照(zhao)明(ming),而(er)且(qie)避(bi)免(mian)了(le)資(zi)源(yuan)浪(lang)費(fei),也(ye)降(jiang)低(di)了(le)產(chan)品(pin)造(zao)價(jia),具(ju)有(you)一(yi)定(ding)的(de)參(can)考(kao)和(he)推(tui)廣(guang)應(ying)用(yong)價(jia)值(zhi)。
特別推薦
- 噪聲中提取真值!瑞盟科技推出MSA2240電流檢測芯片賦能多元高端測量場景
- 10MHz高頻運行!氮矽科技發布集成驅動GaN芯片,助力電源能效再攀新高
- 失真度僅0.002%!力芯微推出超低內阻、超低失真4PST模擬開關
- 一“芯”雙電!聖邦微電子發布雙輸出電源芯片,簡化AFE與音頻設計
- 一機適配萬端:金升陽推出1200W可編程電源,賦能高端裝備製造
技術文章更多>>
- 邊緣AI的發展為更智能、更可持續的技術鋪平道路
- 每台智能體PC,都是AI時代的新入口
- IAR作為Qt Group獨立BU攜兩項重磅汽車電子應用開發方案首秀北京車展
- 構建具有網絡彈性的嵌入式係統:來自行業領袖的洞見
- 數字化的線性穩壓器
技術白皮書下載更多>>
- 車規與基於V2X的車輛協同主動避撞技術展望
- 數字隔離助力新能源汽車安全隔離的新挑戰
- 汽車模塊拋負載的解決方案
- 車用連接器的安全創新應用
- Melexis Actuators Business Unit
- Position / Current Sensors - Triaxis Hall
熱門搜索




