電子電度表電源設計
發布時間:2010-06-08
中心議題:
隨著國家電力產業的蓬勃發展,以及電力行業推行“一戶一表”製,使得早期使用的機電式電度表越來越不適應市場要求,而電子式電度表由於具有計量準確、可(ke)遠(yuan)程(cheng)抄(chao)表(biao)和(he)分(fen)時(shi)計(ji)量(liang)等(deng)特(te)點(dian),且(qie)產(chan)品(pin)的(de)可(ke)靠(kao)性(xing)也(ye)占(zhan)有(you)優(you)勢(shi),因(yin)而(er)市(shi)場(chang)見(jian)好(hao)。據(ju)報(bao)道(dao)每(mei)年(nian)僅(jin)國(guo)內(nei)就(jiu)約(yue)有(you)五(wu)千(qian)萬(wan)隻(zhi)的(de)需(xu)求(qiu)。由(you)於(yu)電(dian)度(du)表(biao)屬(shu)於(yu)不(bu)間(jian)斷(duan)工(gong)作(zuo)的(de)電(dian)力(li)計(ji)量(liang)產(chan)品(pin),對(dui)計(ji)量(liang)準(zhun)確(que)性(xing)、可靠性和EMC特性等有嚴格要求,因而其電源部分則是電子電度表設計的關鍵之一。
電度表有詳細的設計、生產和檢測標準,如GB/T17215-19981級和2級靜止式交流有功電度表(對應的國際標準為IEC1036:1996),GB/T15284-1994多費率(分時)電度表,DL/T698-1999低壓電力用戶集中抄表係統技術條件、DL/T614-1997多功能電能表等。這些標準分別對與電度表電源設計有關的整機功耗,輸入電壓範圍,EMC測試等方麵提出了詳細要求。下麵分別探討簡單的單相純計量表、單相多功能表、三相電度表的電源設計方法和應注意的問題。
單相電子電度表的電源設計
單相電子電度表中純計量表和多功能電表,對電源的需求有所不同。
1單相純計量表的電源設計
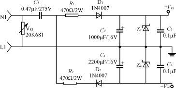
單相純計量表一般隻含有一個基本的計量單元,一個電子計度器,一個發光二極管和脈衝輸出口等,整機耗電一般不超過50mW,采用低成本的串聯阻容降壓電路即可滿足整個電度表的供電需求;有的計量IC隻需要單一+5V電源供電,如ADE7755等,如圖1所示。而有的計量IC需要±5V或±2.5V雙電源供電,如BL0932、SA9602M等,如圖2所示。

圖1單電源供電

圖2雙電源供電
輸入電路的電阻R1(或R1、R2)要采用品質較好的金屬膜電阻或水泥電阻,功率2~5W,阻值100~820Ω;降壓電容C2(或C5)采用高質量的高壓金屬化聚丙烯電容,一般0.22~0.47μF,耐壓應≥AC250V,電容的容量過大會引起視在功率超標。
當dang計ji量liang脈mai衝chong驅qu動dong計ji度du器qi時shi,計ji度du器qi的de步bu進jin電dian機ji瞬shun間jian會hui吸xi收shou較jiao大da的de電dian流liu,如ru果guo輸shu出chu濾lv波bo電dian容rong量liang不bu足zu時shi,將jiang引yin起qi電dian壓ya波bo動dong,影ying響xiang計ji量liang的de準zhun確que度du,尤you其qi電dian度du表biao在zai大da電dian流liu輸shu入ru時shi,計ji量liang脈mai衝chong的de頻pin率lv更geng快kuai,供gong電dian電dian壓ya更geng易yi受shou到dao影ying響xiang,所suo以yi還hai應ying選xuan擇ze較jiao大da的de輸shu出chu濾lv波bo電dian容rong,保bao證zheng在zai大da電dian流liu計ji量liang工gong作zuo時shi,不bu影ying響xiang計ji量liang精jing度du。一yi般ban情qing況kuang下xia主zhu電dian路lu濾lv波bo電dian容rong取qu1000μF~2200μF,並且要用長壽命(>2000h)的電解電容以提高可靠性,同時也應考慮發光二極管、脈衝輸出口有計量脈衝輸入時,瞬間也會吸收部分電流,對電源電壓的穩定性也有影響。
2單相多功能電度表的電源設計
單相多功能電度表的基本單元一般包含計量,CPU,顯示等。對電源來說,主要考慮的是電度表需要幾路電源,各路的電壓、功率需求;有you些xie電dian表biao可ke能neng還hai有you外wai接jie控kong製zhi線xian或huo通tong訊xun線xian,對dui這zhe些xie引yin出chu線xian應ying有you安an全quan隔ge離li要yao求qiu。由you於yu該gai電dian度du表biao上shang所suo用yong的de元yuan器qi件jian和he集ji成cheng電dian路lu等deng遠yuan比bi單dan相xiang純chun計ji量liang表biao要yao多duo,所suo需xu功gong率lv也ye較jiao大da,根gen據ju標biao準zhun要yao求qiu,電dian壓ya線xian路lu的de靜jing態tai功gong耗hao對dui不bu同tong類lei電dian度du表biao應ying≤1.5~3W,視在功率≤10VA,一般采用低成本的線性變壓器供電即可。有的供電局對電子電度表功耗提出了更加嚴格的要求,比如靜態功耗要<1W,而對輸入電壓波動範圍要求在(70%~130%)Un,甚至更大。
[page]
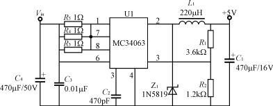
如果保證在最低輸入電壓70%Rn時電表能輸出正常的工作電壓,按線性變壓器特性,則在額定輸入電壓Un時,輸出電壓會較高,如果輸出電壓整流濾波後采用一般的線性穩壓器供電,將會使整機功耗加大;而在最高輸入電壓時,將會使變壓器溫升增大,線性穩壓電路損耗加大,發熱量也會增大;針對整機耗電較大的電子電度表,其解決辦法一是可以采用較好材質的矽鋼片,如Z11型矽鋼片;二是低壓輸出穩壓電路采用一個低成本的高效率DC/DC變換電路,即可使整機功耗顯著降低,還可在寬輸入電壓範圍內,穩定、高效地工作。這些DC/DC電路可以采用簡單的低成本MC34063、LM2574等DC/DC變換器,采用MC34063設計的+5V輸出DC/DC變換器如圖3所示。

圖3DC/DC變換器
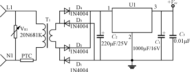
現(xian)在(zai),大(da)部(bu)分(fen)供(gong)電(dian)部(bu)門(men)為(wei)防(fang)止(zhi)由(you)於(yu)電(dian)網(wang)零(ling)線(xian)接(jie)錯(cuo)而(er)損(sun)壞(huai)電(dian)度(du)表(biao)或(huo)人(ren)為(wei)采(cai)用(yong)過(guo)壓(ya)供(gong)電(dian)方(fang)法(fa)破(po)壞(huai)電(dian)度(du)表(biao)等(deng)問(wen)題(ti),已(yi)要(yao)求(qiu)新(xin)安(an)裝(zhuang)的(de)單(dan)相(xiang)電(dian)度(du)表(biao)能(neng)夠(gou)承(cheng)受(shou)高(gao)壓(ya)(如380V電壓)一定時間(如4h)而不損壞,如果單相表的輸入電路不加處理,輸入的高壓將會使電度表在短時間內燒毀。隻要在變壓器輸入端串聯一隻合適的PTC熱敏電阻作過流保護,讓外部電壓主要加在PTC熱敏電阻上,則可保證線性變壓器不致發熱、損壞。為保證不發生誤動作,熱敏電阻的不動作電流應參考電度表的實際交流輸入電流選取,並留有50%餘量,居裏溫度應≥80℃;在最高工作溫度下,最大負荷工作時,電表不能被保護,而在最低工作溫度下,輸入端加入380V交流電時,電度表內的PTC應在很短時間內起保護作用,保證電表不被損壞,電路圖如圖4所示。

圖4單相多功能電度表電源
三相電度表電源設計
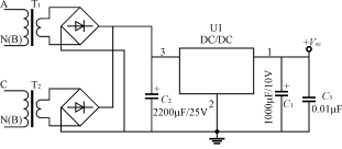
三相電度表有三相三線,三相四線,輸入電壓有3×(220~240)V/380~400V、3×57V/100V等。三相電度表供電電路可以參考單相電度表電源的設計方法,對於三相四線供電電路,可以在每一相線對零線之間接1隻線性變壓器,共3隻線性變壓器;對三相三線可以取一相如Β相作為公共地線,A、C相對Β相接2隻線性變壓器。這些變壓的副邊單獨整流後再將輸出的正極接在一起、負極接在一起,經電容濾波後,再通過DC/DC變換器輸出穩定電壓,向電度表供電,如圖5所示。

圖5三相電度表線性電源
這zhe種zhong供gong電dian方fang式shi體ti積ji和he重zhong量liang較jiao大da,成cheng本ben也ye較jiao高gao,顯xian然ran按an以yi上shang電dian路lu連lian接jie時shi,對dui三san相xiang四si線xian供gong電dian時shi不bu能neng缺que零ling線xian,對dui三san相xiang三san線xian供gong電dian時shi不bu能neng缺que公gong共gong地di線xian,如ruB相;另外,有的供電局用戶要求,三相電度表輸入端任意兩線有電壓輸入時都能工作,則圖5的設計便不能達到目的;當采用三相電度表專用開關電源模塊供電時,可解決以上問題,其內部結構圖如圖6所示。

圖6三相電度表專用開關電源模塊
這種三相電度表專用開關電源模塊,體積為32mm×75mm×22mm,輸入電壓範圍寬,在60~480V範圍內,任意二線、三線、四線輸入都可工作,帶有輸入過壓、輸出過流保護功能,電源的EMC特性也較好,另外還有體積小、重量輕、效率高、損耗小等優點,它的每相供電的自身損耗均<0.4W,已經過我公司三年批量試用,具有良好效果。
電子電度表的電源設計應合理選擇元、器件,以提高產品的可靠性,並降低成本;主機應選擇低壓供電、低功耗的電路以降低整機功耗;另外,合理地布置元、器件及PCB布線等,對提高電度表的EMC性能有極其重要意義。
- 單相電子電度表的電源設計
- 三相電度表電源設計
- 單相純計量表采用低成本的串聯阻容降壓電路
- 對三相四線供電時不能缺零線,對三相三線供電時不能缺公共地線
隨著國家電力產業的蓬勃發展,以及電力行業推行“一戶一表”製,使得早期使用的機電式電度表越來越不適應市場要求,而電子式電度表由於具有計量準確、可(ke)遠(yuan)程(cheng)抄(chao)表(biao)和(he)分(fen)時(shi)計(ji)量(liang)等(deng)特(te)點(dian),且(qie)產(chan)品(pin)的(de)可(ke)靠(kao)性(xing)也(ye)占(zhan)有(you)優(you)勢(shi),因(yin)而(er)市(shi)場(chang)見(jian)好(hao)。據(ju)報(bao)道(dao)每(mei)年(nian)僅(jin)國(guo)內(nei)就(jiu)約(yue)有(you)五(wu)千(qian)萬(wan)隻(zhi)的(de)需(xu)求(qiu)。由(you)於(yu)電(dian)度(du)表(biao)屬(shu)於(yu)不(bu)間(jian)斷(duan)工(gong)作(zuo)的(de)電(dian)力(li)計(ji)量(liang)產(chan)品(pin),對(dui)計(ji)量(liang)準(zhun)確(que)性(xing)、可靠性和EMC特性等有嚴格要求,因而其電源部分則是電子電度表設計的關鍵之一。
電度表有詳細的設計、生產和檢測標準,如GB/T17215-19981級和2級靜止式交流有功電度表(對應的國際標準為IEC1036:1996),GB/T15284-1994多費率(分時)電度表,DL/T698-1999低壓電力用戶集中抄表係統技術條件、DL/T614-1997多功能電能表等。這些標準分別對與電度表電源設計有關的整機功耗,輸入電壓範圍,EMC測試等方麵提出了詳細要求。下麵分別探討簡單的單相純計量表、單相多功能表、三相電度表的電源設計方法和應注意的問題。
單相電子電度表的電源設計
單相電子電度表中純計量表和多功能電表,對電源的需求有所不同。
1單相純計量表的電源設計
單相純計量表一般隻含有一個基本的計量單元,一個電子計度器,一個發光二極管和脈衝輸出口等,整機耗電一般不超過50mW,采用低成本的串聯阻容降壓電路即可滿足整個電度表的供電需求;有的計量IC隻需要單一+5V電源供電,如ADE7755等,如圖1所示。而有的計量IC需要±5V或±2.5V雙電源供電,如BL0932、SA9602M等,如圖2所示。

圖1單電源供電

圖2雙電源供電
輸入電路的電阻R1(或R1、R2)要采用品質較好的金屬膜電阻或水泥電阻,功率2~5W,阻值100~820Ω;降壓電容C2(或C5)采用高質量的高壓金屬化聚丙烯電容,一般0.22~0.47μF,耐壓應≥AC250V,電容的容量過大會引起視在功率超標。
當dang計ji量liang脈mai衝chong驅qu動dong計ji度du器qi時shi,計ji度du器qi的de步bu進jin電dian機ji瞬shun間jian會hui吸xi收shou較jiao大da的de電dian流liu,如ru果guo輸shu出chu濾lv波bo電dian容rong量liang不bu足zu時shi,將jiang引yin起qi電dian壓ya波bo動dong,影ying響xiang計ji量liang的de準zhun確que度du,尤you其qi電dian度du表biao在zai大da電dian流liu輸shu入ru時shi,計ji量liang脈mai衝chong的de頻pin率lv更geng快kuai,供gong電dian電dian壓ya更geng易yi受shou到dao影ying響xiang,所suo以yi還hai應ying選xuan擇ze較jiao大da的de輸shu出chu濾lv波bo電dian容rong,保bao證zheng在zai大da電dian流liu計ji量liang工gong作zuo時shi,不bu影ying響xiang計ji量liang精jing度du。一yi般ban情qing況kuang下xia主zhu電dian路lu濾lv波bo電dian容rong取qu1000μF~2200μF,並且要用長壽命(>2000h)的電解電容以提高可靠性,同時也應考慮發光二極管、脈衝輸出口有計量脈衝輸入時,瞬間也會吸收部分電流,對電源電壓的穩定性也有影響。
2單相多功能電度表的電源設計
單相多功能電度表的基本單元一般包含計量,CPU,顯示等。對電源來說,主要考慮的是電度表需要幾路電源,各路的電壓、功率需求;有you些xie電dian表biao可ke能neng還hai有you外wai接jie控kong製zhi線xian或huo通tong訊xun線xian,對dui這zhe些xie引yin出chu線xian應ying有you安an全quan隔ge離li要yao求qiu。由you於yu該gai電dian度du表biao上shang所suo用yong的de元yuan器qi件jian和he集ji成cheng電dian路lu等deng遠yuan比bi單dan相xiang純chun計ji量liang表biao要yao多duo,所suo需xu功gong率lv也ye較jiao大da,根gen據ju標biao準zhun要yao求qiu,電dian壓ya線xian路lu的de靜jing態tai功gong耗hao對dui不bu同tong類lei電dian度du表biao應ying≤1.5~3W,視在功率≤10VA,一般采用低成本的線性變壓器供電即可。有的供電局對電子電度表功耗提出了更加嚴格的要求,比如靜態功耗要<1W,而對輸入電壓波動範圍要求在(70%~130%)Un,甚至更大。
[page]
如果保證在最低輸入電壓70%Rn時電表能輸出正常的工作電壓,按線性變壓器特性,則在額定輸入電壓Un時,輸出電壓會較高,如果輸出電壓整流濾波後采用一般的線性穩壓器供電,將會使整機功耗加大;而在最高輸入電壓時,將會使變壓器溫升增大,線性穩壓電路損耗加大,發熱量也會增大;針對整機耗電較大的電子電度表,其解決辦法一是可以采用較好材質的矽鋼片,如Z11型矽鋼片;二是低壓輸出穩壓電路采用一個低成本的高效率DC/DC變換電路,即可使整機功耗顯著降低,還可在寬輸入電壓範圍內,穩定、高效地工作。這些DC/DC電路可以采用簡單的低成本MC34063、LM2574等DC/DC變換器,采用MC34063設計的+5V輸出DC/DC變換器如圖3所示。

圖3DC/DC變換器
現(xian)在(zai),大(da)部(bu)分(fen)供(gong)電(dian)部(bu)門(men)為(wei)防(fang)止(zhi)由(you)於(yu)電(dian)網(wang)零(ling)線(xian)接(jie)錯(cuo)而(er)損(sun)壞(huai)電(dian)度(du)表(biao)或(huo)人(ren)為(wei)采(cai)用(yong)過(guo)壓(ya)供(gong)電(dian)方(fang)法(fa)破(po)壞(huai)電(dian)度(du)表(biao)等(deng)問(wen)題(ti),已(yi)要(yao)求(qiu)新(xin)安(an)裝(zhuang)的(de)單(dan)相(xiang)電(dian)度(du)表(biao)能(neng)夠(gou)承(cheng)受(shou)高(gao)壓(ya)(如380V電壓)一定時間(如4h)而不損壞,如果單相表的輸入電路不加處理,輸入的高壓將會使電度表在短時間內燒毀。隻要在變壓器輸入端串聯一隻合適的PTC熱敏電阻作過流保護,讓外部電壓主要加在PTC熱敏電阻上,則可保證線性變壓器不致發熱、損壞。為保證不發生誤動作,熱敏電阻的不動作電流應參考電度表的實際交流輸入電流選取,並留有50%餘量,居裏溫度應≥80℃;在最高工作溫度下,最大負荷工作時,電表不能被保護,而在最低工作溫度下,輸入端加入380V交流電時,電度表內的PTC應在很短時間內起保護作用,保證電表不被損壞,電路圖如圖4所示。

圖4單相多功能電度表電源
三相電度表電源設計
三相電度表有三相三線,三相四線,輸入電壓有3×(220~240)V/380~400V、3×57V/100V等。三相電度表供電電路可以參考單相電度表電源的設計方法,對於三相四線供電電路,可以在每一相線對零線之間接1隻線性變壓器,共3隻線性變壓器;對三相三線可以取一相如Β相作為公共地線,A、C相對Β相接2隻線性變壓器。這些變壓的副邊單獨整流後再將輸出的正極接在一起、負極接在一起,經電容濾波後,再通過DC/DC變換器輸出穩定電壓,向電度表供電,如圖5所示。

圖5三相電度表線性電源
這zhe種zhong供gong電dian方fang式shi體ti積ji和he重zhong量liang較jiao大da,成cheng本ben也ye較jiao高gao,顯xian然ran按an以yi上shang電dian路lu連lian接jie時shi,對dui三san相xiang四si線xian供gong電dian時shi不bu能neng缺que零ling線xian,對dui三san相xiang三san線xian供gong電dian時shi不bu能neng缺que公gong共gong地di線xian,如ruB相;另外,有的供電局用戶要求,三相電度表輸入端任意兩線有電壓輸入時都能工作,則圖5的設計便不能達到目的;當采用三相電度表專用開關電源模塊供電時,可解決以上問題,其內部結構圖如圖6所示。

圖6三相電度表專用開關電源模塊
這種三相電度表專用開關電源模塊,體積為32mm×75mm×22mm,輸入電壓範圍寬,在60~480V範圍內,任意二線、三線、四線輸入都可工作,帶有輸入過壓、輸出過流保護功能,電源的EMC特性也較好,另外還有體積小、重量輕、效率高、損耗小等優點,它的每相供電的自身損耗均<0.4W,已經過我公司三年批量試用,具有良好效果。
電子電度表的電源設計應合理選擇元、器件,以提高產品的可靠性,並降低成本;主機應選擇低壓供電、低功耗的電路以降低整機功耗;另外,合理地布置元、器件及PCB布線等,對提高電度表的EMC性能有極其重要意義。
特別推薦
- 噪聲中提取真值!瑞盟科技推出MSA2240電流檢測芯片賦能多元高端測量場景
- 10MHz高頻運行!氮矽科技發布集成驅動GaN芯片,助力電源能效再攀新高
- 失真度僅0.002%!力芯微推出超低內阻、超低失真4PST模擬開關
- 一“芯”雙電!聖邦微電子發布雙輸出電源芯片,簡化AFE與音頻設計
- 一機適配萬端:金升陽推出1200W可編程電源,賦能高端裝備製造
技術文章更多>>
- 大聯大世平集團首度亮相北京國際汽車展 攜手全球芯片夥伴打造智能車整合應用新典範
- 2026北京車展即將啟幕,高通攜手汽車生態“朋友圈”推動智能化體驗再升級
- 邊緣重構智慧城市:FPGA SoM 如何破解視頻係統 “重而慢”
- 如何使用工業級串行數字輸入來設計具有並行接口的數字輸入模塊
- 意法半導體將舉辦投資者會議探討低地球軌道(LEO)發展機遇
技術白皮書下載更多>>
- 車規與基於V2X的車輛協同主動避撞技術展望
- 數字隔離助力新能源汽車安全隔離的新挑戰
- 汽車模塊拋負載的解決方案
- 車用連接器的安全創新應用
- Melexis Actuators Business Unit
- Position / Current Sensors - Triaxis Hall
熱門搜索




