電路分享:一款無線氣體測試係統硬件電路設計
發布時間:2015-01-15 責任編輯:echolady
【導讀】本文主要講解的是基於TC35 GSM模塊的CO氣體監測儀的設計,它的主要功能就是應用SMS進行數據傳遞。文中對無線通訊模塊做出了細致了講解,並介紹了TCC35短消息收發模塊在 CO氣體監測儀中的應用。
CO氣體濃度監測儀是用來測量相關環境空氣中CO含量的便攜式智能儀器。目前,國內CO氣體監測儀與控製中心的數據通信最常見的 是通過CAN總線、RS485總線或RS232總線來完成。RS232總線的通訊距離 是12 m,最大可達15.4 m;RS485總線的通訊距離是1200 m。CAN總線的直接通訊距離最大可達10 km。但無論哪種方式都有距離的限製.而且最終決定了控製中心的固定性。隨著GSM移動通信網絡的迅速普及和競爭的日益激烈.GSM模塊作為一種主要的 GSM網絡接入設備.應用越來越廣泛,並已開發出多種前景樂觀的應用。
TC35型模塊是終端的主要功能部件,由GSM基帶處理器、電源專用集成電路、 射頻電路和閃速存儲器等部分組成,負責處理GSM蜂窩設備中的音頻、數據和信號,內嵌的軟件部分執行應用接口和所有GSM協議站的功能。基帶處理器包含蜂 窩無線部分的所有模,數轉換功能,為滿足GSM、PCS蜂窩用戶市場日益增長的要求.在不用外接電路的情況下就能支持FR、HR和EFR語音和信道編碼。 射頻部分基於SMARTi型電路.模塊內的天線電纜連接到GSC類型的 50Ω 連接器。
TC35模塊適合最小功率的GSM蜂窩設備.這種蜂窩設備的應用部分構成人機接口(MMI)。通過串口可接入 TC35。TC35通過40針ZIF連接蜂窩應用部分,ZIF連接器提供控製數據、音頻信號和電源線的應用接口。終端係統的工作電壓為5 VDC。由於TC35的突發耗電電流峰值可達3 A.故外加穩壓器件必須達到足以提供該額定電流的條件。在該終端中。采用LM2596型開關電源完成12V到5V的轉換.作為TC35 終端的電源。必須注意的是。由LM2596完成開關電源轉換需要大功率的電感器和電容器.以提高儲能能力.滿足TC35的耗電要求。

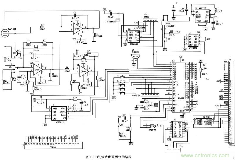
CO氣體監測儀係統的結構
具有GSM短消息收發功能的便攜式CO氣體濃度監測儀的結構如圖所示。筆者研製的監測儀主要用於公共場所及某些生產車間空氣中CO濃度的監測.采用電池作為供電電源.CO傳感器N1選用日本根本特殊化學株式會社生產的NAP一505型電化學式傳感器。傳感器輸出電流與CO氣體濃度成線性。 A1(OP90)可以保證工作電極和參考電極等電位。傳感器輸出OμA~70μA電流經Aa(OP90)轉換成0 V~0.7 V的電壓,以保證當CO濃度在0“10-3時A3的輸出為0 V~2.5V,以滿足MD轉換器U.IADS7822的輸入要求。OP90具有內部調零電路.允許儀器放大器提供真正的零輸入零輸 出操作。NAP一 505的溫度特性用常數B為3435K的NTC熱敏電阻器進行補償,溫度經過補償後。其輸出在一10℃-50℃範圍內能夠滿足精度要求。
相關閱讀:
電路速成:智能汽車控製係統電路設計
重磅推薦:黑白循跡小車的電路設計
智能家電的無線數據傳輸電路設計
特別推薦
- 噪聲中提取真值!瑞盟科技推出MSA2240電流檢測芯片賦能多元高端測量場景
- 10MHz高頻運行!氮矽科技發布集成驅動GaN芯片,助力電源能效再攀新高
- 失真度僅0.002%!力芯微推出超低內阻、超低失真4PST模擬開關
- 一“芯”雙電!聖邦微電子發布雙輸出電源芯片,簡化AFE與音頻設計
- 一機適配萬端:金升陽推出1200W可編程電源,賦能高端裝備製造
技術文章更多>>
- 一秒檢測,成本降至萬分之一,光引科技把幾十萬的台式光譜儀“搬”到了手腕上
- AI服務器電源機櫃Power Rack HVDC MW級測試方案
- 突破工藝邊界,奎芯科技LPDDR5X IP矽驗證通過,速率達9600Mbps
- 通過直接、準確、自動測量超低範圍的氯殘留來推動反滲透膜保護
- 從技術研發到規模量產:恩智浦第三代成像雷達平台,賦能下一代自動駕駛!
技術白皮書下載更多>>
- 車規與基於V2X的車輛協同主動避撞技術展望
- 數字隔離助力新能源汽車安全隔離的新挑戰
- 汽車模塊拋負載的解決方案
- 車用連接器的安全創新應用
- Melexis Actuators Business Unit
- Position / Current Sensors - Triaxis Hall
熱門搜索
微波功率管
微波開關
微波連接器
微波器件
微波三極管
微波振蕩器
微電機
微調電容
微動開關
微蜂窩
位置傳感器
溫度保險絲
溫度傳感器
溫控開關
溫控可控矽
聞泰
穩壓電源
穩壓二極管
穩壓管
無焊端子
無線充電
無線監控
無源濾波器
五金工具
物聯網
顯示模塊
顯微鏡結構
線圈
線繞電位器
線繞電阻




