電路速成:智能汽車控製係統電路設計
發布時間:2015-01-12 責任編輯:echolady
【導讀】智能汽車硬件係統的核心就是電路係統,硬件電路係統的穩定性是整個係統的性能指標。智能車屬於輪式移動機器人,集環境感知、路徑規劃、自動駕駛等多功能於一體。智能汽車的能動性、中心、電路板的緊湊型都是硬件電路必須要考慮的因素。
智能汽車技術將許多領域聯係在一起,如計算機科學、人工智能、圖像處理、模式識別和控製理論等。智能汽車與一般所說的自動駕駛有所不同,它更多指的是利用GPS 和智能公路技術實現的汽車自動駕駛。這種汽車不需要人去駕駛,因為它裝有相當於人的“眼睛”、“大腦”和“腳”的電視攝像機、電子計算機和自動操縱係統之類的裝置,這些置都裝有非常複雜的電腦程序,所以這種汽車能和人一樣會“思考”、“判斷”、“行走”,可以自動啟動、加速、刹車,可以自動繞過地麵障礙物在複雜多變的情況下,能隨機應變,自動選擇最佳方案,指揮汽車正常、順利地行駛。
電(dian)路(lu)係(xi)統(tong)是(shi)智(zhi)能(neng)汽(qi)車(che)硬(ying)件(jian)係(xi)統(tong)的(de)核(he)心(xin),對(dui)於(yu)本(ben)硬(ying)件(jian)電(dian)路(lu)係(xi)統(tong)而(er)言(yan),穩(wen)定(ding)性(xing)是(shi)需(xu)要(yao)優(you)先(xian)保(bao)證(zheng)的(de)性(xing)能(neng)指(zhi)標(biao),畢(bi)竟(jing)跑(pao)完(wan)全(quan)程(cheng)才(cai)是(shi)取(qu)得(de)成(cheng)績(ji)的(de)前(qian)提(ti)。在(zai)此(ci)基(ji)礎(chu)上(shang),還(hai)應(ying)當(dang)綜(zong)合(he)考(kao)慮(lv)智(zhi)能(neng)汽(qi)車(che)的(de)動(dong)力(li)性(xing)、重心及電路板的緊湊性等其他指標。
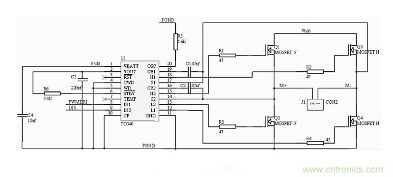
電機驅動模塊
電機驅動模塊為智能汽車的行駛提供動力,它的性能直接影響到後輪電機的控製性能,包括加速、減速與製動等性能。本文采用MOSFET 驅動芯片加全橋驅動方案,隻需合理的選擇MOSFET驅動芯片和功率MOSFET 以保證性能即可。電路圖如圖1所示。

圖1
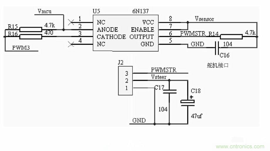
舵(duo)機(ji)負(fu)責(ze)智(zhi)能(neng)汽(qi)車(che)的(de)轉(zhuan)向(xiang),舵(duo)機(ji)模(mo)塊(kuai)能(neng)否(fou)穩(wen)定(ding)工(gong)作(zuo)直(zhi)接(jie)影(ying)響(xiang)到(dao)智(zhi)能(neng)汽(qi)車(che)在(zai)賽(sai)道(dao)上(shang)高(gao)速(su)行(xing)駛(shi)時(shi)的(de)穩(wen)定(ding)性(xing)以(yi)及(ji)轉(zhuan)向(xiang)時(shi)的(de)靈(ling)敏(min)度(du)和(he)精(jing)確(que)度(du)。舵(duo)機(ji)工(gong)作(zuo)原(yuan)理(li)為(wei):舵盤角位由單片機發出的PWM 控kong製zhi信xin號hao的de脈mai寬kuan決jue定ding,舵duo機ji內nei部bu電dian路lu通tong過guo反fan饋kui控kong製zhi調tiao節jie舵duo盤pan角jiao位wei。由you於yu自zi身shen即ji為wei角jiao度du閉bi環huan控kong製zhi,而er且qie性xing能neng較jiao好hao,故gu係xi統tong中zhong就jiu不bu必bi考kao慮lv外wai加jia舵duo機ji閉bi環huan。舵duo機ji驅qu動dong模mo塊kuai電dian路lu如ru圖tu2所示。舵機驅動模塊同樣屬於功率部分,用6N137光耦進行信號隔離。

圖2
相關閱讀:
“步步驚心”步進電機控製係統的設計步驟詳解
3大三相無刷直流電機控製和驅動係統方案對比
專家精講:計算體係結構的三種電機控製
特別推薦
- 噪聲中提取真值!瑞盟科技推出MSA2240電流檢測芯片賦能多元高端測量場景
- 10MHz高頻運行!氮矽科技發布集成驅動GaN芯片,助力電源能效再攀新高
- 失真度僅0.002%!力芯微推出超低內阻、超低失真4PST模擬開關
- 一“芯”雙電!聖邦微電子發布雙輸出電源芯片,簡化AFE與音頻設計
- 一機適配萬端:金升陽推出1200W可編程電源,賦能高端裝備製造
技術文章更多>>
- 築基AI4S:摩爾線程全功能GPU加速中國生命科學自主生態
- 一秒檢測,成本降至萬分之一,光引科技把幾十萬的台式光譜儀“搬”到了手腕上
- AI服務器電源機櫃Power Rack HVDC MW級測試方案
- 突破工藝邊界,奎芯科技LPDDR5X IP矽驗證通過,速率達9600Mbps
- 通過直接、準確、自動測量超低範圍的氯殘留來推動反滲透膜保護
技術白皮書下載更多>>
- 車規與基於V2X的車輛協同主動避撞技術展望
- 數字隔離助力新能源汽車安全隔離的新挑戰
- 汽車模塊拋負載的解決方案
- 車用連接器的安全創新應用
- Melexis Actuators Business Unit
- Position / Current Sensors - Triaxis Hall
熱門搜索




