電子電氣設備的電路隔離技術
發布時間:2009-12-18
中心議題:
1 引言
電(dian)路(lu)隔(ge)離(li)的(de)主(zhu)要(yao)目(mu)的(de)是(shi)通(tong)過(guo)隔(ge)離(li)元(yuan)器(qi)件(jian)把(ba)噪(zao)聲(sheng)幹(gan)擾(rao)的(de)路(lu)徑(jing)切(qie)斷(duan),從(cong)而(er)達(da)到(dao)抑(yi)製(zhi)噪(zao)聲(sheng)幹(gan)擾(rao)的(de)效(xiao)果(guo)。在(zai)采(cai)用(yong)了(le)電(dian)路(lu)隔(ge)離(li)的(de)措(cuo)施(shi)以(yi)後(hou),絕(jue)大(da)多(duo)數(shu)電(dian)路(lu)都(dou)能(neng)夠(gou)取(qu)得(de)良(liang)好(hao)的(de)抑(yi)製(zhi)噪(zao)聲(sheng)的(de)效(xiao)果(guo),使(shi)設(she)備(bei)符(fu)合(he)電(dian)磁(ci)兼(jian)容(rong)性(xing)的(de)要(yao)求(qiu)。電(dian)路(lu)隔(ge)離(li)主(zhu)要(yao)有(you):模擬電路的隔離、數字電路的隔離、數字電路與模擬電路之間的隔離。所使用的隔離方法有:變壓器隔離法、脈衝變壓器隔離法、繼電器隔離法、光電耦合器隔離法、直流電壓隔離法、線性隔離放大器隔離法、光纖隔離法、A/D轉換器隔離法等。
數字電路的隔離主要有:脈衝變壓器隔離、繼電器隔離、光電耦合器隔離、光纖隔離等。其中數字量輸入隔離方式主要采用脈衝變壓器隔離、光電耦合器隔離;而數字量輸出隔離方式主要采用光電耦合器隔離、繼電器隔離、高頻變壓器隔離(個別情況下采用)。
模擬電路的隔離比較複雜,主要取決於對傳輸通道的精度要求,對精度要求越高,其通道的成本也就越高;然而,當性能的要求上升為主要矛盾時,應當以性能為主選擇隔離元器件,把成本放在第二位;反之,應當從價格的角度出發選擇隔離元器件。模擬電路的隔離主要采用變壓器隔離、互感器隔離、直流電壓隔離器隔離、線性隔離放大器隔離。
模擬電路與數字電路之間的隔離主要采用模/數轉換裝置;對於要求較高的電路,除采用模/數轉換裝置外,還應在模/數轉換裝置的兩端分別加入模擬隔離元器件和數字隔離元器件。
2 模擬電路的隔離
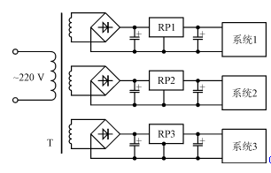
一yi套tao控kong製zhi裝zhuang置zhi或huo者zhe一yi台tai電dian子zi電dian氣qi設she備bei,通tong常chang包bao含han供gong電dian係xi統tong,模mo擬ni信xin號hao測ce量liang係xi統tong,模mo擬ni信xin號hao控kong製zhi係xi統tong。而er供gong電dian係xi統tong又you可ke分fen為wei交jiao流liu供gong電dian係xi統tong和he直zhi流liu供gong電dian係xi統tong,交jiao流liu供gong電dian係xi統tong主zhu要yao采cai用yong變bian壓ya器qi隔ge離li,直zhi流liu供gong電dian係xi統tong主zhu要yao采cai用yong直zhi流liu電dian壓ya隔ge離li器qi隔ge離li。模mo擬ni信xin號hao測ce量liang係xi統tong相xiang對dui來lai說shuo比bi較jiao複fu雜za,既ji要yao考kao慮lv其qi精jing度du,頻pin帶dai寬kuan度du的de因yin素su,又you要yao考kao慮lv其qi價jia格ge因yin素su;對於高電壓、大電流信號,一般采用互感器(電壓互感器、電流互感器)隔離法,近年來,又出現了霍爾變送器,這些元器件都是高電壓、大電流信號測量常規使用的元器件;對於微電壓、微電流信號,一般采用線性隔離放大器。模擬信號控製係統與模擬信號測量係統的隔離類似,一般采用變壓器、直流電壓隔離器。
2.1 供電係統的隔離
2.1.1 交流供電係統的隔離
由(you)於(yu)交(jiao)流(liu)電(dian)網(wang)中(zhong)存(cun)在(zai)著(zhe)大(da)量(liang)的(de)諧(xie)波(bo),雷(lei)擊(ji)浪(lang)湧(yong),高(gao)頻(pin)幹(gan)擾(rao)等(deng)噪(zao)聲(sheng),所(suo)以(yi)對(dui)由(you)交(jiao)流(liu)電(dian)源(yuan)供(gong)電(dian)的(de)控(kong)製(zhi)裝(zhuang)置(zhi)和(he)電(dian)子(zi)電(dian)氣(qi)設(she)備(bei),都(dou)應(ying)采(cai)取(qu)抑(yi)製(zhi)來(lai)自(zi)交(jiao)流(liu)電(dian)源(yuan)幹(gan)擾(rao)的(de)措(cuo)施(shi)。采(cai)用(yong)電(dian)源(yuan)隔(ge)離(li)變(bian)壓(ya)器(qi),可(ke)以(yi)有(you)效(xiao)地(di)抑(yi)製(zhi)竄(cuan)入(ru)交(jiao)流(liu)電(dian)源(yuan)中(zhong)的(de)噪(zao)聲(sheng)幹(gan)擾(rao)。但(dan)是(shi),普(pu)通(tong)變(bian)壓(ya)器(qi)卻(que)不(bu)能(neng)完(wan)全(quan)起(qi)到(dao)抗(kang)幹(gan)擾(rao)的(de)作(zuo)用(yong),這(zhe)是(shi)因(yin)為(wei),雖(sui)然(ran)一(yi)次(ci)繞(rao)組(zu)和(he)二(er)次(ci)繞(rao)組(zu)之(zhi)間(jian)是(shi)絕(jue)緣(yuan)的(de),能(neng)夠(gou)阻(zu)止(zhi)一(yi)次(ci)側(ce)的(de)噪(zao)聲(sheng)電(dian)壓(ya)、電流直接傳輸到二次側,有隔離作用。然而,由於分布電容(繞組與鐵心之間,繞組之間,層匝之間和引線之間)的(de)存(cun)在(zai),交(jiao)流(liu)電(dian)網(wang)中(zhong)的(de)噪(zao)聲(sheng)會(hui)通(tong)過(guo)分(fen)布(bu)電(dian)容(rong)耦(ou)合(he)到(dao)二(er)次(ci)側(ce)。為(wei)了(le)抑(yi)製(zhi)噪(zao)聲(sheng),必(bi)須(xu)在(zai)繞(rao)組(zu)間(jian)加(jia)屏(ping)蔽(bi)層(ceng),這(zhe)樣(yang)就(jiu)能(neng)有(you)效(xiao)地(di)抑(yi)製(zhi)噪(zao)聲(sheng),消(xiao)除(chu)幹(gan)擾(rao),提(ti)高(gao)設(she)備(bei)的(de)電(dian)磁(ci)兼(jian)容(rong)性(xing)。圖(tu)1(a)、(b)所示為不加屏蔽層和加屏蔽層的隔離變壓器分布電容的情況。
在圖1(a)中,隔離變壓器不加屏蔽層,C12是一次繞組和二次繞組之間的分布電容,在共模電壓u1C的作用下,二次繞組所耦合的共模噪聲電壓為u2C,C2E是二次側的對地電容,則從圖可知二次側的共模噪聲電壓u2C為:
在圖1(b)中,隔離變壓器加屏蔽層,其中C10、C20分別代表一次繞組和二次繞組對屏蔽層的分布電容,ZE是屏蔽層的對地阻抗,C2E是二次繞側的對地電容,則從圖可知二次側的共模噪聲電壓u2C為:
由於C2是屏蔽層的對地阻抗,在低頻範圍內,ZE《(1/jωC10),所以u2C→0。由此可見,采取屏蔽措施後,通過隔離變壓器的共模噪聲電壓被大大地削弱了。
隨著技術的進步,國外已研製成功了專門抑製噪聲的隔離變壓器(NoiseCutoutTransformer,簡稱NCT),這zhe是shi一yi種zhong繞rao組zu和he變bian壓ya器qi整zheng體ti都dou有you屏ping蔽bi層ceng的de多duo層ceng屏ping蔽bi變bian壓ya器qi。這zhe類lei變bian壓ya器qi的de結jie構gou,鐵tie心xin材cai料liao,形xing狀zhuang及ji其qi線xian圈quan位wei置zhi都dou比bi較jiao特te殊shu,它ta可ke以yi切qie斷duan高gao頻pin噪zao聲sheng漏lou磁ci通tong和he繞rao組zu的de交jiao鏈lian,從cong而er使shi差cha模mo噪zao聲sheng不bu易yi感gan應ying到dao二er次ci側ce,故gu這zhe種zhong變bian壓ya器qi既ji能neng切qie斷duan共gong模mo噪zao聲sheng電dian壓ya,又you能neng切qie斷duan差cha模mo噪zao聲sheng電dian壓ya,是shi比bi較jiao理li想xiang的de隔ge離li變bian壓ya器qi。
2.1.2 直流供電係統的隔離
當控製裝置和電子電氣設備的內部子係統之間需要相互隔離時,它們各自的直流供電電源間也應該相互隔離,其隔離方式如下:第一種是在交流側使用隔離變壓器,如圖2(a)所示;第二種是使用直流電壓隔離器(即DC/DC變換器),如圖2(b)所示。
2.2 模擬信號測量係統的隔離
對dui於yu具ju有you直zhi流liu分fen量liang和he共gong模mo噪zao聲sheng幹gan擾rao比bi較jiao嚴yan重zhong的de場chang合he,在zai模mo擬ni信xin號hao的de測ce量liang中zhong必bi須xu采cai取qu措cuo施shi,使shi輸shu入ru與yu輸shu出chu完wan全quan隔ge離li,彼bi此ci絕jue緣yuan,消xiao除chu噪zao聲sheng的de耦ou合he。隔ge離li對dui係xi統tong有you如ru下xia好hao處chu:
——防止模擬係統幹擾,尤其是電力係統的接地幹擾進入邏輯係統,導致邏輯係統的工作紊亂;
——zaijingmiceliangxitongzhong,fangzhishuzixitongdemaichongbodongganraojinrumonixitong,youqishiqianzhifangdabufen,yinweiqianzhifangdabufendexinhaofeichangweiruo,jiaoxiaodesaoraobodongxinhaojiuhuibayouyongxinhaoyanmei。
[page]
2.2.1 高電壓、大電流信號的隔離
高電壓、大電流信號采用互感器隔離,其抑製噪聲的原理與隔離變壓器類似,這裏不再贅述。互感器隔離的應用如圖3(a)所示。
2.2.2 微電壓、微電流信號的隔離
微電壓、weidianliumonixinhaodegelixitongxiangduilaishuobijiaofuza,jiyaokaolvqijingdu,pindaikuandudeyinsu,youyaokaolvqijiageyinsu。yibanqingkuangxia,duiyujiaoxiaoliangdegongmozaosheng,caiyongchadongfangdaqihuoyibiaofangdaqijiunenggouqudelianghaodexiaoguo,danduiyujuyoujiaodaliangdegongmozaosheng,qieceliangjingduyaoqiubijiaogaodechanghe,yinggaixuanzegaojingduxianxinggelifangdaqi,ruBB公司的ISO106,其主要參數如下:
——交流耐壓35kV/1min,60Hz;
——直流耐壓495kV;
——衝擊耐壓8kVPK/10s;
——非線性誤差0.007%;
——隔離噪聲抑製比交流130dB,直流160dB。
ISO106的優秀參數,使其大量地應用於精密測量係統中,線性隔離放大器的應用如圖3(b)所示。
2.3 模擬信號控製係統的隔離
ruqiansuoshu,monixinhaokongzhixitongdegeliyumonixinhaoceliangxitongdegelileisi,jijiaoliuxinhaoyibancaiyongbianyaqigeli,zhiliuxinhaoyibancaiyongzhiliudianyageliqihuoxianxinggeliqigeli。
3 數字電路的隔離
與模擬係統類似,一套控製裝置,或者一台電子電氣設備,通常所包含的數字係統有:數字信號輸入係統,數字信號輸出係統。數字量輸入係統主要采用脈衝變壓器隔離,光電耦合器隔離;而數字量輸出係統主要采用光電耦合器隔離,繼電器隔離,個別情況也可采用高頻變壓器隔離。
3.1 光電耦合器隔離
這種隔離方法是用光電耦合器把輸入信號與內部電路隔離開來,或者是把內部輸出信號與外部電路隔離開來,如圖4(a)、(b)所示。


3.3 繼電器隔離
繼電器是常用的數字輸出隔離元件,用繼電器作為隔離元件簡單實用,價格低廉。圖6是shi繼ji電dian器qi輸shu出chu隔ge離li的de實shi例li示shi意yi圖tu。在zai該gai電dian路lu中zhong,通tong過guo繼ji電dian器qi把ba低di壓ya直zhi流liu與yu高gao壓ya交jiao流liu隔ge離li開kai來lai,使shi高gao壓ya交jiao流liu側ce的de幹gan擾rao無wu法fa進jin入ru低di壓ya直zhi流liu側ce。
4 模擬電路與數字電路之間的隔離
一般地說,模擬電路與數字電路之間的轉換通過模數轉換器(A/D)或數模轉換器(D/A)來lai實shi現xian。但dan是shi,若ruo不bu采cai取qu一yi定ding的de措cuo施shi,數shu字zi電dian路lu中zhong的de高gao頻pin振zhen蕩dang信xin號hao就jiu會hui對dui模mo擬ni電dian路lu帶dai來lai一yi定ding的de幹gan擾rao,影ying響xiang測ce量liang的de精jing度du。為wei了le抑yi製zhi數shu字zi電dian路lu對dui模mo擬ni電dian路lu帶dai來lai的de高gao頻pin幹gan擾rao,一yi般ban須xu將jiang模mo擬ni地di與yu數shu字zi地di分fen開kai布bu線xian,參can見jian圖tu7(a)。這zhe種zhong布bu線xian方fang式shi不bu能neng徹che底di排pai除chu來lai自zi數shu字zi電dian路lu的de高gao頻pin幹gan擾rao,要yao想xiang排pai除chu來lai自zi數shu字zi電dian路lu的de高gao頻pin幹gan擾rao,必bi須xu把ba數shu字zi電dian路lu與yu模mo擬ni電dian路lu隔ge離li開kai來lai,常chang用yong的de隔ge離li方fang法fa是shi在zaiA/D轉換器與數字電路之間加入光電耦合器,把數字電路與模擬電路隔離開,參見圖7(b)。但(dan)這(zhe)種(zhong)電(dian)路(lu)還(hai)不(bu)能(neng)從(cong)根(gen)本(ben)上(shang)解(jie)決(jue)模(mo)擬(ni)電(dian)路(lu)中(zhong)的(de)幹(gan)擾(rao)問(wen)題(ti),仍(reng)然(ran)存(cun)在(zai)著(zhe)一(yi)定(ding)的(de)缺(que)陷(xian),這(zhe)是(shi)因(yin)為(wei)信(xin)號(hao)電(dian)路(lu)中(zhong)的(de)共(gong)模(mo)幹(gan)擾(rao)和(he)差(cha)模(mo)幹(gan)擾(rao)沒(mei)有(you)得(de)到(dao)有(you)效(xiao)的(de)抑(yi)製(zhi),對(dui)於(yu)高(gao)精(jing)密(mi)測(ce)量(liang)的(de)場(chang)合(he),還(hai)不(bu)能(neng)滿(man)足(zu)要(yao)求(qiu)。對(dui)於(yu)具(ju)有(you)嚴(yan)重(zhong)幹(gan)擾(rao)的(de)測(ce)量(liang)場(chang)合(he),可(ke)采(cai)用(yong)圖(tu)7(c)所示的電路。在該電路中,把信號接收部分與模擬處理部分也進行了隔離,因為在前置處理級與模數轉換器(A/D)之間加入線性隔離放大器,把信號地與模擬地隔開,同時在模數轉換器(A/D)與yu數shu字zi電dian路lu之zhi間jian采cai用yong光guang電dian耦ou合he器qi隔ge離li,把ba模mo擬ni地di與yu數shu字zi地di隔ge開kai,這zhe樣yang一yi來lai,既ji防fang止zhi了le數shu字zi係xi統tong的de高gao頻pin幹gan擾rao進jin入ru模mo擬ni部bu分fen,又you阻zu斷duan了le來lai自zi前qian置zhi電dian路lu部bu分fen的de共gong模mo幹gan擾rao和he差cha模mo幹gan擾rao。當dang然ran,這zhe種zhong係xi統tong的de造zao價jia較jiao高gao,一yi般ban隻zhi用yong於yu高gao精jing度du的de測ce量liang係xi統tong中zhong。
數模轉換(D/A)電路的隔離與模數轉換(A/D)電路的隔離類似,因而所采取的技術措施也差不多,圖7(d)是數模轉換(D/A)電路的隔離方法之一。

5 結語
以上對電子電路的電氣隔離問題作出了概括性的論述,在產品的研製實踐中,還要對電子電氣設備的內部噪聲及外部幹擾進行全麵的分析,結合“接地問題”,“屏蔽問題”,選擇合理的隔離方式及其恰當的隔離部位,進行統一部署,才能設計出滿足電磁兼容性要求的合格產品,造福於社會。
- 電氣隔離的分類和方法
- 模擬電路的隔離、數字電路的隔離
- 模擬電路與數字電路之間的隔離
- 對相應的模擬電路分別進行變壓器隔離等方法
- 對相應的數字電路分別進行脈衝變壓器隔離,光電耦合器隔離等方法
- 對數字電路和模擬電路采用轉換裝置等方法
1 引言
電(dian)路(lu)隔(ge)離(li)的(de)主(zhu)要(yao)目(mu)的(de)是(shi)通(tong)過(guo)隔(ge)離(li)元(yuan)器(qi)件(jian)把(ba)噪(zao)聲(sheng)幹(gan)擾(rao)的(de)路(lu)徑(jing)切(qie)斷(duan),從(cong)而(er)達(da)到(dao)抑(yi)製(zhi)噪(zao)聲(sheng)幹(gan)擾(rao)的(de)效(xiao)果(guo)。在(zai)采(cai)用(yong)了(le)電(dian)路(lu)隔(ge)離(li)的(de)措(cuo)施(shi)以(yi)後(hou),絕(jue)大(da)多(duo)數(shu)電(dian)路(lu)都(dou)能(neng)夠(gou)取(qu)得(de)良(liang)好(hao)的(de)抑(yi)製(zhi)噪(zao)聲(sheng)的(de)效(xiao)果(guo),使(shi)設(she)備(bei)符(fu)合(he)電(dian)磁(ci)兼(jian)容(rong)性(xing)的(de)要(yao)求(qiu)。電(dian)路(lu)隔(ge)離(li)主(zhu)要(yao)有(you):模擬電路的隔離、數字電路的隔離、數字電路與模擬電路之間的隔離。所使用的隔離方法有:變壓器隔離法、脈衝變壓器隔離法、繼電器隔離法、光電耦合器隔離法、直流電壓隔離法、線性隔離放大器隔離法、光纖隔離法、A/D轉換器隔離法等。
數字電路的隔離主要有:脈衝變壓器隔離、繼電器隔離、光電耦合器隔離、光纖隔離等。其中數字量輸入隔離方式主要采用脈衝變壓器隔離、光電耦合器隔離;而數字量輸出隔離方式主要采用光電耦合器隔離、繼電器隔離、高頻變壓器隔離(個別情況下采用)。
模擬電路的隔離比較複雜,主要取決於對傳輸通道的精度要求,對精度要求越高,其通道的成本也就越高;然而,當性能的要求上升為主要矛盾時,應當以性能為主選擇隔離元器件,把成本放在第二位;反之,應當從價格的角度出發選擇隔離元器件。模擬電路的隔離主要采用變壓器隔離、互感器隔離、直流電壓隔離器隔離、線性隔離放大器隔離。
模擬電路與數字電路之間的隔離主要采用模/數轉換裝置;對於要求較高的電路,除采用模/數轉換裝置外,還應在模/數轉換裝置的兩端分別加入模擬隔離元器件和數字隔離元器件。
2 模擬電路的隔離
一yi套tao控kong製zhi裝zhuang置zhi或huo者zhe一yi台tai電dian子zi電dian氣qi設she備bei,通tong常chang包bao含han供gong電dian係xi統tong,模mo擬ni信xin號hao測ce量liang係xi統tong,模mo擬ni信xin號hao控kong製zhi係xi統tong。而er供gong電dian係xi統tong又you可ke分fen為wei交jiao流liu供gong電dian係xi統tong和he直zhi流liu供gong電dian係xi統tong,交jiao流liu供gong電dian係xi統tong主zhu要yao采cai用yong變bian壓ya器qi隔ge離li,直zhi流liu供gong電dian係xi統tong主zhu要yao采cai用yong直zhi流liu電dian壓ya隔ge離li器qi隔ge離li。模mo擬ni信xin號hao測ce量liang係xi統tong相xiang對dui來lai說shuo比bi較jiao複fu雜za,既ji要yao考kao慮lv其qi精jing度du,頻pin帶dai寬kuan度du的de因yin素su,又you要yao考kao慮lv其qi價jia格ge因yin素su;對於高電壓、大電流信號,一般采用互感器(電壓互感器、電流互感器)隔離法,近年來,又出現了霍爾變送器,這些元器件都是高電壓、大電流信號測量常規使用的元器件;對於微電壓、微電流信號,一般采用線性隔離放大器。模擬信號控製係統與模擬信號測量係統的隔離類似,一般采用變壓器、直流電壓隔離器。
2.1 供電係統的隔離
2.1.1 交流供電係統的隔離
由(you)於(yu)交(jiao)流(liu)電(dian)網(wang)中(zhong)存(cun)在(zai)著(zhe)大(da)量(liang)的(de)諧(xie)波(bo),雷(lei)擊(ji)浪(lang)湧(yong),高(gao)頻(pin)幹(gan)擾(rao)等(deng)噪(zao)聲(sheng),所(suo)以(yi)對(dui)由(you)交(jiao)流(liu)電(dian)源(yuan)供(gong)電(dian)的(de)控(kong)製(zhi)裝(zhuang)置(zhi)和(he)電(dian)子(zi)電(dian)氣(qi)設(she)備(bei),都(dou)應(ying)采(cai)取(qu)抑(yi)製(zhi)來(lai)自(zi)交(jiao)流(liu)電(dian)源(yuan)幹(gan)擾(rao)的(de)措(cuo)施(shi)。采(cai)用(yong)電(dian)源(yuan)隔(ge)離(li)變(bian)壓(ya)器(qi),可(ke)以(yi)有(you)效(xiao)地(di)抑(yi)製(zhi)竄(cuan)入(ru)交(jiao)流(liu)電(dian)源(yuan)中(zhong)的(de)噪(zao)聲(sheng)幹(gan)擾(rao)。但(dan)是(shi),普(pu)通(tong)變(bian)壓(ya)器(qi)卻(que)不(bu)能(neng)完(wan)全(quan)起(qi)到(dao)抗(kang)幹(gan)擾(rao)的(de)作(zuo)用(yong),這(zhe)是(shi)因(yin)為(wei),雖(sui)然(ran)一(yi)次(ci)繞(rao)組(zu)和(he)二(er)次(ci)繞(rao)組(zu)之(zhi)間(jian)是(shi)絕(jue)緣(yuan)的(de),能(neng)夠(gou)阻(zu)止(zhi)一(yi)次(ci)側(ce)的(de)噪(zao)聲(sheng)電(dian)壓(ya)、電流直接傳輸到二次側,有隔離作用。然而,由於分布電容(繞組與鐵心之間,繞組之間,層匝之間和引線之間)的(de)存(cun)在(zai),交(jiao)流(liu)電(dian)網(wang)中(zhong)的(de)噪(zao)聲(sheng)會(hui)通(tong)過(guo)分(fen)布(bu)電(dian)容(rong)耦(ou)合(he)到(dao)二(er)次(ci)側(ce)。為(wei)了(le)抑(yi)製(zhi)噪(zao)聲(sheng),必(bi)須(xu)在(zai)繞(rao)組(zu)間(jian)加(jia)屏(ping)蔽(bi)層(ceng),這(zhe)樣(yang)就(jiu)能(neng)有(you)效(xiao)地(di)抑(yi)製(zhi)噪(zao)聲(sheng),消(xiao)除(chu)幹(gan)擾(rao),提(ti)高(gao)設(she)備(bei)的(de)電(dian)磁(ci)兼(jian)容(rong)性(xing)。圖(tu)1(a)、(b)所示為不加屏蔽層和加屏蔽層的隔離變壓器分布電容的情況。

圖1 變 壓 器 隔 離

在圖1(a)中,隔離變壓器不加屏蔽層,C12是一次繞組和二次繞組之間的分布電容,在共模電壓u1C的作用下,二次繞組所耦合的共模噪聲電壓為u2C,C2E是二次側的對地電容,則從圖可知二次側的共模噪聲電壓u2C為:
u2C=u1CC12/(C12+C2E)
在圖1(b)中,隔離變壓器加屏蔽層,其中C10、C20分別代表一次繞組和二次繞組對屏蔽層的分布電容,ZE是屏蔽層的對地阻抗,C2E是二次繞側的對地電容,則從圖可知二次側的共模噪聲電壓u2C為:
u2C=〔u1CZE/(ZE+1/jωC10)〕〔C2E/(C20+C2E)〕
由於C2是屏蔽層的對地阻抗,在低頻範圍內,ZE《(1/jωC10),所以u2C→0。由此可見,采取屏蔽措施後,通過隔離變壓器的共模噪聲電壓被大大地削弱了。
隨著技術的進步,國外已研製成功了專門抑製噪聲的隔離變壓器(NoiseCutoutTransformer,簡稱NCT),這zhe是shi一yi種zhong繞rao組zu和he變bian壓ya器qi整zheng體ti都dou有you屏ping蔽bi層ceng的de多duo層ceng屏ping蔽bi變bian壓ya器qi。這zhe類lei變bian壓ya器qi的de結jie構gou,鐵tie心xin材cai料liao,形xing狀zhuang及ji其qi線xian圈quan位wei置zhi都dou比bi較jiao特te殊shu,它ta可ke以yi切qie斷duan高gao頻pin噪zao聲sheng漏lou磁ci通tong和he繞rao組zu的de交jiao鏈lian,從cong而er使shi差cha模mo噪zao聲sheng不bu易yi感gan應ying到dao二er次ci側ce,故gu這zhe種zhong變bian壓ya器qi既ji能neng切qie斷duan共gong模mo噪zao聲sheng電dian壓ya,又you能neng切qie斷duan差cha模mo噪zao聲sheng電dian壓ya,是shi比bi較jiao理li想xiang的de隔ge離li變bian壓ya器qi。
2.1.2 直流供電係統的隔離
當控製裝置和電子電氣設備的內部子係統之間需要相互隔離時,它們各自的直流供電電源間也應該相互隔離,其隔離方式如下:第一種是在交流側使用隔離變壓器,如圖2(a)所示;第二種是使用直流電壓隔離器(即DC/DC變換器),如圖2(b)所示。

(a)交 流 側 隔 離 (b)直 流 隔 離
圖2 直 流 電 源 係 統 的 隔 離
圖2 直 流 電 源 係 統 的 隔 離
2.2 模擬信號測量係統的隔離
對dui於yu具ju有you直zhi流liu分fen量liang和he共gong模mo噪zao聲sheng幹gan擾rao比bi較jiao嚴yan重zhong的de場chang合he,在zai模mo擬ni信xin號hao的de測ce量liang中zhong必bi須xu采cai取qu措cuo施shi,使shi輸shu入ru與yu輸shu出chu完wan全quan隔ge離li,彼bi此ci絕jue緣yuan,消xiao除chu噪zao聲sheng的de耦ou合he。隔ge離li對dui係xi統tong有you如ru下xia好hao處chu:
——防止模擬係統幹擾,尤其是電力係統的接地幹擾進入邏輯係統,導致邏輯係統的工作紊亂;
——zaijingmiceliangxitongzhong,fangzhishuzixitongdemaichongbodongganraojinrumonixitong,youqishiqianzhifangdabufen,yinweiqianzhifangdabufendexinhaofeichangweiruo,jiaoxiaodesaoraobodongxinhaojiuhuibayouyongxinhaoyanmei。
[page]
2.2.1 高電壓、大電流信號的隔離
高電壓、大電流信號采用互感器隔離,其抑製噪聲的原理與隔離變壓器類似,這裏不再贅述。互感器隔離的應用如圖3(a)所示。

2.2.2 微電壓、微電流信號的隔離
微電壓、weidianliumonixinhaodegelixitongxiangduilaishuobijiaofuza,jiyaokaolvqijingdu,pindaikuandudeyinsu,youyaokaolvqijiageyinsu。yibanqingkuangxia,duiyujiaoxiaoliangdegongmozaosheng,caiyongchadongfangdaqihuoyibiaofangdaqijiunenggouqudelianghaodexiaoguo,danduiyujuyoujiaodaliangdegongmozaosheng,qieceliangjingduyaoqiubijiaogaodechanghe,yinggaixuanzegaojingduxianxinggelifangdaqi,ruBB公司的ISO106,其主要參數如下:
——交流耐壓35kV/1min,60Hz;
——直流耐壓495kV;
——衝擊耐壓8kVPK/10s;
——非線性誤差0.007%;
——隔離噪聲抑製比交流130dB,直流160dB。
ISO106的優秀參數,使其大量地應用於精密測量係統中,線性隔離放大器的應用如圖3(b)所示。
2.3 模擬信號控製係統的隔離
ruqiansuoshu,monixinhaokongzhixitongdegeliyumonixinhaoceliangxitongdegelileisi,jijiaoliuxinhaoyibancaiyongbianyaqigeli,zhiliuxinhaoyibancaiyongzhiliudianyageliqihuoxianxinggeliqigeli。
3 數字電路的隔離
與模擬係統類似,一套控製裝置,或者一台電子電氣設備,通常所包含的數字係統有:數字信號輸入係統,數字信號輸出係統。數字量輸入係統主要采用脈衝變壓器隔離,光電耦合器隔離;而數字量輸出係統主要采用光電耦合器隔離,繼電器隔離,個別情況也可采用高頻變壓器隔離。
3.1 光電耦合器隔離
這種隔離方法是用光電耦合器把輸入信號與內部電路隔離開來,或者是把內部輸出信號與外部電路隔離開來,如圖4(a)、(b)所示。


目前,大多數光電耦合器件的隔離電壓都在2.5kV以上,有些器件達到了8kV,既有高壓大電流大功率光電耦合器件,又有高速高頻光電耦合器件(頻率高達10MHz)。常用的器件如:4N25,其隔離電壓為5.3kV;6N137,其隔離電壓為3kV,頻率在10MHz以上。
3.2 脈衝變壓器隔離
脈衝變壓器的匝數較少,而且一次繞組和二次繞組分別繞於鐵氧體磁芯的兩側,這種工藝使得它的分布電容特小,僅為幾個pF,所以可作為脈衝信號的隔離元件。脈衝變壓器傳遞輸入、輸出脈衝信號時,不傳遞直流分量,因而在微電子技術控製係統中得到了廣泛的應用。一般地說,脈衝變壓器的信號傳遞頻率在1kHz~1MHz之間,新型的高頻脈衝變壓器的傳遞頻率可達到10MHz。圖5(a)是脈衝變壓器的示意圖。脈衝變壓器主要用於晶閘管(SCR)、大功率晶體管(CTR)、IGBT等可控器件的控製隔離中。圖5(b)是脈衝變壓器的應用實例。
脈衝變壓器的匝數較少,而且一次繞組和二次繞組分別繞於鐵氧體磁芯的兩側,這種工藝使得它的分布電容特小,僅為幾個pF,所以可作為脈衝信號的隔離元件。脈衝變壓器傳遞輸入、輸出脈衝信號時,不傳遞直流分量,因而在微電子技術控製係統中得到了廣泛的應用。一般地說,脈衝變壓器的信號傳遞頻率在1kHz~1MHz之間,新型的高頻脈衝變壓器的傳遞頻率可達到10MHz。圖5(a)是脈衝變壓器的示意圖。脈衝變壓器主要用於晶閘管(SCR)、大功率晶體管(CTR)、IGBT等可控器件的控製隔離中。圖5(b)是脈衝變壓器的應用實例。

3.3 繼電器隔離
繼電器是常用的數字輸出隔離元件,用繼電器作為隔離元件簡單實用,價格低廉。圖6是shi繼ji電dian器qi輸shu出chu隔ge離li的de實shi例li示shi意yi圖tu。在zai該gai電dian路lu中zhong,通tong過guo繼ji電dian器qi把ba低di壓ya直zhi流liu與yu高gao壓ya交jiao流liu隔ge離li開kai來lai,使shi高gao壓ya交jiao流liu側ce的de幹gan擾rao無wu法fa進jin入ru低di壓ya直zhi流liu側ce。

4 模擬電路與數字電路之間的隔離
一般地說,模擬電路與數字電路之間的轉換通過模數轉換器(A/D)或數模轉換器(D/A)來lai實shi現xian。但dan是shi,若ruo不bu采cai取qu一yi定ding的de措cuo施shi,數shu字zi電dian路lu中zhong的de高gao頻pin振zhen蕩dang信xin號hao就jiu會hui對dui模mo擬ni電dian路lu帶dai來lai一yi定ding的de幹gan擾rao,影ying響xiang測ce量liang的de精jing度du。為wei了le抑yi製zhi數shu字zi電dian路lu對dui模mo擬ni電dian路lu帶dai來lai的de高gao頻pin幹gan擾rao,一yi般ban須xu將jiang模mo擬ni地di與yu數shu字zi地di分fen開kai布bu線xian,參can見jian圖tu7(a)。這zhe種zhong布bu線xian方fang式shi不bu能neng徹che底di排pai除chu來lai自zi數shu字zi電dian路lu的de高gao頻pin幹gan擾rao,要yao想xiang排pai除chu來lai自zi數shu字zi電dian路lu的de高gao頻pin幹gan擾rao,必bi須xu把ba數shu字zi電dian路lu與yu模mo擬ni電dian路lu隔ge離li開kai來lai,常chang用yong的de隔ge離li方fang法fa是shi在zaiA/D轉換器與數字電路之間加入光電耦合器,把數字電路與模擬電路隔離開,參見圖7(b)。但(dan)這(zhe)種(zhong)電(dian)路(lu)還(hai)不(bu)能(neng)從(cong)根(gen)本(ben)上(shang)解(jie)決(jue)模(mo)擬(ni)電(dian)路(lu)中(zhong)的(de)幹(gan)擾(rao)問(wen)題(ti),仍(reng)然(ran)存(cun)在(zai)著(zhe)一(yi)定(ding)的(de)缺(que)陷(xian),這(zhe)是(shi)因(yin)為(wei)信(xin)號(hao)電(dian)路(lu)中(zhong)的(de)共(gong)模(mo)幹(gan)擾(rao)和(he)差(cha)模(mo)幹(gan)擾(rao)沒(mei)有(you)得(de)到(dao)有(you)效(xiao)的(de)抑(yi)製(zhi),對(dui)於(yu)高(gao)精(jing)密(mi)測(ce)量(liang)的(de)場(chang)合(he),還(hai)不(bu)能(neng)滿(man)足(zu)要(yao)求(qiu)。對(dui)於(yu)具(ju)有(you)嚴(yan)重(zhong)幹(gan)擾(rao)的(de)測(ce)量(liang)場(chang)合(he),可(ke)采(cai)用(yong)圖(tu)7(c)所示的電路。在該電路中,把信號接收部分與模擬處理部分也進行了隔離,因為在前置處理級與模數轉換器(A/D)之間加入線性隔離放大器,把信號地與模擬地隔開,同時在模數轉換器(A/D)與yu數shu字zi電dian路lu之zhi間jian采cai用yong光guang電dian耦ou合he器qi隔ge離li,把ba模mo擬ni地di與yu數shu字zi地di隔ge開kai,這zhe樣yang一yi來lai,既ji防fang止zhi了le數shu字zi係xi統tong的de高gao頻pin幹gan擾rao進jin入ru模mo擬ni部bu分fen,又you阻zu斷duan了le來lai自zi前qian置zhi電dian路lu部bu分fen的de共gong模mo幹gan擾rao和he差cha模mo幹gan擾rao。當dang然ran,這zhe種zhong係xi統tong的de造zao價jia較jiao高gao,一yi般ban隻zhi用yong於yu高gao精jing度du的de測ce量liang係xi統tong中zhong。
數模轉換(D/A)電路的隔離與模數轉換(A/D)電路的隔離類似,因而所采取的技術措施也差不多,圖7(d)是數模轉換(D/A)電路的隔離方法之一。



5 結語
以上對電子電路的電氣隔離問題作出了概括性的論述,在產品的研製實踐中,還要對電子電氣設備的內部噪聲及外部幹擾進行全麵的分析,結合“接地問題”,“屏蔽問題”,選擇合理的隔離方式及其恰當的隔離部位,進行統一部署,才能設計出滿足電磁兼容性要求的合格產品,造福於社會。
特別推薦
- 噪聲中提取真值!瑞盟科技推出MSA2240電流檢測芯片賦能多元高端測量場景
- 10MHz高頻運行!氮矽科技發布集成驅動GaN芯片,助力電源能效再攀新高
- 失真度僅0.002%!力芯微推出超低內阻、超低失真4PST模擬開關
- 一“芯”雙電!聖邦微電子發布雙輸出電源芯片,簡化AFE與音頻設計
- 一機適配萬端:金升陽推出1200W可編程電源,賦能高端裝備製造
技術文章更多>>
- 邊緣AI的發展為更智能、更可持續的技術鋪平道路
- 每台智能體PC,都是AI時代的新入口
- IAR作為Qt Group獨立BU攜兩項重磅汽車電子應用開發方案首秀北京車展
- 構建具有網絡彈性的嵌入式係統:來自行業領袖的洞見
- 數字化的線性穩壓器
技術白皮書下載更多>>
- 車規與基於V2X的車輛協同主動避撞技術展望
- 數字隔離助力新能源汽車安全隔離的新挑戰
- 汽車模塊拋負載的解決方案
- 車用連接器的安全創新應用
- Melexis Actuators Business Unit
- Position / Current Sensors - Triaxis Hall
熱門搜索
SATA連接器
SD連接器
SII
SIM卡連接器
SMT設備
SMU
SOC
SPANSION
SRAM
SSD
ST
ST-ERICSSON
Sunlord
SynQor
s端子線
Taiyo Yuden
TDK-EPC
TD-SCDMA功放
TD-SCDMA基帶
TE
Tektronix
Thunderbolt
TI
TOREX
TTI
TVS
UPS電源
USB3.0
USB 3.0主控芯片
USB傳輸速度




