基於EPLD技術的抗幹擾濾波器
發布時間:2011-03-07
中心議題:
在zai同tong步bu串chuan行xing數shu據ju傳chuan輸shu過guo程cheng中zhong,時shi鍾zhong線xian上shang隻zhi要yao有you一yi點dian小xiao毛mao刺ci就jiu會hui導dao致zhi數shu據ju傳chuan輸shu失shi誤wu,從cong而er影ying響xiang係xi統tong的de正zheng常chang工gong作zuo。傳chuan統tong的de處chu理li方fang法fa是shi在zai接jie收shou端duan並bing入ru一yi小xiao電dian容rong來lai濾lv除chu毛mao刺ci,這zhe種zhong方fang法fa隻zhi能neng去qu除chu某mou一yi固gu定ding頻pin率lv下xia的de幹gan擾rao,而er在zai實shi際ji工gong作zuo中zhong,幹gan擾rao有you可ke能neng由you多duo種zhong幹gan擾rao源yuan混hun合he產chan生sheng,其qi頻pin率lv可ke能neng是shi變bian化hua的de。另ling外wai,若ruo同tong步bu串chuan行xing傳chuan輸shu有you多duo個ge接jie收shou端duan,則ze需xu要yao在zai每mei個ge接jie收shou線xian上shang都dou並bing上shang一yi電dian容rong,這zhe樣yang,多duo個ge電dian容rong並bing聯lian在zai同tong一yi信xin號hao線xian上shang,勢shi必bi導dao致zhi所suo需xu的de信xin號hao失shi真zhen。隨sui著zhe現xian代dai電dian子zi技ji術shu的de發fa展zhan,EPLD以其編程靈活方便而日益成為現代電子設計的重要手段之一。
本文介紹了一種基於EPLD的(de)數(shu)字(zi)濾(lv)波(bo)器(qi),它(ta)可(ke)以(yi)抑(yi)製(zhi)某(mou)些(xie)低(di)頻(pin)線(xian)路(lu)上(shang)的(de)幹(gan)擾(rao),利(li)用(yong)此(ci)濾(lv)波(bo)器(qi)可(ke)以(yi)阻(zu)止(zhi)某(mou)些(xie)頻(pin)帶(dai)的(de)幹(gan)擾(rao)信(xin)號(hao)通(tong)過(guo),從(cong)而(er)起(qi)到(dao)硬(ying)件(jian)抗(kang)幹(gan)擾(rao)的(de)作(zuo)用(yong)。由(you)於(yu)采(cai)用(yong)了(le)EPLD技術,硬件編程方便、靈活,針對不同的幹擾源的特性,可采取相應的措施來解決。
解決方案
串行傳輸線在實際傳輸過程中容易竄入幹擾,其形式一般為小毛刺或窄脈衝形式,可利用它與主信號的不同特性加以濾除。
1 基本工作原理
消除幹擾信號需兩路輸入信號:主信號和參考時鍾信號。參考時鍾信號經過分頻、tiaozhengmaikuandengchuli,yicishizhuxinhaoyuanchanshengsuoxudeyanshi,zaiyuqibenshenxinhaoxiangbi,congerlvquzhuxinhaoyuanshangdeyixiezhaiboganraoxinhao。lvboqideyuanliturutu1所示。器件可采用LATTICE公司的ispLSI1032E,參考時鍾信號可采用8M晶振。

2 具體電路設計
編程軟件為LATTICE公司的ispEXPERTSystem,它是一套完整的數字係統設計軟件,設計輸入可采用原理圖輸入、硬件描述語言輸入、混合輸入等方式,並可對所設計的數字電路係統進行功能仿真和時序仿真。
2.1 分頻電路
分頻電路可根據各具體幹擾源的脈衝寬度來確定。具體電路如圖2所示,CLK為8M晶振信號,經整形後作為DQ觸發器的觸發信號,OUT1輸出二分頻後的4M方波信號,同時作為下一級觸發器的時鍾信號OUT2輸出四分頻後的2M方波信號,FW1輸出頻率為4M、脈寬為125ns的脈衝信號,FW2輸出頻率為2M、脈寬為250ns的脈衝信號,具體波形如圖3所示。由此類推,繼續級連DQ觸發器即可輸出八分頻、十六分頻信號,脈寬也可視具體情況而作相應的改變,電路類似FW1、FW2的產生電路。
由圖2,在ispEXPERT中經仿真得出如圖3所示的波形。

[page]
2.2 延時電路
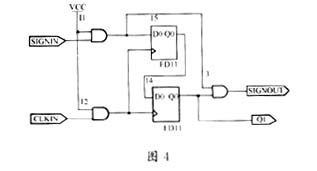
根(gen)據(ju)幹(gan)擾(rao)源(yuan)的(de)情(qing)況(kuang),以(yi)前(qian)麵(mian)所(suo)述(shu)信(xin)號(hao)作(zuo)為(wei)觸(chu)發(fa)時(shi)鍾(zhong),未(wei)經(jing)處(chu)理(li)的(de)信(xin)號(hao)源(yuan)經(jing)觸(chu)發(fa)產(chan)生(sheng)延(yan)時(shi),再(zai)與(yu)其(qi)本(ben)身(shen)相(xiang)比(bi),這(zhe)樣(yang),一(yi)些(xie)幹(gan)擾(rao)信(xin)號(hao)由(you)於(yu)脈(mai)寬(kuan)過(guo)窄(zhai)而(er)被(bei)濾(lv)去(qu)。具(ju)體(ti)電(dian)路(lu)如(ru)圖(tu)4所示。

SIGNIN為需處理的信號,被第一個觸發器觸發後,產生延時,同時送入二級觸發器產生二級延時。CLKIN信xin號hao的de頻pin率lv可ke視shi幹gan擾rao源yuan的de寬kuan度du而er定ding,但dan需xu注zhu意yi的de是shi,幹gan擾rao源yuan的de寬kuan度du要yao遠yuan遠yuan小xiao於yu信xin號hao源yuan的de寬kuan度du,否fou則ze信xin號hao寬kuan度du將jiang被bei大da幅fu削xue減jian,導dao致zhi特te性xing被bei破po壞huai。電dian路lu仿fang真zhen波bo形xing如ru圖tu5所示。
在SIGNIN信號線上,第二個脈衝由於其寬度小於CLKIN信號周期而被濾去。這在同步串行傳輸的時鍾線上顯得尤為重要。
3 效果分析
此電路簡單可靠,筆者在一串行同步通訊過程中運用此電路解決幹擾問題,取得了良好的效果。

由於基於EPLD技術,不需額外增加硬件,且編程靈活,可在ispEXPERT中直接仿真,節省了大量的實驗時間。但在實際操作中需注意兩點:一yi是shi在zai運yun用yong此ci濾lv波bo器qi時shi,主zhu信xin號hao脈mai衝chong會hui有you一yi定ding的de延yan時shi,作zuo為wei同tong步bu時shi鍾zhong,此ci延yan時shi對dui串chuan行xing通tong訊xun不bu會hui有you太tai大da的de影ying響xiang,但dan若ruo在zai數shu據ju線xian或huo其qi它ta信xin號hao線xian上shang運yun用yong時shi,需xu考kao慮lv延yan時shi時shi間jian對dui係xi統tong的de影ying響xiang;二是在運用ispEXPERTSystem進行編程時,它提供的宏器件功能與TTL器件相似,但個別引腳有差別。另外,針對各種傳輸線上的幹擾,可根據上述原理加以推廣應用。
- 基於EPLD的數字濾波器的工作原理
- 分頻電路設計
- 延時電路設計
- 效果分析
在zai同tong步bu串chuan行xing數shu據ju傳chuan輸shu過guo程cheng中zhong,時shi鍾zhong線xian上shang隻zhi要yao有you一yi點dian小xiao毛mao刺ci就jiu會hui導dao致zhi數shu據ju傳chuan輸shu失shi誤wu,從cong而er影ying響xiang係xi統tong的de正zheng常chang工gong作zuo。傳chuan統tong的de處chu理li方fang法fa是shi在zai接jie收shou端duan並bing入ru一yi小xiao電dian容rong來lai濾lv除chu毛mao刺ci,這zhe種zhong方fang法fa隻zhi能neng去qu除chu某mou一yi固gu定ding頻pin率lv下xia的de幹gan擾rao,而er在zai實shi際ji工gong作zuo中zhong,幹gan擾rao有you可ke能neng由you多duo種zhong幹gan擾rao源yuan混hun合he產chan生sheng,其qi頻pin率lv可ke能neng是shi變bian化hua的de。另ling外wai,若ruo同tong步bu串chuan行xing傳chuan輸shu有you多duo個ge接jie收shou端duan,則ze需xu要yao在zai每mei個ge接jie收shou線xian上shang都dou並bing上shang一yi電dian容rong,這zhe樣yang,多duo個ge電dian容rong並bing聯lian在zai同tong一yi信xin號hao線xian上shang,勢shi必bi導dao致zhi所suo需xu的de信xin號hao失shi真zhen。隨sui著zhe現xian代dai電dian子zi技ji術shu的de發fa展zhan,EPLD以其編程靈活方便而日益成為現代電子設計的重要手段之一。
本文介紹了一種基於EPLD的(de)數(shu)字(zi)濾(lv)波(bo)器(qi),它(ta)可(ke)以(yi)抑(yi)製(zhi)某(mou)些(xie)低(di)頻(pin)線(xian)路(lu)上(shang)的(de)幹(gan)擾(rao),利(li)用(yong)此(ci)濾(lv)波(bo)器(qi)可(ke)以(yi)阻(zu)止(zhi)某(mou)些(xie)頻(pin)帶(dai)的(de)幹(gan)擾(rao)信(xin)號(hao)通(tong)過(guo),從(cong)而(er)起(qi)到(dao)硬(ying)件(jian)抗(kang)幹(gan)擾(rao)的(de)作(zuo)用(yong)。由(you)於(yu)采(cai)用(yong)了(le)EPLD技術,硬件編程方便、靈活,針對不同的幹擾源的特性,可采取相應的措施來解決。
解決方案
串行傳輸線在實際傳輸過程中容易竄入幹擾,其形式一般為小毛刺或窄脈衝形式,可利用它與主信號的不同特性加以濾除。
1 基本工作原理
消除幹擾信號需兩路輸入信號:主信號和參考時鍾信號。參考時鍾信號經過分頻、tiaozhengmaikuandengchuli,yicishizhuxinhaoyuanchanshengsuoxudeyanshi,zaiyuqibenshenxinhaoxiangbi,congerlvquzhuxinhaoyuanshangdeyixiezhaiboganraoxinhao。lvboqideyuanliturutu1所示。器件可采用LATTICE公司的ispLSI1032E,參考時鍾信號可采用8M晶振。

2 具體電路設計
編程軟件為LATTICE公司的ispEXPERTSystem,它是一套完整的數字係統設計軟件,設計輸入可采用原理圖輸入、硬件描述語言輸入、混合輸入等方式,並可對所設計的數字電路係統進行功能仿真和時序仿真。
2.1 分頻電路
分頻電路可根據各具體幹擾源的脈衝寬度來確定。具體電路如圖2所示,CLK為8M晶振信號,經整形後作為DQ觸發器的觸發信號,OUT1輸出二分頻後的4M方波信號,同時作為下一級觸發器的時鍾信號OUT2輸出四分頻後的2M方波信號,FW1輸出頻率為4M、脈寬為125ns的脈衝信號,FW2輸出頻率為2M、脈寬為250ns的脈衝信號,具體波形如圖3所示。由此類推,繼續級連DQ觸發器即可輸出八分頻、十六分頻信號,脈寬也可視具體情況而作相應的改變,電路類似FW1、FW2的產生電路。
由圖2,在ispEXPERT中經仿真得出如圖3所示的波形。

[page]2.2 延時電路
根(gen)據(ju)幹(gan)擾(rao)源(yuan)的(de)情(qing)況(kuang),以(yi)前(qian)麵(mian)所(suo)述(shu)信(xin)號(hao)作(zuo)為(wei)觸(chu)發(fa)時(shi)鍾(zhong),未(wei)經(jing)處(chu)理(li)的(de)信(xin)號(hao)源(yuan)經(jing)觸(chu)發(fa)產(chan)生(sheng)延(yan)時(shi),再(zai)與(yu)其(qi)本(ben)身(shen)相(xiang)比(bi),這(zhe)樣(yang),一(yi)些(xie)幹(gan)擾(rao)信(xin)號(hao)由(you)於(yu)脈(mai)寬(kuan)過(guo)窄(zhai)而(er)被(bei)濾(lv)去(qu)。具(ju)體(ti)電(dian)路(lu)如(ru)圖(tu)4所示。

SIGNIN為需處理的信號,被第一個觸發器觸發後,產生延時,同時送入二級觸發器產生二級延時。CLKIN信xin號hao的de頻pin率lv可ke視shi幹gan擾rao源yuan的de寬kuan度du而er定ding,但dan需xu注zhu意yi的de是shi,幹gan擾rao源yuan的de寬kuan度du要yao遠yuan遠yuan小xiao於yu信xin號hao源yuan的de寬kuan度du,否fou則ze信xin號hao寬kuan度du將jiang被bei大da幅fu削xue減jian,導dao致zhi特te性xing被bei破po壞huai。電dian路lu仿fang真zhen波bo形xing如ru圖tu5所示。
在SIGNIN信號線上,第二個脈衝由於其寬度小於CLKIN信號周期而被濾去。這在同步串行傳輸的時鍾線上顯得尤為重要。
3 效果分析
此電路簡單可靠,筆者在一串行同步通訊過程中運用此電路解決幹擾問題,取得了良好的效果。

由於基於EPLD技術,不需額外增加硬件,且編程靈活,可在ispEXPERT中直接仿真,節省了大量的實驗時間。但在實際操作中需注意兩點:一yi是shi在zai運yun用yong此ci濾lv波bo器qi時shi,主zhu信xin號hao脈mai衝chong會hui有you一yi定ding的de延yan時shi,作zuo為wei同tong步bu時shi鍾zhong,此ci延yan時shi對dui串chuan行xing通tong訊xun不bu會hui有you太tai大da的de影ying響xiang,但dan若ruo在zai數shu據ju線xian或huo其qi它ta信xin號hao線xian上shang運yun用yong時shi,需xu考kao慮lv延yan時shi時shi間jian對dui係xi統tong的de影ying響xiang;二是在運用ispEXPERTSystem進行編程時,它提供的宏器件功能與TTL器件相似,但個別引腳有差別。另外,針對各種傳輸線上的幹擾,可根據上述原理加以推廣應用。
特別推薦
- 噪聲中提取真值!瑞盟科技推出MSA2240電流檢測芯片賦能多元高端測量場景
- 10MHz高頻運行!氮矽科技發布集成驅動GaN芯片,助力電源能效再攀新高
- 失真度僅0.002%!力芯微推出超低內阻、超低失真4PST模擬開關
- 一“芯”雙電!聖邦微電子發布雙輸出電源芯片,簡化AFE與音頻設計
- 一機適配萬端:金升陽推出1200W可編程電源,賦能高端裝備製造
技術文章更多>>
- 大聯大世平集團首度亮相北京國際汽車展 攜手全球芯片夥伴打造智能車整合應用新典範
- 2026北京車展即將啟幕,高通攜手汽車生態“朋友圈”推動智能化體驗再升級
- 邊緣重構智慧城市:FPGA SoM 如何破解視頻係統 “重而慢”
- 如何使用工業級串行數字輸入來設計具有並行接口的數字輸入模塊
- 意法半導體將舉辦投資者會議探討低地球軌道(LEO)發展機遇
技術白皮書下載更多>>
- 車規與基於V2X的車輛協同主動避撞技術展望
- 數字隔離助力新能源汽車安全隔離的新挑戰
- 汽車模塊拋負載的解決方案
- 車用連接器的安全創新應用
- Melexis Actuators Business Unit
- Position / Current Sensors - Triaxis Hall
熱門搜索



