靜電放電防護設計規範和指南
發布時間:2019-08-27 責任編輯:wenwei
【導讀】人體由於自身的動作以及與其它物體的接觸、分離。摩擦或感應等因素,可以帶上幾千伏甚至上萬伏的靜電。在幹燥的季節,人們在黑暗中托化纖衣服時,常常會聽到“啪啪”的聲音,同時還會看到火花,這就是人體的靜電放電現象。在工業生產中,人是主要的靜電幹擾源之一。
1.1靜電和靜電放電
靜電式物體表麵的靜止電荷。物體在接觸、摩擦、分離、感應、電解等過程中,發生電子或離子的轉移,整電荷和負電荷在局部範圍內失去平衡,就形成了靜電。帶有 靜(jing)電(dian)的(de)物(wu)體(ti)稱(cheng)為(wei)帶(dai)電(dian)體(ti)。當(dang)帶(dai)電(dian)體(ti)表(biao)麵(mian)附(fu)近(jin)的(de)靜(jing)電(dian)場(chang)梯(ti)度(du)大(da)到(dao)一(yi)定(ding)的(de)程(cheng)度(du),超(chao)過(guo)周(zhou)圍(wei)介(jie)質(zhi)的(de)絕(jue)緣(yuan)擊(ji)穿(chuan)場(chang)強(qiang)時(shi),介(jie)質(zhi)將(jiang)會(hui)發(fa)生(sheng)電(dian)離(li),從(cong)而(er)導(dao)致(zhi)帶(dai)電(dian)體(ti)的(de)點(dian)和(he)部(bu)分(fen)的(de)電(dian)荷(he) 部分或全部中和。這種現象我們稱之為靜電放電(ESD)。靜電放電可以出現在兩個物體之間,也可由物體表麵靜電荷直接向空氣放電。
人體由於自身的動作以及與其它物體的接觸、分離。摩擦或感應等因素,可以帶上幾千伏甚至上萬伏的靜電。在幹燥的季節,人們在黑暗中托化纖衣服時,常常會聽到“啪啪”的聲音,同時還會看到火花,這就是人體的靜電放電現象。在工業生產中,人是主要的靜電幹擾源之一。
1.2 靜電放電的特點
1、靜電放電時高電位,強電場,瞬時大電流的過程
daduoshuqingkuangxiajingdianfangdianguochengwangwanghuichanshengshunshimaichongdadianliu,youqishidaidiandaotihuoshouchixiaojinshuwutidedaidianrentiduijieditichanshenghuohuafangdianshi,chanshengdeshunshidianliudeqiangdukedadaojishianpeishenzhishangbaianpei。
2、靜電放電會產生強烈的電磁輻射形成電磁脈衝
在靜電放電過程中,會產生上升時間極快、持chi續xu時shi間jian極ji短duan的de初chu始shi大da電dian流liu脈mai衝chong,並bing產chan生sheng強qiang烈lie的de電dian磁ci輻fu射she,形xing成cheng靜jing電dian放fang電dian電dian磁ci脈mai衝chong,它ta的de電dian磁ci能neng量liang往wang往wang會hui引yin發fa起qi電dian子zi係xi統tong中zhong敏min感gan部bu件jian的de損sun壞huai、翻轉,使某些裝置中的電火工品誤爆,造成事故。
1.3靜電放電的類型
靜電放電類型主要有下麵三種:
1、電暈放電
電dian暈yun放fang電dian是shi在zai不bu均jun勻yun電dian場chang中zhong以yi布bu局ju擊ji穿chuan形xing式shi表biao現xian出chu來lai的de一yi種zhong氣qi體ti放fang電dian,其qi特te點dian是shi放fang電dian能neng量liang較jiao低di,在zai尖jian端duan電dian極ji上shang呈cheng現xian微wei弱ruo的de發fa光guang現xian象xiang,並bing隨sui著zhe極ji間jian電dian壓ya的de升sheng高gao,發fa光guang區qu域yu不bu斷duan增zeng大da,在zai電dian壓ya足zu夠gou高gao時shi,呈cheng現xian連lian續xu的de拂fu塵chen狀zhuang光guang體ti。
2、刷形放電
shuaxingfangdianshifashengyudaotihejueyuantizhijiandeyizhongfangdianxingshi。qifangdiantongdaodeyiduanjuyoufangdianjizhongdian,lingyiduanchengfenzhizhuangsankai,bingbanyoufangdianshengguang。shuaxingfangdiandenengliangjiaoda,sheng、光比一般電暈放電顯著。
3、火花放電
huohuafangdianshidanglianggedianjijiandedianyazugougao,zhishiqitiquanlujingbeijichuandeyizhongfangdianxingshi。huohuafangdianshi,fangdiantongdaochengweidaodianxingde,dianjishangjixudedianheshunshibeizhonghe,fangdianhuohuasuizhixiaoshi。huohuafangdianchanshengdefangdiandianliujidiancimaichongjuyoujiaodadepohuaili,takeduiyixiemingandedianziqijianheshebeizaochengweihai。
靜電放電模型
靜 電dian放fang電dian時shi一yi個ge複fu雜za多duo變bian的de過guo程cheng。靜jing電dian放fang電dian有you許xu多duo不bu同tong的de形xing式shi,能neng產chan生sheng靜jing電dian放fang電dian的de靜jing電dian源yuan多duo種zhong多duo樣yang。針zhen對dui靜jing電dian放fang電dian的de這zhe種zhong複fu雜za性xing,為wei了le有you效xiao地di對dui靜jing電dian放fang電dian的de危wei害hai及ji其qi效xiao 應進行正確的評估,人們對實際中各種可能產生危害的靜電源進行了研究,根據各自的特點建立了相應的ESD模型。下麵是幾種常見的模型。
2.1人體帶電模型
人 tishichanshengjingdianweihaidezuizhuyaodejingdianyuanzhiyi。rentidaidianmoxingshiweilemonidaidianrentiyuwutijiechushidejingdianfangdianxiaoyingerjianlide。rentidaidianmoxingdedianluwangluoshiyigedianrongheyigedian 阻的串聯結構,稱為單RC電氣結構。其中,電容C和電阻R的取值對不同的行業有所不同。在電子器件的靜電敏感度測試中,美軍標MIL-STD-1686A 規定的參數值是:電容100pF,電阻1.5kΩ。對電火工品的靜電敏感度測試,美軍標MIL-STD-1512采用的參數值是:電容500pF,電阻 5kΩ。在汽車製造業中,人體模型通常采用的參數是電容330pF,電阻2kΩ.。
2.2 場增強模型(人體-金屬模型)
場增強 模型是用來模擬帶電人體通過手持的小金屬物件,如螺絲刀,鑰匙等,對其它物體產生放電時的情形,因此這一模型又被稱為人體-金屬模型。當帶電人體手持小金 shuwujianshi,youyujinshuwujiandejianduanxiaoying,shideqizhouweidechangqiangdadazengqiang,zaijiashangjinshuwujiandedianjixiaoying,daozhifangdianshidengxiaodianzudadajianxiao。yincizaitongdengtiaojianxia,tachanshengdefangdian 電流峰值比單獨人體放電的要大,放電持續時間短。
場增強模型的電路結構為雙RLC電氣結構,其基本原理如下:

圖2-1雙RLC人體靜電放電模型
圖 中CB、RB、LB分別為人體電容、電阻及電感。CH、RH、LH分別為手、前臂及手持的小金屬物件的電容、等效電阻及電感。IEC801-2及 IEC61000-4-2標準在模擬人體靜電放電時采用了上述雙RLC電氣模型,其規定的模型參數為:CB=150pF ±10%,RB=330Ω±10%,LB=0.04~0.2µH,CH=3~10pF,RH=20~200Ω,LH=0.05~0.2µH。
2.3 帶電器件模型
電子器件本身在加工,處理、運輸等過程中可能因與工作麵及包裝材料等接觸、摩(mo)擦(ca)而(er)帶(dai)電(dian)。當(dang)帶(dai)電(dian)的(de)電(dian)子(zi)器(qi)件(jian)接(jie)近(jin)或(huo)接(jie)觸(chu)導(dao)體(ti)或(huo)人(ren)體(ti)時(shi),便(bian)會(hui)產(chan)生(sheng)靜(jing)電(dian)放(fang)電(dian)。由(you)於(yu)這(zhe)一(yi)放(fang)電(dian)過(guo)程(cheng)是(shi)器(qi)件(jian)本(ben)身(shen)帶(dai)電(dian)而(er)引(yin)起(qi)的(de),因(yin)此(ci)在(zai)建(jian)立(li)這(zhe)種(zhong)放(fang)電(dian)模(mo)型(xing)時(shi),把(ba)它(ta)稱(cheng)為(wei)帶(dai)電(dian)器(qi)件(jian)模(mo)型(xing)。
帶電器件模型的電路網絡是一個電容、一個電阻和一個電感的串聯結構,稱為單RLC電氣結構。其模型參數的取值要根據器件的具體情況來確定。
靜電放電的危害
3.1 ESD造成元器件失效
當帶電物體通過器件形成一個放電通路時或帶電器件本身有一個放電通路時,就會產生ESD而造成器件的失效,失效模式有突發性完全失效和潛在性緩慢失效。
(1)突發性完全失效:器件的芯片介質擊穿或燒毀、一個或多個電參數突然劣化,完全失去規定功能的失效。通常表現為開路、短路、以及電參數嚴重漂移。概率約10%
(2)潛在性緩慢失效:器件受到ESD造成輕微損傷,器件的性能劣化或參數指標下降而成為隱患,使該電路在以後的工作中,參數劣化逐漸加重,最終失效。概率約90%
3.2 ESD引起信息出錯,導致設備故障
ESD會在設備各處產生一個幅值為幾十伏的幹擾脈衝,引起信息出錯,導致設備的故障:ESD也可產生頻帶幾百千赫~幾十兆赫、電平高達幾十毫伏的電磁脈衝幹擾。當脈衝幹擾耦合到敏感電路時,也會引起信息出錯,導致設備的故障。
3.3 高壓靜電吸附塵埃微粒
靜電電荷易吸附塵埃微粒,汙染PCB板和半導體芯片,使其絕緣電阻下降,影響器件工作。嚴重時會引起器件故障(例如:CMOS電路發生閂鎖)。
ESD防護設計指南
ESD耦合到電子通訊設備有三種方式
直接傳導
電容耦合(電場耦合)
電感耦合(磁場耦合)
所以,電子通訊設備的ESD防護主要應針對這兒種耦合方式采取措施,可總結為下列24字方針::
靜電屏蔽,濾波去耦,絕緣隔離,接地泄放,良好搭接,瞬態抑製
4.1 設備的ESD防護設計要求
對於設備級的ESD防護設計,其重點應放在為靜電放電設置一條通暢的泄放通道。主要應做好以下幾點:
1、機箱金屬之間要實現良好搭接。搭接處要采用麵接觸,避免點接觸,搭接的直流電阻不大於2.5mΩ,整體搭接結構中任意兩導電點間的直流電阻不大於25mΩ。相互搭接的金屬之間電化學位差不大於0.6V。
2、人ren員yuan接jie觸chu的de鍵jian盤pan,控kong製zhi麵mian板ban,手shou動dong控kong製zhi器qi,鑰yao匙chi鎖suo等deng金jin屬shu部bu件jian,應ying直zhi接jie通tong過guo機ji架jia接jie地di。如ru果guo不bu能neng接jie地di,則ze其qi與yu電dian路lu走zou線xian和he工gong作zuo地di的de絕jue緣yuan距ju離li至zhi少shao應ying滿man足zu以yi下xia要yao求qiu:空氣間隙5mm,爬電距離6mm。
3、機架式設備一般采用複合式接地,工作地、電源地、保護地與機架在內部要良好隔離,在機架接地螺栓處彙接或在外部接地彙集線上彙接,形成良好的靜電泄放通路。
4、小型低速(頻率小於10MHz)設備可以采用工作地浮地(或工作地單點接金屬外殼),金屬外殼單點接大地,使靜電通過機殼泄放到地麵而對內部電路無影響。
5、小型高速(頻率大於10MHz)設備的工作地應與金屬機殼實現多點接地,且金屬外殼單點接大地。
6、jijiashebeidejiedidianyuwaibujiedizhuangzhijianyaobaozhengkekaodedianqilianjie。jiedixiancailiaoyingcaiyongduogutongqian,duiyuanzhuangzaiyidongtongxinjizhandeshebei,jiedixianjiemianji≥35mm²,其他設備,接地線截麵積≥16mm²。接地線兩端應接銅鼻子。
4.2 PCB的ESD防護設計要求
在ESD放電區域會產生較強的突變電磁場。強的瞬變電磁場一方麵可能使器件立即失效,或者造成潛在性損傷使器件性能逐漸降級:另一方麵可能對電路產生幹擾使電路不能正常工作。因此在關鍵電路中一般應采用ESD保護電路,如利用TVS器件、濾波器等。
PCB的ESD防護設計主要應做好以下措施:
1、接口電路應盡量采用ESD敏感度為3級(靜電損傷閾值大於4000V)或不敏感的元器件:否則在輸入輸出接口電路上應采取保護措施。單板的保護電路應緊靠相應的連接器放置。
圖 4-1 單板的保護電路緊靠連接器放置
2、芯片的保護電路應緊靠相應的芯片放置,並低阻抗接地。見圖4-2。

圖 4-2 芯片的保護電路緊靠芯片放置
3、易受ESD幹擾器件,如NMOS、CMOS器件等,應該盡量遠離易受ESD幹擾的區域。
4、在PCB上設置靜電防護與屏蔽地
以 U6單板為例,在PCB的板邊設置圖4-3所示的靜電防護與屏蔽地,該地環的寬度的5毫米,在外層的銅皮上噴錫(不要蓋綠油),用過孔將各層的防護地環連 接,過孔與過孔之間的間距控製在約10—13mm(400—500mil)。單板與背板的防護地通過連接器材相連。靜電防護與屏蔽地與工作地之間,應盡量 保證間距大於3mm。
靜電防護與屏蔽地環可以隻在PCB板的二個表麵上鋪設,內層上不設置防護地環。

圖 4-3 PCB上設置靜電防護與屏蔽地
5、在滿足功能要求前提下,優先選用抗靜電能力強(即損傷閾值高)的元器件。
6、相互之間具有很多互聯線的元器件應盡可能彼此靠近。例如I/Q器件與I/Q連接器應盡量接近。
7、信(xin)號(hao)線(xian)應(ying)該(gai)與(yu)其(qi)回(hui)流(liu)地(di)線(xian)緊(jin)挨(ai)一(yi)起(qi),盡(jin)量(liang)在(zai)每(mei)根(gen)信(xin)號(hao)線(xian)的(de)旁(pang)邊(bian)安(an)排(pai)一(yi)條(tiao)地(di)線(xian)。盡(jin)量(liang)采(cai)用(yong)地(di)平(ping)麵(mian)或(huo)地(di)線(xian)網(wang)絡(luo),而(er)不(bu)采(cai)用(yong)單(dan)根(gen)地(di)線(xian)。對(dui)於(yu)多(duo)層(ceng)板(ban)。信(xin)號(hao)線(xian)應(ying)該(gai)盡(jin)量(liang)靠(kao)近(jin)地(di)平(ping)麵(mian)走(zou)線(xian)。
8、易受靜電幹擾的信號線如時鍾線、複位線等應盡可能短而寬:多層板中的時鍾線、複位線應在兩地平麵之間走線。
9、對於多層板,應保證地平麵的完整性,地平麵內不應有大的開口。
10、後背板上的布線區(包括信號層、地層及電源層)與固定後背板的金屬螺釘邊緣的距離至少5mm以上。
11、印製板地層通過接插件到後背板時,最好至少有一排接地插針,保證靜電泄放地回路的通暢。
12、在印製板的電源輸入端應進行濾波,並用瞬態過電壓仰製器件(TVS)仰製瞬態過電壓。
13、對於雙麵板,如果印製板上的電源線引線很長,則每隔8cm應在電源與地之間接入一個0.1uF的陶瓷電容器。
14、 所有高速邏輯器件要求安裝去耦電容。集成電路的電源與地之間應加0.01uF~0.1uF的陶瓷電容器進行去耦。去耦電容應並接在同一芯片的電源端與地之 間且要緊靠被保護的芯片。對於電源和地有多個引腳的大規模集成電路,應安裝多個去耦電容。對於動態RAM器件,去耦電容的容量取0.1UF為宜。
15、 對於大規模集體電路,尤其是EEPROM、FLASH MEMORY、EPLD、FPGA等類型的芯片,每個去耦電容(0.01uF~~0.1uF)旁應並接一個10uF的充放電鉭電容或陶瓷電容。對於小規模 集成電路,每10片去耦電容(0.01uF~0.1uF)旁也要加接一個10uF的充放電鉭電容或陶瓷電容。
16、CMOS器件所有不用的輸入端引線不允許懸空,應視不同電路接到地、電源(源極) Vss或電源(漏極)VDD上。CMOS器件的輸入端如果接的是高阻源,則應設計上拉或下拉電阻。
17、印刷板上的靜電敏感器件,必須通過保護電路(設置串聯電阻、分流器、箝位器件等保護裝置)才能與電連接器的端子相連。
18、安裝在印製板上具有金屬外殼的元器件(如複位按鈕、撥碼開關、晶振等),其金屬外殼必須可靠接地,優先接靜電保護地環,如單板沒有設置靜電保護地環,則接工作地。
19、對於輸入輸出接口處信號插針與金屬外殼的隔離距離達不到5mm的接插件,其金屬外殼附近應盡可能敷設大麵積覆銅地線。接插件金屬部分應與機殼用最短的接地線相連。
20、在複位信號線靠近複位按鈕的輸入端與地之間,以及靠近複位芯片的輸入端與地之間分別並接0.1uF的陶瓷電容;複位線應盡可能短(小於3cm為宜)而寬(大於1mm為宜)。
21、操作麵板上容易被人體接觸的部件,如小麵板、按鈕、鍵盤、旋鈕等應采用絕緣物,也可以采用帶塑料薄膜的金屬開關麵板。
22、對於與內部電路無聯係的金屬部件,如固定印刷板的金屬鎖簧和起拔拉手,外表塗覆絕緣層,增加其絕緣強度,並與印製板內部電路(包括信號和地線層)隔離至少5mm以上。
23、金屬機殼以及與印製板相連的金屬前麵板應與印製板內部電路(包括信號和地線層)隔離至少5mm以上。
24、印yin製zhi板ban靜jing電dian電dian流liu泄xie放fang通tong路lu的de地di應ying優you先xian選xuan擇ze機ji殼ke地di,板ban上shang的de金jin屬shu部bu件jian和he金jin屬shu接jie插cha件jian能neng就jiu近jin接jie機ji殼ke的de應ying就jiu近jin接jie機ji殼ke,無wu法fa就jiu近jin接jie機ji殼ke的de接jie靜jing電dian保bao護hu地di環huan或huo工gong作zuo地di,工gong作zuo地di應ying是shi大da麵mian積ji的de地di層ceng。
4.3 通訊端口的ESD防護設計要求
對通訊端口的ESD防護,一般采用TVS(瞬態電壓仰製器)保護器件。
1、TVS的主要參數及選取原則
選取TVS器件時,主要考慮以下三個參數:截止電壓VRM,峰值脈衝電流IPP和輸入電容C(又稱結電容)。
對於VRM,如果電路正常工作時的峰值電壓為V工作,則VRM可取值:VRM=(1.1~1.2)V工作,VRM最大不要超過工作電壓的1.4倍。
對於Ipp,應選擇該值大於電路中預期出現的電流值。
對於輸入電容C的選取,應保證不對電路的正常工作造成影響,不對傳送的波形產生畸變。如果TVS用於高速電路的ESD防護,其輸入電容C以不大於15pF為宜。
2、E1和Ethernet口的ESD防護器件推薦
下麵的器件是專門用於ESD防護的器件,其內部帶有濾波電路,能夠防ESD接觸放電8kV,空氣放電15kV。該器件可以對E1和Ethernet口進行保護。
型號:STF701,SEMTECH公司。VRM=5V,輸入電容C=65pF。

如圖 4-4 STF701 內部電路及結構圖
3、串口的ESD防護器件推薦
如果串口芯片用MAX3342,則有四路收發,八根線,可采用PROTEK公司的SM16LC15C器件對串口進行保護。
以下圖示器件為高速雙向TVS陣列,8個信道,可以保護4個串口,防靜電大於40kV。
其參數為VRM=15V,C=15pF。
公司代碼為:12600040。

圖 4-5 SM16LC15C內部電路及結構圖
如果串口芯片用MAX3223,則有兩路收發,四根線,可采用PROTEK公司的SMDA15LCC器件對串口進行保護。
其參數為VRM=15v,C=15pF。
該器件公司目前沒有代碼(隻有SMDA05LCC,代碼12600066)。
如果串口芯片用MAX3221,則為單路收發,兩根線,可采用PROTEK公司的SM8LC12器件對串口進行保護。
其參數為VRM=12V,C=25pF
公司代碼為:12600043。

圖 4-6 SM8LC12 內部電路及封裝圖
不過,對上述串口芯片MAX3223和MAX3221,它們都有對應的內部自帶ESD保護(15KV)的型號,分別為MAX3223E和MAX3221E,可以直接選用,當選用MAX3223E和MAX3221E時,不需要再加ESD保護器件。
4、10/100m以太網口的ESD防護器件推薦
以太網接口可以采用以下的ESD、浪湧保護電路:

圖 4-7 以太網接口ESD、浪湧保護電路
保護器件SLVU2.8-4由SEMTECH公司供應,其參數為VRM=2.8V,C=5pF.公司代碼為:12600063。
保護器件SMDA05LCC由PROTEK 公司供應,其參數為VRM=5V,C=15pF.公司代碼為:12600066。
典型案例
5.1 某寬帶園區接入產品防靜電設計
該產品的防靜電設計方案可以歸納如下:
(1)接地係統分工作地、-48V電源地、保護地和機殼地。
(2)機(ji)箱(xiang)外(wai)殼(ke)采(cai)用(yong)整(zheng)體(ti)折(zhe)彎(wan)工(gong)藝(yi),使(shi)插(cha)箱(xiang)外(wai)形(xing)一(yi)次(ci)成(cheng)型(xing),采(cai)用(yong)整(zheng)體(ti)框(kuang)架(jia)式(shi)結(jie)構(gou),機(ji)箱(xiang)上(shang)下(xia)導(dao)軌(gui)采(cai)用(yong)整(zheng)體(ti)金(jin)屬(shu)式(shi)導(dao)軌(gui)板(ban),並(bing)在(zai)框(kuang)架(jia)主(zhu)題(ti)上(shang)設(she)置(zhi)有(you)機(ji)殼(ke)接(jie)地(di)螺(luo)釘(ding),保(bao)證(zheng)係(xi)統(tong)整(zheng)體(ti)搭(da)接(jie)良(liang)好(hao)。
(3)單板通過上下兩邊的鍍錫層在導軌槽中滑動,為保證導軌槽與單板鍍錫層良好接觸,在導軌槽兩邊加裝導軌簧片;為了保證前麵板之間良好搭接,麵板與麵板之間通過連接彈性指簧來消除間隙。
(4) 係統外界端口包括有百兆以太網電接口(RJ45插座)、百兆以太網光接口、千兆以太網光接口、232串口(采用RJ45插座)和VDSL線路用戶端口。以 上端口采用VDSL線路用戶端口從背板出線,其餘非用戶端口都從前端出線。為了更好地泄放靜電電流,係統采用如下方式的接地方式:
a、在個單板(背板除外)前(qian)端(duan)安(an)裝(zhuang)各(ge)接(jie)口(kou)插(cha)座(zuo)區(qu)域(yu)表(biao)層(ceng)全(quan)部(bu)敷(fu)設(she)機(ji)殼(ke)地(di),機(ji)殼(ke)地(di)敷(fu)設(she)寬(kuan)度(du)大(da)於(yu)接(jie)口(kou)插(cha)座(zuo)加(jia)上(shang)靜(jing)電(dian)保(bao)護(hu)器(qi)件(jian)的(de)覆(fu)蓋(gai)寬(kuan)度(du),講(jiang)這(zhe)些(xie)端(duan)口(kou)靜(jing)電(dian)保(bao)護(hu)器(qi)件(jian)的(de)接(jie)地(di)端(duan)與(yu)此(ci)機(ji)殼(ke)地(di)相(xiang)連(lian)。
b、工作地層前端向內縮,從距離機殼地至少5mm處向後方敷設(該係統單板工作地之間間隔8mm),端口隔離變壓器跨接在機殼地與工作地之間,接口信號線走在製板內層,通過隔離變壓器將在機殼地和工作地區域的信號連接起來。
c、為wei了le使shi前qian端duan接jie口kou感gan應ying的de靜jing電dian電dian流liu以yi最zui短duan路lu徑jing泄xie放fang,前qian端duan機ji殼ke地di與yu單dan板ban上shang下xia兩liang邊bian的de鍍du錫xi層ceng相xiang連lian,即ji機ji殼ke地di就jiu近jin於yu機ji殼ke相xiang連lian,上shang下xia鍍du錫xi層ceng與yu內nei部bu信xin號hao和he工gong作zuo地di距ju離li間jian隔ge至zhi少shao5mm(該係統間隔為8mm)。
d、從後背板出線的VDSL用戶線端口保護地則是通過後背板插針單獨接到大地上。
這種接地方式可以歸納為:前端的機殼地應就近接機殼,且應避開內部電路,這樣可以提高整個係統的靜電抗擾性:後端保護地通過後背板插針引出,單獨接到大地上,係統最後 引向大地的地線為工作地、保護地和機殼地(由機殼接地螺釘引出)。
該產品通過采用以上措施,順利通過了接觸6KV和空氣8KV靜電放電抗擾性試驗。
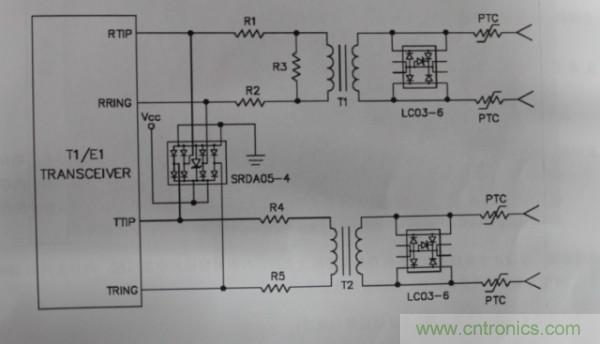
5.2 某小容量帶寬接入產品的防靜電設計
某小容量寬帶接入產品的E1接口的防靜電器件選用的是 SEMTECH公司的LC03-6(VRM=6V ,Ipp=50A,C=8pF,SO8封裝,代碼為12600032),試驗時可防6KV接觸靜電(靜電槍直接對E1接口的同軸外殼進行接觸放電,E1接 收和發送的同軸外殼都懸浮不接地)。
廠家推薦的器件接法如圖5-1所示。

圖 5-1 E1接口防靜電電路圖
試 驗發現,按照上圖的器件連接方法進行6KV接觸靜電放電時,隔離變壓器線路側引腳會放電打火,經分析發現這種接法隻仰製了差模幹擾,對共模幹擾信號沒有泄 放通路,共模幹擾信號的能力聚集在隔離變壓器的線路引腳處,累計到一定的程度擊穿引腳之間的空氣產生放電打火現象,後將LC03-6的中間懸空管腳接保護 地,為共模幹擾提供了泄放通路,放電打火現象消失,線路正常工作;另外,此器件的輸入電容為線-線間12pF,線-地間25pF,對E1信號並無影響,實 際試驗時也是如此。
5.3 某產品與結構工藝有關的防靜電案例
某產品機箱規格為寬19英寸,高12U,前麵板有10/100M以 太網電接口、E1接口、232串口等,結構設計時充分考慮到了機箱各個麵和支架之間的良好搭接,前麵板相互之間也是通過彈性指簧進行良好搭接的。但在對 10/100M以太網RJ45金屬電接口進行6KV靜電放電時,係統重新啟動。對係統接地進行了檢查,發現接地方式也正確,再進一步詳細檢查發現,安裝 RJ45金屬網口的方形開口四周噴上了厚厚的一層漆,使RJ45金屬網口與前麵板搭接不好,導致靜電試驗通不過,將漆層去掉後,係統順利通過了接觸放電 6KV靜電試驗。
5.4 ESD試驗使某單板程序“跑飛”
問題描述:某單板在進行ESD試驗時,單板上的程序“跑飛”。
原 因簡析:圖5-2 為該板的TOP層絲印和走線圖,不難看出,內存條距離需施以6千伏靜電的鋁合金麵板很近,不到30毫米,插入內存條時,采用高速CMOS工藝的SDRAM 芯片麵向麵板。內存條的數據或地址總線上出現幹擾,不能排除以下兩個原因:一是SDRAM芯片在電磁脈衝的作用下出現錯誤的狀態變換,二是內存條上的印製 線在瞬變場中產生了幹擾脈衝。
改進措施:原設計中布局不合理,內存條離麵板邊太近。改板時將板的中部壓縮,內存條轉向180度使SDRAM芯片背向麵板。更改後的效果見圖5-3。
試驗效果:故障不再出現,ESD試驗順利通過。

圖 5-2 原設計圖

圖 5-3 改進後的設計圖
5.5 試驗使單板複位
問題描述:某單板在進行ESD試驗時,單板上有時(概率若20%)出現複位現象。
原因簡析:圖5-4為該板的TOP層絲印和走線圖,原設計中的複位信號線(沿紅線箭頭處)長距離地走在表麵,線寬8mil,而且離麵板邊較近。進行ESD試驗時,收到快速瞬變場的影響,複位信號線產生了幹擾脈衝。
改進措施:隻將複位芯片下移,複位信號線用20㏕的線走內層。
試驗效果:故障不再出現,ESD試驗順利通過。

圖 5-4 複位線設計圖
推薦閱讀:
特別推薦
- 噪聲中提取真值!瑞盟科技推出MSA2240電流檢測芯片賦能多元高端測量場景
- 10MHz高頻運行!氮矽科技發布集成驅動GaN芯片,助力電源能效再攀新高
- 失真度僅0.002%!力芯微推出超低內阻、超低失真4PST模擬開關
- 一“芯”雙電!聖邦微電子發布雙輸出電源芯片,簡化AFE與音頻設計
- 一機適配萬端:金升陽推出1200W可編程電源,賦能高端裝備製造
技術文章更多>>
- 築基AI4S:摩爾線程全功能GPU加速中國生命科學自主生態
- 一秒檢測,成本降至萬分之一,光引科技把幾十萬的台式光譜儀“搬”到了手腕上
- AI服務器電源機櫃Power Rack HVDC MW級測試方案
- 突破工藝邊界,奎芯科技LPDDR5X IP矽驗證通過,速率達9600Mbps
- 通過直接、準確、自動測量超低範圍的氯殘留來推動反滲透膜保護
技術白皮書下載更多>>
- 車規與基於V2X的車輛協同主動避撞技術展望
- 數字隔離助力新能源汽車安全隔離的新挑戰
- 汽車模塊拋負載的解決方案
- 車用連接器的安全創新應用
- Melexis Actuators Business Unit
- Position / Current Sensors - Triaxis Hall
熱門搜索
微波功率管
微波開關
微波連接器
微波器件
微波三極管
微波振蕩器
微電機
微調電容
微動開關
微蜂窩
位置傳感器
溫度保險絲
溫度傳感器
溫控開關
溫控可控矽
聞泰
穩壓電源
穩壓二極管
穩壓管
無焊端子
無線充電
無線監控
無源濾波器
五金工具
物聯網
顯示模塊
顯微鏡結構
線圈
線繞電位器
線繞電阻



