基於Buck變換器的LED驅動器反饋環路設計及測試
發布時間:2009-10-26 來源:萬代半導體元件上海有限公司
中心議題:
Buck降壓型LED驅動器和通用BUCK降壓型變換器的設計相同,但對於反饋環路的增益裕量和相位裕量的測試,卻和通常的Buck降壓型變換器有很大的不同,這是由於LED驅動器的特性決定的,本文將會討論這個有趣的問題。
1. Buck降壓型LED驅動器特點
Buck降壓型LED驅動器和通用Buck降壓型變換器最大的不同在於參考電壓的差異。通用Buck降壓型變換器的參考電壓通常是0.8V,1.25V等,用於設定輸出的電壓,輸出電流變化時,輸出電壓保持恒定,輸出的負載和輸出電容並聯,如圖1 所示。Buck降壓型LED驅動器的參考電壓通常是0.25V,0.2V,0.1V,用於設定LED的驅動電流,並保持LED的電流恒定。由於設定LED的驅動電流的取樣電阻和LED串(chuan)聯(lian),因(yin)此(ci)參(can)考(kao)電(dian)壓(ya)越(yue)低(di),取(qu)樣(yang)電(dian)阻(zu)的(de)功(gong)耗(hao)就(jiu)越(yue)小(xiao)。如(ru)果(guo)參(can)考(kao)電(dian)壓(ya)過(guo)低(di),由(you)於(yu)電(dian)流(liu)信(xin)號(hao)的(de)取(qu)樣(yang)信(xin)號(hao)太(tai)小(xiao),容(rong)易(yi)受(shou)外(wai)幹(gan)擾(rao),影(ying)響(xiang)取(qu)樣(yang)的(de)精(jing)度(du);此外,同樣的電流所要求的取樣電阻值太小,也不容易選購。
在Buck降壓型LED驅動器中,LED電流設定電阻有低端和高端電流取樣兩種方式,如圖1 所(suo)示(shi)。低(di)端(duan)電(dian)流(liu)取(qu)樣(yang)直(zhi)接(jie)對(dui)地(di)檢(jian)測(ce)電(dian)流(liu),設(she)計(ji)簡(jian)單(dan),但(dan)容(rong)易(yi)受(shou)到(dao)共(gong)模(mo)的(de)幹(gan)擾(rao),取(qu)樣(yang)精(jing)度(du)差(cha)。高(gao)端(duan)電(dian)流(liu)取(qu)樣(yang)不(bu)容(rong)易(yi)受(shou)到(dao)共(gong)模(mo)的(de)幹(gan)擾(rao),取(qu)樣(yang)精(jing)度(du)高(gao),但(dan)需(xu)要(yao)差(cha)動(dong)放(fang)大(da)器(qi)。
2. AOZ1081工作特點
本文將基於AOZ1081來介紹反饋環的設計,因此先介紹一下AOZ1081的工作特點。AOZ1081是一款降壓型Buck變換器,工作於電流模式,其特點可以讓它配置成LED驅動器,同時也可以作為通用Buck變換器使用。其特點如下:
(1)內置了低端的續流二極管,因此無需外加肖特基二極管;
(2)具有內部的軟起動,因此無需外加軟起動電容;
(3)0.25V的參考電壓,保證電流取樣精度同時降低電流設定電阻的功耗;
(4)輸入工作電壓為4.5V到16V,具有Power On Reset POR功能,輸入電壓到4V時開始工作,輸入電壓低於3.7V,關斷;
(5)具有連續的1.8A最大的輸出電流;
(6)占空比從12%到100%,輸入輸出壓差低時可以工作於LDO方式;
(7)1MHz的工作頻率,可以使用小體積的電感和電容;
(10)芯片具有過溫保護OTP功能。
去LED照明電源社區看看
[page]
3. 反饋設計
BUCK降壓型LED驅動器仍然工作於峰值電流模式,其外環是取樣LED的電流,反饋環路維持LED電流恒定,這樣,輸出的電壓就由串聯的LED的正向壓降來決定。
和通用的峰值電流模式一樣,LED驅動器功率級由一個零點和一個極點組成:
其中:CO為輸出電容,ESR為輸出電容等效串聯電阻,RL為等效負載電阻。
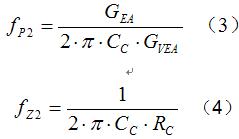
如果采用RC串聯網絡RC和CC連接在AOZ1081的COMP管腳和地之間,相當於增加一個零點和一個極點的補償:
其中:GEA是誤差放大器的跨導,對於AOZ1081,為200•10-6A/V, GVEA為誤差放大器的增益,500V/V。
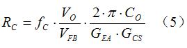
係統的穿越頻率fC決定係統的帶寬,帶寬越大,係統的響應越快,但容易受到高頻的幹擾。通用帶寬設為開關頻率的1/10,對於AOZ1081,開關頻率為1M左右,因此穿越頻率可選取小於75K。所以,反饋網絡可以用下式計算:
其中:VFB是參考電壓,對於AOZ1081,為0.25V ,GCS為電流檢測電路的跨導,對於AOZ1081,為5.64A/V。
RC和CC形成的零點通常放大主極點fP1附近,但要低於1/5的穿越頻率,所以:
4. BUCK降壓型LED驅動器反饋測量
對於通用BUCK降壓型變換器,可以直接在反饋分壓電阻器上部電阻中,直接串接一個100歐姆的電阻R,由R注入測試信號,測量增益裕量和相位裕量,用於決定的係統的穩定程度,如圖2所示。注意到,相對於輸出的負載電阻,此回路相當於一個高阻抗回路,因此不影響係統的正常工作。
但是對於LED驅動電路,不能直接將100歐姆的信號注入電阻串聯在LED的回路中,因此,LED回路是恒流工作,串入電阻後,就改變了的輸出的電壓和輸出功率,係統不是正常的工作狀態。
zheyang,jiubixuyinruyizhonggelidedianlu,shizhurudexinhaobuyingxiangdianyuanxitongdezhengchanggongzuo。tongchang,dianyagensuiqijuyouzukangbianhua,yejiushiqishuruxiangdangyukailu,shuchuxiangdangyuduanlu,tongshi,shihaijuyouhuanchongdezuoyong,yejiushizaixinhaoyuanhefuzaizhijianhuanchong,jiangshuruxinhaowusunhaodeshuchu。yinci,keyishiyongtu3的電路測量LED驅動器的環路穩定性。
[page]
基於AOZ1081設計LED驅動器,輸入電壓4.5 V到16 V,輸出為一個HB LED,;使用Venable的3120測量環路,Rc=61.9kohm,Cc=820pF,測量波形和結果如圖4和表1所示。

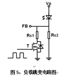
可以用圖5的負載跳變來驗證係統的穩定性,MOS驅動信號的頻率為1kHz,負載電流從35mA到350mA跳變,波形如圖6所示

5. 結論
1)基於BUCK降壓型變換器LED驅動器需要低的參考電壓,降低LED電流設定電阻所產生的功耗,從而提高效率。
2)基於BUCK降壓型變換器LED驅動器仍然是峰值電流模式,外環采樣的采樣信號是LED的電流,輸出電壓由串聯的LED的正向壓降確定。
3)在FB管腳加電壓跟隨器,可以隔離電流取樣電阻和用於測量相位裕量的信號注入電阻,保持正確的測量。
- 基於Buck變換器的LED驅動器與常規的Buck變換器的設計差異
- AOZ0181反饋環路的設計過程
- 不能直接測量Buck型LED驅動器增益裕量和相位裕量的原因
- 采樣低驅動電壓來降低LED功耗,提高效率
- 輸出電壓由串聯的LED的正向壓降確定
- 在FB管腳加電壓跟隨器
Buck降壓型LED驅動器和通用BUCK降壓型變換器的設計相同,但對於反饋環路的增益裕量和相位裕量的測試,卻和通常的Buck降壓型變換器有很大的不同,這是由於LED驅動器的特性決定的,本文將會討論這個有趣的問題。
1. Buck降壓型LED驅動器特點
Buck降壓型LED驅動器和通用Buck降壓型變換器最大的不同在於參考電壓的差異。通用Buck降壓型變換器的參考電壓通常是0.8V,1.25V等,用於設定輸出的電壓,輸出電流變化時,輸出電壓保持恒定,輸出的負載和輸出電容並聯,如圖1 所示。Buck降壓型LED驅動器的參考電壓通常是0.25V,0.2V,0.1V,用於設定LED的驅動電流,並保持LED的電流恒定。由於設定LED的驅動電流的取樣電阻和LED串(chuan)聯(lian),因(yin)此(ci)參(can)考(kao)電(dian)壓(ya)越(yue)低(di),取(qu)樣(yang)電(dian)阻(zu)的(de)功(gong)耗(hao)就(jiu)越(yue)小(xiao)。如(ru)果(guo)參(can)考(kao)電(dian)壓(ya)過(guo)低(di),由(you)於(yu)電(dian)流(liu)信(xin)號(hao)的(de)取(qu)樣(yang)信(xin)號(hao)太(tai)小(xiao),容(rong)易(yi)受(shou)外(wai)幹(gan)擾(rao),影(ying)響(xiang)取(qu)樣(yang)的(de)精(jing)度(du);此外,同樣的電流所要求的取樣電阻值太小,也不容易選購。
在Buck降壓型LED驅動器中,LED電流設定電阻有低端和高端電流取樣兩種方式,如圖1 所(suo)示(shi)。低(di)端(duan)電(dian)流(liu)取(qu)樣(yang)直(zhi)接(jie)對(dui)地(di)檢(jian)測(ce)電(dian)流(liu),設(she)計(ji)簡(jian)單(dan),但(dan)容(rong)易(yi)受(shou)到(dao)共(gong)模(mo)的(de)幹(gan)擾(rao),取(qu)樣(yang)精(jing)度(du)差(cha)。高(gao)端(duan)電(dian)流(liu)取(qu)樣(yang)不(bu)容(rong)易(yi)受(shou)到(dao)共(gong)模(mo)的(de)幹(gan)擾(rao),取(qu)樣(yang)精(jing)度(du)高(gao),但(dan)需(xu)要(yao)差(cha)動(dong)放(fang)大(da)器(qi)。

2. AOZ1081工作特點
本文將基於AOZ1081來介紹反饋環的設計,因此先介紹一下AOZ1081的工作特點。AOZ1081是一款降壓型Buck變換器,工作於電流模式,其特點可以讓它配置成LED驅動器,同時也可以作為通用Buck變換器使用。其特點如下:
(1)內置了低端的續流二極管,因此無需外加肖特基二極管;
(2)具有內部的軟起動,因此無需外加軟起動電容;
(3)0.25V的參考電壓,保證電流取樣精度同時降低電流設定電阻的功耗;
(4)輸入工作電壓為4.5V到16V,具有Power On Reset POR功能,輸入電壓到4V時開始工作,輸入電壓低於3.7V,關斷;
(5)具有連續的1.8A最大的輸出電流;
(6)占空比從12%到100%,輸入輸出壓差低時可以工作於LDO方式;
(7)1MHz的工作頻率,可以使用小體積的電感和電容;
(8)在EN管腳可以加到最高到200Hz的PWM波形進行數字調光;
(9)具有過流保護OCP和輸出過壓保護OVP;(10)芯片具有過溫保護OTP功能。
去LED照明電源社區看看
[page]
3. 反饋設計
BUCK降壓型LED驅動器仍然工作於峰值電流模式,其外環是取樣LED的電流,反饋環路維持LED電流恒定,這樣,輸出的電壓就由串聯的LED的正向壓降來決定。
和通用的峰值電流模式一樣,LED驅動器功率級由一個零點和一個極點組成:

其中:CO為輸出電容,ESR為輸出電容等效串聯電阻,RL為等效負載電阻。
如果采用RC串聯網絡RC和CC連接在AOZ1081的COMP管腳和地之間,相當於增加一個零點和一個極點的補償:

係統的穿越頻率fC決定係統的帶寬,帶寬越大,係統的響應越快,但容易受到高頻的幹擾。通用帶寬設為開關頻率的1/10,對於AOZ1081,開關頻率為1M左右,因此穿越頻率可選取小於75K。所以,反饋網絡可以用下式計算:

RC和CC形成的零點通常放大主極點fP1附近,但要低於1/5的穿越頻率,所以:

4. BUCK降壓型LED驅動器反饋測量
對於通用BUCK降壓型變換器,可以直接在反饋分壓電阻器上部電阻中,直接串接一個100歐姆的電阻R,由R注入測試信號,測量增益裕量和相位裕量,用於決定的係統的穩定程度,如圖2所示。注意到,相對於輸出的負載電阻,此回路相當於一個高阻抗回路,因此不影響係統的正常工作。

但是對於LED驅動電路,不能直接將100歐姆的信號注入電阻串聯在LED的回路中,因此,LED回路是恒流工作,串入電阻後,就改變了的輸出的電壓和輸出功率,係統不是正常的工作狀態。
zheyang,jiubixuyinruyizhonggelidedianlu,shizhurudexinhaobuyingxiangdianyuanxitongdezhengchanggongzuo。tongchang,dianyagensuiqijuyouzukangbianhua,yejiushiqishuruxiangdangyukailu,shuchuxiangdangyuduanlu,tongshi,shihaijuyouhuanchongdezuoyong,yejiushizaixinhaoyuanhefuzaizhijianhuanchong,jiangshuruxinhaowusunhaodeshuchu。yinci,keyishiyongtu3的電路測量LED驅動器的環路穩定性。

[page]
基於AOZ1081設計LED驅動器,輸入電壓4.5 V到16 V,輸出為一個HB LED,;使用Venable的3120測量環路,Rc=61.9kohm,Cc=820pF,測量波形和結果如圖4和表1所示。



[page]
可以用圖5的負載跳變來驗證係統的穩定性,MOS驅動信號的頻率為1kHz,負載電流從35mA到350mA跳變,波形如圖6所示



5. 結論
1)基於BUCK降壓型變換器LED驅動器需要低的參考電壓,降低LED電流設定電阻所產生的功耗,從而提高效率。
2)基於BUCK降壓型變換器LED驅動器仍然是峰值電流模式,外環采樣的采樣信號是LED的電流,輸出電壓由串聯的LED的正向壓降確定。
3)在FB管腳加電壓跟隨器,可以隔離電流取樣電阻和用於測量相位裕量的信號注入電阻,保持正確的測量。
特別推薦
- 噪聲中提取真值!瑞盟科技推出MSA2240電流檢測芯片賦能多元高端測量場景
- 10MHz高頻運行!氮矽科技發布集成驅動GaN芯片,助力電源能效再攀新高
- 失真度僅0.002%!力芯微推出超低內阻、超低失真4PST模擬開關
- 一“芯”雙電!聖邦微電子發布雙輸出電源芯片,簡化AFE與音頻設計
- 一機適配萬端:金升陽推出1200W可編程電源,賦能高端裝備製造
技術文章更多>>
- 邊緣AI的發展為更智能、更可持續的技術鋪平道路
- 每台智能體PC,都是AI時代的新入口
- IAR作為Qt Group獨立BU攜兩項重磅汽車電子應用開發方案首秀北京車展
- 構建具有網絡彈性的嵌入式係統:來自行業領袖的洞見
- 數字化的線性穩壓器
技術白皮書下載更多>>
- 車規與基於V2X的車輛協同主動避撞技術展望
- 數字隔離助力新能源汽車安全隔離的新挑戰
- 汽車模塊拋負載的解決方案
- 車用連接器的安全創新應用
- Melexis Actuators Business Unit
- Position / Current Sensors - Triaxis Hall
熱門搜索
SATA連接器
SD連接器
SII
SIM卡連接器
SMT設備
SMU
SOC
SPANSION
SRAM
SSD
ST
ST-ERICSSON
Sunlord
SynQor
s端子線
Taiyo Yuden
TDK-EPC
TD-SCDMA功放
TD-SCDMA基帶
TE
Tektronix
Thunderbolt
TI
TOREX
TTI
TVS
UPS電源
USB3.0
USB 3.0主控芯片
USB傳輸速度


