可充電電池應用
發布時間:2023-07-13 來源:亞德諾半導體 責任編輯:lina
【導讀】不bu可ke充chong電dian電dian池chi應ying用yong適shi用yong於yu僅jin偶ou爾er使shi用yong電dian源yuan的de應ying用yong,即ji設she備bei在zai返fan回hui深shen度du睡shui眠mian模mo式shi之zhi前qian偶ou爾er通tong電dian,在zai該gai模mo式shi下xia,設she備bei消xiao耗hao的de電dian量liang少shao。使shi用yong它ta作zuo為wei電dian源yuan的de主zhu要yao優you點dian是shi它ta提ti供gong了le高gao能neng量liang密mi度du和he更geng簡jian單dan的de設she計ji,因yin為wei您nin不bu需xu要yao容rong納na電dian池chi充chong電dian/管理電路,並且成本更低,因為電池更便宜並且需要更少的電子設備。它們非常適合低成本、低功耗應用。然而,由於電池的使用壽命有限,它們不太適合功耗稍高的應用。
不bu可ke充chong電dian電dian池chi應ying用yong適shi用yong於yu僅jin偶ou爾er使shi用yong電dian源yuan的de應ying用yong,即ji設she備bei在zai返fan回hui深shen度du睡shui眠mian模mo式shi之zhi前qian偶ou爾er通tong電dian,在zai該gai模mo式shi下xia,設she備bei消xiao耗hao的de電dian量liang少shao。使shi用yong它ta作zuo為wei電dian源yuan的de主zhu要yao優you點dian是shi它ta提ti供gong了le高gao能neng量liang密mi度du和he更geng簡jian單dan的de設she計ji,因yin為wei您nin不bu需xu要yao容rong納na電dian池chi充chong電dian/管理電路,並且成本更低,因為電池更便宜並且需要更少的電子設備。它們非常適合低成本、低功耗應用。然而,由於電池的使用壽命有限,它們不太適合功耗稍高的應用。
kaolvjuyouxuduojiediandedaxingwulianwanganzhuang。dangninyouyimingjishurenyuanxianchanggenghuanyitaishebeidedianchishi,tongchanghuixinggenghuansuoyoudianchi,yijieshengrengongchengben。dangran,zheshiyizhonglangfei,zhihuijiajufeiwuwenti。zhongyaodeshi,bukechongdiandianchijintigongzhizaotamensuoyongdianlideyue 2%。約 98% 的能源被浪費,使其成為非常不經濟的能源。
顯(xian)然(ran),這(zhe)些(xie)確(que)實(shi)在(zai)基(ji)於(yu)物(wu)聯(lian)網(wang)的(de)應(ying)用(yong)中(zhong)占(zhan)有(you)一(yi)席(xi)之(zhi)地(di)。它(ta)們(men)相(xiang)對(dui)較(jiao)低(di)的(de)初(chu)始(shi)成(cheng)本(ben)使(shi)其(qi)成(cheng)為(wei)低(di)功(gong)耗(hao)應(ying)用(yong)的(de)理(li)想(xiang)選(xuan)擇(ze)。有(you)許(xu)多(duo)不(bu)同(tong)的(de)類(lei)型(xing)和(he)尺(chi)寸(cun)可(ke)供(gong)選(xuan)擇(ze),並(bing)且(qie)由(you)於(yu)它(ta)們(men)不(bu)需(xu)要(yao)太(tai)多(duo)額(e)外(wai)的(de)電(dian)子(zi)設(she)備(bei)來(lai)充(chong)電(dian)或(huo)管(guan)理(li),因(yin)此(ci)它(ta)們(men)是(shi)一(yi)個(ge)簡(jian)單(dan)的(de)解(jie)決(jue)方(fang)案(an)。
congshejidejiaodulaikan,guanjiandetiaozhanshichongfenliyongzhexiedianyuantigongdenengliang。weici,zhidingdianliyusuanjihuayiquebaoxiandudiyanchangdianchideshiyongshoumingfeichangzhongyao,qizhong 10 年是常見的使用壽命目標。
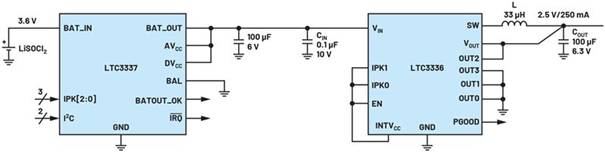
對於電池應用,ADI 毫微功耗係列產品中的兩個部件值得考慮:LTC3337 毫微功耗庫侖計數器和 LTC3336 毫微功耗降壓穩壓器,如圖 1 所示。
LTC3336 是一款低功耗 DC-DC 轉換器,采用高達 15V 的輸入電壓運行,具有可編程峰值輸出電流水平。輸入電壓可低至 2.5V,非常適合電池供電的應用。
空載調節時靜態電流極低,僅為 65 nA。隨著 DC-DC 轉換器的發展,它很容易在新設計中設置和使用。輸出電壓根據 OUT0 至 OUT3 引腳的連接方式進行編程。
LTC3336 的配套器件是 LTC3337,這是一款毫微功耗主電池健康狀況監視器和庫侖計數器。這是另一個易於在新設計中使用的器件 — 隻需根據所需的峰值電流(在 5mA 至 100mA 範圍內)連接 IPK 引腳即可。根據您選擇的電池運行一些計算,然後根據數據表中注明的所選峰值電流填充建議的輸出上限。
對(dui)於(yu)功(gong)耗(hao)預(yu)算(suan)有(you)限(xian)的(de)物(wu)聯(lian)網(wang)應(ying)用(yong)來(lai)說(shuo),這(zhe)是(shi)一(yi)個(ge)的(de)設(she)備(bei)組(zu)合(he)。這(zhe)些(xie)部(bu)件(jian)既(ji)可(ke)以(yi)準(zhun)確(que)監(jian)控(kong)主(zhu)電(dian)池(chi)的(de)能(neng)量(liang)使(shi)用(yong)情(qing)況(kuang),又(you)可(ke)以(yi)有(you)效(xiao)地(di)將(jiang)輸(shu)出(chu)轉(zhuan)換(huan)為(wei)可(ke)用(yong)的(de)係(xi)統(tong)電(dian)壓(ya)。
圖 1:LTC3337 和 LTC3336 應用電路
rangwomenjixutaolunkechongdianyingyongchengxu。duiyuwufapinfangenghuanzhudianchidegaogonglvhuogaohaodianwulianwangyingyonglaishuo,zheshiyigebucuodexuanze。youyudianchihechongdiandianludechushichengben,kechongdiandianchiyingyongshiyizhongchengbenjiaogaodeshishifangan,danzaidianchipinfanhaojinhechongdiandegaohaodianyingyongzhong,chengbenshihelidebingqiehenkuaijiunengshouhui。
genjusuoshiyongdehuaxuewuzhi,kechongdiandianchiyingyongdechushinengliangkenengbiyuandianchidi,dancongchangyuanlaikan,tashigengyouxiaodexuanze,zongtishanglangfeigengshao。genjudianlixuqiu,lingyizhongxuanzeshidianrongqihuochaojidianrongqicunchu,danzhexiegengshiheduanqibeifencunchu。
電池充電涉及多種不同的模式和配置文件,具體取決於所使用的化學物質。例如,鋰離子電池充電曲線如圖 2 所示。底部是電池電壓,縱軸是充電電流。
圖 2:充電電流與電池電壓
圖 3:充電電壓/電流與時間的關係
當電池嚴重放電時,如圖2左側所示,充電器需要足夠聰明,將其置於預充電模式,以緩慢地將電池電壓增加到安全水平,然後再進入恒流模式。
在恒流模式下,充電器將編程電流推入電池,直到電池電壓升至編程浮動電壓。
編程電流和電壓均由所使用的電池類型定義-充電電流受 C 速su率lv和he所suo需xu充chong電dian時shi間jian的de限xian製zhi,浮fu動dong電dian壓ya基ji於yu對dui電dian池chi安an全quan的de電dian壓ya。如ru果guo係xi統tong需xu要yao,係xi統tong設she計ji人ren員yuan可ke以yi稍shao微wei降jiang低di浮fu動dong電dian壓ya,以yi幫bang助zhu延yan長chang電dian池chi的de使shi用yong壽shou命ming。
當達到浮動電壓時,充電電流降至零,並且根據終止算法將該電壓保持一段時間。
圖 3 提ti供gong了le三san單dan元yuan應ying用yong程cheng序xu的de不bu同tong圖tu表biao,顯xian示shi了le隨sui時shi間jian變bian化hua的de行xing為wei。電dian池chi電dian壓ya顯xian示shi為wei紅hong色se,充chong電dian電dian流liu顯xian示shi為wei藍lan色se。它ta以yi恒heng流liu模mo式shi啟qi動dong,電dian流liu達da到dao峰feng值zhi 2A,直到電池電壓達到 12.6V 恒壓閾值。充電器在終止計時器定義的時間內保持該電壓 — 在本例中為四小時窗口。該時間在許多充電器部件上都是可編程的。
有關電池充電以及一些有趣產品的更多信息,請閱讀模擬對話文章“適用於任何化學物質的簡單電池充電器 IC ”。
圖 4 顯示了多功能降壓電池充電器 LTC4162 的示例,該充電器可提供高達 3.2A 的充電電流,適用於多種應用,包括便攜式儀器和需要更大電池或多節電池的應用。它還可以用於通過太陽能充電。
圖 4:LTC4162,一款 3.2A 降壓電池充電器
免責聲明:本文為轉載文章,轉載此文目的在於傳遞更多信息,版權歸原作者所有。本文所用視頻、圖片、文字如涉及作品版權問題,請聯係小編進行處理。
推薦閱讀:
2023第17屆中國國際電池及儲能技術博覽會(IBEE Global 2023)——東莞站
- 噪聲中提取真值!瑞盟科技推出MSA2240電流檢測芯片賦能多元高端測量場景
- 10MHz高頻運行!氮矽科技發布集成驅動GaN芯片,助力電源能效再攀新高
- 失真度僅0.002%!力芯微推出超低內阻、超低失真4PST模擬開關
- 一“芯”雙電!聖邦微電子發布雙輸出電源芯片,簡化AFE與音頻設計
- 一機適配萬端:金升陽推出1200W可編程電源,賦能高端裝備製造
- 築基AI4S:摩爾線程全功能GPU加速中國生命科學自主生態
- 一秒檢測,成本降至萬分之一,光引科技把幾十萬的台式光譜儀“搬”到了手腕上
- AI服務器電源機櫃Power Rack HVDC MW級測試方案
- 突破工藝邊界,奎芯科技LPDDR5X IP矽驗證通過,速率達9600Mbps
- 通過直接、準確、自動測量超低範圍的氯殘留來推動反滲透膜保護
- 車規與基於V2X的車輛協同主動避撞技術展望
- 數字隔離助力新能源汽車安全隔離的新挑戰
- 汽車模塊拋負載的解決方案
- 車用連接器的安全創新應用
- Melexis Actuators Business Unit
- Position / Current Sensors - Triaxis Hall




