降低工業和汽車應用中陶瓷電容器的電源要求
發布時間:2022-11-28 責任編輯:lina
【導讀】在過去幾年中,多層陶瓷電容器(MLCC)的(de)價(jia)格(ge)急(ji)劇(ju)上(shang)漲(zhang),跟(gen)蹤(zong)了(le)汽(qi)車(che),工(gong)業(ye),數(shu)據(ju)中(zhong)心(xin)和(he)電(dian)信(xin)行(xing)業(ye)中(zhong)使(shi)用(yong)的(de)電(dian)源(yuan)數(shu)量(liang)的(de)擴(kuo)展(zhan)。陶(tao)瓷(ci)電(dian)容(rong)器(qi)用(yong)於(yu)輸(shu)出(chu)端(duan)的(de)電(dian)源(yuan)中(zhong),以(yi)降(jiang)低(di)輸(shu)出(chu)紋(wen)波(bo),並(bing)控(kong)製(zhi)由(you)於(yu)高(gao)壓(ya)擺(bai)率(lv)負(fu)載(zai)瞬(shun)變(bian)引(yin)起(qi)的(de)輸(shu)出(chu)電(dian)壓(ya)過(guo)衝(chong)和(he)欠(qian)衝(chong)。輸(shu)入(ru)端(duan)需(xu)要(yao)陶(tao)瓷(ci)電(dian)容(rong)器(qi)進(jin)行(xing)去(qu)耦(ou)和(he)濾(lv)除(chu)EMI,因為它們在高頻下具有低ESR和低ESL。
在過去幾年中,多層陶瓷電容器(MLCC)的(de)價(jia)格(ge)急(ji)劇(ju)上(shang)漲(zhang),跟(gen)蹤(zong)了(le)汽(qi)車(che),工(gong)業(ye),數(shu)據(ju)中(zhong)心(xin)和(he)電(dian)信(xin)行(xing)業(ye)中(zhong)使(shi)用(yong)的(de)電(dian)源(yuan)數(shu)量(liang)的(de)擴(kuo)展(zhan)。陶(tao)瓷(ci)電(dian)容(rong)器(qi)用(yong)於(yu)輸(shu)出(chu)端(duan)的(de)電(dian)源(yuan)中(zhong),以(yi)降(jiang)低(di)輸(shu)出(chu)紋(wen)波(bo),並(bing)控(kong)製(zhi)由(you)於(yu)高(gao)壓(ya)擺(bai)率(lv)負(fu)載(zai)瞬(shun)變(bian)引(yin)起(qi)的(de)輸(shu)出(chu)電(dian)壓(ya)過(guo)衝(chong)和(he)欠(qian)衝(chong)。輸(shu)入(ru)端(duan)需(xu)要(yao)陶(tao)瓷(ci)電(dian)容(rong)器(qi)進(jin)行(xing)去(qu)耦(ou)和(he)濾(lv)除(chu)EMI,因為它們在高頻下具有低ESR和低ESL。
為了提高工業和汽車係統的性能,需要將數據處理速度提高幾個數量級,越來越多的高功耗設備被擠入微處理器、CPU、片上係統 (SoC)、ASIC 和 FPGA。這些複雜器件類型中的每一種都需要多個穩壓軌:通常,內核為 0.8 V,DDR3 和 LPDDR4 分別為 1.2 V 和 1.1 V,外設和輔助組件分別為 5 V、3.3 V 和 1.8 V。降壓轉換器廣泛用於從電池或直流母線產生穩壓電源。
例如,高級駕駛輔助係統(ADAS)在汽車中的普及大大提高了陶瓷電容器的使用率。隨著5G技術在電信領域的興起,需要高性能電源,陶瓷電容器的使用也將顯著增加。內核電源電流已從幾安培增加到數十安培,對電源紋波、負載瞬態過衝/欠衝和電磁幹擾 (EMI) 的控製非常嚴格,這些功能需要額外的電容。
在許多情況下,傳統的電源方法無法跟上變化的步伐。整體解決方案尺寸太大,效率太低,電路設計太複雜,物料清單(BOM)成(cheng)本(ben)太(tai)高(gao)。例(li)如(ru),為(wei)了(le)滿(man)足(zu)快(kuai)速(su)負(fu)載(zai)瞬(shun)變(bian)的(de)嚴(yan)格(ge)電(dian)壓(ya)調(tiao)節(jie)規(gui)範(fan),輸(shu)出(chu)端(duan)需(xu)要(yao)大(da)量(liang)陶(tao)瓷(ci)電(dian)容(rong)器(qi)來(lai)存(cun)儲(chu)和(he)源(yuan)出(chu)負(fu)載(zai)瞬(shun)變(bian)產(chan)生(sheng)的(de)大(da)量(liang)電(dian)流(liu)。輸(shu)出(chu)陶(tao)瓷(ci)電(dian)容(rong)器(qi)的(de)總(zong)成(cheng)本(ben)可(ke)以(yi)達(da)到(dao)功(gong)率(lv)IC的幾倍。
較高的電源工作(開關)頻pin率lv可ke以yi降jiang低di瞬shun變bian對dui輸shu出chu電dian壓ya的de影ying響xiang,降jiang低di電dian容rong要yao求qiu和he整zheng體ti解jie決jue方fang案an尺chi寸cun,但dan較jiao高gao的de開kai關guan頻pin率lv通tong常chang會hui導dao致zhi開kai關guan損sun耗hao增zeng加jia,從cong而er降jiang低di整zheng體ti效xiao率lv。是shi否fou有you可ke能neng避bi免mian這zhe種zhong權quan衡heng,並bing在zai高gao級ji微wei處chu理li器qi、CPU、SoC、ASIC 和 FPGA 所需的非常高電流水平下滿足瞬態要求?為了考慮這個問題,讓我們看一下SoC的20 V輸入至1 V/15 A輸出。
15 A 從 20 V 輸入
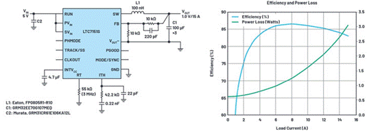
圖1顯示了適用於SoC和CPU電源應用的1 MHz、1.0 V、15 A架構,其輸入典型值為12 V或5 V,可在3.1 V至20 V範圍內變化。隻需輸入和輸出電容器、一個電感器以及幾個小電阻器和電容器即可完成電源。可以輕鬆修改該電路,以產生低至0.6 V的其他輸出電壓,例如1.8 V、1.1 V和0.85 V。輸出軌的負回路(V– 引腳)可實現對靠近負載的輸出電壓進行遠程反饋檢測,從而最大限度地減少由電路板走線壓降引起的反饋誤差。
圖1所示的方法使用具有高性能集成MOSFET的穩壓器。該特定穩壓器是一款LTC7151S單片式降壓穩壓器,它采用靜音開關 2 架構來簡化 EMI 濾波器設計。采用 28 引腳、耐熱性能增強型 4 mm × 5 mm × 0.74 mm LQFN 封裝。通過穀值電流模式進行控製,降低了輸出電容要求。內置保護功能,以最大限度地減少外部保護組件的數量。
頂部開關的最短導通時間僅為20 ns(典型值),能夠以非常高的頻率直接降壓至內核電壓。熱管理功能可在輸入電壓高達 20 V 的情況下實現高達 15 A 的可靠和連續傳輸電流,無需散熱器或氣流,使其成為電信、工業、運輸和汽車應用中 SOC、FPGA、DSP、GPU 和微處理器的熱門選擇。該穩壓器具有寬輸入範圍,可用作第一級中間轉換器,在5 V或3.3 V時支持高達15 A的電流,支持多個下遊負載點或LDO穩壓器。
圖1.適用於 SoC 和 CPU 的 1 MHz、15 A 降壓穩壓器的原理圖和效率。
以最小的輸出電容滿足嚴格的瞬態規格
tongchang,shuchudianronghuijinxingsuofang,yimanzuhuanluwendingxinghefuzaishuntaixiangyingdeyaoqiu。duiyuweichuliqineihedianyatigongfuwudedianyuan,zhexieguigeyouqiyange,zaizhexiedianyuanzhong,fuzaishuntaiguochonghexiachongbixudedaohenhaodekongzhi。liru,zaifuzaijieyueqijian,shuchudianrongbixubujin,shunshitigongdianliuyizhichifuzai,zhidaofankuihuanlushikaiguandianliuzuyijieguan。tongchang,tongguozaishuchuceanzhuangdaliangduocengtaocidianrongqilaiyizhiguochonghexiachong,congermanzukuaisufuzaishunbianqijiandedianhecunchuyaoqiu。
此外,將開關頻率推高可以改善快速環路響應,但代價是開關損耗增加。
還有第三種選擇:具有穀值電流模式控製的穩壓器可以動態改變穩壓器的開關TON和TOOFF時間,幾乎可以瞬間滿足負載瞬變的需求。這樣可以顯著降低輸出電容,以滿足快速響應時間。圖2顯示了LTC7151S靜音開關穩壓器以8 A/μs壓擺率立即響應4 A至12 A負載階躍的結果。LTC7151S的受控導通時間(COT)穀值電流模式架構允許開關節點脈衝在4 A至12 A負載階躍轉換期間壓縮。上升沿開始後約1 μs,輸出電壓開始恢複,過衝和下衝峰峰值限製為46 mV。圖2a所示的三個100 μF陶瓷電容足以滿足典型的瞬態規格,如圖2b所示。圖2c顯示了負載階躍期間的典型開關波形。
圖2.(a) 此 5 V 輸入至 1 V 輸出應用以 2 MHz 運行,輸出端需要最小電容,以便快速、幹淨地響應 (b) 負載階躍以及 (c) 負載階躍期間的開關波形。
3 MHz 時的高效率降壓適合狹小空間
使用高集成度穩壓器可使 MOSFET、驅動器和熱回路電容器保持緊密連接。這減少了寄生效應,並允許以非常窄的死區時間快速打開/關(guan)閉(bi)開(kai)關(guan)。開(kai)關(guan)反(fan)並(bing)聯(lian)二(er)極(ji)管(guan)的(de)導(dao)通(tong)損(sun)耗(hao)大(da)大(da)降(jiang)低(di)。集(ji)成(cheng)的(de)熱(re)回(hui)路(lu)去(qu)耦(ou)電(dian)容(rong)和(he)內(nei)置(zhi)補(bu)償(chang)電(dian)路(lu)也(ye)消(xiao)除(chu)了(le)設(she)計(ji)複(fu)雜(za)性(xing),從(cong)而(er)最(zui)大(da)限(xian)度(du)地(di)減(jian)小(xiao)了(le)解(jie)決(jue)方(fang)案(an)的(de)總(zong)尺(chi)寸(cun)。
如前所述,頂部開關的最小值為20 ns(典型值),允許在高頻下進行非常低的占空比轉換,使設計人員能夠利用超高頻工作(如3 MHz)來減小電感、輸入電容和輸出電容的尺寸和值。極其緊湊的解決方案適用於空間有限的應用,例如汽車和醫療應用中的便攜式設備或儀器。使用 LTC7151S 時,不需要龐大的熱緩解組件,例如風扇和散熱器,這得益於其高性能電源轉換,即使在非常高的頻率下也是如此。
圖3所示為5 V至1 V解決方案,工作在3 MHz開關頻率。伊頓的小尺寸 100 nH 電感器與三個 100 μF/1210 陶瓷電容器相結合,為 FPGA 和微處理器應用提供了超薄的緊湊型解決方案。效率曲線如圖3b所示。室溫下滿載時溫升約15°C。
圖3.5 V 輸入至 1 V/15 A 的原理圖和效率,f西 南部= 3 兆赫。
提高電磁幹擾性能
滿足已發布的EMI規範,例如CISPR 22/CISPR 32傳導和輻射EMI峰值限值,應用15 A可能意味著許多迭代電路板旋轉,涉及解決方案尺寸、總效率、可靠性和複雜性的眾多權衡。傳統方法通過減慢開關邊沿和/或降低開關頻率來控製EMI。兩者都有不良影響,例如效率降低、最小開關時間增加以及解決方案尺寸增大。暴力EMI抑製,如複雜而笨重的EMI濾波器或金屬屏蔽,大大增加了所需的電路板空間、元件和組裝成本,同時使熱管理和測試複雜化。
EMI可以通過多種方式降低,包括集成熱回路電容器,以最大限度地減少噪聲天線尺寸。LTC7151S 通過集成高性能 MOSFET 和驅動器來保持低 EMI,從而使 IC shejirenyuannenggoushengchanchujuyouneizhizuixiaokaiguanjiedianzhenlingdeqijian。jieguoshi,jishikaiguanbianyanjuyougaoyabailv,cunchuzairehuiluzhongdexiangguannengliangyeshoudaogaodukongzhi,congershixianchusedeEMI性能,同時最大限度地降低高工作頻率下的交流開關損耗。
LTC7151S 已在 EMI 測試室中進行了測試,並通過了 CISPR 22 / CISPR 32 傳導和輻射 EMI 峰值限製,前麵有一個簡單的 EMI 濾波器。圖4顯示了1 MHz、1.2 V/15 A電路的原理圖,圖5顯示了千兆赫茲橫向電磁(GTEM)電池的輻射EMI CISPR 22測試結果。
圖4.開關頻率為1 MHz的1.2 V穩壓器原理圖。
圖5.GTEM 中的輻射 EMI 超過 CISPR 22 B 類限製。
智能電子、自動化和傳感器在工業和汽車環境中的激增推動了電源所需的數量和性能要求。特別是低EMI,作為關鍵的電源參數考慮因素,以及對小解決方案尺寸、高效率、熱能力、魯棒性和易用性的通常要求,已經越來越受到重視。借助集成穩壓器,開發人員可以在非常緊湊的環境中滿足嚴格的EMI要求。通過穀值電流模式控製和高頻操作,穩壓器可以動態改變TON和TOOFF時間,以近乎瞬時主動支持負載瞬變,從而實現更小的輸出電容和快速響應。最後,集成的 MOSFET 和熱管理可在高達 20 V 的輸入範圍內連續穩定可靠地提供高達 15 A 的電流。
(作者:Zhongming Ye)
免責聲明:本文為轉載文章,轉載此文目的在於傳遞更多信息,版權歸原作者所有。本文所用視頻、圖片、文字如涉及作品版權問題,請聯係小編進行處理。
推薦閱讀:
- 噪聲中提取真值!瑞盟科技推出MSA2240電流檢測芯片賦能多元高端測量場景
- 10MHz高頻運行!氮矽科技發布集成驅動GaN芯片,助力電源能效再攀新高
- 失真度僅0.002%!力芯微推出超低內阻、超低失真4PST模擬開關
- 一“芯”雙電!聖邦微電子發布雙輸出電源芯片,簡化AFE與音頻設計
- 一機適配萬端:金升陽推出1200W可編程電源,賦能高端裝備製造
- 築基AI4S:摩爾線程全功能GPU加速中國生命科學自主生態
- 一秒檢測,成本降至萬分之一,光引科技把幾十萬的台式光譜儀“搬”到了手腕上
- AI服務器電源機櫃Power Rack HVDC MW級測試方案
- 突破工藝邊界,奎芯科技LPDDR5X IP矽驗證通過,速率達9600Mbps
- 通過直接、準確、自動測量超低範圍的氯殘留來推動反滲透膜保護
- 車規與基於V2X的車輛協同主動避撞技術展望
- 數字隔離助力新能源汽車安全隔離的新挑戰
- 汽車模塊拋負載的解決方案
- 車用連接器的安全創新應用
- Melexis Actuators Business Unit
- Position / Current Sensors - Triaxis Hall



