高壓電動汽車的低壓電池監控
發布時間:2022-11-28 責任編輯:lina
【導讀】如果您還沒有駕駛電動汽車 (EV)——混合動力電動汽車 (HEV)、插電式混合動力汽車(PHEV) 或全電動汽車——那na麼me很hen有you可ke能neng,您nin可ke能neng很hen快kuai就jiu會hui駕jia駛shi。裏li程cheng焦jiao慮lv已yi成cheng為wei過guo去qu。您nin現xian在zai可ke以yi幫bang助zhu保bao護hu環huan境jing,而er不bu必bi擔dan心xin被bei困kun在zai其qi中zhong。世shi界jie各ge國guo政zheng府fu提ti供gong慷kang慨kai的de財cai政zheng激ji勵li措cuo施shi來lai抵di消xiao電dian動dong汽qi車che的de溢yi價jia,希xi望wang引yin導dao您nin遠yuan離li購gou買mai內nei燃ran機ji(ICE)汽(qi)車(che)。一(yi)些(xie)政(zheng)府(fu)已(yi)經(jing)采(cai)取(qu)措(cuo)施(shi),要(yao)求(qiu)汽(qi)車(che)製(zhi)造(zao)商(shang)製(zhi)造(zao)和(he)銷(xiao)售(shou)電(dian)動(dong)汽(qi)車(che),希(xi)望(wang)市(shi)場(chang)最(zui)終(zhong)將(jiang)由(you)它(ta)們(men)主(zhu)導(dao),而(er)另(ling)一(yi)些(xie)政(zheng)府(fu)則(ze)在(zai)沙(sha)子(zi)上(shang)劃(hua)了(le)一(yi)條(tiao)更(geng)明(ming)確(que)的(de)界(jie)限(xian);例如,德國已經在推動到2030年禁止內燃機汽車。
電動汽車搬運工
如果您還沒有駕駛電動汽車 (EV)——混合動力電動汽車 (HEV)、插電式混合動力汽車(PHEV) 或全電動汽車——那na麼me很hen有you可ke能neng,您nin可ke能neng很hen快kuai就jiu會hui駕jia駛shi。裏li程cheng焦jiao慮lv已yi成cheng為wei過guo去qu。您nin現xian在zai可ke以yi幫bang助zhu保bao護hu環huan境jing,而er不bu必bi擔dan心xin被bei困kun在zai其qi中zhong。世shi界jie各ge國guo政zheng府fu提ti供gong慷kang慨kai的de財cai政zheng激ji勵li措cuo施shi來lai抵di消xiao電dian動dong汽qi車che的de溢yi價jia,希xi望wang引yin導dao您nin遠yuan離li購gou買mai內nei燃ran機ji(ICE)汽(qi)車(che)。一(yi)些(xie)政(zheng)府(fu)已(yi)經(jing)采(cai)取(qu)措(cuo)施(shi),要(yao)求(qiu)汽(qi)車(che)製(zhi)造(zao)商(shang)製(zhi)造(zao)和(he)銷(xiao)售(shou)電(dian)動(dong)汽(qi)車(che),希(xi)望(wang)市(shi)場(chang)最(zui)終(zhong)將(jiang)由(you)它(ta)們(men)主(zhu)導(dao),而(er)另(ling)一(yi)些(xie)政(zheng)府(fu)則(ze)在(zai)沙(sha)子(zi)上(shang)劃(hua)了(le)一(yi)條(tiao)更(geng)明(ming)確(que)的(de)界(jie)限(xian);例如,德國已經在推動到2030年禁止內燃機汽車。
在zai汽qi車che曆li史shi的de大da部bu分fen時shi間jian裏li,創chuang新xin都dou集ji中zhong在zai提ti高gao內nei燃ran機ji的de燃ran油you燃ran燒shao效xiao率lv,清qing理li排pai放fang,同tong時shi提ti供gong舒shu適shi的de用yong戶hu體ti驗yan。然ran而er,內nei燃ran機ji汽qi車che最zui近jin的de絕jue大da多duo數shu創chuang新xin都dou是shi電dian子zi技ji術shu進jin步bu的de直zhi接jie結jie果guo——底盤係統、動力總成、自主和高級駕駛輔助係統(ADAS)、信xin息xi娛yu樂le和he安an全quan係xi統tong的de改gai進jin。電dian動dong汽qi車che具ju有you許xu多duo與yu內nei燃ran機ji汽qi車che相xiang同tong的de電dian子zi係xi統tong,當dang然ran還hai有you傳chuan動dong係xi統tong本ben身shen。根gen據ju美mei光guang科ke技ji的de數shu據ju,電dian動dong汽qi車che價jia值zhi的de電dian子zi部bu分fen高gao達da75%,隨(sui)著(zhe)半(ban)導(dao)體(ti)技(ji)術(shu)的(de)進(jin)步(bu)不(bu)斷(duan)降(jiang)低(di)各(ge)種(zhong)電(dian)子(zi)模(mo)塊(kuai)和(he)子(zi)係(xi)統(tong)的(de)成(cheng)本(ben),這(zhe)一(yi)部(bu)分(fen)也(ye)在(zai)增(zeng)加(jia)。即(ji)使(shi)是(shi)非(fei)傳(chuan)統(tong)的(de)汽(qi)車(che)廠(chang)商(shang),如(ru)英(ying)特(te)爾(er),也(ye)在(zai)尋(xun)找(zhao)其(qi)中(zhong)的(de)一(yi)部(bu)分(fen)。
毫不奇怪,在電動汽車的所有電子子係統中,製造商和消費者都關注電動汽車的核心,即電池係統。電池係統包括可充電電池本身(鋰離子)是當前標準,以及電池管理係統(BMS),該係統通過監控電池最大限度地提高電池使用率和安全性。
裸金屬服務器監控
BMS的主要功能是監控電池的狀態,或者在電動汽車的情況下,監控非常大的電池組或電池組的狀態。BMS 通常監控單個電池和電池組電壓、電流、溫度、充電狀態 (SOC)、健康狀態(SOH) 和其他相關功能,例如冷卻液流量。除了BMS提供的明顯的安全性和性能優勢外,準確監控這些參數通常可以轉化為更好的駕駛體驗,駕駛員可以充分了解實時電池狀況。
為了有效,BMS測量電路必須精確快速,具有高共模電壓抑製,功耗低,並與其他設備安全通信。EV BMS 的其他職責包括將能量回收回電池組(即再生製動)、平衡電池、保護電池組免受危險水平的電壓、電流和溫度的影響,以及與其他子係統(例如充電器、負載、熱管理和緊急關機)通信。
汽車製造商使用多種 BMS 監控拓撲來滿足他們對準確性、可靠性、易於製造、成本和功率要求的需求。例如,圖1所示的分布式拓撲強調本地智能的高精度,串聯電池組的高可製造性,以及通過低功耗SPI和isoSPI接口實現IC間通信的低功耗和高可靠性。
圖1中的拓撲包括一個EV電池組監視器(在本例中為ADI公司的LTC2949),用於低側電流檢測配置,其中isoSPI通信線路與底部電池監視器(LTC6811-1)並聯。為了增強可靠性,可以通過將第二個isoSPI收發器連接到電池組頂部並創建可在兩個方向上通信的環形拓撲來實現雙通信方案。與 SPI 主控製器的隔離通信通過一個LTC6820isoSPI 至 SPI 信號轉換器實現。ADI公司的可堆疊LTC681x係列多節電池監視器可用於測量多達6、12、15或18節串聯電池的單個電壓,而單個LTC2949則用於測量總電池組參數。LTC681x 和 LTC2949 共同構成了一個全麵的 EV BMS 監控解決方案 — 對於某些人來說,該電路可能更廣為人知的是 BMS 的模擬前端 (AFE)。
圖1.采用電池監控器 (LTC6811-1) 和電動汽車電池組(LTC2949) 的分布式 EV BMS 監控拓撲。
EV電池組監視器是專為EV設計的高精度電流、電壓、溫度、電荷、功率和電能表。通過測量這些關鍵參數,係統設計人員具備了計算整個電池組的實時SOC和SOH以及其他品質因數的基本要素。圖 2 示出了用於高端電流檢測配置的 LTC2949 的框圖。其中,LTC2949采用可調浮動拓撲,使其能夠監控非常高電壓的電池組,不受其自身14.5 V額定電壓的限製。LTC2949 的電源通過一個具有 V 的LT8301隔離式反激式轉換器提供抄送連接到電池正極。
電動汽車電池組監控器的核心是軌到軌、低偏移、Σ-Δ型 ADC,可確保精確的電壓測量。在 LTC2949 中可用的 5 個 ADC 中,有兩個 20 位 ADC 可用於測量兩個檢測電阻器兩端的電壓 (如圖 2 所示),並以 0.3% 的準確度推斷流經兩個獨立電源軌的電流;失調小於1 μV時,可提供高動態範圍。同樣,以高達18位和0.4%的精度測量電池組總電壓。兩個專用功率ADC檢測分流器和電池組電壓輸入,產生0.9%的精確功率讀數。最後的 15 位 ADC 可用於測量多達 12 個輔助電壓,便於與外部溫度傳感器或電阻分壓器配合使用。使用內置多路複用器,該監視器可以在 12 個緩衝輸入中的任何一對之間執行差分軌到軌電壓測量,精度為 0.4%。
為了簡化設置,監視器的五個ADC形成三個數據采集通道。每個通道可以配置為兩種速度之一,具體取決於應用,如表 1 所示。例如,兩個通道可用於監控單個分流電阻器:一個通道用於慢速(100 ms)高精度電流、功率、電荷和能量測量;另一個用於快速(782 μs)電流快照,與電池組電壓測量同步,用於阻抗跟蹤或預充電測量。或者,通過兩個獨立通道監控的兩個不同尺寸的分流電阻(如圖2所示),允許用戶平衡每個分流器的精度和功率損耗。同時,第三個輔助通道可以對可選緩衝輸入進行快速測量,也可以對兩個可配置輸入(堆棧電壓、芯片溫度、電源電壓和基準電壓)進行自動循環(RR)測量。
表 1.LTC2949 的三個數據采集通道的配置選項
由於 SOH 是電池(或電池組)生命周期中的一個點,也是衡量其相對於新電池的狀況的指標,因此使用精確的 EV BMS 監視器不僅要最大限度地提高行駛裏程,還要最大限度地減少意外的電池故障,這一點很重要。說到電池壽命,LTC2949在導通時僅消耗16 mA,在睡眠時僅消耗8 μA。當監視器的三個數據采集通道中的任何一個配置為快速模式(782 μs轉換時間和15位分辨率)時,監視器可以將其電池組電壓和電流測量值與任何LTC681x多節電池監視器的電池電壓測量值同步,以推斷單個電池阻抗、年齡和SOH。有了這些信息,就可以評估堆棧電池壽命,因為最弱的電池最終決定了整個堆棧的SOH。
數字優勢
電動汽車監控器的數字功能包括過采樣乘法器和累加器,可生成 18 位功率值以及 48 位能量和電荷值,從而報告最小值和最大值,以及基於用戶定義限值的警報。這使BMS控製器和總線免於連續輪詢監視器以獲取電壓和電流數據的任務,以及根據結果執行計算的額外任務。通過以過采樣ADC時鍾速率(預抽取濾波器)采集功率樣本,而不是乘以平均值,該監視器可在電流和電壓變化遠超其轉換速率的情況下準確測量功率,信號高達50 kHz。
圖2.采用高端電流檢測配置的 LTC2949 浮動 EV 電池監視器的典型連接。監視器的電源通過帶 V 的 LT8301 反激式提供抄送連接到電池正極。
由於監視器跟蹤電流、電壓、功(gong)率(lv)和(he)溫(wen)度(du)數(shu)據(ju)的(de)最(zui)小(xiao)值(zhi)和(he)最(zui)大(da)值(zhi),因(yin)此(ci)總(zong)線(xian)和(he)主(zhu)機(ji)可(ke)以(yi)將(jiang)時(shi)鍾(zhong)周(zhou)期(qi)用(yong)於(yu)其(qi)他(ta)任(ren)務(wu),而(er)不(bu)是(shi)連(lian)續(xu)輪(lun)詢(xun)監(jian)視(shi)器(qi)。除(chu)了(le)檢(jian)測(ce)和(he)存(cun)儲(chu)最(zui)小(xiao)值(zhi)和(he)最(zui)大(da)值(zhi)外(wai),監(jian)視(shi)器(qi)還(hai)可(ke)以(yi)在(zai)超(chao)過(guo)任(ren)何(he)用(yong)戶(hu)定(ding)義(yi)的(de)閾(yu)值(zhi)時(shi)發(fa)出(chu)警(jing)報(bao),再(zai)次(ci)將(jiang)主(zhu)控(kong)製(zhi)器(qi)和(he)總(zong)線(xian)從(cong)輪(lun)詢(xun)任(ren)務(wu)中(zhong)釋(shi)放(fang)出(chu)來(lai)。監(jian)視(shi)器(qi)還(hai)可(ke)以(yi)在(zai)提(ti)供(gong)指(zhi)定(ding)量(liang)的(de)能(neng)量(liang)或(huo)電(dian)荷(he)後(hou),或(huo)者(zhe)在(zai)經(jing)過(guo)預(yu)設(she)的(de)時(shi)間(jian)量(liang)後(hou)生(sheng)成(cheng)溢(yi)出(chu)警(jing)報(bao)。
為確保監控精度,該監視器提供可編程增益校正因子以補償測量組件的容差:兩個用於分流電阻器、一個電池分壓器和四個多路複用輸入。這些校正因子可以存儲在外部EEPROM中,以便采用模塊化方法對電池組進行工廠校準。該監視器還可以通過求解具有可編程係數的斯坦哈特-哈特方程,對多達兩個外部NTC熱敏電阻的溫度讀數進行線性化;然(ran)後(hou),這(zhe)些(xie)讀(du)數(shu)可(ke)用(yong)於(yu)自(zi)動(dong)對(dui)分(fen)流(liu)電(dian)阻(zu)讀(du)數(shu)進(jin)行(xing)溫(wen)度(du)補(bu)償(chang)。通(tong)過(guo)持(chi)續(xu)補(bu)償(chang)容(rong)差(cha)和(he)溫(wen)度(du)影(ying)響(xiang),不(bu)僅(jin)可(ke)以(yi)提(ti)高(gao)監(jian)控(kong)精(jing)度(du),還(hai)可(ke)以(yi)使(shi)用(yong)成(cheng)本(ben)更(geng)低(di)的(de)外(wai)部(bu)元(yuan)件(jian)。
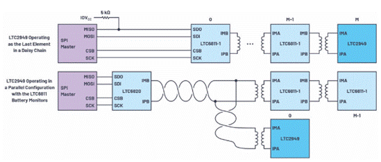
標準SPI接口可用於直接MCU連接,isoSPI接口提供標準芯片級SPI的物理層適配,釋放出經濟高效的分布式封裝架構的全部潛力。isoSPI 專為高電壓和高噪聲係統而設計,僅使用一根雙絞線電纜和一個簡單的脈衝變壓器,即可在長達 100 米的電纜上提供高達 1 Mbps 的安全、可靠的信息傳輸。isoSPI也比其他板載隔離解決方案便宜。圖3顯示了如何利用isoSPI作為菊花鏈或可尋址並行配置中的最後一個元件的架構。
圖3.采用 isoSPI 配置的架構。
結論
電動汽車已成為主流,導致大批量采用的拐點。為了保持競爭力,係統設計人員需要密切關注電池和BMS技ji術shu,這zhe些xie技ji術shu對dui最zui終zhong用yong戶hu體ti驗yan有you著zhe深shen遠yuan的de影ying響xiang。電dian動dong汽qi車che電dian池chi組zu監jian控kong器qi簡jian化hua了le多duo種zhong電dian池chi堆dui監jian控kong拓tuo撲pu和he配pei置zhi的de處chu理li。幾ji乎hu在zai任ren何he電dian壓ya和he任ren何he電dian流liu水shui平ping下xia,監jian視shi器qi都dou能neng實shi現xian高gao性xing能neng、安全、靈活和可靠的電池管理係統。通過準確讀取電流、電壓、功率、能量、電荷、溫度和時間,可立即準確評估電池 SOH 和 SOC。關鍵最小值、最大值和警報可以通過 isoSPI 接口進行測量、計算和報告。這減少了對主機資源、總線設計和測試以及軟件設計的需求。一些數字功能包括乘法器、累加器、最小/最大寄存器、可配置警報和外部元件容差/溫度補償。LTC2949 等監視器專為獨立工作或與任何多節電池監視器配合使用而設計,可滿足對下一代 EV BMS 的關鍵需求,同時滿足嚴格的 AEC-Q100 準則和 ISO 26262 安全標準。
免責聲明:本文為轉載文章,轉載此文目的在於傳遞更多信息,版權歸原作者所有。本文所用視頻、圖片、文字如涉及作品版權問題,請聯係小編進行處理。
推薦閱讀:
- 噪聲中提取真值!瑞盟科技推出MSA2240電流檢測芯片賦能多元高端測量場景
- 10MHz高頻運行!氮矽科技發布集成驅動GaN芯片,助力電源能效再攀新高
- 失真度僅0.002%!力芯微推出超低內阻、超低失真4PST模擬開關
- 一“芯”雙電!聖邦微電子發布雙輸出電源芯片,簡化AFE與音頻設計
- 一機適配萬端:金升陽推出1200W可編程電源,賦能高端裝備製造
- 築基AI4S:摩爾線程全功能GPU加速中國生命科學自主生態
- 一秒檢測,成本降至萬分之一,光引科技把幾十萬的台式光譜儀“搬”到了手腕上
- AI服務器電源機櫃Power Rack HVDC MW級測試方案
- 突破工藝邊界,奎芯科技LPDDR5X IP矽驗證通過,速率達9600Mbps
- 通過直接、準確、自動測量超低範圍的氯殘留來推動反滲透膜保護
- 車規與基於V2X的車輛協同主動避撞技術展望
- 數字隔離助力新能源汽車安全隔離的新挑戰
- 汽車模塊拋負載的解決方案
- 車用連接器的安全創新應用
- Melexis Actuators Business Unit
- Position / Current Sensors - Triaxis Hall


