智能家居照明係統的研究與設計
發布時間:2011-12-15
中心議題:
- 智能家居照明係統方案
- 2.4G模塊
- 智能家居照明控製設計
隨著科技的發展,越來越多的自動化、智(zhi)能(neng)化(hua)的(de)產(chan)品(pin)進(jin)入(ru)到(dao)人(ren)們(men)的(de)生(sheng)活(huo),智(zhi)能(neng)家(jia)居(ju)正(zheng)逐(zhu)漸(jian)取(qu)代(dai)傳(chuan)統(tong)家(jia)居(ju),成(cheng)為(wei)一(yi)種(zhong)行(xing)業(ye)發(fa)展(zhan)潮(chao)流(liu)。智(zhi)能(neng)家(jia)居(ju)照(zhao)明(ming)係(xi)統(tong)作(zuo)為(wei)智(zhi)能(neng)家(jia)居(ju)係(xi)統(tong)的(de)一(yi)個(ge)重(zhong)要(yao)子(zi)係(xi)統(tong),具(ju)有(you)高(gao)效(xiao)節(jie)能(neng)、管理簡單、控製多樣、成本較低和容易進入市場的優勢。本文對麵向智能家居的智能照明係統進行研究和開發,完成了一種單片機控製的、低成本的智能家居照明係統。
1.概述
zhinengjiajuzhaomingxitonglishuyuzhinengjiajuzhongdeyigezixitong,yekeyidandushiyong。zhinengjiajuzhaomingxitongnengkongzhibutongshenghuoquyubutongchanghedegezhongzhaomingxiaoguoqingsongjiejuejiajujienengwenti、提ti高gao生sheng活huo品pin質zhi。生sheng活huo中zhong常chang常chang遇yu到dao這zhe樣yang的de問wen題ti,當dang在zai客ke廳ting中zhong看kan電dian視shi或huo讀du書shu時shi並bing不bu需xu要yao太tai強qiang烈lie的de照zhao明ming光guang線xian不bu得de不bu關guan掉diao客ke廳ting大da燈deng開kai啟qi光guang線xian相xiang對dui較jiao暗an用yong於yu滿man足zu看kan電dian視shi或huo讀du書shu需xu要yao的de其qi他ta燈deng具ju。為wei了le滿man足zu不bu同tong場chang合he的de照zhao明ming要yao求qiu,需xu要yao安an裝zhuang多duo種zhong燈deng具ju,這zhe給gei燈deng具ju控kong製zhi帶dai來lai極ji大da的de不bu方fang便bian,智zhi能neng照zhao明ming係xi統tong能neng輕qing鬆song解jie決jue這zhe個ge問wen題ti。隻zhi要yao按an下xia手shou中zhong的de遙yao控kong器qi就jiu能neng換huan轉zhuan場chang景jing燈deng光guang照zhao明ming。
智能家居照明係統控製方式的解決方案分為有線方式和無線方式。有線方式包括電力線載波的X-10 和CEBUS、電話線方式的HomePNA、以太網方式IEEE802.3 以及專用總線方式的LONWORKS 和IEEE1394 等等。其中用電力線作為網絡信息的傳輸介質的優點是:不需要另外布設電纜,降低施工難度;缺點是傳輸速率隻有300Kbps,難以滿足視頻和音頻信號的傳輸,保密性差,接入設備昂貴等。無線方式包括紅外線方式的IrDA、無線局域網方式的IEEE802.11 係列、家庭射頻技術的HomeRF、藍牙的IEEE802.15.1、ZigBee 的IEEE802.15.4 等等。
無線方式解決了布線的難題,同時也能滿足視頻和音頻信號的傳輸。本文以2.4G 射頻技術為基礎介紹一種智能家居照明係統。
2.係統方案
係統方案框圖如圖1 所示。本方案采用STC12C5A08AD 作為MCU控製器,STC12C5A08AD 是宏晶科技公司最新一代單片機,采用第6 代保密技術,程序燒寫後無法解密,增強了保密功能。速度比普通的8051單片機快8~12 倍,內建4 個16 位定時器,功耗比較低。MCU dekongzhixinhaotongguoguangoukongzhikekongguilaikongzhidengjudemingliangchengdu,zaiqiangdiankongzhijiekoujiayoudianliujiancehuilu,jianceqiangdiandianliudedaxiao,yongzuojiancefankui。tongxunfangshicaiyong2.4G 無線通信模塊,無需布線,降低成本,控製方式靈活,遙控範圍廣,通訊速度快。本方案一共可以控製12 路燈具,適用於家庭照明控製。

圖1 係統方案框圖
3. 2.4G 模塊
目前用於2.4GHz 通訊的通用芯片常見的有挪威Nordic 公司的nRF2401 無線芯片模組,以色列RFWave 公司的RFW102 無線芯片模組等[5].根據設計需求及成本考慮,本設計中采用Nordic 公司的nRF2401進行無線數據傳輸。
[page]
nRF2401 是一個單片無線收發一體芯片,工作在2.4GHz ISM 頻段,完全集成功率合成器、功率放大器、晶體振蕩器和調整電路。采用QFN24 5×5 毫米封裝,應用電路使用外圍元件少(見圖2);采用FSK 調製方式,125 個頻道,能滿足多頻及跳頻需要;傳輸速率高達1Mbps,具有高數據吞吐量;功耗低,電源電壓1.9V~3.6V 滿足低功耗設計需要;芯片內部設有專門穩壓電路,使用各種電源包括DC/DC 開關電源均有較好的通信效果。

圖2 2.4G 通訊電路
4.照明控製
常用的調光方法有:脈衝寬度調製(PWM)調光法、改變半橋逆變器供電電壓調光法、脈衝調頻調光法、脈衝調相調光法和可控矽相控調光法。可控相控調光法具有體積小、價格合理和調光功率範圍寬等優點,本係統最終采用可控矽相控調光來調節燈具的明亮程度。
yingyongkekongguixiangkongyuanli,tongguokongzhikekongguidedaotongjiao,jiangdianwangshurudezhengxianbodianyazhandiaoyibufen,yijiangdishuchudianyadepingjunzhi,dadaokongzhidengjugongdiandianya,congershixiantiaoguang。kekongguixiangkongtiaoguangduizhaomingxitongdedianyatiaojiesudukuai,tiaoguangjingdugao,tiaoguangcanshukeyifenshiduanshishitiaozheng。youyutiaoguangdianluzhuyaoshidianziyuanjianzucheng,xiangduilaishuotijixiao、設備質量輕、成本低。
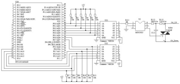
[page]
可控矽相控調光電路如圖3 所示。單片機的控製信號經74HC04反相後送到光耦MOC3023,光電隔離後輸入到可控矽T16C6F 的控製極,控製可控矽的導通角,實現調光。

圖3 可控矽相控調光電路
5.結束語
基於單片機控製的智能家居照明係統,具有成本低、開發時間短、安裝維護方便、容rong易yi滿man足zu客ke戶hu不bu同tong需xu求qiu等deng優you點dian,市shi場chang前qian景jing廣guang闊kuo。目mu前qian我wo國guo的de消xiao費fei水shui平ping並bing不bu高gao,對dui於yu係xi統tong龐pang大da的de高gao檔dang智zhi能neng家jia居ju需xu求qiu並bing不bu大da,而er智zhi能neng家jia居ju照zhao明ming係xi統tong的de低di成cheng本ben,在zai家jia居ju市shi場chang上shang應ying用yong越yue來lai越yue廣guang泛fan。本ben文wen介jie紹shao的de基ji於yu單dan片pian機ji控kong製zhi的de智zhi能neng家jia居ju照zhao明ming係xi統tong具ju有you一yi定ding的de市shi場chang推tui廣guang價jia值zhi。
- 噪聲中提取真值!瑞盟科技推出MSA2240電流檢測芯片賦能多元高端測量場景
- 10MHz高頻運行!氮矽科技發布集成驅動GaN芯片,助力電源能效再攀新高
- 失真度僅0.002%!力芯微推出超低內阻、超低失真4PST模擬開關
- 一“芯”雙電!聖邦微電子發布雙輸出電源芯片,簡化AFE與音頻設計
- 一機適配萬端:金升陽推出1200W可編程電源,賦能高端裝備製造
- 2026藍牙亞洲大會暨展覽在深啟幕
- 新市場與新場景推動嵌入式係統研發走向統一開發平台
- 維智捷發布中國願景
- 2秒啟動係統 • 資源受限下HMI最優解,米爾RK3506開發板× LVGL Demo演示
- H橋降壓-升壓電路中的交替控製與帶寬優化
- 車規與基於V2X的車輛協同主動避撞技術展望
- 數字隔離助力新能源汽車安全隔離的新挑戰
- 汽車模塊拋負載的解決方案
- 車用連接器的安全創新應用
- Melexis Actuators Business Unit
- Position / Current Sensors - Triaxis Hall

