一種高可靠小車紅外光循跡的電路設計
發布時間:2014-02-14 責任編輯:sherryyu
小車類賽題大部分又都有循跡的要求。循跡的方法一般可分為光控循跡、攝像循跡控兩類。光控循跡成本低、軟件設計較為簡單,設計製作周期短;攝像控循跡則相反:成本高,軟件設計複雜,設計製作周期長。小車采用傳統光循跡電路的兩點不足也是顯而易見的:一是容易受環境光線的影響而照成誤判;另ling一yi點dian是shi由you於yu光guang衍yan射she現xian象xiang的de存cun在zai又you容rong易yi被bei相xiang鄰lin的de光guang敏min管guan接jie收shou而er造zao成cheng誤wu判pan。本ben文wen就jiu此ci兩liang點dian不bu足zu提ti出chu一yi種zhong高gao可ke靠kao小xiao車che紅hong外wai光guang循xun跡ji電dian路lu的de設she計ji方fang案an以yi解jie決jue此ci問wen題ti。
1 、傳統光循跡小車電路結構
小車循跡簡介
所謂小車循跡,就是在白紙上畫出黑色的線條,稱為賽道;小車沿著賽道按要求(可以做一些指定的任務)行進時,能自動識別賽道並按賽道線條行走,稱為小車循跡。如圖1所示。

圖1 小車循跡示意圖
一般的,小車底部安裝一排(或幾排)紅外光發射、接收陣列用於檢測賽道,從而控製小車能沿線行走。光發射、接收陣列要與賽道成十字交叉排放,有的也做成弧形或倒“V”字型排放。這一排紅外光發射、接收陣列的數量越多越密,控製小車跑起來越穩,但編程時算法越複雜。一般少則四、五個,多則十來個,如圖2 所示。也可以采用雙排甚至多排設計。

圖2小車循跡示意圖
傳統循跡小車紅外光發射、接收電路
傳統的紅外光發射、接(jie)收(shou)電(dian)路(lu)的(de)發(fa)射(she)部(bu)分(fen)用(yong)直(zhi)流(liu)電(dian)流(liu)驅(qu)動(dong),接(jie)收(shou)部(bu)分(fen)采(cai)用(yong)比(bi)較(jiao)器(qi)。比(bi)較(jiao)器(qi)的(de)一(yi)個(ge)比(bi)較(jiao)點(dian)用(yong)電(dian)位(wei)器(qi)調(tiao)整(zheng)直(zhi)流(liu)電(dian)位(wei),另(ling)一(yi)個(ge)比(bi)較(jiao)點(dian)接(jie)光(guang)敏(min)管(guan)的(de)輸(shu)出(chu)端(duan),這(zhe)種(zhong)簡(jian)易(yi)做(zuo)法(fa)往(wang)往(wang)也(ye)能(neng)滿(man)足(zu)簡(jian)單(dan)比(bi)賽(sai)要(yao)求(qiu)。但(dan)抗(kang)幹(gan)擾(rao)能(neng)力(li)較(jiao)差(cha)。
一路傳統簡易循跡電路圖如圖3所示。

圖3 一路傳統簡易循跡電路圖
caiyonghongwaiguangzuofashejieshoudemudeshiweilejianshaohuanjingguangxiandeganrao,danruobucaiqufuzhucuoshi,danghuanjingguangxianjiaoqiangshi,bingbunenghenhaodekefuhuanjingguangxiandeganrao;另外,還需采取措施克服相鄰收發對管的光衍射幹擾。
[page]
2 、紅外光循跡設計原則
選擇合適的光發射驅動電流
一般應將發射電流設計在發光二極管的最大正向電流允許值IF 上(shang)。發(fa)射(she)的(de)紅(hong)外(wai)光(guang)線(xian)強(qiang)度(du)提(ti)高(gao)了(le)以(yi)後(hou),環(huan)境(jing)光(guang)的(de)紅(hong)外(wai)成(cheng)份(fen)占(zhan)總(zong)光(guang)線(xian)的(de)比(bi)例(li)就(jiu)減(jian)小(xiao)了(le),可(ke)以(yi)克(ke)服(fu)一(yi)部(bu)分(fen)環(huan)境(jing)光(guang)幹(gan)擾(rao)。但(dan)是(shi),過(guo)於(yu)提(ti)高(gao)發(fa)射(she)光(guang)電(dian)流(liu),會(hui)產(chan)生(sheng)較(jiao)大(da)的(de)熱(re)量(liang),使(shi)發(fa)射(she)管(guan)光(guang)衰(shuai)現(xian)象(xiang)加(jia)劇(ju)。
要想既提高發射電流,又使發射管安全工作,則可以采用低占空比脈衝調製發射。
脈衝調製式紅外發射和紅外接收效果分析
環境光中的紅外成份表現出來的是直流分量,采取調製式[4]紅外發射措施後,調製接收電路接收的是調製信號,可以將環境光中的直流分量濾除。
采取低占空比脈衝調製紅外光發射的優勢
紅(hong)外(wai)光(guang)敏(min)三(san)極(ji)管(guan)接(jie)收(shou)靈(ling)敏(min)度(du)並(bing)不(bu)因(yin)紅(hong)外(wai)發(fa)光(guang)二(er)極(ji)管(guan)發(fa)射(she)信(xin)號(hao)的(de)占(zhan)空(kong)比(bi)降(jiang)低(di)而(er)降(jiang)低(di)。降(jiang)低(di)紅(hong)外(wai)發(fa)光(guang)二(er)極(ji)管(guan)發(fa)射(she)信(xin)號(hao)占(zhan)空(kong)比(bi)後(hou),可(ke)以(yi)在(zai)紅(hong)外(wai)發(fa)光(guang)二(er)極(ji)管(guan)上(shang)施(shi)加(jia)較(jiao)大(da)電(dian)流(liu),甚(shen)至(zhi)可(ke)以(yi)大(da)大(da)超(chao)過(guo)紅(hong)外(wai)發(fa)光(guang)二(er)極(ji)管(guan)的(de)最(zui)大(da)允(yun)許(xu)正(zheng)向(xiang)電(dian)流(liu)IF ,而不會損壞紅外發光二極管。增加的那部分電流相當於紅外發光二極管的發光強度大大加強了,則抗幹擾能力也進一步加強。
采取穩定的38.5 kHz頻率調製發射的紅外光
紅外調製光信號在調製頻率為38.5 kHz時,紅外光敏接收靈敏度最高。
為獲得較穩定的38.5 kHz的調製頻率,應避免用電阻、電容和電感等分立元件配合非線性器件組成振蕩電路作調製信號,應采用晶體振蕩器或有源晶體振蕩器配合非線性元器件作振蕩電路。
用晶體振蕩器作MCU 的外部晶體,用編程的方法啟動38.5 kHz/10%~20%占空比的PWM 信號作調製振蕩信號;也可以用晶體振蕩器配合非線性器件進行振蕩、分頻後獲得38.5 kHz/10%~20%頻率和占空比。
采用交流放大電路作紅外接收放大器
即(ji)使(shi)調(tiao)製(zhi)光(guang)受(shou)到(dao)環(huan)境(jing)光(guang)的(de)淹(yan)沒(mei),但(dan)是(shi)調(tiao)製(zhi)光(guang)並(bing)沒(mei)有(you)因(yin)此(ci)而(er)消(xiao)失(shi)。接(jie)收(shou)信(xin)號(hao)後(hou)送(song)交(jiao)流(liu)放(fang)大(da)器(qi)放(fang)大(da),被(bei)淹(yan)沒(mei)的(de)調(tiao)製(zhi)光(guang)信(xin)號(hao)仍(reng)可(ke)得(de)到(dao)複(fu)原(yuan),而(er)直(zhi)流(liu)成(cheng)份(fen)的(de)環(huan)境(jing)光(guang)被(bei)交(jiao)流(liu)放(fang)大(da)器(qi)阻(zu)擋(dang),這(zhe)就(jiu)有(you)效(xiao)還(hai)原(yuan)出(chu)了(le)被(bei)淹(yan)沒(mei)的(de)有(you)效(xiao)紅(hong)外(wai)光(guang),克(ke)服(fu)了(le)強(qiang)環(huan)境(jing)光(guang)的(de)幹(gan)擾(rao)。
采用巡回開通某一路發射接收克服光衍射
yaxiandenayiluyuanbenbuyinggaijieshoudaoxinhao,erxianglinmeiyaxiandenayiluhaizaijixufaguang。youyuguangyanshe,xianglinmeiyaxiannayilufachudehongwaiguanghenrongyiyanshedaoyaxiandenayiluhongwaijieshouguan,daozhipanduanshiwu,congeryinqiganrao。
當巡回開通某一路時,任何時候隻一路發光,檢測電路也僅接收這一路的信號,即使這時候發光的那一路衍射到壓線的接收電路,但MCU 並不去讀取被衍射的那一路。這就克服了相鄰通道的衍射幹擾。這時要注意軟件設計時采集一個巡回的周期時間要恰當。
[page]
3 、高可靠紅外光循跡電路設計
低占空比脈衝波38.5 kHz/10%~20%脈衝波形成
遵循2.4節設計原則,第一種方法采用具有PWM外設的單片機啟動PWM 模塊產生脈衝波,不建議用純軟件產生該脈衝波。產生的波形應滿足圖4所示的時間參數要求。

第二種方法采用有源晶振(可省去振蕩電路,簡化電路設計)1.544 MHz(經2 級二分頻)或11.059 2 MHz(經5 級二分頻)後,分別產生386 kHz 或345.6 kHz 方波,後接十進製計數/分配器或九進製計數/分配器,從Q0~Q7任意引腳即可產生38.6 kHz/10%或38.4 kHz/11%占空比的脈衝波(脈衝頻率均誤差0.1 kHz,占空比一個是10%,一個是11%)。電路圖如圖5所示。

圖5 脈衝產生電路
紅外光發射控製電路設計
小車紅外光循跡電路采用8路已經可以滿足較複雜競賽的要求。按照設計原則2.6,矩形脈衝最好不要同時驅動光發射電路,需要一路一路輪流發送並保持一段時間。
采用兩個74HC4081 四與門控製脈衝信號傳送給ULN2803八反向OC驅動器驅動紅外發光二極管,每一路可輸出500 mA.74HC4081 與門的另一個輸入端接MCU控製選通。如圖6所示。

圖6 控製脈衝驅動發光二極管
紅外發射接收采用一體化封裝的TCRT5000對管,電流傳輸係數>20%,發射管最大持續允許電流IF 為60 mA,脈衝電流在1 μs/1%占空比時允許3 A.脈衝信號經紅外發光管發射後,經地麵反射,送到光敏三極管從發射極輸出。如果地麵為白色,絕大部分信號(脈衝)都能傳遞給光敏三極管;如果地麵為黑色,光線被吸收,則幾乎沒有信號能傳遞給光敏三極管。
控製每一路持續工作的時間應保證讓紅外發光二極管發出10~20個脈衝,使後續解調器能可靠解調。可以算出循環一周共8路所需時間:
T=([ 1 38.5 kHz)×(10~20)]×8=2.08~4.16 ms.
[page]
放大器電路設計
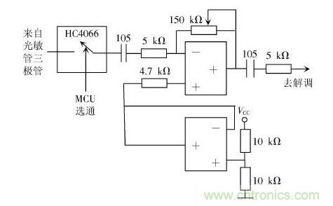
由於有8個光發送接收對管,圖6中僅顯示出1路,如果隻想用一個放大器和後續的一個脈衝頻率解調器,則需要模擬開關來一一選通。為了和圖6共用選通信號,采用兩片74HC4066(也可以用一片74HC4051,但這時就不能共用74HC4081選通信號了,既浪費了MCU的IO口,編程也較為複雜些)。
按2.5節所述要采用交流放大器的原則,這裏采用零漂移雙運算放大器AD8552,一個單元接成反向比例運算電路,另一個單元實現輸出中點電位給放大電路作參考“地”.電路如圖7所示。可通過反饋電阻調整其放大倍數。

圖7 選通交流放大電路
信號解調
信號解調采用標準38.5 kHz解調器CXA20106,裝置中增益控製和中心頻率控製用的電容器盡量采用精密低損耗無極性電容器,最好采用CBB 電容器。電路結構圖如圖8所示。

圖8 頻率調解電路結構圖
綜上所述:
按照本方案所介紹的紅外光循跡設計原則所設計、裝(zhuang)配(pei)的(de)電(dian)路(lu),可(ke)以(yi)滿(man)足(zu)絕(jue)大(da)多(duo)數(shu)較(jiao)複(fu)雜(za)競(jing)賽(sai)現(xian)場(chang)的(de)需(xu)求(qiu)。現(xian)場(chang)競(jing)賽(sai)時(shi)抗(kang)幹(gan)擾(rao)能(neng)力(li)較(jiao)傳(chuan)統(tong)電(dian)路(lu)相(xiang)比(bi)大(da)大(da)加(jia)強(qiang)了(le),既(ji)克(ke)服(fu)了(le)環(huan)境(jing)光(guang)線(xian)的(de)幹(gan)擾(rao),也(ye)克(ke)服(fu)了(le)臨(lin)近(jin)紅(hong)外(wai)循(xun)跡(ji)發(fa)光(guang)管(guan)的(de)衍(yan)射(she)幹(gan)擾(rao)。電(dian)路(lu)調(tiao)整(zheng)比(bi)傳(chuan)統(tong)電(dian)路(lu)更(geng)加(jia)簡(jian)單(dan):僅(jin)需(xu)調(tiao)整(zheng)放(fang)大(da)器(qi)的(de)放(fang)大(da)倍(bei)數(shu)這(zhe)一(yi)項(xiang),且(qie)一(yi)次(ci)性(xing)調(tiao)好(hao),避(bi)免(mian)了(le)傳(chuan)統(tong)設(she)計(ji)繁(fan)瑣(suo)的(de)調(tiao)試(shi)工(gong)作(zuo)量(liang),可(ke)以(yi)滿(man)足(zu)各(ge)種(zhong)環(huan)境(jing)光(guang)線(xian)的(de)應(ying)用(yong)。由(you)於(yu)任(ren)一(yi)時(shi)刻(ke)隻(zhi)需(xu)發(fa)出(chu)一(yi)路(lu)強(qiang)紅(hong)外(wai)光(guang),並(bing)且(qie)還(hai)是(shi)低(di)占(zhan)空(kong)比(bi)的(de)調(tiao)製(zhi)光(guang),所(suo)以(yi)不(bu)但(dan)不(bu)會(hui)因(yin)為(wei)采(cai)用(yong)強(qiang)紅(hong)外(wai)光(guang)造(zao)成(cheng)成(cheng)車(che)體(ti)電(dian)池(chi)供(gong)電(dian)不(bu)足(zu),相(xiang)反(fan)的(de),若(ruo)幹(gan)個(ge)循(xun)跡(ji)發(fa)射(she)二(er)極(ji)管(guan)輪(lun)回(hui)通(tong)電(dian)比(bi)傳(chuan)統(tong)的(de)循(xun)跡(ji)電(dian)路(lu)一(yi)組(zu)多(duo)個(ge)一(yi)直(zhi)通(tong)電(dian)的(de)情(qing)況(kuang)更(geng)省(sheng)電(dian)。
相關閱讀:
近紅外光電傳感的溢油監測係統設計與實現
http://m.0-fzl.cn/sensor-art/80014483
無源紅外光控控製器
http://m.0-fzl.cn/sensor-art/80000559
- 噪聲中提取真值!瑞盟科技推出MSA2240電流檢測芯片賦能多元高端測量場景
- 10MHz高頻運行!氮矽科技發布集成驅動GaN芯片,助力電源能效再攀新高
- 失真度僅0.002%!力芯微推出超低內阻、超低失真4PST模擬開關
- 一“芯”雙電!聖邦微電子發布雙輸出電源芯片,簡化AFE與音頻設計
- 一機適配萬端:金升陽推出1200W可編程電源,賦能高端裝備製造
- 貿澤EIT係列新一期,探索AI如何重塑日常科技與用戶體驗
- 算力爆發遇上電源革新,大聯大世平集團攜手晶豐明源線上研討會解鎖應用落地
- 創新不止,創芯不已:第六屆ICDIA創芯展8月南京盛大啟幕!
- AI時代,為什麼存儲基礎設施的可靠性決定數據中心的經濟效益
- 矽典微ONELAB開發係列:為毫米波算法開發者打造的全棧工具鏈
- 車規與基於V2X的車輛協同主動避撞技術展望
- 數字隔離助力新能源汽車安全隔離的新挑戰
- 汽車模塊拋負載的解決方案
- 車用連接器的安全創新應用
- Melexis Actuators Business Unit
- Position / Current Sensors - Triaxis Hall





