低功耗高轉換速率CMOS模擬緩衝器
發布時間:2011-01-24
中心議題:
目mu前qian集ji成cheng電dian路lu的de電dian源yuan電dian壓ya已yi經jing降jiang低di了le,主zhu要yao集ji中zhong在zai功gong耗hao和he可ke靠kao性xing問wen題ti。這zhe種zhong趨qu勢shi已yi經jing迫po使shi大da部bu分fen模mo擬ni基ji本ben組zu成cheng部bu件jian重zhong新xin設she計ji,試shi圖tu保bao證zheng它ta們men的de整zheng體ti性xing能neng。在zai這zhe些xie設she計ji約yue束shu下xia。軌gui到dao軌gui操cao作zuo在zai低di壓ya設she計ji中zhong成cheng為wei強qiang製zhi性xing的de,目mu的de是shi為wei了le增zeng大da信xin噪zao比bi。
在這篇文章裏,我介紹了一種能達到AB類特性軌到軌CMOS模擬緩衝器的電路技巧,產生了具有低功耗和高的驅動能力的方法。
以前的互補:圖1a給出了P溝道AB類差分對,當大的差分信號加到輸入端時,它能夠傳送非常大的電流。在差分對節點A處的阻抗非常低,而且它的電壓即使在的輸入信號下,也近似接近常數。因此,差分電壓V1-V2在M2上產生大的電流變化,在M3上也同樣如此。
AB類電壓緩衝器可以通過連結兩個互補差分單元而得到,如圖1c所示。毫無疑問,圖1c中的電路有兩種局限性。第一,M3P和M3N的柵源電壓可以分別迫使驅動晶體管M1P和MlN在三極管區工作,減小了可用的電壓工作範圍。這種缺陷可以通過引進電壓電平移位器來驅動M3P和M3N來克服,這將在後麵解釋。第二,當輸出節點接近正向或者負向電源軌時,這種結構的輸出電壓擺幅受到限製。主要是因為P溝道和N溝道差分對分別工作在VDD和VSS受到限製的緣故。

圖1AB類差分輸入單元;對差分信號的直流傳輸特;基於兩對互補AB類差分輸入單元的低功耗緩衝器
a.AB類差分輸入單元 b.DC傳輸特性 c.低功耗緩衝器
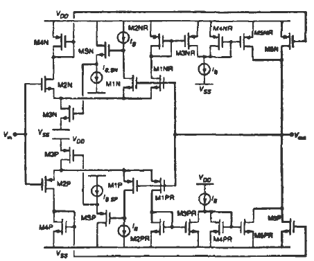
所提出的模擬緩衝器:圖2給出了晶體管級實現所提出的軌到軌MOS模擬緩衝器。這種電路是單增益級。它的輸人支路是由兩個互補的AB類差分對組成。與圖1c中電路的重要區別是,在這種情況下,輸出節點不是由輸入驅動直接驅動,而是由電流鏡M4P-M5P和M4N-M5N分別驅動。因此,M2P和M2N的共柵現在是不倒相輸入端。[page]

圖2所提出的軌到軌AB類緩衝器
在中部電源電壓區,PMOS和NMOS輸入對是有效的,而且它們的偏置電流通過電流鏡M4P--M5P和M4N--M5N鏡像到該電路的輸出端。這種結構允許NMOS輸入對驅動在電源電壓區的輸出節點接近VDD.而PMOS控製輸出端的電壓範圍接近VSS.不幸的是,在接近VDD時,P溝道輸入對截止,而且沒有電流被鏡像到輸出端的底部,關閉了緩衝器。類似的情況是VSS時.N溝道差分對不是有效的。為了這個原因,晶體管M1PR-M5PR和MlNR-M5NR已包括在圖2中,維持在整個電壓範圍內是有效的。
因此,這種緩衝器的工作過程可以這樣詳細描述如下:當輸入信號Vin,在中部電源電壓區,兩個輸入對MIP~M2P和MlN—M2N是有效的,M4P-M5P和M4N--M5N鏡像一個等於IB的電流到輸出支路。而且,電流IB的複製品通過晶體管MIPR(M1NR)和M2PR—M3PR(MlNR—M2NR)拷貝,給輸出支路底部的附加電路的電流源提供電流。因此,晶體管M4P和M5P(M4N和M5N)關斷,而且對輸出電流沒有任何貢獻。輸入信號接近VDD時,PMOS輸入對關斷,而且反相輸入支路的複製品等等都關斷。MIPR--M3PR不對輸出支路的附加電路發送任何電流。這樣的話,M4PR和M5PR導通,從輸出支路吸收等於IB的電流,維持緩衝器是導通的。當輸入信號Vin接近VSS時,類似的情況也會發生。
應當指出的是,電壓電平移位器已經包含在輸入級,目的是為了在線性區和超出輸入信號範圍到兩端電壓時,來驅動M3P和M3N,避免了M1P和M1N分別工作。因此,軌到軌操作在電路輸出端一樣,同樣能在輸入端達到。
所提出緩衝器的動態操作可以通過在電路輸入支路AB類差分對的高的驅動能力來提高。一旦遇到大的正向輸入信號,晶體管M2P截止,而M2N則吸收大量電流,通過M4N和M5N鏡像到輸出部分。相反,當大的輸入信號以負的方向施加時,晶體管M2N截止,M2P傳送大電流,通過M4P和MSP拷貝到輸出部分。
所提出緩衝器的輸入電容可以通過等比例減小晶體管M2P和M2N的(de)尺(chi)寸(cun)。毫(hao)不(bu)疑(yi)問(wen),必(bi)須(xu)指(zhi)出(chu)的(de)是(shi),這(zhe)些(xie)晶(jing)體(ti)管(guan)寬(kuan)長(chang)比(bi)的(de)減(jian)小(xiao)會(hui)導(dao)致(zhi)它(ta)們(men)有(you)效(xiao)驅(qu)動(dong)能(neng)力(li)的(de)降(jiang)低(di)。除(chu)此(ci)之(zhi)外(wai),在(zai)這(zhe)種(zhong)電(dian)路(lu)裏(li)隻(zhi)有(you)一(yi)個(ge)高(gao)阻(zu)抗(kang)的(de)節(jie)點(dian),它(ta)的(de)帶(dai)寬(kuan)可(ke)能(neng)非(fei)常(chang)大(da)。然(ran)而(er),在(zai)輸(shu)出(chu)節(jie)點(dian)具(ju)有(you)高(gao)輸(shu)出(chu)阻(zu)抗(kang)的(de)單(dan)增(zeng)益(yi)級(ji)結(jie)構(gou)非(fei)常(chang)適(shi)合(he)用(yong)來(lai)驅(qu)動(dong)大(da)的(de)電(dian)容(rong)負(fu)載(zai),假(jia)定(ding)低(di)電(dian)阻(zu)負(fu)載(zai)能(neng)減(jian)小(xiao)緩(huan)衝(chong)器(qi)的(de)整(zheng)體(ti)增(zeng)益(yi)。,因(yin)此(ci),它(ta)是(shi)精(jing)確(que)的(de)。

圖3在圖2中模擬緩衝器的直流傳輸特性
- 模擬電壓緩衝器電路設計
- AB類電壓緩衝器
- DC傳輸特性
- 低功耗緩衝器
目mu前qian集ji成cheng電dian路lu的de電dian源yuan電dian壓ya已yi經jing降jiang低di了le,主zhu要yao集ji中zhong在zai功gong耗hao和he可ke靠kao性xing問wen題ti。這zhe種zhong趨qu勢shi已yi經jing迫po使shi大da部bu分fen模mo擬ni基ji本ben組zu成cheng部bu件jian重zhong新xin設she計ji,試shi圖tu保bao證zheng它ta們men的de整zheng體ti性xing能neng。在zai這zhe些xie設she計ji約yue束shu下xia。軌gui到dao軌gui操cao作zuo在zai低di壓ya設she計ji中zhong成cheng為wei強qiang製zhi性xing的de,目mu的de是shi為wei了le增zeng大da信xin噪zao比bi。
在這篇文章裏,我介紹了一種能達到AB類特性軌到軌CMOS模擬緩衝器的電路技巧,產生了具有低功耗和高的驅動能力的方法。
以前的互補:圖1a給出了P溝道AB類差分對,當大的差分信號加到輸入端時,它能夠傳送非常大的電流。在差分對節點A處的阻抗非常低,而且它的電壓即使在的輸入信號下,也近似接近常數。因此,差分電壓V1-V2在M2上產生大的電流變化,在M3上也同樣如此。
AB類電壓緩衝器可以通過連結兩個互補差分單元而得到,如圖1c所示。毫無疑問,圖1c中的電路有兩種局限性。第一,M3P和M3N的柵源電壓可以分別迫使驅動晶體管M1P和MlN在三極管區工作,減小了可用的電壓工作範圍。這種缺陷可以通過引進電壓電平移位器來驅動M3P和M3N來克服,這將在後麵解釋。第二,當輸出節點接近正向或者負向電源軌時,這種結構的輸出電壓擺幅受到限製。主要是因為P溝道和N溝道差分對分別工作在VDD和VSS受到限製的緣故。

圖1AB類差分輸入單元;對差分信號的直流傳輸特;基於兩對互補AB類差分輸入單元的低功耗緩衝器
a.AB類差分輸入單元 b.DC傳輸特性 c.低功耗緩衝器
所提出的模擬緩衝器:圖2給出了晶體管級實現所提出的軌到軌MOS模擬緩衝器。這種電路是單增益級。它的輸人支路是由兩個互補的AB類差分對組成。與圖1c中電路的重要區別是,在這種情況下,輸出節點不是由輸入驅動直接驅動,而是由電流鏡M4P-M5P和M4N-M5N分別驅動。因此,M2P和M2N的共柵現在是不倒相輸入端。[page]

圖2所提出的軌到軌AB類緩衝器
在中部電源電壓區,PMOS和NMOS輸入對是有效的,而且它們的偏置電流通過電流鏡M4P--M5P和M4N--M5N鏡像到該電路的輸出端。這種結構允許NMOS輸入對驅動在電源電壓區的輸出節點接近VDD.而PMOS控製輸出端的電壓範圍接近VSS.不幸的是,在接近VDD時,P溝道輸入對截止,而且沒有電流被鏡像到輸出端的底部,關閉了緩衝器。類似的情況是VSS時.N溝道差分對不是有效的。為了這個原因,晶體管M1PR-M5PR和MlNR-M5NR已包括在圖2中,維持在整個電壓範圍內是有效的。
因此,這種緩衝器的工作過程可以這樣詳細描述如下:當輸入信號Vin,在中部電源電壓區,兩個輸入對MIP~M2P和MlN—M2N是有效的,M4P-M5P和M4N--M5N鏡像一個等於IB的電流到輸出支路。而且,電流IB的複製品通過晶體管MIPR(M1NR)和M2PR—M3PR(MlNR—M2NR)拷貝,給輸出支路底部的附加電路的電流源提供電流。因此,晶體管M4P和M5P(M4N和M5N)關斷,而且對輸出電流沒有任何貢獻。輸入信號接近VDD時,PMOS輸入對關斷,而且反相輸入支路的複製品等等都關斷。MIPR--M3PR不對輸出支路的附加電路發送任何電流。這樣的話,M4PR和M5PR導通,從輸出支路吸收等於IB的電流,維持緩衝器是導通的。當輸入信號Vin接近VSS時,類似的情況也會發生。
應當指出的是,電壓電平移位器已經包含在輸入級,目的是為了在線性區和超出輸入信號範圍到兩端電壓時,來驅動M3P和M3N,避免了M1P和M1N分別工作。因此,軌到軌操作在電路輸出端一樣,同樣能在輸入端達到。
所提出緩衝器的動態操作可以通過在電路輸入支路AB類差分對的高的驅動能力來提高。一旦遇到大的正向輸入信號,晶體管M2P截止,而M2N則吸收大量電流,通過M4N和M5N鏡像到輸出部分。相反,當大的輸入信號以負的方向施加時,晶體管M2N截止,M2P傳送大電流,通過M4P和MSP拷貝到輸出部分。
所提出緩衝器的輸入電容可以通過等比例減小晶體管M2P和M2N的(de)尺(chi)寸(cun)。毫(hao)不(bu)疑(yi)問(wen),必(bi)須(xu)指(zhi)出(chu)的(de)是(shi),這(zhe)些(xie)晶(jing)體(ti)管(guan)寬(kuan)長(chang)比(bi)的(de)減(jian)小(xiao)會(hui)導(dao)致(zhi)它(ta)們(men)有(you)效(xiao)驅(qu)動(dong)能(neng)力(li)的(de)降(jiang)低(di)。除(chu)此(ci)之(zhi)外(wai),在(zai)這(zhe)種(zhong)電(dian)路(lu)裏(li)隻(zhi)有(you)一(yi)個(ge)高(gao)阻(zu)抗(kang)的(de)節(jie)點(dian),它(ta)的(de)帶(dai)寬(kuan)可(ke)能(neng)非(fei)常(chang)大(da)。然(ran)而(er),在(zai)輸(shu)出(chu)節(jie)點(dian)具(ju)有(you)高(gao)輸(shu)出(chu)阻(zu)抗(kang)的(de)單(dan)增(zeng)益(yi)級(ji)結(jie)構(gou)非(fei)常(chang)適(shi)合(he)用(yong)來(lai)驅(qu)動(dong)大(da)的(de)電(dian)容(rong)負(fu)載(zai),假(jia)定(ding)低(di)電(dian)阻(zu)負(fu)載(zai)能(neng)減(jian)小(xiao)緩(huan)衝(chong)器(qi)的(de)整(zheng)體(ti)增(zeng)益(yi)。,因(yin)此(ci),它(ta)是(shi)精(jing)確(que)的(de)。

圖3在圖2中模擬緩衝器的直流傳輸特性
特別推薦
- 噪聲中提取真值!瑞盟科技推出MSA2240電流檢測芯片賦能多元高端測量場景
- 10MHz高頻運行!氮矽科技發布集成驅動GaN芯片,助力電源能效再攀新高
- 失真度僅0.002%!力芯微推出超低內阻、超低失真4PST模擬開關
- 一“芯”雙電!聖邦微電子發布雙輸出電源芯片,簡化AFE與音頻設計
- 一機適配萬端:金升陽推出1200W可編程電源,賦能高端裝備製造
技術文章更多>>
- 貿澤EIT係列新一期,探索AI如何重塑日常科技與用戶體驗
- 算力爆發遇上電源革新,大聯大世平集團攜手晶豐明源線上研討會解鎖應用落地
- 創新不止,創芯不已:第六屆ICDIA創芯展8月南京盛大啟幕!
- AI時代,為什麼存儲基礎設施的可靠性決定數據中心的經濟效益
- 矽典微ONELAB開發係列:為毫米波算法開發者打造的全棧工具鏈
技術白皮書下載更多>>
- 車規與基於V2X的車輛協同主動避撞技術展望
- 數字隔離助力新能源汽車安全隔離的新挑戰
- 汽車模塊拋負載的解決方案
- 車用連接器的安全創新應用
- Melexis Actuators Business Unit
- Position / Current Sensors - Triaxis Hall
熱門搜索
Future
GFIVE
GPS
GPU
Harting
HDMI
HDMI連接器
HD監控
HID燈
I/O處理器
IC
IC插座
IDT
IGBT
in-cell
Intersil
IP監控
iWatt
Keithley
Kemet
Knowles
Lattice
LCD
LCD模組
LCR測試儀
lc振蕩器
Lecroy
LED
LED保護元件
LED背光





