霍爾效應技術提供緊湊型電流測量傳感器
發布時間:2008-09-29 來源:NANALEM K.K.
中心論題:
- 霍爾效應原理
- 霍爾效應開環電流測量
解決方案:
- 輸出電壓一直是一次電流的真映像
- HX係列設計階段幫助保證了對關鍵噪聲的完美免疫力
- 在並排安裝在三相應用中時,HX電流傳感器引起的相互幹擾非常小
通常測量3-20A範圍內電流的方法主要有以下兩種:采用電阻分流器的傳統測量方法,和使用電流傳感器。這兩種技術均有局限性:第一種方法缺少流電隔離,第二種方法帶寬有限。此外,這兩種方法都對校準工作有相當高的要求。LEMdianliuchuanganqizengjingbangzhuyouxiaojiejuelezhexiewenti,danweilequanmianmanzudangqianduijiangdichengbenhesuoxiaochicundexuqiu,xianzaidaolexuyaoduichanpinjinxingzhongxinshejideshihoule。
2002年,LEM收購了一家位於日本的生產霍爾效應電流傳感器企業——NANA Electronics K.K.公司。新公司更名為NANALEM K.K.,總部位於東京町田。新的研發隊伍融合了兩家公司的專業經驗,已經重新設計了日本最暢銷的產品SY係列,並把它發展成為HX係列。
霍爾效應原理
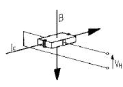
HX傳感器的核心是一個霍爾效應發生器。1879年,Edward H. Hall發現了霍爾效應,在電流流經一片薄傳導材料(霍爾發生器),並放在正交磁場中時,會發生這種效應。然後電磁洛倫茲力將感應電子,根據極性流到薄片邊緣。
在這兩個邊緣之間產生的霍爾電壓VH與控製電流IC和磁通量B直接成正比(圖1)。霍爾發生器由一片薄傳導材料製成,如镓砷化物(GaAs),這種材料在使用期間能夠實現可靠穩定的性能。在5 mA的控製電流下,獲得的霍爾電壓約為1.25 mV/mT。

圖1.位於磁性電路間隙中的霍爾發生器把一次電流產生的磁場轉換成成比例的霍爾電壓
霍爾效應開環電流測量
一次電流產生的磁場會在磁性電路的間隙中生成線性磁通量B,磁通量B會在霍爾發生器中感應成比例的霍爾電壓VH。然後這個電壓被電子電路放大,得到一個與一次電流成比例的輸出模擬信號。HX係列可以測量DC電流和AC電流,以及相控整流器、有源電源轉換器、PWM轉換器和開關式電源中複雜的電流波形。輸出電壓一直是一次電流的真映像。
抗dv/dt噪聲能力
在設計驅動器控製和開關設備時,工程師遇到的其中一個問題是整流期間快速電壓變化導致的高dv/dt噪聲。
電源半導體技術一直在不斷發展。現在,許多半導體產品大樣本中都可以看到整流速度非常高的IGBT。因此,當前通用逆電器一般會以很高的開關頻率工作,通常在20 kHz以上。在這麼高的頻率上工作的好處包括波形更平滑、操作更安全、效率更高。
開關設備每次開關時產生的高dv/dt值將在主電纜和傳感器的電子電路之間產生電容電流。大多數模擬線性放大器對這種寄生電流很靈敏。因此,dv/dt噪(zao)聲(sheng)將(jiang)被(bei)疊(die)加(jia)在(zai)輸(shu)出(chu)信(xin)號(hao)上(shang)。根(gen)據(ju)變(bian)動(dong)電(dian)壓(ya)的(de)幅(fu)度(du)和(he)斜(xie)坡(po),初(chu)始(shi)尖(jian)峰(feng)和(he)後(hou)來(lai)的(de)振(zhen)蕩(dang)有(you)時(shi)會(hui)非(fei)常(chang)高(gao),以(yi)致(zhi)它(ta)們(men)會(hui)激(ji)活(huo)傳(chuan)感(gan)器(qi)的(de)電(dian)流(liu)保(bao)護(hu)電(dian)路(lu),進(jin)而(er)使(shi)逆(ni)電(dian)器(qi)暫(zan)停(ting)運(yun)轉(zhuan)。LEM的經驗在HX係列設計階段幫助保證了對關鍵噪聲的完美免疫力,而又不會損害帶寬,因此HX的性能要超過其它類似的傳感器(圖2和圖3)。

圖2.由於采用快速開發元件,HX係列幾乎不受高dv/dt影響

圖3.實際逆電器應用中的HX噪聲電平,其中dv/dt等於4000 V/ms
對階躍電流的超快速響應時間對IGBT短路保護必不可少。HX係列可以以50A/ms以上的速度,準確追蹤電流變化,對階躍電流的響應最快為3ms。
設計工程師經常麵臨的另一個棘手問題是可用空間。小型傳感器有助於解決這個問題,HX傳感器重僅8克,要求的安裝麵積隻有15 x 19 mm。但(dan)眾(zhong)所(suo)周(zhou)知(zhi),當(dang)這(zhe)種(zhong)傳(chuan)感(gan)器(qi)並(bing)排(pai)放(fang)在(zai)三(san)相(xiang)應(ying)用(yong)中(zhong)時(shi),各(ge)自(zi)的(de)一(yi)次(ci)電(dian)流(liu)可(ke)能(neng)會(hui)影(ying)響(xiang)其(qi)它(ta)傳(chuan)感(gan)器(qi)的(de)電(dian)子(zi)器(qi)件(jian)。在(zai)並(bing)排(pai)安(an)裝(zhuang)在(zai)三(san)相(xiang)應(ying)用(yong)中(zhong)時(shi),HX電流傳感器引起的相互幹擾非常小(圖4)。

圖4.在並排安裝在三相應用中時,電流傳感器產生的相互幹擾非常小
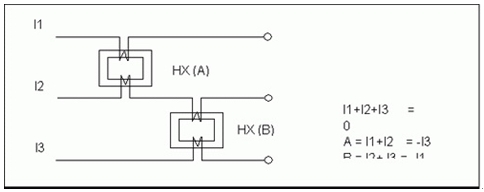
專用版HX傳感器有兩個一次線圈,這兩個線圈既可以串聯,也可以並聯(圖5)。在某些逆電器應用中,可以使用一對這樣的傳感器,測量所有三個相位,每個傳感器兩個相位(圖6)。這消除了對第三個單元的需要,有助於降低成本。AC測試電壓(50 Hz, 1分鍾)是3 kVRMS,間隙/漏電距離超過5.5mm,使這些傳感器特別適合中低功率範圍中的隔離電流測量。
圖5. 帶有一個或兩個一次線圈的HX係列電流傳感器的工作原理

圖6. 隻使用兩個傳感器測量三相電流
- 噪聲中提取真值!瑞盟科技推出MSA2240電流檢測芯片賦能多元高端測量場景
- 10MHz高頻運行!氮矽科技發布集成驅動GaN芯片,助力電源能效再攀新高
- 失真度僅0.002%!力芯微推出超低內阻、超低失真4PST模擬開關
- 一“芯”雙電!聖邦微電子發布雙輸出電源芯片,簡化AFE與音頻設計
- 一機適配萬端:金升陽推出1200W可編程電源,賦能高端裝備製造
- 博世半導體亮相北京車展:以技術創新驅動智能出行
- 超低功耗微控製器模塊為工程師帶來新的機遇——第1部分:Eclipse項目設置
- 英偉達吳新宙北京車展解讀:以五層架構與開放生態,加速汽車駛向L4
- 三星上演罕見對峙:工會集會討薪,股東隔街抗議
- 摩爾線程實現DeepSeek-V4“Day-0”支持,國產GPU適配再提速
- 車規與基於V2X的車輛協同主動避撞技術展望
- 數字隔離助力新能源汽車安全隔離的新挑戰
- 汽車模塊拋負載的解決方案
- 車用連接器的安全創新應用
- Melexis Actuators Business Unit
- Position / Current Sensors - Triaxis Hall

