電力線通信模擬前端AFE031的應用及設計概述
發布時間:2020-10-07 來源:羅嘉林,龐家華 責任編輯:wenwei
【導讀】AFE031是一款應用於電力線通信的模擬前端器件,可以作為電力線通信係統的收發器。本文將從AFE031應用背景、基本框架及係統設計三個方麵進行介紹。
一. 應用背景
電力線通信(Power Line Communication, PLC)是一種利用電力線進行數據信息傳輸的通信技術,其基本係統框圖如圖1所示。數字信號經調製後以載波形式發送,再經PLC收發器進行調理後,加載到電力線上進行傳輸,而接收則是一個反向過程。SunSpec快速關斷協議是專門針對光伏係統快速關斷功能製定的PLC協議。SunSpec規定,調製方法采用B-FSK(二進製頻移鍵控),B-FSK調製原理如圖2所示,SunSpec指定的兩種載波頻率分別為fm=131.25kHz,fs=143.75kHz,處於窄帶通信的CENELEC B/C/D頻段中。另外,SunSpec指定發送的兩類有效指令包括了關斷指令及正常工作指令,一個指令的完整發送周期為1070.08ms。詳細的FSK原理介紹及SunSpec通信參數規定請看TIDA-060001。

圖1. PLC係統框圖

圖2. FSK調製原理
PLC的收發器由模擬前端器件構成,該環節對MCU發送的數字信號或從電力線接收到的載波信號進行調理,從而保證信號能準確、有效、可靠地在電力線上進行傳輸。而AFE031正是一款優質的PLC模擬前端器件,可用於構建支持SunSpec等協議的PLC係統,其與MCU的接口也如圖1所示。
二. AFE031基本概述
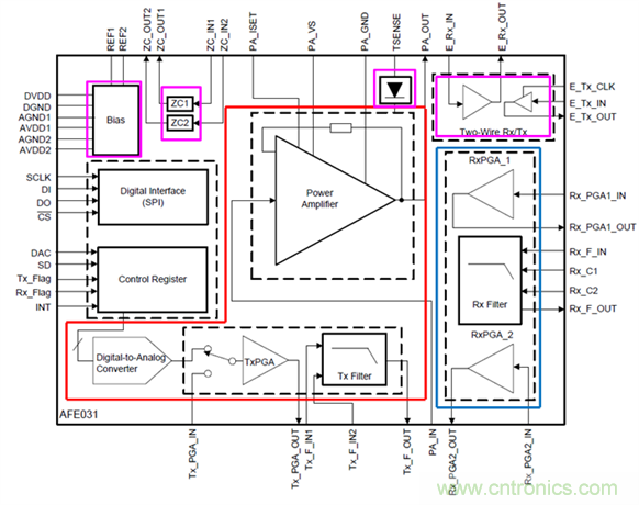
AFE031內部高度集成,圖3是AFE031的功能框圖,其中,紅圈標示了PLC的Tx模塊,藍圈標示了PLC的Rx模塊,另外,紫圈標示了其他輔助功能模塊,內部資源豐富。
Tx模塊負責對發送路徑信號進行處理,其包含數模轉換器DAC、增益可調放大器Tx_PGA、帶寬可調低通濾波器Tx_Filter以及功率放大器PA。在Tx模塊內,待發送信號被放大和濾波後送入功率放大器PA,PA以6.5V/V的固定增益進一步將信號放大後輸出,驅動負載。
Rx模塊負責對接收路徑信號進行處理,接收路徑上的環節依次是增益可調放大器Rx_PGA1、帶寬可調低通濾波器Rx_Filter 、可調增益放大器Rx_PGA2。接收信號經過放大、濾波處理後送入MCU的ADC以還原數字信號。
MCU經SPI接口可對AFE031寄存器進行配置從而改變Tx模塊及Rx模塊的放大器及濾波器參數,針對SunSpec應用,Tx和Rx的濾波器可設置為CENELEC B/C/D檔,對應截止頻率為145kHz。更多MCU與AFE031接口方式及調參方法請瀏覽SBOA130A及TIDA-060001。
AFE031的優勢可以總結如下:支持包括SunSpec在內的多種協議;供電PA_Vs範圍大,為7-24V;輸出電流可達1.5A;接收靈敏性好,可檢測到低至20 μVRMS信號;高度集成,資源豐富;配置靈活。
以上對AFE031基本框架、主要模塊功能作用以及優勢做了一個基本的介紹,關於各模塊參數值、工作原理、寄存器配置的詳細介紹請參考AFE031數據手冊。

圖3. AFE031功能框圖
三. 基於AFE031的SunSpec PLC係統設計要點
構建基於AFE031的SunSpec PLC係統有幾個部分要重點考慮: Tx路徑、Rx路徑、電力線耦合電路、保護電路,下麵將分別對這幾個部分的外圍電路設計要點進行介紹。
(1)Tx路徑
AFE031支持兩種Tx模式,分別是DAC模式和PWM模式,兩者的連接方式及外圍電路設計都有所差異,如圖4(a)和圖4(b)所示。

圖4. Tx路徑. (a) DAC 模式,(b)PWM模式
兩種模式都需設置PA輸入端交流耦合電容CIN以及PA限流值設置電阻RSET。而CIN作為高通濾波器,其取值決定於用戶需要的截止頻率fHP。SunSpec的較低頻率fm=131.25kHz,為預留一定裕量,應設置fHP應小於fm,CIN的計算公式為:
而RSET串接於PA_ISET引腳,RSET與限流值ILIM的關係式為:
兩種模式的區別在於,DAC模式下,MCU會通過快速中斷給AFE031發送正弦波離散值,雖然該過程會占用較多CPU資源,但傳送信號經DAC轉換後,諧波含量很小,無需設置太多外圍濾波器;而PWM模式下,MCU直接通過外設ePWM給AFE031發送PWM波,這種模式下,MCU的配置很簡單,但信號的諧波含量較大,需要設置外圍濾波器,如圖4(b)所示的RC低通濾波器Fd1和Fd2,可加強濾除PWM波的高次諧波。RC低通濾波器推薦使用電阻Rd為510Ω,截止頻率為fL,fL應大於待傳送信號頻率。而SunSpec協議的最大載波頻率為fs=143.75kHz,所以fL應大於fs,對應的Cd1和Cd2的設置可參考以下公式:
(2)Rx路徑
Rx路徑如圖5所示,Rx路徑上,接收信號先後經過外圍帶通濾波器F1及AFE031內部Rx模塊。
由於電力線工作環境複雜, AFE031接收到的信號可能含有各種幹擾,因此,有必要為Rx路徑設置一個外圍的帶通濾波器F1,F1是四階帶通濾波器,其設計可遵循以下原則:首先選定濾波器特征阻抗Zc,該值與傳輸線阻抗匹配,對於PLC應用,可設定為1kΩ;然後確定電阻大小,兩電阻R1、R2起到分壓作用,當選擇R1=R2=Zc,信號有-6dB的衰減,若選擇R1=Zc,R2=10Zc,則信號有接近0dB的增益;最後可按照以下公式確定剩下的LC參數:
其中f1是帶通濾波器的低頻截止頻率,f2是帶通濾波器的高頻截止頻率,針對SunSpec的應用,f1應小於fm,f2應大於fs。比如可選擇C1=1.7nF,C2=1nF,L1=1.2mH,L2=1.5mH。
此外應注意的是,Rx_Filter是一個單位增益四階低通濾波器,需要依靠兩個外部輔助電容來正確配置濾波器,對於SunSpec所處的CENELEC B/C/D頻段,兩電容設置分別是CR1=270pF,CR2=560pF。

圖5. Rx路徑
(3)電力線耦合電路
電力線耦合電路用於連接AFE031與電力線,使得信號能在兩者之間交互。交流電力線與直流電力線的耦合電路會有所區別,需分別介紹。
a. 交流應用
對於交流應用,電力線耦合電路如圖6所示,包含低壓側電容CLV、變壓器T、高壓側電容CHV,以及高壓側電感LHV。其中CLV的作用主要是隔絕低壓側偏置直流電壓,該電容應對高頻信號呈現低阻抗,常用10μF電容,其耐壓值應大於稍後介紹的TVS鉗位電壓值。而CHV與變壓器T繞組電感構成分壓器,CHV承受低頻交流大電壓VAC,而高頻信號經變壓器耦合到低壓側。CHV的大小要根據無功功率限值VAlimit來設定:
其中fP為工頻,CHV的耐壓值應高於電力線電壓。但根據VAlimit設置的CHV可能帶來較大的阻抗,從而導致驅動負載的能力不足,所以需要輔以LHV維持電力線路低阻抗,對於SunSpec,可以認為兩載波頻率fm和fs的中心頻率為fb=137.5kHz,從而可以確定LHV的取值:
至於變壓器T的匝數比取值,可以根據負載獲得PA最大輸出功率的需求進行匹配。假設VPA_out_peak和IPA_out_peak分別是PA輸出最大電壓和電流,高壓側等效負載為Rload,變比可參考下式:

圖6. 交流耦合電路
b. 直流應用
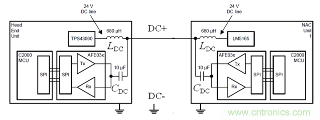
在低壓直流應用中,可以不需要變壓器,僅以電容CDC耦合電力線與模擬前端電路,如圖7所示,直流母線電壓為TPS43060生成的24V,而耦合電容CDC常取為10uF,其額定電壓需大於直流母線電壓。另外,由於直流線路為低阻抗線路,且TPS43060輸出端對於高頻信號也呈低阻抗,PA輸出信號可能會從直流線路進入直流電源然後被拉低,從而極大影響PA輸出擺幅,因此需要在電源側串聯電感LDC以提高電源輸出阻抗,如圖中的680uH,對SunSpec中心頻率的阻抗達到587Ω。需注意的是,此處為低壓直流場合,基於電容耦合,電力線側的地可與AFE031的地相接。
若應用於高壓直流場合,應避免兩地直接相連,須重新采用變壓器進行隔離耦合,可參考圖8所示的EVM板Boost-AFE031框圖。

圖7. 低壓直流耦合電路

圖8. 通用直流耦合電路
(4)保護電路
下麵以直流應用的保護電路為例進行說明。直流應用的保護電路如圖9所示。其中TVS管是瞬態二極管,防止瞬間大電壓損壞AFE031,TVS的鉗位電壓應稍大於PA_Vs/2,要在確保不誤觸發的前提下提高保護的可靠性。肖特基二極管D1-D2的作用是抑製持續過電壓對AFE01的影響。而由於D1-D2具有結電容,結電容的不平衡將導致直流偏壓不能維持在PA_Vs/2,分壓器Rb1-Rb2的作用正是要改善這種情況,使PA輸出有正確的直流偏置。穩壓管Z的作用是穩定AFE031的PA供電電壓PA_Vs。Lo-Co-Ro組合作為一個額外的噪聲或振鈴吸收器,選取的經驗值為Ro=4.7Ω,Co=1nF,Lo=1mH。

圖9. 保護電路
四. 測試結果及總結
基於AFE031構建SunSpec PLC係統進行測試驗證,圖10和圖11分別是指令傳輸波形以及發送不同載波時對應的波形頻譜。可見該係統能順利執行SunSpec PLC通信功能,而且諧波含量少,確保了PLC通信的可靠性。
AFE031作為一款PLC模擬前端器件,支持包括SunSpec在內的多種PLC協議,能方便地實現可靠的PLC通信功能。其優勢還在於有較大的供電電壓範圍、較大輸出電流、可檢測低至20μVrms信號的接收靈敏性。在係統設計時,可根據選定的通信方式,通過SPI接口配置AFE031寄存器,並相應地取定外圍濾波器參數,最後加上電力線耦合電路以及必要的保護電路即可完成係統構建。

圖10. 傳輸波形實驗結果

圖11. (a) fm載波頻譜,(b)fs載波頻譜
推薦閱讀:
特別推薦
- 噪聲中提取真值!瑞盟科技推出MSA2240電流檢測芯片賦能多元高端測量場景
- 10MHz高頻運行!氮矽科技發布集成驅動GaN芯片,助力電源能效再攀新高
- 失真度僅0.002%!力芯微推出超低內阻、超低失真4PST模擬開關
- 一“芯”雙電!聖邦微電子發布雙輸出電源芯片,簡化AFE與音頻設計
- 一機適配萬端:金升陽推出1200W可編程電源,賦能高端裝備製造
技術文章更多>>
- 算力爆發遇上電源革新,大聯大世平集團攜手晶豐明源線上研討會解鎖應用落地
- 築基AI4S:摩爾線程全功能GPU加速中國生命科學自主生態
- 一秒檢測,成本降至萬分之一,光引科技把幾十萬的台式光譜儀“搬”到了手腕上
- AI服務器電源機櫃Power Rack HVDC MW級測試方案
- 突破工藝邊界,奎芯科技LPDDR5X IP矽驗證通過,速率達9600Mbps
技術白皮書下載更多>>
- 車規與基於V2X的車輛協同主動避撞技術展望
- 數字隔離助力新能源汽車安全隔離的新挑戰
- 汽車模塊拋負載的解決方案
- 車用連接器的安全創新應用
- Melexis Actuators Business Unit
- Position / Current Sensors - Triaxis Hall
熱門搜索





