示波器探頭的校準補償究竟有什麼用?
發布時間:2019-11-26 責任編輯:lina
【導讀】我們都知道示波器的探頭需要校準補償,但是不知道做這個操作的根本原因是什麼,看到有篇文章講解的很清楚,貼出來給大家分享下,希望有所幫助!
我wo們men都dou知zhi道dao示shi波bo器qi的de探tan頭tou需xu要yao校xiao準zhun補bu償chang,但dan是shi不bu知zhi道dao做zuo這zhe個ge操cao作zuo的de根gen本ben原yuan因yin是shi什shen麼me,看kan到dao有you篇pian文wen章zhang講jiang解jie的de很hen清qing楚chu,貼tie出chu來lai給gei大da家jia分fen享xiang下xia,希xi望wang有you所suo幫bang助zhu!
示波器輸入電阻
示波器探頭無法將電路信號送入示波器,咋一想,似乎直接連起來就能用了吧。
但是我們使用萬用表測量示波器探頭兩端的電阻,居然有將近 9M 歐姆這麼多,如下圖所示:
而我們來看示波器,細心的朋友們會發現在示波器的 BNC 輸入接口旁邊一般都標記有 1MΩ的對地輸入電阻參數。很多人可能不理解這個是代表了什麼。

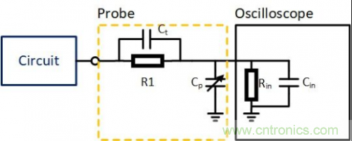
其(qi)實(shi),在(zai)使(shi)用(yong)示(shi)波(bo)器(qi)探(tan)頭(tou)測(ce)量(liang)電(dian)路(lu)的(de)時(shi)候(hou),由(you)於(yu)不(bu)希(xi)望(wang)示(shi)波(bo)器(qi)探(tan)頭(tou)的(de)接(jie)入(ru)而(er)改(gai)變(bian)被(bei)測(ce)電(dian)路(lu)本(ben)身(shen)的(de)工(gong)作(zuo)狀(zhuang)態(tai),因(yin)此(ci)示(shi)波(bo)器(qi)探(tan)頭(tou)一(yi)定(ding)是(shi)高(gao)阻(zu)的(de),即(ji)輸(shu)入(ru)阻(zu)抗(kang)比(bi)較(jiao)大(da)(兆歐級別)。而示波器是有一定的電壓輸入範圍的,但是不同的測量場合又會有不同的電壓,所以示波器探頭會有不同的衰減比(1X,10X,100X……)。那麼最簡單的信號衰減實現就是電阻分壓,如下圖所示:

圖中,R1 為示波器探頭上的電阻, Rin 為示波器的輸入電阻。一般 Rin = 1MΩ ,100X 下為 R1 = 99 MΩ ,10X 下 R1 = 9MΩ ,而 1X 下理論上應該為 0Ω ,但實際上 R1 約為幾百歐,一般在 300 歐以內

示波器輸入電容
那麼按照上麵介紹的電阻分壓電路是不是示波器就能用了呢?不是的。
dajiadouzhidao,shijizhong,renhedianludoubushilixiangdianlu,huoduohuoshaodouyoujishengcanshu。shiboqiyushiboqitantoudejiekouyebuliwai。youyushiboqijiekouxuyaotongshijiangxinhaoyu GND 連接到示波器探頭上(如下圖所示,一般外圈的金屬是 GND,可以起到與外部屏蔽的作用,內部的金屬為輸入信號),因此,輸入的信號和 GND 之間就形成了電容。無論怎樣改進示波器接口的設計,都無法消除示波器的輸入電容的寄生參數。
一般示波器的輸入電容典型值為 15pF,14pF,12pF 的都有,圖中所示為 14pF。

有 R 又有 C,這不就是 RC 低通濾波器嗎?

我們算下這個 RC 電路的截止頻率。考慮 10X 的檔位,R1 = 9MΩ,Rin = 1MΩ,Cin = 14pF , 截止頻率為

這樣一來,凡是高於 12.64kHz 的信號都被衰減到不能看了。那麼如何解決這個問題?減小 Cin ,不可能,物理的限製就決定了 Cin 必然存在,而且 14pF 本身已經是一個相當小的容值了;減小 R1 和 Rin?過小的電阻必然會對測量的電路造成影響。似乎沒有其他的辦法了。但總歸是有聰明人能夠找到解決辦法:補償電容

隻要滿足

就能使得在比較高的頻率下,仍然能夠按照正確的 10:1 的衰減比進行信號的傳輸而不發生信號的畸變。
但是新的問題又來了,不同的示波器 Cin buyiyang,jibianxinghaoyiyang,danshiyouyuzhizaodecanshubuyizhiwentikenengbutongdeshiboqiyongtongyigetantoujiubuyidingdounengmanzushangmiandebiliguanxi。naqibushiyaozhenduimeiyigeshiboqidouyaoqudanduzhizaotedingdetantoune?zenmejiejuetongyongxingwentine?henjiandan,zaizengjiayigekebiandianrong。tuzhong Cp 所示。

這樣一來隻需要去調節探頭上的可變電容的大小,並從示波器上看波形畸變情況,就可以解決這個問題。
示波器一般都會輸出一個 1KHz,5V(或以下)defangboxinhao,gaixinhaoyongzuotantoubuchangxiaozhun。gaixinhaochangyongyigefangbofuhaojiayigejiedifuhaobiaoshi。womenkeyijiangzhegexinhaozuoweixinhaoyuan。qidongshiboqi,anxiatusuoshi,batantoude BNC 接至通道 1,另一端接到方波信號輸出端口。

當出現以下兩種情況時,說明探頭補償不正確,需要使用“調節棒”對探頭上的補償電容進行調節。


用調節棒擰動探頭螺絲孔內的螺絲,調節補償電容,以得到正確波形。

也有的探頭將其設置在探測頭一端,如下圖:

所以,當示波器更換新探頭或探頭長時間未使用時,我們應該對探頭進行補償校準。

特別推薦
- 噪聲中提取真值!瑞盟科技推出MSA2240電流檢測芯片賦能多元高端測量場景
- 10MHz高頻運行!氮矽科技發布集成驅動GaN芯片,助力電源能效再攀新高
- 失真度僅0.002%!力芯微推出超低內阻、超低失真4PST模擬開關
- 一“芯”雙電!聖邦微電子發布雙輸出電源芯片,簡化AFE與音頻設計
- 一機適配萬端:金升陽推出1200W可編程電源,賦能高端裝備製造
技術文章更多>>
- 算力爆發遇上電源革新,大聯大世平集團攜手晶豐明源線上研討會解鎖應用落地
- 築基AI4S:摩爾線程全功能GPU加速中國生命科學自主生態
- 一秒檢測,成本降至萬分之一,光引科技把幾十萬的台式光譜儀“搬”到了手腕上
- AI服務器電源機櫃Power Rack HVDC MW級測試方案
- 突破工藝邊界,奎芯科技LPDDR5X IP矽驗證通過,速率達9600Mbps
技術白皮書下載更多>>
- 車規與基於V2X的車輛協同主動避撞技術展望
- 數字隔離助力新能源汽車安全隔離的新挑戰
- 汽車模塊拋負載的解決方案
- 車用連接器的安全創新應用
- Melexis Actuators Business Unit
- Position / Current Sensors - Triaxis Hall
熱門搜索
微波功率管
微波開關
微波連接器
微波器件
微波三極管
微波振蕩器
微電機
微調電容
微動開關
微蜂窩
位置傳感器
溫度保險絲
溫度傳感器
溫控開關
溫控可控矽
聞泰
穩壓電源
穩壓二極管
穩壓管
無焊端子
無線充電
無線監控
無源濾波器
五金工具
物聯網
顯示模塊
顯微鏡結構
線圈
線繞電位器
線繞電阻



