簡單製勝——第四部分:高效BMS主動均衡算法深度解密
發布時間:2025-12-16 責任編輯:lina
【導讀】在(zai)主(zhu)動(dong)均(jun)衡(heng)係(xi)統(tong)設(she)計(ji)中(zhong),算(suan)法(fa)是(shi)駕(jia)馭(yu)硬(ying)件(jian)能(neng)量(liang)流(liu)動(dong)的(de)智(zhi)慧(hui)中(zhong)樞(shu)。算(suan)法(fa)的(de)複(fu)雜(za)度(du)與(yu)效(xiao)能(neng),往(wang)往(wang)直(zhi)接(jie)受(shou)到(dao)其(qi)所(suo)依(yi)賴(lai)的(de)硬(ying)件(jian)架(jia)構(gou)的(de)製(zhi)約(yue)。因(yin)此(ci),如(ru)何(he)在(zai)與(yu)簡(jian)潔(jie)硬(ying)件(jian)架(jia)構(gou)協(xie)同(tong)的(de)過(guo)程(cheng)中(zhong),設(she)計(ji)出(chu)同(tong)樣(yang)高(gao)效(xiao)、低複雜度的均衡策略,是實現卓越BMS設計的關鍵挑戰。本文聚焦於均衡算法的核心邏輯、設she計ji原yuan則ze及ji與yu特te定ding硬ying件jian架jia構gou的de協xie同tong優you化hua方fang法fa,旨zhi在zai剖pou析xi如ru何he通tong過guo算suan法fa決jue策ce提ti升sheng均jun衡heng效xiao率lv與yu係xi統tong可ke靠kao性xing。雖sui然ran文wen中zhong討tao論lun的de算suan法fa與yu特te定ding硬ying件jian架jia構gou深shen度du綁bang定ding,但dan其qi揭jie示shi的de設she計ji權quan衡heng、優化思路與實現框架,可為工程師在麵對不同架構時提供普適性的靈感與方法論指導。
摘要
在(zai)主(zhu)動(dong)均(jun)衡(heng)係(xi)統(tong)設(she)計(ji)中(zhong),算(suan)法(fa)是(shi)駕(jia)馭(yu)硬(ying)件(jian)能(neng)量(liang)流(liu)動(dong)的(de)智(zhi)慧(hui)中(zhong)樞(shu)。算(suan)法(fa)的(de)複(fu)雜(za)度(du)與(yu)效(xiao)能(neng),往(wang)往(wang)直(zhi)接(jie)受(shou)到(dao)其(qi)所(suo)依(yi)賴(lai)的(de)硬(ying)件(jian)架(jia)構(gou)的(de)製(zhi)約(yue)。因(yin)此(ci),如(ru)何(he)在(zai)與(yu)簡(jian)潔(jie)硬(ying)件(jian)架(jia)構(gou)協(xie)同(tong)的(de)過(guo)程(cheng)中(zhong),設(she)計(ji)出(chu)同(tong)樣(yang)高(gao)效(xiao)、低複雜度的均衡策略,是實現卓越BMS設計的關鍵挑戰。本文聚焦於均衡算法的核心邏輯、設she計ji原yuan則ze及ji與yu特te定ding硬ying件jian架jia構gou的de協xie同tong優you化hua方fang法fa,旨zhi在zai剖pou析xi如ru何he通tong過guo算suan法fa決jue策ce提ti升sheng均jun衡heng效xiao率lv與yu係xi統tong可ke靠kao性xing。雖sui然ran文wen中zhong討tao論lun的de算suan法fa與yu特te定ding硬ying件jian架jia構gou深shen度du綁bang定ding,但dan其qi揭jie示shi的de設she計ji權quan衡heng、優化思路與實現框架,可為工程師在麵對不同架構時提供普適性的靈感與方法論指導。
引言
在本係列文章的前幾部分中,討論重點主要集中在如何選擇合適的集成電路(IC)與元器件,以構建主動均衡電路或架構。由於均衡算法在主動均衡係統中舉足輕重,因此有必要對其進行深入探討。
因此,本文旨在嚐試開發一種專門針對本係列所介紹的均衡架構的算法。目標是提供一套高效、簡潔且易於部署和評估的主動均衡算法參考設計,幫助工程師及從業者快速實現、測試,並直接觀察ADI解決方案在電池包中的實際均衡性能。
話雖如此,有一點值得反複強調:盡jin管guan本ben文wen所suo提ti出chu的de均jun衡heng算suan法fa強qiang調tiao簡jian潔jie性xing與yu高gao效xiao性xing,但dan在zai實shi際ji應ying用yong中zhong,不bu存cun在zai任ren何he一yi種zhong單dan一yi算suan法fa能neng一yi勞lao永yong逸yi地di應ying對dui所suo有you電dian芯xin不bu一yi致zhi場chang景jing。任ren何he均jun衡heng策ce略lve在zai投tou入ru實shi際ji電dian池chi係xi統tong使shi用yong前qian,都dou必bi須xu經jing過guo全quan麵mian的de評ping估gu與yu驗yan證zheng。
主動均衡圖形用戶界麵軟件
基於本係列之前文章中介紹的主動均衡概念,主動均衡係統的控製代碼主要部署在兩個位置:嵌入式微控製器(MCU)和基於個人電腦(PC)的主動均衡圖形用戶界麵(GUI)。MCU的作用與功能已在之前的文章中討論過,本部分將重點介紹PC端評估軟件,即主動均衡GUI。
圖1和圖2展示了本設計架構中所用GUI界麵的截圖。為避免視覺混亂,僅對功能不直觀的部分進行了標注,以確保清晰明了。
該GUI既是MCU與電腦之間的通信橋梁,也提供實時數據可視化功能,可顯示電芯電壓、指示每個電芯的均衡狀態,並捕獲和記錄係統故障或異常運行情況。最重要的是,該GUI集成了自動化主動均衡算法,因而不僅是一款監控工具,更是執行均衡過程的關鍵驅動程序。

圖1.主動均衡GUI:顯示電芯電壓、均衡狀態和錯誤警報的圖形界麵。

圖2.主動均衡GUI:調試期間用於監控MCU與GUI數據交互的日誌窗口。
主動均衡算法下的性能表現
本設計架構支持主動均衡過程的兩種控製模式:手動均衡控製和全自動算法控製。
1.手動均衡控製
在手動模式下,用戶可直接發送指令,對單個電芯進行充電、放電或禁用均衡操作。該模式適用於診斷測試,或針對特定電芯執行定向均衡幹預與微調。
2.自動化主動均衡算法
在自動模式下,操作流程經過簡化以提升易用性:將電池包連接至係統、啟動GUI軟件、建立與MCU的串行通信,然後點擊AUTO_ENABLE按鈕。此後,係統將自動使所有16個電芯達到相同電壓水平,無需用戶進一步幹預。
圖3至圖5展示了在啟用自動化均衡功能的情況下,三種不同運行狀態(充電、放電、空閑)下電芯電壓的收斂過程。測試所用的電池包中包含16個鎳錳鈷(NMC)鋰離子電芯,每個電芯的額定容量為40 Ah。
•充電狀態:使用最大電流為10 A的充電器為電池包充電,電芯電壓從約3.65 V升至接近4.1 V。
•放電狀態:將電池組連接至10 Ω的大功率電阻負載,電芯電壓從約3.85 V降至約3.65 V。
•空閑狀態:電池包處於空閑狀態,未連接充電器或負載。
zaisuoyouzhesanzhongqingkuangxia,ceshikaishishijunyouyishidianxindianyachuyubujunhengzhuangtai,yigenghaodizhanshizhudongjunhengdianludeshoulianxiaoguo。dangsuoyoudianxindedianyapianchashouliandaoyuzhifanweinei(定義為與平均電壓的差值在±3 mV以內)時,自動均衡停止條件被觸發,實驗隨即終止。
如圖3至圖5所示,啟用自動化算法後,16個ge電dian芯xin的de電dian壓ya收shou斂lian到dao了le較jiao窄zhai的de容rong差cha範fan圍wei內nei。由you此ci證zheng明ming,所suo提ti出chu的de架jia構gou與yu算suan法fa不bu僅jin在zai空kong閑xian狀zhuang態tai下xia,在zai充chong電dian和he放fang電dian階jie段duan均jun能neng實shi現xian穩wen定ding且qie有you效xiao的de均jun衡heng。

圖3.電池包以最大電流10 A充電,啟用自動化主動均衡算法。

圖4.電池包通過10 Ω大功率電阻放電,啟用自動化主動均衡算法。

圖5.電池包處於空閑狀態,啟用自動化主動均衡算法。
自動化均衡算法的執行邏輯
自動化均衡算法以循環、順序的方式運行:依次對16個ge電dian芯xin進jin行xing均jun衡heng,之zhi後hou重zhong複fu該gai過guo程cheng。它ta不bu會hui嚐chang試shi在zai一yi次ci循xun環huan中zhong完wan全quan平ping衡heng單dan個ge電dian芯xin,而er是shi采cai用yong輪lun詢xun策ce略lve,執zhi行xing多duo次ci短duan時shi間jian的de均jun衡heng周zhou期qi。這zhe種zhong方fang式shi可ke避bi免mian單dan個ge電dian芯xin的de均jun衡heng停ting留liu時shi間jian過guo長chang,因yin為wei停ting留liu過guo長chang會hui降jiang低di整zheng體ti均jun衡heng效xiao率lv,還hai可ke能neng影ying響xiang電dian池chi包bao安an全quan性xing。持chi續xu聚ju焦jiao單dan個ge電dian芯xin的de均jun衡heng,還hai可ke能neng導dao致zhi其qi他ta長chang時shi間jian空kong閑xian的de電dian芯xin麵mian臨lin過guo充chong或huo過guo放fang風feng險xian。通tong過guo在zai所suo有you電dian芯xin間jian分fen配pei均jun衡heng任ren務wu,電dian芯xin電dian壓ya偏pian差cha能neng高gao效xiao收shou斂lian至zhi預yu設she的de停ting止zhi閾yu值zhi。
算法根據電芯分組,采用兩種互補的均衡方法:
1. 緩衝區均衡(2-9號電芯)——相對均衡
•計算緩衝區組(2-9號電芯)的平均電壓,記為Avg(2-9)。
•每個緩衝區電芯(2-9號)均以Avg(2-9)為基準進行均衡,而非以電池包整體平均電壓(AvgALL)為基準。
2. 獨立電芯均衡(1號、10-16號電芯)——絕對均衡
•計算全部16個電芯的電池包整體平均電壓,記為AvgALL。
•每個獨立電芯(1號、10-16號)均以AvgALL為基準進行均衡,向該電壓值靠攏。
無論是緩衝區電芯還是獨立電芯,其均衡方向(充電或放電)與(yu)均(jun)衡(heng)時(shi)長(chang),均(jun)由(you)各(ge)個(ge)電(dian)芯(xin)電(dian)壓(ya)偏(pian)差(cha)的(de)正(zheng)負(fu)符(fu)號(hao)和(he)偏(pian)差(cha)幅(fu)度(du)決(jue)定(ding)。盡(jin)管(guan)均(jun)衡(heng)時(shi)長(chang)大(da)致(zhi)與(yu)偏(pian)差(cha)幅(fu)度(du)成(cheng)正(zheng)比(bi),但(dan)不(bu)會(hui)出(chu)現(xian)單(dan)個(ge)電(dian)芯(xin)主(zhu)導(dao)整(zheng)個(ge)均(jun)衡(heng)過(guo)程(cheng)的(de)情(qing)況(kuang)。算(suan)法(fa)通(tong)過(guo)短(duan)時(shi)間(jian)、迭代式的循環遍曆所有電芯,確保電壓偏差快速、穩定地收斂。
均衡過程的最終目標是讓電池包內所有電芯的電壓盡可能接近AvgALL。將算法劃分為“緩衝區組相對均衡”與“獨立電芯絕對均衡”,原因是為了提升效率:如果緩衝區電芯直接以AvgALL為(wei)基(ji)準(zhun)均(jun)衡(heng),它(ta)們(men)在(zai)作(zuo)為(wei)其(qi)他(ta)電(dian)芯(xin)的(de)能(neng)量(liang)儲(chu)備(bei)庫(ku)時(shi),會(hui)反(fan)複(fu)經(jing)曆(li)充(chong)放(fang)電(dian)循(xun)環(huan),導(dao)致(zhi)均(jun)衡(heng)收(shou)斂(lian)效(xiao)率(lv)低(di)下(xia)。通(tong)過(guo)相(xiang)對(dui)均(jun)衡(heng),先(xian)讓(rang)緩(huan)衝(chong)區(qu)電(dian)芯(xin)電(dian)壓(ya)與(yu)Avg(2-9)對齊,再以緩衝區整體為獨立電芯充放電,係統能實現更快的整體收斂。在一個完整均衡周期結束時,Avg(2-9)與AvgALL可能並非完全一致,但會非常接近,從而確保整個電池包達到良好的均衡狀態。
為(wei)進(jin)一(yi)步(bu)提(ti)升(sheng)效(xiao)率(lv)與(yu)可(ke)靠(kao)性(xing),倘(tang)若(ruo)某(mou)一(yi)電(dian)芯(xin)的(de)電(dian)壓(ya)偏(pian)差(cha)已(yi)在(zai)容(rong)差(cha)範(fan)圍(wei)內(nei),或(huo)檢(jian)測(ce)到(dao)異(yi)常(chang)情(qing)況(kuang),算(suan)法(fa)會(hui)跳(tiao)過(guo)這(zhe)一(yi)電(dian)芯(xin),繼(ji)續(xu)處(chu)理(li)下(xia)一(yi)個(ge)符(fu)合(he)條(tiao)件(jian)的(de)電(dian)芯(xin)。
架構設計原理與基於緩衝區的均衡機製
細心的讀者或許會發現,上述均衡策略與理想的全雙向電芯間均衡拓撲存在差異。原因一目了然:若不引入極高的架構複雜度,要在電池包內任意兩個電芯之間實現真正的直接雙向能量傳輸,在實際應用中並不可行。
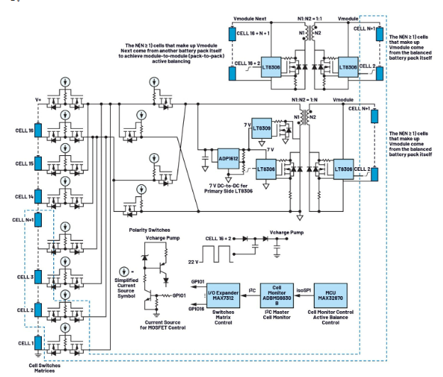
為解決這一難題,該算法借助中間充電緩衝區實現間接均衡。具體而言,電池包內n個相鄰的電芯被指定為緩衝區。這一配置在均衡架構圖(圖6)中也有體現,圖中緩衝區被描繪為由這n個連續電芯組成的模塊。
傳統設計依賴獨立的外部電源(如大容量12 V或24 V電池)作為緩衝區,而本架構則完全利用電池包內部已存儲的能量運行。這種方式不僅提高了係統整體效率,還降低了軟硬件的設計複雜度。
本架構與算法中的均衡過程通過兩步式能量傳輸實現。
1. 電芯到緩衝區放電:將過充電芯的能量轉移至緩衝區電芯中。
2. 緩衝區到電池充電:而後將緩衝區的能量重新分配給欠充電芯。
zhezhongliangbushiliucheng,zaigongnengshangdengxiaoyushixianleshuangxiangdianxinjianjunheng,tongshibikailezhijieyiduiyichuanshutuopudegongchengfuzadu。zhezhongtuopusuibeishiweilixiangdejunhengxingshi,danyinqidianlufuzadugao、成本高,在大型電池包中往往難以落地。在這種方法中,當某個電芯需要充電時,所需能量會從緩衝區電芯中統一獲取;反之,當某個電芯需要放電時,其多餘能量會被均勻重新分配回緩衝區電芯。

圖6.基於LT8306、LT8309、ADP1612、MAX7312、ADBMS6830和MAX32670的主動均衡電路架構圖。
臨時暫停和重新激活自動均衡的條件
當2到9號電芯相對Avg(2-9)的電壓偏差降至設定閾值(例如±3 mV)以下,且1號、10到16號電芯相對AvgALL的電壓偏差也處於同一閾值內時,自動化均衡過程會臨時暫停。此時,Avg(2-9)與AvgALL可能並非完全一致,但會十分接近。滿足這些條件後,算法將轉入待機狀態,等待下一次均衡觸發。
自動化均衡算法在激活狀態下,會持續輪詢電池係統,判斷是否需要啟動均衡。觸發條件可由用戶配置,默認觸發邏輯為:當16個電芯中最高電芯電壓與最低電芯電壓的差值超過10 mV時,啟動均衡。
算法激活後,會持續運行直至滿足暫停條件,隨後停止並等待下一次觸發事件。如前所述,暫停條件保持不變,此處不再贅述。
為避免均衡過程過度循環及不必要的能量損耗,在觸發閾值(10 mV)與暫停閾值(±3 mV)之間設置了“滯回帶”。這可確保僅當電芯出現顯著電壓偏差時,均衡才會重新激活,從而同時提升係統效率與使用壽命。
特殊注意事項
由於電芯電壓采樣線束與主動均衡線束共用同一布線,且受本係列之前文章提及的線路電阻(Rroute)及大均衡電流的共同影響,主動均衡過程中會出現電壓降。如圖7至10所示,該電壓降會影響電芯電壓測量的準確性。因此,必須定期暫停主動均衡,以獲取準確的電壓讀數。
•如果暫停過於頻繁,會降低均衡效率。
•如果暫停間隔過長,可能導致過度均衡。
在本架構中,算法會根據觀測到的電壓偏差估算所需均衡時長,例如每5 mV偏差對應約1分鍾均衡時間。達到計算出的時長後,均衡會自動暫停以進行準確的電壓測量,隨後算法將決定下一步操作。
這種自適應時序策略相比固定間隔方式提升了效率,但它依賴於“充放電電流接近恒定”這一前提。在本設計中,電流穩定性通過直接從電池包獲取緩衝區電壓而非依賴外部電源來實現,即便電芯電壓在3.0 V至4.2 V之間變化,也能確保電流接近恒定。
盡管組合使用采樣線束與均衡線束會在均衡期間引入測量誤差,但也帶來了顯著優勢:
•減少線束數量,簡化布線,節省印刷電路板(PCB)空間。
•均衡期間觀測到的電壓降可作為運行狀態指示器,幫助確認主動均衡電路是否正常工作。

圖7.主動均衡功能未激活時,電芯電壓測量值保持穩定。

圖8.主動均衡運行期間,為特定電芯充電時對電壓測量的影響。

圖9.主動均衡運行期間,為特定電芯放電時對電壓測量的影響。

圖10.主動均衡運行期間,均衡電流對電芯電壓測量的影響:左側為電芯充電,右側為電芯放電。
結語
本ben係xi列lie關guan於yu主zhu動dong均jun衡heng的de文wen章zhang至zhi此ci告gao一yi段duan落luo。盡jin管guan我wo們men竭jie盡jin全quan力li,試shi圖tu在zai有you限xian的de篇pian幅fu內nei將jiang這zhe一yi係xi統tong性xing設she計ji的de方fang方fang麵mian麵mian詳xiang盡jin呈cheng現xian,但dan受shou限xian於yu篇pian幅fu,仍reng有you許xu多duo複fu雜za的de設she計ji要yao點dian,尤you其qi是shi本ben主zhu動dong均jun衡heng方fang案an中zhong完wan整zheng的de軟ruan件jian編bian程cheng細xi節jie,無wu法fa在zai此ci一yi一yi詳xiang述shu。本ben係xi列lie文wen章zhang的de核he心xin願yuan景jing,是shi激ji發fa對dui電dian池chi主zhu動dong均jun衡heng技ji術shu懷huai有you熱re忱chen的de工gong程cheng師shi和he電dian子zi愛ai好hao者zhe們men的de探tan索suo欲yu望wang與yu創chuang新xin靈ling感gan。我wo們men由you衷zhong地di期qi望wang讀du者zhe們men,既ji能neng直zhi接jie運yun用yong文wen中zhong介jie紹shao的de設she計ji方fang案an,也ye能neng以yi此ci為wei起qi點dian,深shen入ru鑽zuan研yan、不斷拓展,通過持續創新,打造出既簡潔又高效的主動均衡解決方案。
推薦閱讀:
權威認證+生態合作,兆易創新車規芯片獲ISO 21434與ASPICE CL2國際認可
- 噪聲中提取真值!瑞盟科技推出MSA2240電流檢測芯片賦能多元高端測量場景
- 10MHz高頻運行!氮矽科技發布集成驅動GaN芯片,助力電源能效再攀新高
- 失真度僅0.002%!力芯微推出超低內阻、超低失真4PST模擬開關
- 一“芯”雙電!聖邦微電子發布雙輸出電源芯片,簡化AFE與音頻設計
- 一機適配萬端:金升陽推出1200W可編程電源,賦能高端裝備製造
- 築基AI4S:摩爾線程全功能GPU加速中國生命科學自主生態
- 一秒檢測,成本降至萬分之一,光引科技把幾十萬的台式光譜儀“搬”到了手腕上
- AI服務器電源機櫃Power Rack HVDC MW級測試方案
- 突破工藝邊界,奎芯科技LPDDR5X IP矽驗證通過,速率達9600Mbps
- 通過直接、準確、自動測量超低範圍的氯殘留來推動反滲透膜保護
- 車規與基於V2X的車輛協同主動避撞技術展望
- 數字隔離助力新能源汽車安全隔離的新挑戰
- 汽車模塊拋負載的解決方案
- 車用連接器的安全創新應用
- Melexis Actuators Business Unit
- Position / Current Sensors - Triaxis Hall




