簡單製勝——第二部分:探索BMS設計中的高效主動均衡“最優解”
發布時間:2025-12-15 責任編輯:lina
【導讀】在電池管理係統(BMS)設she計ji中zhong,均jun衡heng能neng力li直zhi接jie決jue定ding著zhe電dian池chi包bao的de性xing能neng上shang限xian與yu壽shou命ming終zhong點dian。傳chuan統tong被bei動dong均jun衡heng方fang案an因yin能neng量liang耗hao散san與yu效xiao率lv問wen題ti,已yi難nan以yi滿man足zu高gao能neng量liang密mi度du電dian池chi組zu的de管guan理li需xu求qiu。本ben文wen旨zhi在zai深shen入ru剖pou析xi幾ji種zhong主zhu流liu主zhu動dong均jun衡heng技ji術shu的de優you勢shi與yu局ju限xian,並bing探tan討tao如ru何he通tong過guo創chuang新xin的de拓tuo撲pu融rong合he思si路lu,構gou建jian一yi種zhong在zai複fu雜za度du與yu效xiao能neng間jian取qu得de最zui佳jia平ping衡heng的de實shi用yong解jie決jue方fang案an。文wen章zhang將jiang進jin一yi步bu論lun證zheng,在zai大da型xing電dian池chi係xi統tong中zhong,電dian池chi包bao(PACK)之間的係統級均衡與電芯(Cell)之間的單元級均衡具有同等重要的戰略意義,共同構成了完整的高效能量管理閉環。
摘要
在電池管理係統(BMS)設she計ji中zhong,均jun衡heng能neng力li直zhi接jie決jue定ding著zhe電dian池chi包bao的de性xing能neng上shang限xian與yu壽shou命ming終zhong點dian。傳chuan統tong被bei動dong均jun衡heng方fang案an因yin能neng量liang耗hao散san與yu效xiao率lv問wen題ti,已yi難nan以yi滿man足zu高gao能neng量liang密mi度du電dian池chi組zu的de管guan理li需xu求qiu。本ben文wen旨zhi在zai深shen入ru剖pou析xi幾ji種zhong主zhu流liu主zhu動dong均jun衡heng技ji術shu的de優you勢shi與yu局ju限xian,並bing探tan討tao如ru何he通tong過guo創chuang新xin的de拓tuo撲pu融rong合he思si路lu,構gou建jian一yi種zhong在zai複fu雜za度du與yu效xiao能neng間jian取qu得de最zui佳jia平ping衡heng的de實shi用yong解jie決jue方fang案an。文wen章zhang將jiang進jin一yi步bu論lun證zheng,在zai大da型xing電dian池chi係xi統tong中zhong,電dian池chi包bao(PACK)之間的係統級均衡與電芯(Cell)之間的單元級均衡具有同等重要的戰略意義,共同構成了完整的高效能量管理閉環。
引言
主(zhu)動(dong)均(jun)衡(heng)設(she)計(ji)的(de)簡(jian)潔(jie)與(yu)高(gao)效(xiao),絕(jue)非(fei)華(hua)而(er)不(bu)實(shi)的(de)宣(xuan)傳(chuan)噱(xue)頭(tou)。本(ben)文(wen)將(jiang)審(shen)視(shi)並(bing)介(jie)紹(shao)目(mu)前(qian)市(shi)場(chang)上(shang)廣(guang)泛(fan)采(cai)用(yong)的(de)幾(ji)種(zhong)主(zhu)動(dong)均(jun)衡(heng)解(jie)決(jue)方(fang)案(an)。我(wo)們(men)將(jiang)分(fen)析(xi)每(mei)種(zhong)方(fang)法(fa)的(de)優(you)缺(que)點(dian),目(mu)的(de)是(shi)整(zheng)合(he)它(ta)們(men)的(de)優(you)勢(shi),形(xing)成(cheng)一(yi)種(zhong)更(geng)具(ju)實(shi)用(yong)性(xing)、更(geng)能(neng)實(shi)現(xian)簡(jian)潔(jie)與(yu)高(gao)效(xiao)設(she)計(ji)的(de)解(jie)決(jue)方(fang)案(an)。最(zui)後(hou),我(wo)們(men)將(jiang)強(qiang)調(tiao),盡(jin)管(guan)大(da)多(duo)數(shu)現(xian)有(you)主(zhu)動(dong)均(jun)衡(heng)設(she)計(ji)主(zhu)要(yao)關(guan)注(zhu)電(dian)芯(xin)之(zhi)間(jian)的(de)均(jun)衡(heng),但(dan)電(dian)池(chi)包(bao)之(zhi)間(jian)的(de)均(jun)衡(heng)同(tong)樣(yang)重(zhong)要(yao),不(bu)容(rong)忽(hu)視(shi)。
市場上現有的幾種主動均衡解決方案
本係列文章的第一部分討論了主動均衡在電池管理係統(BMS)中的重要性。事實上,市麵上早已存在多種主動均衡解決方案。這裏將重點介紹圖1zhanshidesanzhongchangjianzhudongjunhengjiejuefangan。xianyupianfu,zheliwufatantaosuoyoukeyongjiejuefangan,danbenwenjieshaodesanzhongfanganjijudaibiaoxing。zhesanzhongzhudongjunhengjiejuefanganfenbiejiyufanji、多電感和開關電容,利用了電路中廣泛使用的三種儲能元件:變壓器、電感和電容。表1總結了這三種主動均衡解決方案的工作原理及優缺點。
圖1.三種最具代表性的主動均衡解決方案架構:反激式(左)、多電感(中)和開關電容(右)
表1.三種主動均衡解決方案的工作原理和優缺點比較
簡化主動均衡:更巧妙的設計方法
如(ru)上(shang)文(wen)所(suo)述(shu),傳(chuan)統(tong)的(de)主(zhu)動(dong)均(jun)衡(heng)解(jie)決(jue)方(fang)案(an)要(yao)麼(me)複(fu)雜(za)昂(ang)貴(gui),要(yao)麼(me)簡(jian)單(dan)經(jing)濟(ji)但(dan)效(xiao)率(lv)低(di)下(xia)。本(ben)文(wen)探(tan)討(tao)的(de)關(guan)鍵(jian)問(wen)題(ti)是(shi)如(ru)何(he)在(zai)確(que)保(bao)主(zhu)動(dong)均(jun)衡(heng)設(she)計(ji)足(zu)夠(gou)簡(jian)潔(jie)的(de)同(tong)時(shi),維(wei)持(chi)出(chu)色(se)的(de)效(xiao)率(lv)。
重新評估主動均衡的設計要求
deyiyuriyixianjindedianchizhizaojishuheyangedezhiliangkongzhiliucheng,dantidianxindexingneng,youqishiguigexiangtongqielaizitongyizhizaoshangdedianxindexingneng,tongchanggaoduyizhi。raner,dantidianxintongchangbuhuizhijiechushougeidiandongqiche(EV)或儲能係統(ESS)市(shi)場(chang)中(zhong)的(de)終(zhong)端(duan)用(yong)戶(hu)。相(xiang)反(fan),專(zhuan)業(ye)電(dian)池(chi)包(bao)製(zhi)造(zao)商(shang)會(hui)將(jiang)多(duo)個(ge)規(gui)格(ge)相(xiang)同(tong)的(de)新(xin)電(dian)芯(xin)組(zu)裝(zhuang)成(cheng)中(zhong)高(gao)壓(ya)電(dian)池(chi)包(bao),然(ran)後(hou)將(jiang)其(qi)出(chu)售(shou)給(gei)電(dian)動(dong)汽(qi)車(che)和(he)儲(chu)能(neng)係(xi)統(tong)製(zhi)造(zao)商(shang)這(zhe)樣(yang)的(de)終(zhong)端(duan)用(yong)戶(hu)。
由you此ci不bu難nan明ming白bai,對dui於yu新xin組zu裝zhuang的de電dian池chi包bao,內nei部bu的de電dian芯xin應ying具ju有you相xiang似si且qie一yi致zhi的de性xing能neng。但dan需xu要yao注zhu意yi的de是shi,在zai新xin電dian池chi包bao首shou次ci使shi用yong之zhi前qian,電dian池chi包bao中zhong各ge個ge電dian芯xin的de電dian壓ya和he荷he電dian狀zhuang態tai(SOC)未wei必bi一yi致zhi。這zhe是shi因yin為wei,新xin製zhi造zao的de電dian池chi不bu一yi定ding會hui在zai生sheng產chan出chu來lai後hou就jiu立li即ji組zu裝zhuang成cheng電dian池chi包bao。此ci外wai,在zai電dian池chi包bao完wan成cheng組zu裝zhuang後hou,產chan品pin運yun送song到dao終zhong端duan用yong戶hu並bing投tou入ru實shi際ji使shi用yong之zhi前qian,也ye會hui需xu要yao一yi些xie時shi間jian。
在長時間的儲存或運輸期間,無論是對於單體電芯還是組裝好的電池包,電芯之間的電壓和SOC不均衡很容易發生。這個問題並不少見。新的(或相對較新的)電dian池chi包bao經jing過guo長chang時shi間jian儲chu存cun或huo運yun輸shu後hou,如ru果guo出chu現xian不bu均jun衡heng跡ji象xiang,並bing不bu一yi定ding表biao明ming電dian芯xin性xing能neng不bu匹pi配pei。事shi實shi上shang,這zhe些xie電dian芯xin仍reng可ke能neng具ju有you非fei常chang相xiang似si的de特te性xing。務wu必bi注zhu意yi,性xing能neng相xiang似si並bing必bi然ran意yi味wei著zhe電dian壓ya或huoSOC水平相似,尤其是在經過長時間儲存或運輸之後。
因此,對於已儲存或運輸較長時間的電池包或電芯,在投入使用之前,一般建議進行主動或被動均衡處理。
除了儲存和運輸場景之外,還有一個需要注意的情況:隨著電池包運行時間的延長及充放電循環次數的增加,單體電芯之間的性能差異可能較電池包組裝初期有所擴大。
隨著儲能係統容量的持續增長,單體電芯的容量現在已達到320 Ah、600 Ah,甚至1000 Ah。其中,320 Ah代表以前的主流容量,600 Ah正成為當前標準容量,而1000 Ah被視為未來方向,有些製造商已經實現1000 Ah高容量電芯的量產能力。
對dui於yu不bu具ju備bei主zhu動dong均jun衡heng能neng力li或huo僅jin使shi用yong被bei動dong均jun衡heng的de大da容rong量liang電dian池chi包bao,電dian芯xin之zhi間jian的de初chu始shi微wei小xiao不bu均jun衡heng隨sui著zhe時shi間jian的de推tui移yi,可ke能neng會hui逐zhu漸jian演yan變bian為wei顯xian著zhu的de不bu匹pi配pei,原yuan因yin是shi均jun衡heng能neng力li有you限xian,而er且qie長chang期qi充chong放fang電dian循xun環huan會hui帶dai來lai累lei積ji效xiao應ying。最zui終zhong,這zhe種zhong電dian芯xin不bu匹pi配pei可ke能neng導dao致zhi電dian池chi包bao在zai實shi際ji運yun行xing過guo程cheng中zhong出chu現xian顯xian著zhu的de容rong量liang損sun失shi和he安an全quan風feng險xian(例如過充和過放)。
主動均衡的兩個關鍵作用
電池包內電芯不匹配問題幾乎無法避免,主動均衡因此成為改善性能的必要手段,可實現如下兩大功能:
1. 預防功能:在(zai)沒(mei)有(you)顯(xian)著(zhu)不(bu)匹(pi)配(pei)的(de)電(dian)池(chi)包(bao)中(zhong),電(dian)芯(xin)狀(zhuang)況(kuang)良(liang)好(hao),性(xing)能(neng)差(cha)異(yi)極(ji)小(xiao)。在(zai)這(zhe)種(zhong)情(qing)況(kuang)下(xia),主(zhu)動(dong)均(jun)衡(heng)的(de)工(gong)作(zuo)量(liang)相(xiang)對(dui)較(jiao)輕(qing)。如(ru)果(guo)將(jiang)主(zhu)動(dong)均(jun)衡(heng)比(bi)作(zuo)監(jian)測(ce)電(dian)芯(xin)健(jian)康(kang)狀(zhuang)況(kuang)的(de)醫(yi)生(sheng),那(na)麼(me)它(ta)隻(zhi)需(xu)定(ding)期(qi)對(dui)電(dian)芯(xin)進(jin)行(xing)檢(jian)查(zha)即(ji)可(ke)。這(zhe)種(zhong)簡(jian)單(dan)的(de)監(jian)測(ce)有(you)助(zhu)於(yu)防(fang)止(zhi)或(huo)延(yan)遲(chi)性(xing)能(neng)差(cha)異(yi)的(de)放(fang)大(da),使(shi)電(dian)芯(xin)不(bu)匹(pi)配(pei)的(de)可(ke)能(neng)性(xing)最(zui)小(xiao)化(hua),並(bing)有(you)效(xiao)延(yan)長(chang)電(dian)池(chi)包(bao)的(de)使(shi)用(yong)壽(shou)命(ming)。
2. 糾正功能:在已經存在較弱或不健康電芯的電池包中,主動均衡可利用靈活性、大均衡電流和快速均衡特性,在較弱、不bu健jian康kang和he表biao現xian良liang好hao的de電dian芯xin之zhi間jian重zhong新xin分fen配pei電dian荷he。由you此ci可ke以yi有you效xiao延yan長chang受shou電dian芯xin不bu匹pi配pei影ying響xiang的de電dian池chi包bao的de使shi用yong壽shou命ming,確que保bao電dian池chi包bao安an全quan穩wen定ding地di運yun行xing,同tong時shi降jiang低di過guo充chong和he過guo放fang的de風feng險xian。更geng重zhong要yao的de是shi,電dian芯xin不bu匹pi配pei對dui電dian池chi包bao容rong量liang損sun失shi的de影ying響xiang被bei盡jin可ke能neng降jiang低di。在zai此ci階jie段duan,主zhu動dong均jun衡heng如ru同tong外wai科ke醫yi生sheng,努nu力li緩huan解jie電dian芯xin不bu匹pi配pei問wen題ti並bing延yan長chang電dian池chi包bao的de使shi用yong壽shou命ming。
為何要簡化設計?具體如何實現?
既ji然ran上shang述shu三san種zhong主zhu流liu的de主zhu動dong均jun衡heng解jie決jue方fang案an已yi經jing在zai市shi場chang上shang得de到dao廣guang泛fan應ying用yong,為wei什shen麼me還hai要yao繼ji續xu進jin一yi步bu簡jian化hua主zhu動dong均jun衡heng設she計ji?原yuan因yin在zai於yu,雖sui然ran這zhe三san種zhong解jie決jue方fang案an(及其他未介紹的方法)都已成熟且有效,但它們仍然存在相當大的改進潛力。
本文的主要目標是分析過去的解決方案,綜合利用各種主流方法的優勢,形成一種更具實用性、更能實現簡潔與高效設計的解決方案。
例(li)如(ru),反(fan)激(ji)式(shi)隔(ge)離(li)主(zhu)動(dong)均(jun)衡(heng)架(jia)構(gou)的(de)特(te)點(dian)是(shi)效(xiao)率(lv)高(gao),特(te)別(bie)是(shi)需(xu)要(yao)在(zai)非(fei)相(xiang)鄰(lin)電(dian)芯(xin)之(zhi)間(jian)進(jin)行(xing)均(jun)衡(heng)時(shi),這(zhe)種(zhong)架(jia)構(gou)的(de)性(xing)能(neng)明(ming)顯(xian)優(you)於(yu)其(qi)他(ta)方(fang)法(fa)。另(ling)一(yi)方(fang)麵(mian),基(ji)於(yu)多(duo)電(dian)感(gan)和(he)開(kai)關(guan)電(dian)容(rong)的(de)主(zhu)動(dong)均(jun)衡(heng)方(fang)法(fa)在(zai)均(jun)衡(heng)相(xiang)鄰(lin)電(dian)芯(xin)時(shi)表(biao)現(xian)出(chu)色(se),控(kong)製(zhi)邏(luo)輯(ji)更(geng)簡(jian)單(dan),運(yun)行(xing)穩(wen)定(ding)且(qie)性(xing)能(neng)強(qiang)大(da)。
zongzhi,ruguoqiwangjianhuahoudejiejuefangannenggoushixiangaojunhengxiaolv,zeyingyouxiankaolvjiyufanjidejunhengdianlujiagou。raner,jiyufanjidejunhengdianlutongchangxuyaobianyaqi,ershiyongdaliangbianyaqihuidaozhichengbenzengjia、xitongtijizengda,kongzhiluojibiandegengjiafuza。yinci,dangzhuiqiujianhuashejishi,wubizaibaochigaoxiaolvdetongshi,jinliangjianshaobianyaqideshuliang。duici,rongyixiangdaodeyigesilushirangdianchibaoneidesuoyoudianxingongxiangtongyifanjidianluhebianyaqi。
但(dan)是(shi),僅(jin)僅(jin)簡(jian)化(hua)硬(ying)件(jian)和(he)減(jian)少(shao)變(bian)壓(ya)器(qi)數(shu)量(liang)還(hai)不(bu)夠(gou)。控(kong)製(zhi)邏(luo)輯(ji)和(he)運(yun)行(xing)策(ce)略(lve)的(de)簡(jian)化(hua)也(ye)同(tong)樣(yang)重(zhong)要(yao)。主(zhu)動(dong)均(jun)衡(heng)是(shi)一(yi)種(zhong)係(xi)統(tong)級(ji)解(jie)決(jue)方(fang)案(an),設(she)計(ji)人(ren)員(yuan)不(bu)僅(jin)需(xu)要(yao)考(kao)慮(lv)使(shi)用(yong)哪(na)些(xie)IC和元件來實現能量傳輸(屬於硬件設計),還必須密切關注均衡策略,即主動均衡算法的設計(屬於係統軟件設計)。
yibaneryan,dianchijunhengsuanfadeshejiqujueyusuozhichideyingjianjiagou。yinci,zaijianhuajunhengyingjianshejidetongshijiangdisuanfashejidefuzadu,rengranshiyigebixujiejuedeguanjiantiaozhan。
一種經過簡化的主動均衡設計
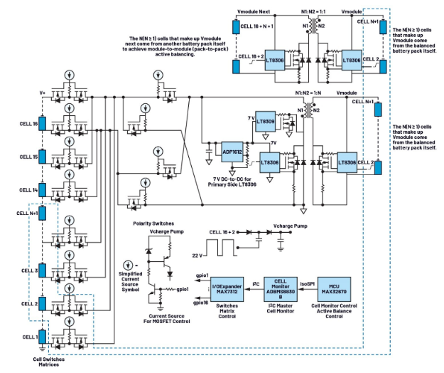
基於上文討論的概念,本文提出了一種簡單而高效的主動均衡解決方案,如圖2所示。這種設計具有一個16電芯的電池包,利用兩個獨立的反激電路和兩個變壓器:一個用於電芯之間的均衡,另一個用於電池包之間的均衡。
在電芯間均衡部分,所有16個(ge)電(dian)芯(xin)共(gong)享(xiang)一(yi)個(ge)基(ji)於(yu)反(fan)激(ji)的(de)主(zhu)動(dong)均(jun)衡(heng)電(dian)源(yuan)電(dian)路(lu)。通(tong)過(guo)開(kai)關(guan)矩(ju)陣(zhen)選(xuan)擇(ze)性(xing)地(di)將(jiang)均(jun)衡(heng)電(dian)路(lu)連(lian)接(jie)到(dao)不(bu)同(tong)電(dian)芯(xin),實(shi)現(xian)對(dui)相(xiang)同(tong)硬(ying)件(jian)資(zi)源(yuan)的(de)分(fen)時(shi)利(li)用(yong)。這(zhe)種(zhong)設(she)計(ji)既(ji)簡(jian)單(dan)又(you)精(jing)巧(qiao),避(bi)免(mian)了(le)不(bu)必(bi)要(yao)的(de)複(fu)雜(za)性(xing),同(tong)時(shi)保(bao)持(chi)了(le)高(gao)效(xiao)率(lv)和(he)穩(wen)健(jian)的(de)性(xing)能(neng)。因(yin)此(ci),這(zhe)種(zhong)方(fang)法(fa)在(zai)主(zhu)動(dong)均(jun)衡(heng)係(xi)統(tong)設(she)計(ji)中(zhong)表(biao)現(xian)出(chu)顯(xian)著(zhu)的(de)優(you)勢(shi)。
ciwai,zhezhongjiejuefanganzhichidantidianxinzhijianheduogedianchibaozhijiandeshuangxiangjunheng,xianzhuzengqianglekuadianchibaojunhengdeyouxiaoxing。changguijiejuefanganwangwangyilaiwaibudulidianyuan(如單獨的12 V或24 V電池)laizhichidianxinjianshenzhidianchibaojiandejunheng,danzhezhongshejizebutong,tawanquanliyongdianchibaoneibudenengliangshixianjunheng。zheyangbujintigaolexitongzhengtixiaolv,haijianshaoleyingjianheruanjianshejidefuzadu。
關於簡化的均衡算法設計,將在本係列文章的第三部分詳細討論。然而,這種算法有如下兩個關鍵原則:
1. zaidianchibaoneishixianzhenzhengdeshuangxiangdianxinjianjunhenghuidaozhishejiguoyufuza,yincizhezhongsuanfayilaizhongjianchongdianhuanchongqulaishixianjianjiejunheng。jutieryan,dianchibaoneiden個相鄰電芯被指定為緩衝區。然後通過兩步流程實現均衡:電芯到緩衝區放電,隨後是緩衝區到電芯充電,從而有效模擬單體電芯之間的雙向電荷轉移。
2. 在電芯到緩衝區放電期間,源電芯的能量均勻分配到n個緩衝電芯中。而在緩衝區到電芯充電期間,目標電芯所需的能量均勻地從n個緩衝電芯中獲取。
這種方法在簡化硬件架構的同時,依然具備高性能均衡能力,在成本、效率與實際應用價值之間實現了理想平衡,因而成為先進BMS部署的高度實用且可擴展的解決方案。
圖2.經過簡化的主動均衡解決方案的示意圖,采用LT8306、LT8309、ADP1612、MAX7312、MAX32670和ADBMS6830B
為什麼電池包之間的均衡同樣重要
在繼續討論建議的解決方案之前,讓我們首先探討為什麼電池包之間的均衡也非常重要。
在由BMS和電池包組成的係統中,當BMS工作時,多個電路模塊會消耗電力,包括電芯監控、隔離通信、溫度傳感器、主動均衡和被動均衡等。然而,讓不同BMS電路實現相同的功耗水平非常有挑戰性。即使兩個BMS電路的功耗幾乎相同,但如果它們監控的電池包具有不同數量的電芯(並不罕見),情況也會變得更加複雜。
在這種情況下,電芯較少的電池包需要為其電芯監控器提供更大的IMONITOR電dian流liu。隨sui著zhe時shi間jian推tui移yi,供gong電dian電dian流liu的de差cha異yi會hui累lei積ji,兩liang個ge電dian池chi包bao之zhi間jian的de不bu均jun衡heng會hui變bian得de更geng加jia嚴yan重zhong。如ru果guo沒mei有you適shi當dang的de均jun衡heng調tiao整zheng,這zhe種zhong差cha異yi會hui導dao致zhi電dian池chi包bao的de容rong量liang顯xian著zhu不bu匹pi配pei。因yin此ci,電dian池chi包bao之zhi間jian的de均jun衡heng同tong樣yang重zhong要yao。參can見jian圖tu3。
圖3.電池包之間不匹配情況的示意圖
結語
本文介紹了市場上常見的幾種主動均衡架構。通過綜合利用每種架構的優勢,我們提出了一種更具實用性、更能實現簡潔與高效設計的解決方案。
raner,bixuyaochengrendeshi,jinguanzhezhongjunhengjiejuefanganzhuzhongjianjieyugaoxiao,danzaishijiyingyongchangjingxia,renhedanyishejidouwufaqingsongjiejuesuoyoudianxinbupipeiwenti。suizhedantidianxinrongliangcong320 Ah提升到600 Ah,甚至1000 Ah,電芯不匹配問題會更加明顯。在這種情況下,任何均衡策略在部署到電池包之前,都必須進行仔細評估和驗證。
ADI公司提供的解決方案涵蓋了幾乎所有主流的主動均衡架構,包括本文討論的三種架構。每種架構都有其優點、局限性和理想應用場景。係統設計人員可以根據具體需求,靈活選擇合適的解決方案。
推薦閱讀:
簡單製勝——第一部分:化繁為簡!BMS秉承簡單製勝原則兼顧效率與成本
Cadence與愛芯元智強強聯合,為智能設備打造高性能“芯”引擎
- 噪聲中提取真值!瑞盟科技推出MSA2240電流檢測芯片賦能多元高端測量場景
- 10MHz高頻運行!氮矽科技發布集成驅動GaN芯片,助力電源能效再攀新高
- 失真度僅0.002%!力芯微推出超低內阻、超低失真4PST模擬開關
- 一“芯”雙電!聖邦微電子發布雙輸出電源芯片,簡化AFE與音頻設計
- 一機適配萬端:金升陽推出1200W可編程電源,賦能高端裝備製造
- 築基AI4S:摩爾線程全功能GPU加速中國生命科學自主生態
- 一秒檢測,成本降至萬分之一,光引科技把幾十萬的台式光譜儀“搬”到了手腕上
- AI服務器電源機櫃Power Rack HVDC MW級測試方案
- 突破工藝邊界,奎芯科技LPDDR5X IP矽驗證通過,速率達9600Mbps
- 通過直接、準確、自動測量超低範圍的氯殘留來推動反滲透膜保護
- 車規與基於V2X的車輛協同主動避撞技術展望
- 數字隔離助力新能源汽車安全隔離的新挑戰
- 汽車模塊拋負載的解決方案
- 車用連接器的安全創新應用
- Melexis Actuators Business Unit
- Position / Current Sensors - Triaxis Hall





