電動車快速直流充電:常見的係統拓撲結構和功率器件
發布時間:2023-01-06 來源:onsemi 責任編輯:wenwei
【導讀】直流快速充電(以下簡稱“DCFC”)在消除電動車采用障礙方麵的作用是顯而易見的。對更短充電時間的需求推動近400千瓦的高功率電動車快充進入市場。本博客將講述典型的電源轉換器拓撲結構和用於DCFC的AC-DC和DC-DC的功率器件的概況。
圖1.電動車直流快速充電架構圖
有源整流三相PFC升壓拓撲結構
三相功率因數校正(PFC)係統(也稱為有源整流或有源前端係統)正獲得越來越多的關注,近年來需求急劇增長。PFC拓撲結構對於高效地為DCFC供電至關重要。將碳化矽(SiC)功率半導體納入您的PFC拓撲結構可以解決挑戰,減少功率損失並提高功率密度的。
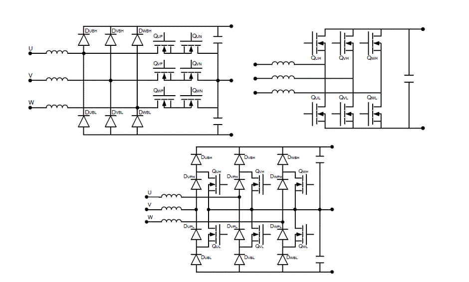
前端PFC升壓級可以用多種拓撲結構實現,而且幾種拓撲結構可以滿足相同的電力要求。圖2展示了DCFC應用中常見的PFC架構。它們之間的一個首要區別是雙向性。T-中性點鉗製(T-NPC)和I-NPC拓撲結構通過用開關取代一些二極管而適合雙向操作。6個開關的結構是一個雙向的perse。
圖2.用於DCFC的典型PFC升壓拓撲結構.T-NPC(左上)、6開關(右上)和I-NPC(底部)
另一個影響設計和功率器件額定電壓的重要因素是架構中的級數。6個開關的拓撲結構是一個2級架構,通常用900 V或1200 V的開關來實現快速直流電動車充電器。這裏SiC MOSFET-模塊具有低RDS on(6-40 mQ)區域的首選解決方案,特別是對於每塊15 kW以上的高功率範圍。
這種集成表現出比分立解決方案更優越的功率性能,提高了能效,簡化了設計,減小了整個係統的尺寸,並最大化可靠性。T-中性點箝位(T-NPC)是一種3級拓撲結構,使用1200 V整流器(以雙向形式用開關代替),中性點路徑上有650 V開關背對背。I-NPC是一個3級架構,可能完全用650 V開關實現。650 V SiC MOSFET或IGBT與共封裝二極管代表了這些3級拓撲結構的優秀替代方案。
圖3.F1-2 PACK SiC MOSFET半橋模塊.1200 V,10 mΩ
DC-DC拓撲結構
在研究DC-DC轉換級時,主要采用了三種隔離拓撲結構:全橋LLC諧振轉換器(LLC轉換器)、全橋移相雙有源橋(DAB)零電壓過渡(ZVT)轉換器(DAB-ZVT轉換器)和全橋移相零電壓過渡轉換器(ZVT轉換器)(圖4、5和6)。
全橋LLC諧振
LLC轉換器在初級端實現了零電壓開關(ZVS),同時在諧振頻率及以下——在次級端實現了零電流開關(ZCS)從而在諧振頻率附近產生了非常高的峰值效率。作為一個純粹的頻率調製(FM)係統,當係統工作點偏離諧振頻率時,這可能是需要寬輸出電壓操作時的情況,LLC的能效就會下降。然而,先進的混合調製方案使今天的脈衝調製(PWM)與調頻相結合,限製了最大頻率失控和高損耗。不過,這些混合實現方式還是給已經有時很麻煩的LLC控製算法增加了複雜性。此外,並聯的LLCs轉換器的電流共享和同步也不是件容易的事。一般來說,當有可能在相對較小的電壓範圍內工作時,和/或當具備實施結合調頻和PWM的先進控製策略的開發技能時,LLC是一種難以超越的設計。它不僅可以提供最高的能效,而且從各個角度看都是一個非常全麵的解決方案。LLC可以作為CLLC以雙向形式實現,這是另一種複雜的拓撲結構。
圖4.全橋LLC轉換器
全橋移相雙有源橋(DAB)零電壓過渡(ZVT)轉換器
帶有次級同步整流拓撲結構的DAB-ZVT轉換器也非常典型。這些都是用PWM工作,一般來說,需要比LLC轉換器更簡單的控製。DAB可以被認為是傳統的全橋移相ZVT轉換器的演變,但漏電感器在初級端,這簡化了繁瑣的次級端整流,減少了二次開關或二極管的必要額定擊穿電壓。由於實現了ZVT,這些轉換器可以在很寬的輸出電壓範圍內提供穩定的高能效。這對於支持800 V和400 V電池電壓水平的充電器來說是個方便的因素。DAB的PWM工作帶來了好處。首先,它傾向於使轉換器的電磁幹擾(EMI)頻譜比調頻係統中的更緊密。此外,用固定的開關頻率,係統在低負載時的行為更容易解決。通過同步整流,DAB是一種雙向的原生拓撲結構,是快速電動汽車充電器的最通用的替代方案和合適的解決方案之一。
圖5.全橋移相式DAB ZVT轉換器
全橋移相ZVT轉換器
對於單向操作,傳統的全橋移相ZVT(圖6)仍然是一個可用的選擇,但滲透率越來越低。這種拓撲結構的工作與DAB類(lei)似(si),但(dan)位(wei)於(yu)次(ci)級(ji)端(duan)的(de)電(dian)感(gan)器(qi)在(zai)整(zheng)流(liu)中(zhong)帶(dai)來(lai)一(yi)個(ge)顯(xian)著(zhu)的(de)差(cha)異(yi)。電(dian)感(gan)器(qi)在(zai)二(er)極(ji)管(guan)上(shang)設(she)置(zhi)了(le)高(gao)的(de)反(fan)向(xiang)電(dian)壓(ya),這(zhe)將(jiang)與(yu)占(zhan)空(kong)比(bi)成(cheng)正(zheng)比(bi)和(he)反(fan)比(bi),因(yin)此(ci),根(gen)據(ju)工(gong)作(zuo)條(tiao)件(jian),二(er)極(ji)管(guan)上(shang)的(de)反(fan)向(xiang)電(dian)壓(ya)可(ke)能(neng)超(chao)過(guo)輸(shu)出(chu)電(dian)壓(ya)的(de)兩(liang)到(dao)三(san)倍(bei)。這(zhe)種(zhong)情(qing)況(kuang)在(zai)高(gao)輸(shu)出(chu)電(dian)壓(ya)的(de)係(xi)統(tong)中(zhong)(如電動車充電器)可能具有挑戰性,通常多個次級繞組(具有較低的輸出電壓)被(bei)串(chuan)聯(lian)起(qi)來(lai)。這(zhe)樣(yang)的(de)配(pei)置(zhi)並(bing)不(bu)那(na)麼(me)方(fang)便(bian),特(te)別(bie)是(shi)如(ru)果(guo)考(kao)慮(lv)到(dao)功(gong)率(lv)和(he)電(dian)壓(ya)的(de)額(e)定(ding)值(zhi),不(bu)同(tong)的(de)拓(tuo)撲(pu)結(jie)構(gou)含(han)單(dan)一(yi)輸(shu)出(chu)將(jiang)提(ti)供(gong)相(xiang)同(tong)或(huo)更(geng)好(hao)的(de)性(xing)能(neng)。
SiC-模塊代表了上述DC-DC電源轉換級中全橋的一個非常合適和常見的解決方案,功率高於15 kW。更高的頻率有助於縮小變壓器和電感器的尺寸,從而縮小整個解決方案的外形尺寸。
圖6.全橋移相ZVT轉換器
拓撲結構的變體
所討論的拓撲結構存在多種變體,帶來額外的優勢和折衷。圖16顯示了用於快速電動車充電的全橋LLC轉換器的一個常見替代方案。在移相中,開關在輸入電壓的一半以下,並使用600 V和650 V的斷電電壓器件。650 V SiC MOSFET、650 V SuperFET 3快速恢複(FR)MOSFET和650 V FS4 IGBT將有助於解決不同的係統要求。同樣,用於初極端的二極管和整流器需要650 V的阻斷電壓等級。這些3級ji架jia構gou允yun許xu單dan極ji開kai關guan,這zhe有you助zhu於yu減jian少shao峰feng值zhi電dian流liu和he電dian流liu紋wen波bo,這zhe將jiang導dao致zhi用yong更geng小xiao的de變bian壓ya器qi。這zhe種zhong拓tuo撲pu結jie構gou的de主zhu要yao缺que點dian之zhi一yi是shi,與yu具ju有you較jiao少shao電dian源yuan開kai關guan的de2級(ji)版(ban)本(ben)相(xiang)比(bi),控(kong)製(zhi)算(suan)法(fa)需(xu)要(yao)額(e)外(wai)的(de)複(fu)雜(za)程(cheng)度(du)。雙(shuang)有(you)源(yuan)橋(qiao)以(yi)及(ji)雙(shuang)有(you)源(yuan)橋(qiao)可(ke)以(yi)很(hen)容(rong)易(yi)地(di)在(zai)初(chu)級(ji)端(duan)和(he)次(ci)級(ji)端(duan)並(bing)聯(lian)或(huo)堆(dui)疊(die),以(yi)最(zui)配(pei)合(he)快(kuai)速(su)電(dian)動(dong)汽(qi)車(che)充(chong)電(dian)器(qi)的(de)電(dian)流(liu)和(he)電(dian)壓(ya)需(xu)求(qiu)。
圖7.3-級全橋LLC轉換器-這種變體在初級端堆疊(隻有一半的輸入電壓應用於每個變壓器),在次級端並聯
次級端整流
關於次級端整流,如圖8所示,可以有多種解決方案,而且都可以使用不同的拓撲結構。對於400 V和800 V的電池水平和全橋整流,650 V和1200 V的SiC肖(xiao)特(te)基(ji)二(er)極(ji)管(guan)通(tong)常(chang)是(shi)獨(du)特(te)的(de)性(xing)價(jia)比(bi)解(jie)決(jue)方(fang)案(an)。由(you)於(yu)其(qi)零(ling)反(fan)向(xiang)恢(hui)複(fu)特(te)性(xing),與(yu)矽(gui)基(ji)替(ti)代(dai)品(pin)相(xiang)比(bi),這(zhe)些(xie)器(qi)件(jian)大(da)大(da)增(zeng)強(qiang)了(le)整(zheng)流(liu)性(xing)能(neng)和(he)能(neng)效(xiao),大(da)大(da)降(jiang)低(di)了(le)損(sun)耗(hao)和(he)整(zheng)流(liu)級(ji)的(de)複(fu)雜(za)性(xing)。矽(gui)基(ji)二(er)極(ji)管(guan),如(ru)Hyperfast、UltraFast和Stealth,可以作為成本非常有限的項目的替代品,但要犧牲性能和增加複雜性。采用中心抽頭整流的解決方案(圖6)duiyugaodianyashuchuzhengliujilaishuobingbufangbian。yuquanqiaozhengliubutongdeshi,zaiquanqiaozhengliuzhong,erjiguandebiaozhunfanxiangdianyadengyushuchudianya,erzaizhongxinchoutoupeizhizhong,erjiguanyaochengshouzhegeshuzhideliangbei。changguidequanqiaoyixiangzhuanhuanqi(電感在次級端),正如所解釋的那樣,在兩種整流方法(全橋或中心抽頭整流)中都需要更高的擊穿電壓二極管。為了克服常規全橋移相轉換器對1200 V或1700 V額定二極管的需求,幾個輸出將被串聯起來。
來源:onsemi
免責聲明:本文為轉載文章,轉載此文目的在於傳遞更多信息,版權歸原作者所有。本文所用視頻、圖片、文字如涉及作品版權問題,請聯係小編進行處理。
推薦閱讀:
- 噪聲中提取真值!瑞盟科技推出MSA2240電流檢測芯片賦能多元高端測量場景
- 10MHz高頻運行!氮矽科技發布集成驅動GaN芯片,助力電源能效再攀新高
- 失真度僅0.002%!力芯微推出超低內阻、超低失真4PST模擬開關
- 一“芯”雙電!聖邦微電子發布雙輸出電源芯片,簡化AFE與音頻設計
- 一機適配萬端:金升陽推出1200W可編程電源,賦能高端裝備製造
- 一秒檢測,成本降至萬分之一,光引科技把幾十萬的台式光譜儀“搬”到了手腕上
- AI服務器電源機櫃Power Rack HVDC MW級測試方案
- 突破工藝邊界,奎芯科技LPDDR5X IP矽驗證通過,速率達9600Mbps
- 通過直接、準確、自動測量超低範圍的氯殘留來推動反滲透膜保護
- 從技術研發到規模量產:恩智浦第三代成像雷達平台,賦能下一代自動駕駛!
- 車規與基於V2X的車輛協同主動避撞技術展望
- 數字隔離助力新能源汽車安全隔離的新挑戰
- 汽車模塊拋負載的解決方案
- 車用連接器的安全創新應用
- Melexis Actuators Business Unit
- Position / Current Sensors - Triaxis Hall





