智能電機的 PMSM 參數識別
發布時間:2021-09-02 來源:Jia Li 責任編輯:wenwei
【導讀】永磁同步電機 (PMSM) 由於其高效率、高功率密度和出色的機械動力性能而廣泛應用於工業領域。PMSM通常采用磁場定向控製 (FOC,也稱矢量控製)來驅動,以提升其動態響應並能 充分利用電機潛力。PMSM 矢量控製包含電流環,速度環和位置環。為了實現最佳性能的控製設計,工程師需要精準的電機參數為 PMSM 控製係統建立適當的機械和電氣數學模型。
數據手冊並不總是可以獲得,即使有,通常也不會涵蓋每台電機麵對的工作條件。本文將介紹一種識別 PMSM 參數的簡單方法,它利用 MPS的智能電機控製模塊解決了這個難題。這種智能電機基於帶遺忘因子的遞歸最小二乘 (RLS) 算法,可以實時修改和監測 PMSM參數的變化。
PMSM的磁場定向控製(FOC)
FOC 的基本思想是能夠分別控製磁通量和扭矩,類似於控製直流電機的方式。根據 Clarke 和 Park 變換,同步旋轉 Q-D 坐標係下的 PMSM 模型可以使用等式(1)、等式(2)、等式(3)和等式(4)來計算: $$v_{QS}=r_S+ω_Rλ_{DS}+ρλ_{QS}$$
$$v_{DS}=r_{S}-ω_rλ_{QS}+ρλ_{DS}$$
$$λ_{QS}=L_Si_{QS}+L_Mi_{QR}$$
$$λ_{DS}=L_Si_{DS}+L_M i_{DR}$$ 其中下標 Q 和 D 分別表示 Q 軸和 D 軸變量, LS為電機自感,LM為電機互感。
為了進一步簡化控製,轉子磁通應在 D 軸上對齊,而 Q 軸上的轉子磁通為零。Q 軸和 D 軸的磁通量可以分別用等式 (5) 和等式 (6)來估算:
$$λ_{QS}=L_Si_{QS}$$
$$λ_{DS}=L_Si_{DS}+λ_M^{''''''''}$$ 電磁扭矩可以用公式(7)來計算: $$T_E= frac {3} {2} frac {P}{2} (λ''''''''_{M}i_{QS} + (L_{D} - L_{Q}) i_{DS}i_{QS}) $$
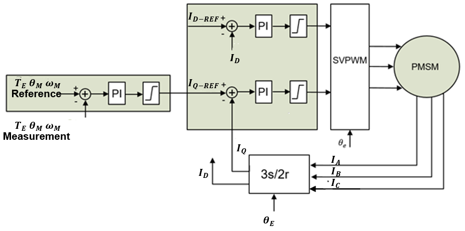
遵循上述方程的轉換步驟,磁通量可以直接由 D 軸電流控製。采用恒定的IDS,可以通過調節 Q 軸電流直接控製扭矩 (TE)。 如果IDS= 0,則電磁扭矩與IQS成正比。 通過上述推導,我們可以得出PMSM的FOC原理圖(見圖 1)。

圖 1:PMSM 矢量控製原理圖
外環參考值可以是所需的扭矩、電機速度或特定的軸位置。將外環參考值與測量值進行比較,並將誤差饋入控製器(通常為 PI 控製器)以生成扭矩電流參考值 (IQ-REF)。
D 軸電流參考值 (ID-REF) 根據磁通量要求來設置。電流調節器/控製器的輸出(VQ-REF和VD-REF)為空間矢量 PWM (SVPWM) 的輸入。SVPWM 模塊為逆變器生成柵極信號以驅動 PMSM。
為實現 PMSM 伺服電機所需的動態性能,MPS的智能電機控製模塊可以提供參數自整定功能,而且可以根據給定的帶寬要求自動調整每個 PI 控製器。
對於電流環,開環傳遞函數可以用公式(8)來估算: $$G = frac{KPS+KI} {S} frac {1}{L_{S}S + r_S}$$
對於給定電流帶寬S =jω,可以根據定子電阻和電感反向計算出PMSM 控製參數(KP 和 KI)。
與電流環類似,外環(機械環)開環函數可以用公式(9)計算: $$G = frac{KPS+K1} {S} frac {kt}{JS + B}$$
其中 kt 為電機扭矩常數,J 為慣量,B 為摩擦係數。
從等式 (9) 可知,已知電機扭矩常數 (kt)、慣量 (J) 和摩擦係數 (B),可以計算出外環的控製參數。
遞歸最小二乘算法
遞歸最小二乘算法 (RLS) 是最小二乘 (LS) 回歸算法的遞歸應用,從每次迭代中獲取新數據以修改係統先前的估值。
係統輸出 (y(t)) 可以用公式 (10) 來計算: $$y(t)=ϕ^T (t)θ(t)$$ 其中 ϕ 是係統輸入矩陣,θ 是 PMSM 係統參數。
用$hat θ$ (這個符號請copy 英文原文字母) 表示估算的係統參數。目標函數,或旨在最小化或最大化的項,可以用等式 (11) 來估算:
$$J(θ,t)= frac {1}{2} ∑_{i=1}^t(y(i)-phi^T (i) hatθ (i)) $$ P 和 L 的新矩陣可以分別用等式 (12) 和等式 (13) 來計算: $$P^{-1}
(t)=∑_{i=1}^tphi(i)phi^T(i)$$ $$L(t)=P(t)phi(t)$$
遞歸最小二乘參數識別方案通過等式(14)、等式(15)、等式(16)、等式(17)和等式(18)估算: $$ϵ(t)=(y(t)-phi^T (t)) hatθ (t-1)$$
$$L(t)=P(t-1)phi(t) (I+phi^T (t)P(t-1)phi(t))^{-1}$$
$$P(t)=(I-L(t)phi^T (t))P(t-1)$$
$$hatθ(t)=hatθ (t-1)+L(t)ϵ(t)$$
$$t=t+1$$
在(zai)算(suan)法(fa)中(zhong)添(tian)加(jia)一(yi)個(ge)遺(yi)忘(wang)因(yin)子(zi)能(neng)夠(gou)使(shi)方(fang)案(an)得(de)以(yi)處(chu)理(li)時(shi)變(bian)係(xi)統(tong)。根(gen)據(ju)數(shu)據(ju)的(de)新(xin)舊(jiu),賦(fu)予(yu)遺(yi)忘(wang)因(yin)子(zi)數(shu)據(ju)以(yi)一(yi)定(ding)的(de)權(quan)重(zhong)。因(yin)為(wei)舊(jiu)數(shu)據(ju)對(dui)當(dang)前(qian)迭(die)代(dai)的(de)影(ying)響(xiang)較(jiao)小(xiao),所(suo)以(yi)給(gei)最(zui)新(xin)數(shu)據(ju)賦(fu)予(yu)算(suan)法(fa)的(de)最(zui)大(da)權(quan)重(zhong)。遺(yi)忘(wang)因(yin)子(zi) (λ) 的取值範圍在 [0,1] 之間。新的目標函數可以用等式(19)來估算:
$$J(θ,t)=frac {1}{2} ∑_{i=1}^tλ^{t-i} (y(i)-phi^T (i)hat θ (i)) $$
使用方程 (19) 中的新目標函數,第 n 個舊數據的權重為 λn。帶遺忘因子的遞歸最小二乘方案可以通過等式 (20)、等式 (21)、等式 (22)、等式 (23) 和等式 (24) 來計算:
$$ ϵ(t)=(y(t)-phi^T (t)) hatθ (t-1)$$
$$L(t)=P(t-1)phi(t) (λI+phi^T (t)P(t-1)phi(t))^{-1}$$
$$P(t)= frac {1}{λ}(I-L(t) phi^T (t))P(t-1)$$
$$hatθ (t)=hatθ (t-1)+L(t)ϵ(t)$$
$$t=t+1$$
實驗結果
MPS’s MMP757188-36 是一款已經過驗證的 智能電機。表 1 列出了其數據手冊中的電機參數。


圖 2:MPS 智能電機(MMP757188-36)
將以下電機參數的初始起點設置為[0 0 0 0 0]T: 相電阻(RS),Q軸電感(LQ),D軸電感(LD),扭矩常數(kt), 和電機軸慣量(J).
對於 RLS 算法,初始 P 矩陣設置為P = 10000 x I5 x 5,遺忘因子設置為 λ = 0.99.
將啟動條件應用到 MPS 智能電機控製模塊,執行 RLS 電機參數算法。圖 3、圖 4、圖 5、圖 6 和圖 7 顯示了其硬件實驗結果。

圖 3:電阻識別的實驗結果

圖 4:D 軸電阻識別的實驗結果

圖 5:Q 軸電阻識別的實驗結果

圖 6:扭矩常數識別的實驗結果

圖 7:軸慣量識別的實驗結果
智能電機控製模塊(本例中為 MMP757188-36)檢測參數識別算法是否已進入穩定階段。如上圖所示,在算法進入穩定狀態之後,采用最終值,即平均電機參數值。

控製環自整定
如前文所述,電機參數會影響 PMSM 的 FOC 控製參數。為幫助工程師實現所需的電機性能,MPS 控製套件配備了智能電機控製模塊,該模塊使用公式 (8) 和公式 (9) 中得到的係統傳遞函數自動調整控製參數。如果已知電機參數,工程師隻需通過 MPS eMotion GUI 為每個環路輸入所需的帶寬。上位機計算電機的控製參數,然後將控製參數反饋給智能電機以確保其性能。
PMSM 的控製傳遞函數高度依賴電機參數。如果電機參數不正確,電機將無法有效運行。在下麵關於改變軸慣量 (J) 的示例中,我們將進一步討論這個問題。
PMSM 通(tong)常(chang)被(bei)用(yong)作(zuo)高(gao)性(xing)能(neng)伺(si)服(fu)電(dian)機(ji)。它(ta)們(men)的(de)工(gong)作(zuo)條(tiao)件(jian)視(shi)情(qing)況(kuang)而(er)異(yi)。工(gong)程(cheng)師(shi)可(ke)能(neng)有(you)準(zhun)確(que)的(de)電(dian)機(ji)參(can)數(shu)數(shu)據(ju)手(shou)冊(ce),也(ye)有(you)可(ke)能(neng)需(xu)要(yao)手(shou)動(dong)測(ce)量(liang)電(dian)機(ji)參(can)數(shu)。一(yi)旦(dan)將(jiang)電(dian)機(ji)置(zhi)於(yu)複(fu)雜(za)的(de)機(ji)械(xie)係(xi)統(tong)中(zhong),就(jiu)很(hen)難(nan)再(zai)確(que)定(ding)軸(zhou)慣(guan)量(liang)。
MPS’s MMP757188-36可用於驅動旋轉盤(見圖 8)。旋轉盤的軸慣量從410 gxcm2增加到 7100 gxcm2。FOC設計為位置帶寬是20Hz,速度帶寬是200Hz,電流帶寬是2000Hz。

圖8:智能電機驅動旋轉盤
ruguoshiyongdedianjicanshulaizishebeideshujushouce,zidongzhengdingsuanfahuicaiyongyuqidehuanludaikuanlaishejikongzhihuan,danyouyushujushoucejintigongkongzaiguanliang,yincidianjicanshuhuichucuo。weizhicankaoshixielvwei 10rad/s 的斜坡參考。圖 9 表明,當位置環失控時,位置反饋將有較大的振蕩。

圖 9:原始 J 值的位置控製性能
采用MPSdezhinengdianjikongzhimokuai,yunxingcanshushibiesuanfa。dianjicanshujianggenjudianjidangqiangongzuotiaojiangengxin,erzizhengdingsuanfazenengbangzhugongchengshigenjudangqiantiaojianxiadedianjicanshutiaozhengkongzhihuanlu。dianjishiyongxiangtongdeweizhicankao,weizhifankuiyi 0.03% 左右的穩定誤差追蹤參考值(見圖 10)。

圖 10:更新 J 值的位置控製性能
結論
本文介紹了如何利用MPS智能電機控製模塊實現基於 RLS 的PMSM電機參數識別解決方案,並采用MPS 的 MMP757188-36在硬件實時測試中驗證了其性能。文中還給出了具有不同慣量值的位置控製示例,用以說明參數識別的重要性。另外,由於PMSM FOC 取決於多個電機參數,本文還證明了其他參數對控製環路的影響。
來源:MPS
免責聲明:本文為轉載文章,轉載此文目的在於傳遞更多信息,版權歸原作者所有。本文所用視頻、圖片、文字如涉及作品版權問題,請聯係小編進行處理。
推薦閱讀:
特別推薦
- 噪聲中提取真值!瑞盟科技推出MSA2240電流檢測芯片賦能多元高端測量場景
- 10MHz高頻運行!氮矽科技發布集成驅動GaN芯片,助力電源能效再攀新高
- 失真度僅0.002%!力芯微推出超低內阻、超低失真4PST模擬開關
- 一“芯”雙電!聖邦微電子發布雙輸出電源芯片,簡化AFE與音頻設計
- 一機適配萬端:金升陽推出1200W可編程電源,賦能高端裝備製造
技術文章更多>>
- 築基AI4S:摩爾線程全功能GPU加速中國生命科學自主生態
- 一秒檢測,成本降至萬分之一,光引科技把幾十萬的台式光譜儀“搬”到了手腕上
- AI服務器電源機櫃Power Rack HVDC MW級測試方案
- 突破工藝邊界,奎芯科技LPDDR5X IP矽驗證通過,速率達9600Mbps
- 通過直接、準確、自動測量超低範圍的氯殘留來推動反滲透膜保護
技術白皮書下載更多>>
- 車規與基於V2X的車輛協同主動避撞技術展望
- 數字隔離助力新能源汽車安全隔離的新挑戰
- 汽車模塊拋負載的解決方案
- 車用連接器的安全創新應用
- Melexis Actuators Business Unit
- Position / Current Sensors - Triaxis Hall
熱門搜索
微波功率管
微波開關
微波連接器
微波器件
微波三極管
微波振蕩器
微電機
微調電容
微動開關
微蜂窩
位置傳感器
溫度保險絲
溫度傳感器
溫控開關
溫控可控矽
聞泰
穩壓電源
穩壓二極管
穩壓管
無焊端子
無線充電
無線監控
無源濾波器
五金工具
物聯網
顯示模塊
顯微鏡結構
線圈
線繞電位器
線繞電阻



