鋰電池保護電路的工作原理
發布時間:2020-11-27 責任編輯:lina
【導讀】鋰li電dian池chi都dou有you一yi個ge使shi用yong的de安an全quan電dian壓ya區qu間jian,最zui高gao和he最zui低di電dian壓ya一yi般ban被bei稱cheng為wei充chong放fang電dian終zhong止zhi電dian壓ya或huo截jie止zhi電dian壓ya,當dang電dian池chi的de實shi際ji工gong作zuo電dian壓ya長chang時shi間jian低di於yu放fang電dian終zhong止zhi電dian壓ya或huo者zhe長chang時shi間jian高gao於yu充chong電dian終zhong止zhi電dian壓ya時shi,電dian池chi內nei部bu將jiang發fa生sheng不bu可ke逆ni轉zhuan的de傷shang害hai,嚴yan重zhong傷shang害hai電dian池chi,導dao致zhi性xing能neng下xia降jiang,俗su稱cheng電dian池chi衰shuai減jian,電dian池chi衰shuai減jian的de表biao現xian就jiu是shi電dian池chi的de內nei阻zu增zeng大da,容rong量liang下xia降jiang等deng。
今天介紹一下常見的鋰電池保護電路的工作原理。
前言
舉一個不恰當的例子,電池的充放電就像孩子喝母乳一樣。
1,如果一直讓孩子喝,家長不加以控製,那麼這個奶可能會被喝光,類似電池過放;
2,如果家長一直不給孩子喝奶,這個奶就會積攢越來越多,類似電池過充;
3,如果孩子喝奶喝的急,容易嗆奶,類似電池的過電流保護;
科學喝奶,規律喝奶,需要家長的監督,那電池如何做到科學充電和放電呢?
鋰li電dian池chi都dou有you一yi個ge使shi用yong的de安an全quan電dian壓ya區qu間jian,最zui高gao和he最zui低di電dian壓ya一yi般ban被bei稱cheng為wei充chong放fang電dian終zhong止zhi電dian壓ya或huo截jie止zhi電dian壓ya,當dang電dian池chi的de實shi際ji工gong作zuo電dian壓ya長chang時shi間jian低di於yu放fang電dian終zhong止zhi電dian壓ya或huo者zhe長chang時shi間jian高gao於yu充chong電dian終zhong止zhi電dian壓ya時shi,電dian池chi內nei部bu將jiang發fa生sheng不bu可ke逆ni轉zhuan的de傷shang害hai,嚴yan重zhong傷shang害hai電dian池chi,導dao致zhi性xing能neng下xia降jiang,俗su稱cheng電dian池chi衰shuai減jian,電dian池chi衰shuai減jian的de表biao現xian就jiu是shi電dian池chi的de內nei阻zu增zeng大da,容rong量liang下xia降jiang等deng。
所以一般鋰離子電池內部會有一個小的PCB板,和電池封裝在一起,如下圖所示,主要作用就是用來保護電池。

紅色框選部分為電池保護板
這個電路板根據組成電路不同,一般會有過放保護、過充保護、過流保護、短路保護以及控製IC失效之後的FUSE保護這幾種,下麵會以一個常見的電路,講解這幾種保護的工作原理。
鋰電池保護板組成
一般的鋰電池保護板由控製IC、MOS管、電阻電容、保險絲FUSE等組成,如下圖所示。

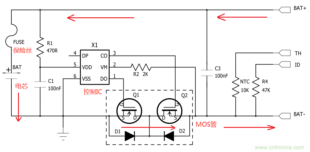
常見的鋰電池保護板電路圖
TH為溫度檢測,內部是一個10K NTC接到電池負極;ID是電池在位檢測,一般是47K/10K電阻接到電阻負極,有的是0R電阻;TH和ID均是選配,並不是所有鋰電池都有的。
接著根據上麵這麼電路,來看一下如下幾種保護的工作原理吧!
過充保護
電池充電時,電流(方向如箭頭所示)從電池包的正極流入,經過FUSE後從負極流出,最下方的兩個MOS管均是導通狀態。

電池充電時電流方向如箭頭所示
充電時,控製IC X1會時刻監測第5腳VDD和第6腳VSS之間的電壓,當這個電壓大於等於過充截止電壓且滿足過充電壓的延時時間時,X1會通過控製第3腳來關閉MOS管Q2,Q2被關閉之後,充電回路被切斷(Q2的體二極管D2也是反向截止的),這個時候,電池隻能放電。
過充保護解除條件(滿足其一即可):
1,電芯兩端的電壓下降到保護IC的過充恢複電壓。
2,在電池包得輸出端加負載放電,放電到電壓小於過充保護電壓。
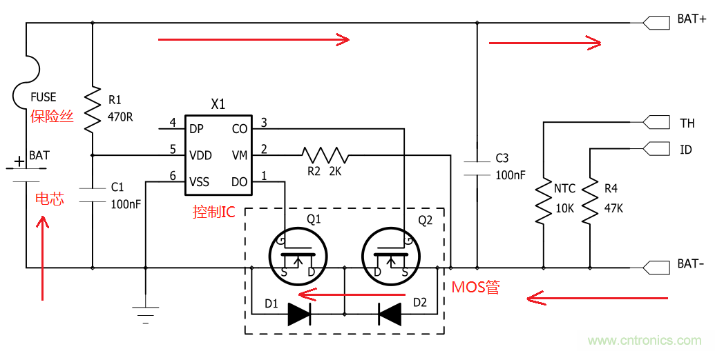
過放保護
在電池包兩端加負載放電時,電流(方向如箭頭所示)與充電是相反的,如下圖所示。

電池放電時電流方向如箭頭所示
放電時,控製IC X1同樣會時刻監測第5腳VDD和第6腳VSS之間的電壓,當這個電壓小於等於過放截止電壓且達到過放電壓的延時時間,控製IC X1會通過第1腳關閉Q1,Q1被關閉之後,放電回路被切斷(Q1的體二極管D1是反向截止),這個時候,電池隻能充電。
過放保護解除條件:拿掉負載,給電池包充電,當VM-VDD之間的電壓達到過放恢複電壓值時,控製IC X1會重新打開MOS管Q1。
過流保護/短路保護
過流保護指的是過放電流的保護,一般的控製IC有過流保護和短路保護兩種,控製IC時刻監測VSS-VM之間的電壓值,當電壓值達到過流保護或者短路保護的閾值且滿足延時時間,控製IC會將MOS管Q1關閉,切斷放電回路。

電池放電時電流方向如箭頭所示
過電流保護解除的條件是:將輸出端負載拿掉,控製IC會自動將Q1重新打開。
過流保護的電壓值一般是0.1~0.2V,短路保護檢測的電壓值一般是0.9V~2V,這兩個值都與控製IC有關係,不同的IC,這兩個值不一樣。
短路保護電壓值指的是電流流經Q1和Q2上的導通壓降,即可以得出,如果MOS管的導通內阻越大,保護電流值就越小。如:內阻為20mΩ的MOS管,選用的過電流值為0.15V的控製IC,那過流保護的電流應為:0.15V/(0.02*2)=3.75A。
控製IC失效之後的FUSE保護
有的保護板裏麵會加上保險絲,在控製IC失效之後,起到一個二級保護作用,避免更壞的結果,當然也會增加成本。
(來源:CSDN博客,博主:記得誠)
免責聲明:本文為轉載文章,轉載此文目的在於傳遞更多信息,版權歸原作者所有。本文所用視頻、圖片、文字如涉及作品版權問題,請電話或者郵箱聯係小編進行侵刪。
特別推薦
- 噪聲中提取真值!瑞盟科技推出MSA2240電流檢測芯片賦能多元高端測量場景
- 10MHz高頻運行!氮矽科技發布集成驅動GaN芯片,助力電源能效再攀新高
- 失真度僅0.002%!力芯微推出超低內阻、超低失真4PST模擬開關
- 一“芯”雙電!聖邦微電子發布雙輸出電源芯片,簡化AFE與音頻設計
- 一機適配萬端:金升陽推出1200W可編程電源,賦能高端裝備製造
技術文章更多>>
- 築基AI4S:摩爾線程全功能GPU加速中國生命科學自主生態
- 一秒檢測,成本降至萬分之一,光引科技把幾十萬的台式光譜儀“搬”到了手腕上
- AI服務器電源機櫃Power Rack HVDC MW級測試方案
- 突破工藝邊界,奎芯科技LPDDR5X IP矽驗證通過,速率達9600Mbps
- 通過直接、準確、自動測量超低範圍的氯殘留來推動反滲透膜保護
技術白皮書下載更多>>
- 車規與基於V2X的車輛協同主動避撞技術展望
- 數字隔離助力新能源汽車安全隔離的新挑戰
- 汽車模塊拋負載的解決方案
- 車用連接器的安全創新應用
- Melexis Actuators Business Unit
- Position / Current Sensors - Triaxis Hall
熱門搜索
微波功率管
微波開關
微波連接器
微波器件
微波三極管
微波振蕩器
微電機
微調電容
微動開關
微蜂窩
位置傳感器
溫度保險絲
溫度傳感器
溫控開關
溫控可控矽
聞泰
穩壓電源
穩壓二極管
穩壓管
無焊端子
無線充電
無線監控
無源濾波器
五金工具
物聯網
顯示模塊
顯微鏡結構
線圈
線繞電位器
線繞電阻



