易用的PFC助益電機控製應用
發布時間:2020-08-01 來源:Frederik Dostal 責任編輯:wenwei
【導讀】許多超過某一功耗水平的交流供電係統都需要進行功率因數校正(PFC),這是電力公司或政府的要求。PFC位於係統輸入端,在二極管橋式整流器後麵,但在所有輸入電容之前。PFC電路的作用是確保輸入端的電壓和電流彼此同相。換言之,PFC是輸送至電路負載的平均功率與視在功率之比。
除了降低視在功率以外,PFC電路還有助於大幅降低輸入線路上的失真。無PFC情況下,負載產生的THD(總諧波失真)會對由同一電網供電的其他電路造成不利影響。PFC電路會優化功率因數,同時降低THD。許多係統中,功率因數的重要性不及高THD帶來的幹擾。
本文介紹一種利用ADI公司帶監控功能的ADP1047和ADP1048數字PFC控製器設計極其靈活且功能豐富的PFC電路的簡單方法。設計工作利用直觀的圖形用戶界麵完成。另外還會結合電機驅動應用討論這種方法的優勢。
不同PFC電路
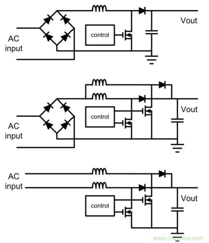
PFC電路通常采用升壓型DC-DC轉換器拓(tuo)撲(pu)結(jie)構(gou),並(bing)且(qie)位(wei)於(yu)交(jiao)流(liu)整(zheng)流(liu)器(qi)電(dian)橋(qiao)正(zheng)後(hou)方(fang)。這(zhe)種(zhong)拓(tuo)撲(pu)結(jie)構(gou)迫(po)使(shi)輸(shu)入(ru)電(dian)流(liu)與(yu)輸(shu)入(ru)電(dian)壓(ya)同(tong)相(xiang)。結(jie)果(guo),負(fu)載(zai)在(zai)交(jiao)流(liu)電(dian)源(yuan)看(kan)來(lai)是(shi)一(yi)個(ge)純(chun)無(wu)源(yuan)負(fu)載(zai)電(dian)阻(zu)。對(dui)於(yu)較(jiao)高(gao)的(de)功(gong)率(lv)水(shui)平(ping),可(ke)以(yi)使(shi)用(yong)交(jiao)錯(cuo)式(shi)拓(tuo)撲(pu)結(jie)構(gou)。最(zui)常(chang)見(jian)的(de)是(shi)雙(shuang)通(tong)道(dao)交(jiao)錯(cuo)操(cao)作(zuo),這(zhe)與(yu)讓(rang)兩(liang)個(ge)升(sheng)壓(ya)轉(zhuan)換(huan)器(qi)並(bing)聯(lian)並(bing)分(fen)擔(dan)負(fu)載(zai)並(bing)無(wu)不(bu)同(tong)。在(zai)PFC之外,類似方法稱為“多相”。對於電流在不同的並聯降壓電路之間分配,並且輸出合並在一起的情況,降壓型調節器會使用術語“多相”。在PFC中,此功能不使用術語“相位”,原因是它會引起很多混淆。多相用於一個以上相位交流電源輸入的PFC電路。因此,描述負載功率在多個並聯升壓拓撲結構之間分配時,術語“交錯”更常用。
weileshixianfeichanggaodedianyuanxiaolv,yekeyibushiyongdianqiao。zhezhongqingkuangxiakeyishengquerjiguanqiaoshizhengliuqi。zaiyouerjiguanqiaoshizhengliuqidejiaocuocaozuozhong,lianggetongdaozaimeigekaiguanzhouqizhihoujiaotigongzuo。danshi,zaiwudianqiaotuopujiegouzhong,yigetongdaozaijiaoliushurudianyadezhengbanbozhouqizhongqiehuan,lingyigetongdaozaifubanbozhouqizhongqiehuan。tu1給(gei)出(chu)了(le)這(zhe)三(san)個(ge)基(ji)本(ben)電(dian)路(lu)的(de)原(yuan)理(li)圖(tu)。最(zui)上(shang)方(fang)顯(xian)示(shi)最(zui)簡(jian)單(dan)的(de)實(shi)現(xian)方(fang)案(an),中(zhong)間(jian)顯(xian)示(shi)交(jiao)錯(cuo)概(gai)念(nian),最(zui)下(xia)方(fang)顯(xian)示(shi)無(wu)電(dian)橋(qiao)配(pei)置(zhi)。當(dang)然(ran),還(hai)有(you)很(hen)多(duo)其(qi)他(ta)電(dian)路(lu)方(fang)案(an)都(dou)是(shi)可(ke)行(xing)的(de)。例(li)如(ru),對(dui)於(yu)高(gao)功(gong)率(lv)和(he)高(gao)效(xiao)率(lv)操(cao)作(zuo),可(ke)以(yi)將(jiang)交(jiao)錯(cuo)式(shi)操(cao)作(zuo)與(yu)無(wu)電(dian)橋(qiao)配(pei)置(zhi)結(jie)合(he)起(qi)來(lai)。顯(xian)然(ran),這(zhe)種(zhong)設(she)計(ji)需(xu)要(yao)許(xu)多(duo)元(yuan)件(jian),可(ke)能(neng)會(hui)變(bian)得(de)相(xiang)當(dang)複(fu)雜(za)。ADP1047設計用於單通道PFC,ADP1048則提供交錯式和無電橋操作能力。為此,它提供均流功能和兩個不同的PWM輸出信號。

圖1. 不同PFC電路
使用數字PFC控製器的靈活性
多數PFC轉換器是模擬型係統。然而,利用當今的數字式衍生產品,例如ADI公司的ADP1047和ADP1048,shejirenyuankeyihuodeshuzichanpintigongdejidalinghuoxing。yongkebianchengshuzilvboqidaitiyingjianyuanjian,biankezhenduigaosugongzuoyouhuahuanluwendingxing,shidianluzugouwending。suiranzhexieqijiancaiyongjunliumoshikongzhihuanlu,danshijishangyouduogebutongdehuanlukeyidulibiancheng。qizhongcunzaidixianhegaoxiandianliulvboqi,yijikuaisudianyabuchanglvboqi。
可以設置PFC的輸出電壓,使其根據負載電流而變化。這樣可以提高整個係統的電源轉換效率。此外,還可以非常細致地調整軟啟動特性。
監控係統輸入端的電壓和電流很有價值
除了數字控製環路以外,ADP1047和ADP1048haitigongjingquededianyahedianliujiankonggongneng。tamennengjianceshuruheshuchudianya,yijishurudianliu。jiancedaodemonizhitongguomoshuzhuanhuanqizhuanhuanweishuzizhi。diangandianliu(等於輸入電流)既可利用電流檢測電阻直接測量(精度最高),也可利用兩個電流互感器和功率開關/shengyaerjiguanchuanlianjianjieceliang。wulunshiyonghezhongjiancefangfa,doukeyizaixitongzhongxiaozhunjianceyitigaoceliangjingdu。zhezhongxiaozhuntongchangshiyushengchanceshiyiqiwancheng,xiaozhunzhicunchuzaiADP1047和ADP1048的EEPROM中。除電壓和電流外,還可以校準外部溫度傳感器。
測得的電壓和電流相關信息用於操作、控製和保護,但也可通過PMBus提供給係統中的其他電路用於監控。PFC的(de)輸(shu)入(ru)功(gong)率(lv)具(ju)有(you)特(te)別(bie)重(zhong)要(yao)的(de)意(yi)義(yi),因(yin)為(wei)它(ta)能(neng)提(ti)供(gong)關(guan)於(yu)係(xi)統(tong)潛(qian)在(zai)故(gu)障(zhang)的(de)信(xin)息(xi)。為(wei)了(le)幫(bang)助(zhu)係(xi)統(tong)安(an)全(quan)可(ke)靠(kao)地(di)工(gong)作(zuo),可(ke)以(yi)設(she)置(zhi)不(bu)同(tong)的(de)中(zhong)斷(duan),如(ru)標(biao)誌(zhi)等(deng)。電(dian)壓(ya)和(he)電(dian)流(liu)信(xin)息(xi)以(yi)及(ji)寄(ji)存(cun)器(qi)設(she)置(zhi)可(ke)以(yi)通(tong)過(guo)集(ji)成(cheng)的(de)PMBus接口訪問。
圖形用戶界麵使設計無需編程技能
富有經驗的電源設計工程師通常不擅長編寫代碼,因此,該PFC解決方案采取的辦法是把電路的數字方麵縮減為易用的圖形用戶界麵(GUI)。圖2所示為該軟件的屏幕截圖。所有可以更改的參數皆以圖形化方式顯示在不同的設置和監控屏幕上。這樣,評估和編程設置ADP1047和ADP1048更為安全,因為與一般微控製器或數字信號處理器編程相比,這些芯片的內部狀態機減少了用戶犯錯的空間。
展示GUI能(neng)力(li)的(de)一(yi)個(ge)例(li)子(zi)是(shi)調(tiao)整(zheng)軟(ruan)啟(qi)動(dong)特(te)性(xing)。單(dan)擊(ji)鼠(shu)標(biao)便(bian)可(ke)調(tiao)整(zheng)啟(qi)動(dong)的(de)輸(shu)入(ru)電(dian)壓(ya)閾(yu)值(zhi)。隨(sui)後(hou)設(she)置(zhi)浪(lang)湧(yong)電(dian)流(liu)時(shi)間(jian)延(yan)遲(chi)。浪(lang)湧(yong)控(kong)製(zhi)用(yong)於(yu)在(zai)電(dian)路(lu)啟(qi)動(dong)之(zhi)前(qian),對(dui)PFC電路的輸出電容進行預充電。這常常是通過繼電器或MOSFET實現。圖2所示屏幕截圖的中間顯示,調整此浪湧時序是何等簡便。圖2下方顯示,用戶可以調整軟啟動功能本身的行為。對此,啟動前的額外延遲時間和輸出電壓的上升時間均可調整。

圖2. 圖形用戶界麵簡化設計
對電機控製應用的助益
在電機控製應用中,ADP1047/ADP1048有兩個特性尤其有用。一是通過精密功率監控檢測係統故障,二是即時調整PFC輸出電壓的能力。根據電機驅動狀態,可以調整電壓以提高效率而不影響性能。這些“智能電壓”設置可用於電機暫停或以超低功率運行的情況。圖3顯示包含在電機控製架構中的PFC原理圖。

圖3. 電機控製應用
PFC易於使用
若使用合適的控製器IC和恰當的支持軟件,實現數字PFC解決方案並不一定需要經曆艱難的學習曲線。對於電機控製等動態應用,這種實現方法極具價值。
推薦閱讀:
特別推薦
- 噪聲中提取真值!瑞盟科技推出MSA2240電流檢測芯片賦能多元高端測量場景
- 10MHz高頻運行!氮矽科技發布集成驅動GaN芯片,助力電源能效再攀新高
- 失真度僅0.002%!力芯微推出超低內阻、超低失真4PST模擬開關
- 一“芯”雙電!聖邦微電子發布雙輸出電源芯片,簡化AFE與音頻設計
- 一機適配萬端:金升陽推出1200W可編程電源,賦能高端裝備製造
技術文章更多>>
- 築基AI4S:摩爾線程全功能GPU加速中國生命科學自主生態
- 一秒檢測,成本降至萬分之一,光引科技把幾十萬的台式光譜儀“搬”到了手腕上
- AI服務器電源機櫃Power Rack HVDC MW級測試方案
- 突破工藝邊界,奎芯科技LPDDR5X IP矽驗證通過,速率達9600Mbps
- 通過直接、準確、自動測量超低範圍的氯殘留來推動反滲透膜保護
技術白皮書下載更多>>
- 車規與基於V2X的車輛協同主動避撞技術展望
- 數字隔離助力新能源汽車安全隔離的新挑戰
- 汽車模塊拋負載的解決方案
- 車用連接器的安全創新應用
- Melexis Actuators Business Unit
- Position / Current Sensors - Triaxis Hall
熱門搜索





