智能電池電量計如何有效改進動態血糖監視儀的電池使用壽命
發布時間:2019-12-23 責任編輯:wenwei
【導讀】人體血糖值的偏高或偏低都有可能導致嚴重的健康威脅,因此監測血糖水平是重中之重。目前全球已有1.5億人口罹患糖尿病,所以個人便攜型血糖監測儀(BGM)的需求巨大。
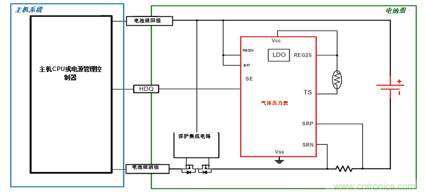
圖1所示的動態血糖監測儀(CGM),可幫助糖尿病患者實時檢查血糖讀數,也可在超長時間段內監測血糖值。CGM能夠持續監測血糖水平,然後在用戶血糖值達到危險值時提示用戶。這款監測儀通常包含圖2所示的傳感器單元和圖3所示的聚合器單元。

圖1:動態血糖監測儀(CGM)
此傳感器單元使用紐扣電池或硬幣電池,在一定時間段內與人體連接(例如,8到10天)。聚合器單元是由電池供電的手持單元,可以利用如近場通信等無線射頻(RF)技術來讀取血糖數據。聚合器單元的電池管理子係統由電池充電器、電池電量計和保護器構成。3.7 V鋰離子單電池就可運行一般的聚合器單元。其可通過電源適配器的USB或DC輸入進行充電。

圖 2:CGM傳感器單元

圖 3:CGM聚合器單元的示意框圖
電池電量計可以預測並估算電池在不同負載狀態下的剩餘容量、充電狀態、電量耗盡時間和運行狀況,從而幫助解決電池管理中的難題。利用智能電池電量計,用戶可以延長運行時間(如圖4所示)和電池循環壽命。德州儀器(TI)的Impedance Track™測量算法實現了準確度高於99%的電池容量預測,使其具有卓越的模擬測量性能和電池特征建模功能。

圖4:采用TI電量計實現超長運行時間
這款血糖監測儀提供多種單節電池測量選項,不僅外形小巧,經濟高效,而且功耗超低。電量計可以搭載在電池組內或係統PCB上,後者更多見於便攜型醫療應用。
圖5和圖6分別展示了典型的係統側和組側電量計配置。係統PCB上的電量計,如BQ27426,隻需要最低的用戶配置,並且在正常工作時電流消耗也很小。對於更高級別的集成,某些電量計具有集成式檢測電阻,如BQ27421-G1。
另一方麵,如果電量計搭載在電池組內,則可以通過基於閃存的固件和256位集成式安全哈希算法(如BQ27Z561-R1)提供具有高準確性的解決方案。BQ2970等保護集成電路可提供電壓、電流和反向充電器保護。

圖 5:典型的主機/係統側電量計配置

圖 6:典型的電池組側電量計配置
電池電量計提高了電源管理的先進性和智能水平。不具有準確電量計的係統隻能在固定電壓下關閉。許多設備關閉時係統電壓為3.5 V,以便保護用於最壞情況的備用容量(保留電能用於關機),但如圖4所suo示shi,隻zhi通tong過guo微wei控kong製zhi器qi和he模mo數shu轉zhuan換huan器qi測ce量liang電dian池chi電dian壓ya,進jin而er生sheng成cheng低di電dian池chi電dian量liang警jing告gao並bing不bu是shi測ce量liang剩sheng餘yu電dian量liang的de可ke靠kao方fang法fa。這zhe是shi由you於yu大da多duo數shu應ying用yong都dou具ju有you可ke變bian負fu載zai。電dian池chi電dian量liang計ji將jiang計ji算suan剩sheng餘yu電dian量liang並bing改gai變bian關guan機ji電dian壓ya,以yi滿man足zu任ren何he條tiao件jian下xia所suo需xu的de備bei用yong容rong量liang要yao求qiu,從cong而er增zeng加jia運yun行xing時shi長chang。
除保有備用容量的優勢外,由於應用產生的高瞬態脈衝負載,一些電池電量計還能夠不報告0%dedianhezhuangtai,congershidianchidianyajiangzhizhongduandianyayixia。dangdianchirengranjuyougaodianliangshi,zhegetexinghenyouyoushi,danshigaoshuntaifuzaihuizaochengtiqiandadaozhongzhidianya。
電池是複雜的電化學係統,受電池老化、溫度和阻抗的影響。算法、緊jin湊cou設she備bei和he高gao級ji設she備bei集ji成cheng都dou是shi改gai進jin係xi統tong性xing能neng的de關guan鍵jian特te性xing。您nin在zai動dong態tai血xue糖tang監jian測ce儀yi等deng醫yi用yong電dian池chi供gong電dian應ying用yong方fang麵mian麵mian臨lin的de最zui大da挑tiao戰zhan是shi什shen麼me?請qing在zai文wen末mo告gao訴su我wo們men您nin的de觀guan點dian。
推薦閱讀:
特別推薦
- 噪聲中提取真值!瑞盟科技推出MSA2240電流檢測芯片賦能多元高端測量場景
- 10MHz高頻運行!氮矽科技發布集成驅動GaN芯片,助力電源能效再攀新高
- 失真度僅0.002%!力芯微推出超低內阻、超低失真4PST模擬開關
- 一“芯”雙電!聖邦微電子發布雙輸出電源芯片,簡化AFE與音頻設計
- 一機適配萬端:金升陽推出1200W可編程電源,賦能高端裝備製造
技術文章更多>>
- 築基AI4S:摩爾線程全功能GPU加速中國生命科學自主生態
- 一秒檢測,成本降至萬分之一,光引科技把幾十萬的台式光譜儀“搬”到了手腕上
- AI服務器電源機櫃Power Rack HVDC MW級測試方案
- 突破工藝邊界,奎芯科技LPDDR5X IP矽驗證通過,速率達9600Mbps
- 通過直接、準確、自動測量超低範圍的氯殘留來推動反滲透膜保護
技術白皮書下載更多>>
- 車規與基於V2X的車輛協同主動避撞技術展望
- 數字隔離助力新能源汽車安全隔離的新挑戰
- 汽車模塊拋負載的解決方案
- 車用連接器的安全創新應用
- Melexis Actuators Business Unit
- Position / Current Sensors - Triaxis Hall
熱門搜索
微波功率管
微波開關
微波連接器
微波器件
微波三極管
微波振蕩器
微電機
微調電容
微動開關
微蜂窩
位置傳感器
溫度保險絲
溫度傳感器
溫控開關
溫控可控矽
聞泰
穩壓電源
穩壓二極管
穩壓管
無焊端子
無線充電
無線監控
無源濾波器
五金工具
物聯網
顯示模塊
顯微鏡結構
線圈
線繞電位器
線繞電阻



