安靜且簡單的Silent Switcher器件
發布時間:2019-11-29 責任編輯:wenwei
【導讀】不言而喻,PC電路板的布局設計決定了每一種電源設計的成敗。它決定了一個電源的功能、電磁幹擾(EMI)和熱行為。雖然開關電dian源yuan布bu局ju不bu是shi黑hei魔mo法fa,但dan在zai設she計ji過guo程cheng中zhong會hui經jing常chang被bei忽hu視shi,最zui終zhong發fa現xian其qi至zhi關guan重zhong要yao卻que為wei時shi已yi晚wan。因yin此ci需xu要yao一yi種zhong行xing之zhi有you效xiao的de方fang法fa,從cong一yi開kai始shi就jiu削xue弱ruo這zhe些xie潛qian在zai的deEMI威脅,方能確保電源安靜而穩定。
suiranxuduokaiguanmoshidianyuanshejirenyuandouhenqingchukaiguanmoshidianyuandeshejifuzaxinghexiweichabie,danhenduogongsigenbenmeiyouzugoudeshejirenyuanmanzusuoyouxiangmuxuqiuwanchengsheji。bushaoshejirenyuanjiangtuixiubinglikaicixingye!那麼,如何解決這個問題呢?
首先,就是因為模擬電源設計人員不足,所以要求越來越多的數字設計人員進行開關模式電源設計!雖然大多數數字設計人員都知道如何使用簡單的線性穩壓器,但並非所有設計都要求降壓(降壓模式)。事實上,很多是升壓模式(升壓),甚至是降壓-升壓拓撲(降壓和升壓模式相結合)。
顯然,許多電子係統製造商都麵臨一個問題:如何實現係統所需的所有開關模式電源電路?
解決設計資源短缺問題
在本文中,我將介紹降壓穩壓器工作的一些基本原理,包括開關穩壓器熱回路中的高di/dt和寄生電感如何導致電磁噪聲和開關振鈴。然後我們將看看如何減少高頻噪聲。我還將介紹ADI的Power by LinearTM Silent Switcher®技術,包括它如何構成,並演示它如何幫助解決EMI問題,且絲毫不會影響性能。其中還包括SilentSwitcher器件如何工作。
我還將概述Silent Switcher的封裝和布局,討論這些封裝和布局如何提高降壓轉換器的整體性能。此外,我將演示如何將此技術融入我們的μModule®穩壓器,從而提高SilentSwitcher器件的集成度。對於不熟悉開關模式電源設計技術的設計人員,這些簡單易用的解決方案會很有用。
基本降壓穩壓器電路
最基本的電源拓撲之一是降壓穩壓器,如圖1所示。EMI從高di/dt回路開始。供電線和負載線不應具有高交流電流分量。因此,輸入電容C2應將所有相關電流的交流分量傳輸至輸出電容C1,所有電流交流分量在這裏結束。

圖1. 同步降壓穩壓器原理圖。
參考圖1,在M1關閉而M2打開的開啟周期中,交流電流在實線藍色回路中流動。在關閉周期中,當M1打開而M2關閉時,交流電流在綠色虛線回路中流動。大多數人難以理解,產生最高EMI的回路既不是實線藍色回路,也不是虛線綠色回路。而是虛線紅色回路中流動的全開關交流電流,從零切換至I峰值,再回到零。虛線紅色回路通常指熱回路,因為它有最高交流電流和EMI能量。
導致電磁噪聲和開關振鈴的是開關穩壓器熱回路中的高di/dt和寄生電感。要減少EMI並改進功能,需要盡量減少虛線紅色回路的輻射效應。如果我們能夠將虛線紅色回路的PC電(dian)路(lu)板(ban)麵(mian)積(ji)減(jian)少(shao)到(dao)零(ling),並(bing)且(qie)能(neng)夠(gou)買(mai)到(dao)具(ju)有(you)零(ling)阻(zu)抗(kang)的(de)理(li)想(xiang)電(dian)容(rong),就(jiu)能(neng)解(jie)決(jue)這(zhe)個(ge)問(wen)題(ti)。然(ran)而(er),在(zai)現(xian)實(shi)世(shi)界(jie)中(zhong),設(she)計(ji)工(gong)程(cheng)師(shi)所(suo)能(neng)做(zuo)的(de)就(jiu)是(shi)找(zhao)到(dao)一(yi)個(ge)最(zui)佳(jia)的(de)折(zhe)中(zhong)方(fang)案(an)!
那麼,這些高頻噪聲到底是從哪裏來的呢?在電子電路中,通過寄生電阻、dianganhedianrongouhe,zaikaiguanzhuanhuanguochengzhong,chanshenglegaopinxiebo。zhidaoshinalichanshengzaosheng,nameruhejianshaogaopinkaiguanzaoshengne?jianshaozaoshengdechuantongfangshishijianmanMOSFET開關邊緣。通過減慢內部開關驅動器或從外部添加緩衝器,就可以實現。
但是,這會降低轉換器的效率,因為增加了開關損耗——特別是當開關穩壓器在高開關頻率(如2MHz)下運行時。說到這裏,我們為何要在2MHz的頻率下運行呢?實際上有幾個原因:
● 它允許使用較小(尺寸)的外部元件,如電容和電感。例如,每次開關頻率加倍,會使電感值和輸出電容值減半。
● 在汽車應用中,在2 MHz下開關可以避免在AM頻段產生噪聲。
減小輻射,也可使用濾波器和屏蔽,但這需要更多的外部元件和電路板麵積。還可采用展頻(SSFM)技術,但這樣在已知範圍內會使係統時鍾抖動。SSFM有助於滿足EMI標準要求。EMI能量被打散分布在頻域上。雖然普通開關電源所選的開關頻率通常會在AM頻段之外(530 kHz至1.8 MHz),但在AM頻段內,未經調製的開關諧波仍可能不符合嚴格的汽車EMI要求。添加SSFM功能可明顯減少AM頻段內及其他區域中的EMI。
或者就使用ADI的Silent Switcher技術,該技術能夠滿足上述所有要求:
● 高效率
● 高開關頻率
● 低電磁輻射(EMI)
Silent Switcher技術
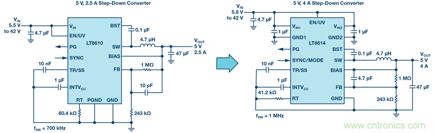
Silent Switcher器件無需減慢開關邊緣速率,解決了EMI和效率之 間的權衡問題。那麼如何才能實現呢?考慮使用LT8610, a如圖2 左側所示。這是支持42 V輸入的單片(內部有FET)同步降壓轉換器,可提供高達2.5 A的輸出電流。請注意,其左上角有一個輸入引腳(VIN)

圖2. 如何將LT8610轉換為Silent Switcher器件——LT8614。
但是,將LT8610與LT8614 (支持42V輸入的單片同步降壓轉換器,可提供高達4 A的輸出電流)相比,我們可以看到,LT8614在封裝的另一側有兩個VIN引腳和兩個接地引腳。這很重要,因為它是實現超低噪聲開關的一部分!
如何使開關穩壓器具有超低噪聲
如何實現這個目標?在芯片另一側的VIN 和接地引腳之間放置兩個輸入電容可消除磁場。幻燈片中突出顯示了這一點,在原理圖和演示板上均用紅色箭頭指向電容的位置,如圖3所示。

圖3. LT8614圖,顯示濾波器電容安置在IC另一側的VIN和接地引腳之間。
LT8614詳情
LT8614包含Silent Switcher功能。利用該功能,我們通過使用銅柱倒裝芯片封裝能夠減少寄生電感。此外,還有反向VIN、接地和輸入電容,可消除磁場(適用右手法則)以降低EMI輻射。
youyubuxuyaoshiyonghanxianjianheshizhuangpeijishusuoyaoqiudechangjianhexian,buhuichanshengdadejishengdianzuhediangan,congerkejianxiaofengzhuangjishengdiangan。lianggeduichengfenbudeshururehuiluchanshengdefanxiangcichangxianghudixiao,bingqiedianhuilumeiyoujingcichang。
我們將LT8614 Silent Switcher穩壓器與當前先進的開關穩壓器LT8610進行比較。在GTEM室中,對兩個器件的標準演示板使用相同負載、相同輸入電壓和相同電感進行了測試。我們發現,與使用LT8610具有很不錯的EMI性能相比,使用LT8614時還能提高20dB,特別是在管理更高頻率更困難的區域。在整體設計中,與其他敏感係統相比,LT8614開關電源需要的濾波更少、距離更短,從而可以實現更簡單緊湊的設計。此外,在時域內,LT8614在開關節點邊緣的性能良好。

圖4. LT8614輻射EMI性能可滿足最嚴格的CISPR 25 Class 5限製要求。
Silent Switcher器件的進一步增強
盡管LT8614具有出色的性能,但我們並沒有停止改進的步伐。於 是,LT8640 降壓穩壓器采用Silent Switcher架構,旨在最大限度地 減少EMI/EMC輻射,同時在高達3 MHz的頻率下提供高效率。它采用3 mm × 4 mm QFN封裝,采用集成電源單片式結構,同時提供所有必需的電路功能,共同構成PCB占用空間最小的解決方案。瞬態響應性能仍然很出色,任何負載(從零電流到滿電流)時的輸出電壓紋波低於10 mV p-p。LT8640允許在高頻率下進行高VIN到低VOUT轉換,最短開關導通時間為30 ns。
為改進EMI/EMC,LT8640可工作在展頻模式。該功能以20%的三角調頻調整時鍾。當LT8640處於展頻調製模式時,使用三角調頻功能在RT設定值與約高於該值20%之間調整開關頻率。調製頻率約為3 kHz。例如,當LT8640設為2 MHz時,3kHz速率下的頻率將從2MHz至2.4MHz不等。選擇展頻工作模式時,突發模式Burst Mode®操作會禁用,器件將在脈衝跳躍模式或強製連續模式下運行。
然而,盡管我們在Silent Switcher數據手冊中都有說明,如提供了原理圖和布局建議,以及將輸入電容放在盡可能靠近IC兩側的位 置——有一些客戶仍然會出錯。此外,我們的內部工程師也花了太多的時間來解決客戶的PCB布局問題。因此,我們的設計人員提出了解決此問題的最佳解決方案——Silent Switcher 2架構。
Silent Switcher 2
采用Silent Switcher 2技術,我們隻需將電容集成在新LQFN封裝內:VIN電容、IntVCC和升壓電容——盡可能靠近引腳放置。優勢是將所有熱回路和接地層都包括在內,從而降低了EMI。外部元件越少,解決方案尺寸就越小。此外,我們還消除了PCB布局敏感性。
如圖5所示,可以看出LT8640和LT8640S 的原理圖有何不同。而營 銷突破口是為包含內部電容的集成度更高的新版本冠以“S”的後綴。因為它比第一代更“安靜”!

圖5. LT8640S是一款具有更高的電容集成度的Silent Switcher 2器件。
Silent Switcher 2技術提高了散熱性能。LQFN倒裝芯片封裝上的多個大尺寸接地裸露焊盤有助於封裝和PCB散熱。由於我們消除了高電阻鍵合線,因此還提高了轉換效率。LT8640S的EMI性能輕鬆滿足輻射EMI性能CISPR 25 Class 5峰值限製要求並且有較大的裕量。
下一步:所有組件都與Silent Switcher 2 μModule穩壓器集成
Silent Switcher技術如此引人注目,我們選擇將其融入我們的 μModule穩壓器產品線。所有組件都集成在一個小尺寸封裝中, 為用戶提供了一個簡單可靠、高性能和高電源密度的解決方案。 LTM8053 和LTM8073是幾乎集成了所有組件的微型模塊穩壓器,隻有少量電容和電阻接在外部。

圖6. LTM8053 Silent Switcher 2 μModule。
總結
綜上所述,Silent Switcher功能和優勢將使您的開關模式電源設計更容易滿足CISPR 32和CISPR 25等各種抗噪標準要求。它們能夠 輕鬆有效地做到這一點是由於以下特性:
● 能夠在大於2 MHz開關頻率下進行高效轉換,並且對轉換效率的影響最小。
● 內部旁路電容減少EMI輻射並提供更緊湊的解決方案占板空間。
● 采用Silent Switcher 2技術基本上消除了PCB布局的敏感性。
● 可選展頻調製有助於降低噪聲敏感度。
● 使用Silent Switcher器件既可節省PCB麵積,又可減少所需的層數。
推薦閱讀:
特別推薦
- 噪聲中提取真值!瑞盟科技推出MSA2240電流檢測芯片賦能多元高端測量場景
- 10MHz高頻運行!氮矽科技發布集成驅動GaN芯片,助力電源能效再攀新高
- 失真度僅0.002%!力芯微推出超低內阻、超低失真4PST模擬開關
- 一“芯”雙電!聖邦微電子發布雙輸出電源芯片,簡化AFE與音頻設計
- 一機適配萬端:金升陽推出1200W可編程電源,賦能高端裝備製造
技術文章更多>>
- 貿澤EIT係列新一期,探索AI如何重塑日常科技與用戶體驗
- 算力爆發遇上電源革新,大聯大世平集團攜手晶豐明源線上研討會解鎖應用落地
- 創新不止,創芯不已:第六屆ICDIA創芯展8月南京盛大啟幕!
- AI時代,為什麼存儲基礎設施的可靠性決定數據中心的經濟效益
- 矽典微ONELAB開發係列:為毫米波算法開發者打造的全棧工具鏈
技術白皮書下載更多>>
- 車規與基於V2X的車輛協同主動避撞技術展望
- 數字隔離助力新能源汽車安全隔離的新挑戰
- 汽車模塊拋負載的解決方案
- 車用連接器的安全創新應用
- Melexis Actuators Business Unit
- Position / Current Sensors - Triaxis Hall
熱門搜索
Future
GFIVE
GPS
GPU
Harting
HDMI
HDMI連接器
HD監控
HID燈
I/O處理器
IC
IC插座
IDT
IGBT
in-cell
Intersil
IP監控
iWatt
Keithley
Kemet
Knowles
Lattice
LCD
LCD模組
LCR測試儀
lc振蕩器
Lecroy
LED
LED保護元件
LED背光



