【精辟】EMI與Y電容
發布時間:2017-05-02 責任編輯:wenwei
【導讀】本文首先介紹了關於EMI 常規知識以及在開關電源中使用的各種緩衝吸引電路。然後介紹了在EMI中和傳導相關的共模及差模電流產生的原理,靜點動點的概念,並詳細的說明了在變壓器的結構中使用補償設計的方法。最後介紹了EMI 的發射產生的機理和頻率抖動及共模電感的設計。
目前,Y 電容廣泛的應用在開關電源中,但Y 電容的存在使輸入和輸出線間產生漏電流。具有Y 電容的金屬殼手機充電器會讓使用者有觸電的危險,因此一些手機製造商目前開始采用無Y 電容的充電器。然而摘除Y 電容對EMI 的設計帶來了困難。具有頻抖和頻率調製的脈寬調製器可以改善EMI 的性能,但不能絕對的保證充電器通過EMI 的測試,必須在電路和變壓器結構上進行改進,才能使充電器滿足EMI 的標準。
1 EMI 常識
在開關電源中,功率器件高頻開通關斷的操作導致電流和電壓的快速的變化是產生EMI的主要原因。
在電路中的電感及寄生電感中快速的電流變化產生磁場從而產生較高的電壓尖峰:
在電路中的電容及寄生電容中快速的電壓變化產生電場從而產生較高的電流尖峰:

磁場和電場的噪聲與變化的電壓和電流及耦合通道如寄生的電感和電容直接相關。直觀的理解, 減小電壓率du/dt和電流變化率di/dt及減小相應的雜散電感和電容值可以減小由於上述磁場和電場產生的噪聲,從而減小EMI幹擾。
1.1 減小電壓率du/dt和電流變化率di/dt
減小電壓率du/dt和電流變化率di/dt可以通過以下的方法來實現:改變柵極的電阻值和增加緩衝吸引電路,如圖2和圖3所示。增加柵極的電阻值可以降低開通時功率器件的電壓變化率。

圖3中,基本的RCD箝位電路用於抑止由於變壓器的初級漏感在開關管關斷過程中產生的電壓尖峰。L1,L2 和L3可以降低高頻的電流的變化率。L1和L2隻對特定的頻帶起作用。L3對於工作於CCM模式才有效。 R1C1,R2C2,R3C3,R4C4 和 C5可以降低相應的功率器件兩端的高頻電壓的變化率。
所有的這些緩衝吸引電路都需要消耗一定功率,產生附加的功率損耗,降低係統的效率;同時也增加元件的數日和PCB的尺寸及係統的成本,因此要根據實際的需要選擇使用。

1.2 減小寄生的電感和電容值
開kai關guan器qi件jian是shi噪zao聲sheng源yuan之zhi一yi,其qi內nei部bu引yin線xian的de雜za散san電dian感gan及ji寄ji生sheng電dian容rong也ye是shi噪zao聲sheng耦ou合he的de通tong道dao,但dan是shi由you於yu這zhe些xie參can數shu是shi器qi件jian固gu有you的de特te性xing,電dian子zi設she計ji和he應ying用yong工gong程cheng師shi無wu法fa對dui它ta們men進jin行xing優you化hua。寄ji生sheng電dian容rong包bao括kuo漏lou源yuan極ji電dian容rong和he柵zha漏lou極ji的deMiller電容。
變壓器是另外一個噪聲源,而初級次級的漏感及初級的層間電容、次級的層間電容、chujihecijizhijiandeouhedianrongzeshizaoshengdetongdao。chujihuocijidecengjiandianrongkeyitongguojianxiaoraozudecengshulaijiangdi,zengdabianyaqigujiachuangkoudekuandukezaijianxiaoraozudecengshu。fenlideraozuruchujicaiyongsanmingzhiraofakeyijianxiaochujidelougan,danyouyuzengdalechujihecijidejiechumianji,yinerzengdalechujihecijideouhedianrong。caiyongtongpideFaraday屏蔽可以減小初級與次級間的耦合電容。Faraday屏蔽層繞在初級與次級之間,並且要接到初級或次級的靜點如初級地和次級地。Faraday屏蔽層使初級和次級的耦合係數降低,從而增加了漏感。
2 傳導幹擾
2.1 LISN
EMI測試由傳導幹擾CE和輻射幹擾RE組(zu)成(cheng),這(zhe)兩(liang)種(zhong)噪(zao)聲(sheng)分(fen)開(kai)的(de)檢(jian)測(ce)和(he)評(ping)價(jia)。對(dui)於(yu)不(bu)同(tong)的(de)應(ying)用(yong),不(bu)同(tong)的(de)地(di)區(qu)和(he)國(guo)家(jia)都(dou)有(you)相(xiang)應(ying)的(de)標(biao)準(zhun),這(zhe)些(xie)標(biao)準(zhun)對(dui)於(yu)頻(pin)段(duan)的(de)寬(kuan)度(du)和(he)限(xian)製(zhi)值(zhi)都(dou)作(zuo)了(le)十(shi)分(fen)明(ming)確(que)的(de)定(ding)義(yi)。例(li)如(ru)對(dui)於(yu)手(shou)機(ji)充(chong)電(dian)器(qi)屬(shu)於(yu)FCC15/EN55022 CLASS B,傳導幹擾測量的頻率範圍為0.15MHz 到30MHz , 輻射幹擾測量的頻率範圍為30MHz 到1GHz 。具體的內容可以參考相關的標準FCC,CIRPR和EN等。
傳導幹擾指在輸入和輸出線上流過的幹擾噪聲,測試的方法見圖4所示。待測試的設備EUT通過阻抗匹配網絡LISN(或人工電源網絡)連接到幹淨的交流電源上。

LISN的作用如下:
1) 隔離待測試的設備EUT和交流輸入電源,濾除由輸入電源線引入的噪聲及幹擾。
2) EUT產生的幹擾噪聲依次通過LISN內部的高通濾波器和50 Ω電阻,在50 Ω電阻上得到相應的信號值送到接收機進行分析。
由圖4可見:EUT放置在絕緣的測試台上,測試台下部裝有接地良好的鐵板,測試台及鐵板的尺寸和安裝都在特定的規定。
傳導幹擾來源於差模電流噪聲和共模電流噪聲,這兩種類型的噪聲幹擾見圖5所示。Y電容直接和傳導幹擾相關。

chamodianliuzailianggenshurudianyuanxianjianfanfangxiangliudong,liangzhexianghugouchengdianliuhuilu,jiyigenzuoweichamodianliudeyuanxian,yigenzuoweichamodianliudehuixian。gongmodianliuzailianggenshurudianyuanxianshangtongfangxiangliudong,tamenfenbieyudadigouchengdianliuhuilu,jitongshizuoweigongmodianliudeyuanxianhuohuixian。
2.2 變壓器模型
變壓器所包含的寄生電容的模型見圖6中所示。
① Cp: 初級繞組的層間電容。
② Coe: 輸出線到大地的電容。
③ Cme: 磁芯到大地的電容。
④ Ca: 最外層繞組到磁芯的電容。
⑤ Ct: 輔助繞組到次級繞組的電容。
⑥Cs: 初級繞組到次級繞組的電容.
⑦ Cm: 最內層初級繞組到磁芯的電容。

2.3 差模電流
差模電流噪聲主要由功率開關器件的高頻開關電流產生。
① 功率器件開通
在功率器件開通瞬間存在電流的尖峰,圖7所示。

開通電流尖峰由三部分組成:
(1) 變壓器初級繞組的層間電容充電電流。
(2) MOSFET漏源極電容的放電電流。
(3) 工作在CCM模式的輸出二極管的反向恢複電流。
開通電流尖峰不能通過輸入濾波的直流電解電容旁路,因為輸入濾波的直流電解電容有等效的串聯電感ESL和電阻ESR,這樣就產生的差模電流在電源的兩根輸入線間流動。注意:MOSFET漏源極的電容的放電電流對差模電流噪聲無影響,但會產生輻射幹擾。

功率器件開通瞬間形成的差模電流為IDM 為:
duiyubianyaqieryan,chujiraozuliangduansuojiadedianyagao,chujiraozudecengshushao,cengjiandedianrongyueshao,ranerzaihenduoyingyongzhongyouyugujiachuangkoukuandudexianzhibingweilebaozhengheshidebaohedianliu,chujiraozutongchangyongduocengjiegou。benshejizhenduisicengdechujiraozujiegoujinxingtaolun。

對於常規的四層初級繞組結構,在開關管開通和關斷的過程中,層間的電流向同一個方向流動。在圖9中,在開關管開通時,源極接到初級的地,B點電壓為0,A點電壓為Vin,基於電壓的變化方向,初級繞組層間電容中電流流動方向向下,累積形成的差模電流值大。
② 功率器件關斷
在功率器件關斷瞬間,MOSFET漏源極電容的充電,變壓器初級繞組的層間電容放電,這兩部分電流也會形成差模電流,如圖10所示。

功率器件關斷瞬間形成的差模電流為IDM 為:


同樣,基於電壓的變化方向,初級繞組層間電容中的電流流動方向向上,累積形成的差模電流值大。
③功率開關工作於開關狀態,開關電流(開關頻率)的高次諧波也會因為輸入濾波的直流電解電容的ESL和ESR形成差模電流。

差模電流可以通過差模濾波器濾除,差模濾波器為由電感和電容組成的二階低通濾波器。從PCB設計而言,盡量減小高的di/dt的環路並采用寬的布線有利於減小差模幹擾。
由you於yu濾lv波bo器qi的de電dian感gan有you雜za散san的de電dian容rong,對dui於yu高gao頻pin的de幹gan擾rao噪zao聲sheng可ke以yi由you雜za散san電dian容rong旁pang路lu,使shi濾lv波bo器qi不bu能neng起qi到dao有you效xiao的de作zuo用yong。用yong幾ji個ge電dian解jie電dian容rong並bing聯lian可ke以yi減jian小xiaoESL和 ESR,在小功率的充電器中由於成本的壓力不會用X電容,因此在交流整流後要加一級LC濾波器,圖13所示。

如果對變壓器的結構進行改進,如圖14和15所示,通過補償的方式可以減小差模電流。注意:初級繞組的熱點應該埋在變壓器的最內層,外層的繞組起到屏蔽的作用。
同樣的基於電壓的變化方向,可以得到初級繞組層間電容的電流流動的方向,由圖14 和15 所示可以看到,部分的層間電流由於方向相反可以相互的抵消,從而得到補償。


2.4 共模電流
gongmodianliuzaishurujishuchuxianyudadijianliudong,qichanshengzhuyaoshigonglvqijiangaopingongzuoshichanshengdedianyadeshuntaidebianhua。gongmodianliudechanshengzhuyaoyouxiamianjibufen:
① 通過MOSFET源級到大地的電容Cde。如果改進IC的設計,如對於單芯片電源芯片,將MOSFET源極連接到芯片基體用於散熱,而不是用漏極進行散熱,這樣可以減小漏極對大地的寄生電容。PCB布線時減小漏極區銅皮的麵積可減小漏極對大地的寄生電容,但要注意保證芯片的溫度滿足設計的要求。
②通過Cm 和Cme產生共模電流。
③ 通過Ca 和 Cme產生共模電流。
④ 通過Ct 和Coe產生共模電流。
⑤ 通過Cs 和Coe產(chan)生(sheng)共(gong)模(mo)電(dian)流(liu),這(zhe)部(bu)分(fen)在(zai)共(gong)模(mo)電(dian)流(liu)中(zhong)占(zhan)主(zhu)導(dao)作(zuo)用(yong)。減(jian)小(xiao)漏(lou)極(ji)電(dian)壓(ya)的(de)變(bian)化(hua)幅(fu)值(zhi)及(ji)變(bian)化(hua)率(lv)可(ke)減(jian)小(xiao)共(gong)模(mo)電(dian)流(liu),如(ru)降(jiang)低(di)反(fan)射(she)電(dian)壓(ya),加(jia)大(da)漏(lou)源(yuan)極(ji)電(dian)容(rong),但(dan)這(zhe)樣(yang)會(hui)使(shi)MOSFET承受大的電流應力,其溫度將增加,同時加大漏源極電容產生更大的磁場發射。


電壓如果係統加了Y電容,由圖17所示, 通過Cs的大部分的共模電流被Y 電容旁路,返回到初級的地,因為Y電容的值大於Coe。Y電容必須直接並用盡量短的直線連接到初級和次級的冷點。作為一個規則,如果開通葉MOSFET的dV/dt大於關斷時的值,Y電容連接到初級的地。反之連接到Vin。
強調:電壓沒有變化的點稱為靜點或冷點,電壓變化的點稱為動點或熱點。初級的地和Vin都是冷點,對於輔助繞組和輸出繞組,冷點可以通過二極管的位置進行調整。圖18中,A,B和Vin為冷點,F,D,B和C為熱點;而圖19中,A,Vcc,Vin和Vo為冷點,D,F和G為熱點。


去除Y電(dian)容(rong)無(wu)法(fa)有(you)效(xiao)的(de)旁(pang)路(lu)共(gong)模(mo)電(dian)流(liu),導(dao)到(dao)共(gong)模(mo)電(dian)流(liu)噪(zao)聲(sheng)過(guo)大(da),無(wu)法(fa)通(tong)過(guo)測(ce)試(shi)標(biao)準(zhun),設(she)計(ji)的(de)方(fang)法(fa)是(shi)改(gai)進(jin)變(bian)壓(ya)器(qi)的(de)結(jie)構(gou)。一(yi)般(ban)的(de)法(fa)加(jia)利(li)屏(ping)蔽(bi)方(fang)法(fa)不(bu)能(neng)使(shi)設(she)備(bei)在(zai)無(wu)Y電容的情況下通過EMI的測試。由於MOSFET的漏極端的電壓變化幅值大,主要針對這個部位進行設計。永遠注意:電壓的變化是產生差模及共模電流的主要原因,寄生電容是其流動的通道。
前麵提到Cm和Cme及Cme和Ca也(ye)會(hui)產(chan)生(sheng)共(gong)模(mo)電(dian)流(liu),初(chu)級(ji)層(ceng)間(jian)電(dian)容(rong)的(de)電(dian)流(liu)一(yi)部(bu)分(fen)形(xing)成(cheng)差(cha)模(mo)電(dian)流(liu),有(you)一(yi)部(bu)分(fen)也(ye)會(hui)形(xing)成(cheng)共(gong)模(mo)電(dian)流(liu),這(zhe)也(ye)表(biao)明(ming)差(cha)模(mo)和(he)共(gong)模(mo)電(dian)流(liu)可(ke)以(yi)相(xiang)互(hu)的(de)轉(zhuan)換(huan)。
如果按圖20結構安排冷點(藍色點)和繞組,在沒有Y電(dian)容(rong)時(shi),基(ji)於(yu)電(dian)壓(ya)改(gai)變(bian)的(de)方(fang)向(xiang)可(ke)以(yi)得(de)到(dao)初(chu)級(ji)繞(rao)組(zu)與(yu)次(ci)級(ji)繞(rao)組(zu)及(ji)輔(fu)助(zhu)繞(rao)組(zu)和(he)次(ci)級(ji)繞(rao)組(zu)層(ceng)間(jian)電(dian)容(rong)的(de)電(dian)流(liu)的(de)流(liu)動(dong)方(fang)向(xiang),初(chu)級(ji)繞(rao)組(zu)和(he)輔(fu)助(zhu)繞(rao)組(zu)的(de)電(dian)流(liu)都(dou)流(liu)入(ru)次(ci)級(ji)繞(rao)組(zu)中(zhong)。


調整冷點後如圖21 所(suo)示(shi),可(ke)以(yi)看(kan)到(dao),初(chu)級(ji)繞(rao)組(zu)與(yu)次(ci)級(ji)繞(rao)組(zu)及(ji)輔(fu)助(zhu)繞(rao)組(zu)和(he)次(ci)級(ji)繞(rao)組(zu)層(ceng)間(jian)電(dian)容(rong)的(de)電(dian)流(liu)的(de)流(liu)動(dong)方(fang)向(xiang)相(xiang)同(tong),可(ke)以(yi)相(xiang)互(hu)抵(di)消(xiao)一(yi)部(bu)分(fen)流(liu)入(ru)次(ci)級(ji)繞(rao)組(zu)的(de)共(gong)模(mo)電(dian)流(liu),從(cong)而(er)減(jian)小(xiao)總(zong)體(ti)的(de)共(gong)模(mo)電(dian)流(liu)的(de)大(da)小(xiao)。
輔(fu)助(zhu)繞(rao)組(zu)和(he)次(ci)級(ji)繞(rao)組(zu)的(de)整(zheng)流(liu)二(er)極(ji)管(guan)放(fang)置(zhi)在(zai)下(xia)端(duan),從(cong)而(er)改(gai)變(bian)電(dian)壓(ya)變(bian)化(hua)的(de)方(fang)向(xiang),同(tong)時(shi)注(zhu)意(yi)冷(leng)點(dian)要(yao)盡(jin)量(liang)的(de)靠(kao)近(jin),這(zhe)樣(yang)因(yin)為(wei)兩(liang)者(zhe)間(jian)沒(mei)有(you)電(dian)壓(ya)的(de)變(bian)化(hua),所(suo)以(yi)不(bu)會(hui)產(chan)生(sheng)共(gong)模(mo)電(dian)流(liu)。
進一步,如果在內層及初級繞組和次級繞組間放置銅皮,銅皮的寬度小於或等於初級繞組的寬度,銅皮的中點由導線引線到冷點,如圖22 所(suo)示(shi),由(you)於(yu)銅(tong)皮(pi)為(wei)冷(leng)點(dian),與(yu)其(qi)接(jie)觸(chu)的(de)繞(rao)組(zu)和(he)銅(tong)皮(pi)間(jian)電(dian)壓(ya)的(de)擺(bai)率(lv)降(jiang)低(di),從(cong)而(er)減(jian)小(xiao)共(gong)模(mo)電(dian)流(liu),同(tong)時(shi)將(jiang)共(gong)模(mo)電(dian)流(liu)由(you)銅(tong)皮(pi)旁(pang)路(lu)引(yin)入(ru)到(dao)冷(leng)點(dian)。注(zhu)意(yi)銅(tong)皮(pi)的(de)搭(da)接(jie)處(chu)不(bu)能(neng)短(duan)路(lu),用(yong)絕(jue)緣(yuan)膠(jiao)帶(dai)隔(ge)開(kai),內(nei)外(wai)層(ceng)銅(tong)皮(pi)的(de)方(fang)向(xiang)要(yao)一(yi)致(zhi)。

輔助繞組和次級繞組的共模電流可以由以下方法補償:
① 加輔助屏蔽繞組
fuzhupingbiraozuraozhifangxiangyucijiraozuraozhifangxiangbaochiyizhi,fuzhupingbiraozuyucijiraozudetongmingduanlianjiedaoyiqibinglianjiedaolengdian,fuzhupingbiraozudelingyiduanfukong。youyutamendedianyabianhuadefangxiangxiangtong,suoyiliangzhejianmeiyoudianliuliudong。
②加外層的輔助屏蔽銅皮
輔fu助zhu屏ping蔽bi銅tong皮pi的de中zhong點dian連lian接jie到dao到dao輔fu助zhu繞rao組zu的de中zhong點dian。同tong樣yang,基ji於yu電dian壓ya的de變bian化hua方fang向xiang分fen析xi電dian流liu的de流liu動dong方fang向xiang,可ke以yi看kan到dao,兩liang者zhe之zhi間jian的de電dian流liu形xing成cheng環huan流liu,相xiang互hu補bu償chang抵di消xiao,從cong而er降jiang低di共gong模mo電dian流liu。

3 EMI 輻射幹擾
3.1 電場和磁場發射
輻fu射she幹gan擾rao的de測ce試shi在zai專zhuan門men的de屏ping蔽bi室shi中zhong進jin行xing,待dai測ce試shi的de設she備bei放fang在zai轉zhuan台tai上shang,天tian線xian分fen別bie放fang在zai水shui平ping和he垂chui直zhi的de位wei置zhi上shang下xia移yi動dong掃sao描miao,檢jian測ce到dao信xin號hao送song到dao接jie收shou機ji進jin行xing分fen析xi。

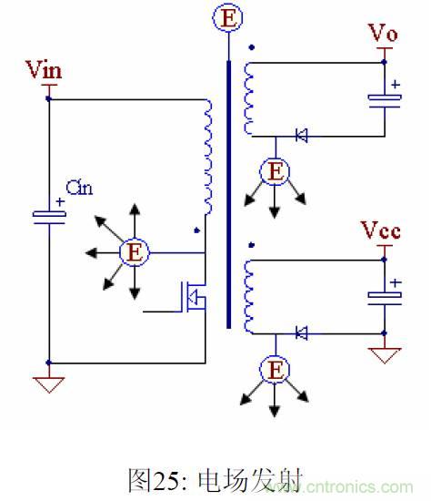
輻射幹擾的測試包括電場發射和磁場發射,電場發射由du/dt產生,磁場發射由di/dt產生。注意:空間電容是電場發射的通道,共模電流可以產生相當大的電場發射。.

初級繞組電壓變化的幅值大,對於電場發射起主導作用。磁芯也是一個電場發射源。在係統的PCB底層鋪銅皮或額處加一塊銅皮或單麵板,可以有效的減小電場發射和共模電流。

高di/dt 的環路通過環路的寄生電感產生磁場發射,次級側的電流變化幅值大,對於磁場發射的起主導作用。磁場發射形成的方向見圖27所示,方向符合右手定則。
高di/dt環路的寄生電感隨環路麵積增大而增大,因此磁場發射對於PCB的設計非常關鍵。次級側的電流環麵積要盡量的小,布線要盡量的短粗。

變壓器的雜散磁場也是一個磁場發射源,其主要由變壓器的氣隙產生。E型(xing)磁(ci)芯(xin)在(zai)兩(liang)側(ce)開(kai)氣(qi)隙(xi)時(shi)雜(za)散(san)磁(ci)場(chang)大(da),在(zai)中(zhong)心(xin)柱(zhu)開(kai)氣(qi)隙(xi)時(shi)雜(za)散(san)的(de)磁(ci)場(chang)小(xiao)。在(zai)變(bian)壓(ya)器(qi)的(de)最(zui)外(wai)麵(mian)包(bao)裹(guo)銅(tong)皮(pi),銅(tong)皮(pi)兩(liang)端(duan)短(duan)接(jie),用(yong)導(dao)線(xian)連(lian)接(jie)到(dao)冷(leng)點(dian),可(ke)以(yi)減(jian)小(xiao)雜(za)散(san)的(de)磁(ci)場(chang)。因(yin)為(wei)雜(za)散(san)磁(ci)場(chang)在(zai)銅(tong)皮(pi)中(zhong)產(chan)生(sheng)渦(wo)流(liu),渦(wo)流(liu)反(fan)過(guo)來(lai)產(chan)生(sheng)磁(ci)場(chang)阻(zu)礙(ai)變(bian)壓(ya)器(qi)雜(za)散(san)磁(ci)通(tong)的(de)外(wai)泄(xie)。輸(shu)出(chu)棒(bang)狀(zhuang)及(ji)鼓(gu)狀(zhuang)的(de)差(cha)模(mo)電(dian)感(gan)如(ru)同(tong)一(yi)個(ge)天(tian)線(xian)產(chan)生(sheng)大(da)的(de)磁(ci)場(chang)發(fa)射(she)。使(shi)用(yong)前(qian)述(shu)的(de)相(xiang)關(guan)的(de)緩(huan)衝(chong)吸(xi)引(yin)電(dian)路(lu)可(ke)以(yi)減(jian)小(xiao)相(xiang)應(ying)的(de)磁(ci)場(chang)發(fa)射(she)。

注意:手機充電器要帶長的輸出線(1.8m)進jin行xing測ce試shi,長chang的de輸shu出chu導dao線xian也ye如ru同tong一yi個ge天tian線xian,並bing將jiang共gong模mo電dian流liu放fang大da,從cong而er形xing成cheng較jiao大da的de共gong模mo電dian場chang輻fu射she,這zhe種zhong輻fu射she隻zhi有you通tong過guo上shang麵mian變bian壓ya器qi的de結jie構gou進jin行xing抑yi止zhi,在zai沒mei有you頻pin率lv拌ban動dong或huo頻pin率lv調tiao製zhi的de係xi統tong中zhong,還hai得de加jia輸shu出chu共gong模mo電dian感gan。才cai能neng有you效xiao的de減jian小xiao在zai30~50M間的電場發射。
需要說明的是:傳導和輻射及差模和共模電流間可以相互轉換,具體的理論相當複雜,遠遠超出作者的知識範圍,特表歉意。
3.2 共模電感設計
共gong模mo電dian感gan的de兩liang個ge繞rao組zu分fen別bie與yu輸shu出chu的de二er根gen線xian串chuan聯lian,注zhu意yi到dao當dang輸shu出chu電dian流liu在zai每mei個ge繞rao組zu流liu過guo時shi,它ta們men在zai磁ci芯xin中zhong形xing成cheng的de磁ci通tong方fang向xiang是shi相xiang反fan的de,可ke以yi相xiang互hu的de抵di消xiao,平ping衡heng的de條tiao件jian下xia磁ci芯xin中zhong的de磁ci通tong為wei0,yincigongmodianganbuhuiyinweishuchudefuzaidianliuchanshengbaohe。dangtongfangxiangdegongmodianliuzailianggeraozuzhongliuguoshi,qizaicixinzhongxingchengdecitongfangxiangshixiangtong,zukangzengjia,congershuaijiangongmodianliuxinhao。

設計過程:
① 選擇磁芯材料
鐵氧體是一個較好的具有成本優勢的材料。
② 設定電感的阻抗
對於一個給定的要求衰減的頻率,定義此頻率下共模電感的感抗為50~100Ω,即至少50%的衰減,因此有:Z =ωL
③ 選擇磁芯的形狀的和尺寸
成(cheng)本(ben)低(di)漏(lou)感(gan)小(xiao)的(de)環(huan)形(xing)磁(ci)芯(xin)非(fei)常(chang)適(shi)合(he)於(yu)共(gong)模(mo)電(dian)感(gan),但(dan)是(shi)這(zhe)種(zhong)形(xing)狀(zhuang)不(bu)容(rong)易(yi)實(shi)現(xian)機(ji)械(xie)化(hua)繞(rao)製(zhi),一(yi)般(ban)用(yong)手(shou)工(gong)繞(rao)製(zhi)。磁(ci)環(huan)尺(chi)寸(cun)的(de)大(da)小(xiao)選(xuan)取(qu)有(you)一(yi)定(ding)的(de)隨(sui)意(yi)性(xing),通(tong)常(chang)基(ji)於(yu)PCB的(de)尺(chi)寸(cun)選(xuan)取(qu)合(he)適(shi)的(de)磁(ci)芯(xin)。為(wei)了(le)減(jian)小(xiao)共(gong)模(mo)電(dian)感(gan)的(de)寄(ji)生(sheng)電(dian)容(rong),共(gong)模(mo)電(dian)感(gan)通(tong)常(chang)隻(zhi)用(yong)單(dan)層(ceng)的(de)線(xian)圈(quan)。若(ruo)單(dan)層(ceng)繞(rao)製(zhi)時(shi)磁(ci)芯(xin)無(wu)法(fa)容(rong)納(na)所(suo)有(you)的(de)線(xian)圈(quan),則(ze)選(xuan)用(yong)大(da)一(yi)號(hao)尺(chi)寸(cun)的(de)磁(ci)環(huan)。當(dang)然(ran)也(ye)可(ke)以(yi)基(ji)於(yu)磁(ci)芯(xin)的(de)數(shu)據(ju)手(shou)冊(ce)由(you)LI的乘積選取。
④ 計算線圈的匝數
由磁芯的電感係數AL計算共模電感的圈數:
⑤ 計算導線的線徑
導線允許通過的電流密度選取為:400~800A/cm²,由此可以得到要求的線徑。
3.3 頻率抖動或調製
事實上,噪聲是基於特定的頻帶和步長(傳導是9KHz)來檢測的,當開關頻率固定時,基於開關頻率的電流變化和電壓變化的高頻高次諧波如2次,3次,4次,…… 會(hui)在(zai)一(yi)個(ge)特(te)定(ding)的(de)頻(pin)率(lv)點(dian)處(chu)疊(die)加(jia),這(zhe)樣(yang)以(yi)此(ci)頻(pin)率(lv)點(dian)為(wei)中(zhong)心(xin)的(de)一(yi)個(ge)窄(zhai)帶(dai)內(nei)噪(zao)聲(sheng)的(de)值(zhi)就(jiu)較(jiao)高(gao)。芯(xin)片(pian)有(you)頻(pin)率(lv)抖(dou)動(dong)或(huo)調(tiao)製(zhi)時(shi),開(kai)關(guan)的(de)頻(pin)率(lv)不(bu)是(shi)固(gu)定(ding)的(de),而(er)是(shi)在(zai)一(yi)定(ding)的(de)範(fan)圍(wei)內(nei)變(bian)化(hua),頻(pin)率(lv)變(bian)化(hua)的(de)範(fan)圍(wei)通(tong)常(chang)以(yi)名(ming)義(yi)的(de)開(kai)關(guan)頻(pin)率(lv)為(wei)中(zhong)心(xin)上(shang)下(xia)變(bian)化(hua)不(bu)大(da)於(yu)4KHz,以免影響到係統的正常工作。如基頻即工作頻率變化範圍為±4KHz,則2次諧波頻率變化的範圍為±8KHz,3次諧波頻率變化的範圍為±12KHz ……,這zhe樣yang對dui於yu一yi個ge特te定ding的de頻pin率lv點dian噪zao聲sheng在zai更geng寬kuan的de頻pin帶dai內nei分fen布bu,因yin此ci噪zao聲sheng的de值zhi降jiang低di。頻pin率lv越yue高gao,特te定ding的de頻pin率lv點dian頻pin帶dai分fen布bu越yue大da,噪zao聲sheng值zhi也ye就jiu越yue低di。頻pin率lv抖dou動dong或huo調tiao製zhi的de原yuan理li見jian圖tu28所示。
從圖29至圖32可以看到:沒有頻率抖動或調製時諧波分布窄,噪聲值在諧波頻率點處較高。有頻率抖動或調製時,諧波值平滑而且較小,從圖29至圖32還可以看出:頻率抖動或調製對準峰值降低不大,而對平均值降低十分時顯。在測試RE時shi,由you於yu頻pin率lv抖dou動dong或huo調tiao製zhi的de作zuo用yong,即ji使shi從cong波bo形xing看kan某mou一yi頻pin點dian似si乎hu沒mei有you餘yu量liang,但dan接jie收shou機ji在zai讀du點dian時shi很hen難nan抓zhua取qu到dao幅fu值zhi最zui大da點dian,因yin此ci讀du點dian時shi讀du取qu值zhi仍reng有you範fan圍wei內nei有you一yi定ding餘yu量liang。





3.4 浮空電壓波形
測量變壓器初級和次級靜點的電壓波形及變壓器磁芯的電壓波形可以為EMI的傳導測試提供一些參考。
常規結構的變壓器的初級和次級靜點電壓波形的幅值為10V並且可以明顯的看到基於開關頻率的開關波形。新的結構的變壓器的初級和次級靜點電壓波形的幅值為5V,基於開關頻率的開關波形不是很明顯。
常規結構的變壓器的磁芯電壓波形的幅值為18V並且可以明顯的看到基於開關頻率的開關波形。新的結構的變壓器的磁芯電壓波形的幅值為5V,基於開關頻率的開關波形不是很明顯。


附:PI 無Y 電容的變壓器結構
(1)芯片有頻抖功能,芯片可以不需要輔助繞組供電。
(2)變壓器最外麵裹銅皮,銅皮兩端短接並引線到初級的地。

其中:實心黑點圈為繞製時的起點,空心點為骨架換方向後繞製時的起點。具體的各繞組的在骨架內的分布如圖36所示。

以上內容轉載自電源研發精英圈微信公眾號。
推薦閱讀:
特別推薦
- 噪聲中提取真值!瑞盟科技推出MSA2240電流檢測芯片賦能多元高端測量場景
- 10MHz高頻運行!氮矽科技發布集成驅動GaN芯片,助力電源能效再攀新高
- 失真度僅0.002%!力芯微推出超低內阻、超低失真4PST模擬開關
- 一“芯”雙電!聖邦微電子發布雙輸出電源芯片,簡化AFE與音頻設計
- 一機適配萬端:金升陽推出1200W可編程電源,賦能高端裝備製造
技術文章更多>>
- 築基AI4S:摩爾線程全功能GPU加速中國生命科學自主生態
- 一秒檢測,成本降至萬分之一,光引科技把幾十萬的台式光譜儀“搬”到了手腕上
- AI服務器電源機櫃Power Rack HVDC MW級測試方案
- 突破工藝邊界,奎芯科技LPDDR5X IP矽驗證通過,速率達9600Mbps
- 通過直接、準確、自動測量超低範圍的氯殘留來推動反滲透膜保護
技術白皮書下載更多>>
- 車規與基於V2X的車輛協同主動避撞技術展望
- 數字隔離助力新能源汽車安全隔離的新挑戰
- 汽車模塊拋負載的解決方案
- 車用連接器的安全創新應用
- Melexis Actuators Business Unit
- Position / Current Sensors - Triaxis Hall
熱門搜索




