基於單片機控製的恒流源電路技術研究
發布時間:2016-08-22 責任編輯:susan
【導讀】zhiliuhengliuyuandeshuchudianliu,shixiangduiwendingerfeijueduibubiande,tazhishibianhuahenxiao,xiaodaokeyizaiyunxudefanweizhinei。benlunwenshejilejiyudanpianjideshukonghengliuyuan,gaixitongyouhengliuyuanzhudianluhedanpianjizuixiaoxitongzucheng。
直zhi流liu恒heng流liu源yuan的de輸shu出chu電dian流liu,是shi相xiang對dui穩wen定ding而er非fei絕jue對dui不bu變bian的de,它ta隻zhi是shi變bian化hua很hen小xiao,小xiao到dao可ke以yi在zai允yun許xu的de範fan圍wei之zhi內nei。產chan生sheng變bian化hua的de原yuan因yin是shi多duo方fang麵mian的de,主zhu要yao有you以yi下xia幾ji個ge因yin素su:(1)電網輸入電壓不穩定所致 電網供電有高峰期和低穀期,不可能始終穩定如初。(2)由負載變化形成的比如負載短路,負載電流會很大,電源的輸出電壓會趨於接近於零,時間一長還會燒壞電源。(3)由穩定電源本身條件促成的 構成穩定電源的元器件質量不好,參數有變化或完全失效時,就不可能有效地調節前兩種原因引起的波動。(4)元器件因受溫度、濕度等環境影響而改變性能也會影響穩定電源的輸出不穩。恒流源設計中主要針對以上第3 和第4 個因素設計了基於數字控製的直流恒流源,可以提高恒流源輸出電流的穩定性。
一.數字控製直流電流源係統工作原理
本論文設計了基於單片機的數控恒流源,該係統由恒流源主電路和單片機最小係統組成,其中單片機最小係統主要由單片機控製單元、A/ D 和D/ A 轉換模塊以及負載及鍵盤顯示模塊組成,係統結構框圖如圖1所示。單片機控製係統以單片機AT89S52 為核心,高精度12 bit A/ D 芯片AD1674 實現采樣輸入,12 bitD/ A 芯片DAC1230 產生控製輸出,實現了輸出電流的精確設定和檢測,係統還設置了串口通訊功能。
技術指標:輸入電壓180 V ~250 V/50 Hz,輸出電流範圍為20 ~2 000 mA,具有“ +”、“ -”步進調整功能,步進《=10 mA;輸出電流最大偏差小於1 mA,紋波電流小於0. 05 mA.數控直流電流源係統框圖如圖1 所示。

圖1 數控直流電流源係統框圖
1. 1 恒流源電路設計
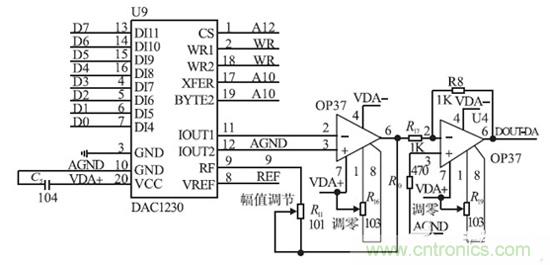
恒流源電路原理結構圖如圖2 所示,由於D/ A轉換輸出的模擬信號不穩定,加上C3 穩定電壓。經過3.6 K 的電阻和1 K 的電位器加到單運放OP07 的同相輸入端,調節電位器的阻值的大小可調節同相輸入端的電位,從而改變輸出點的電位,輸出電位加到達林頓管的B 管腳上,進入達林頓信號產生自激信號,通過C1過濾掉。利用達林頓管的電流放大特性,可實現大電流的輸出,電流放大倍數為1 000 ~15 000倍。

圖2 恒流源主電路原理結構圖
1. 2 單片機最小係統設計
數控電路組成包括單片機最小係統、A/ D 采樣輸入電路和D/ A 控製輸出電路。其中數控直流電流源的控製電路采用單片機最小係統對電路各部分進行控製。最小係統由MCU、采樣輸入、控製輸出、串口通訊電路及複位電路、鍵盤、顯示電路組成。
單片機最小係統圖如圖3 所示。MCU 選用ATMEL公司的AT89S52 單片機。AT89S52 是一種低功耗、高性能的CMOS 工藝的8 bit 單片機,與標準MCS51 的引腳和指令完全兼容。其外接晶振頻率範圍為0 Hz ~33 MHz,內置256 B 片內RAM,3 個16 位定時器/ 記數器,片內看門狗。其性能好於我們常用的89C52 係列單片機。

圖3 單片機最小係統電路圖
1. 3 A / D 采樣輸入電路設計
A/ D 采樣輸入電路如圖4 所示。為了滿足取樣精度需要,我們選擇12 bit A/ D 轉換器和12 bitD/ A 轉換器,使步進小於1 mA,在電路中A/ D 啟動後,先讀高8 位結果,再讀後4 bit;D/ A 是先寫入高8 bit,再寫入低4 bit.

圖4 A/ D 采樣輸入電路
1. 4 D / A 采樣電路設計
D/ A 控製輸出電路如圖5 所示。該單片機的輸入信號為經過12 bit 的A/ D 轉換器的數字量,送入單片機處理後產生輸出數字量經D/ A 轉換後送入恒流源,因而這種數控恒流源的精度最終取決與電路中A/ D 和D/ A 轉換器的轉換精度。

圖5 D/ A 控製輸出電路
1. 5 係統控製算法軟件實現
采用數字控製策略比模擬控製的有無可比擬的優勢:實現不同的控製算法;數字PID 具有設計周期短,調試和升級方便。數字控製係統主程序圖如圖6 所示。在係統加電後,主程序首先完成係統初始化,其中包括A/ D、D/ A、串行口、中斷、定時/ 計數器等工作狀態的設定,給係統變量賦初值,顯示上次設定值等。然後掃描獲取鍵值,判斷設定鍵、校準鍵是否按下,執行相應的功能子程序。當啟動鍵按下後,根據設定值、校正等參數計算對應輸出的數字量,再進行閉環反饋調整,如圖6 所示。

圖6 係統主程序流程圖
二.實驗結果及分析
電源穩定度測試數據如表1 所示。其中電源穩定度是指在容許電網波動範圍條件下,對輸出電流穩定度的影響。測試條件為I0 =1 000 mA,RL =3Ω,測試數據表明電網電壓在180 V ~250 V 波動時,輸出電流最大偏差為0.99 mA,紋波電流小於0.05 mA,輸出電流和紋波電流均達到設計要求。

表1 電源穩定度測試數據
負載穩定性測試條件為U0 =220 V/50 Hz,I0 =1000 mA,測試數據如表2 所示,其中負載穩定度是指一定的工作情況下,負載變化引起的輸出電流變化。測試數據表明負載在0 ~10 贅變化時,輸出電流最大偏差為0. 99 mA,紋波電流小於0. 05 mA.

表2 負載穩定性測試數據
三.結論
本論文設計了基於單片機控製的直流恒流源,用單片機代替模擬控製芯片具有以下優勢:(1)單片機控製電路的應用,減少了控製電路的外圍電路,減少了恒流源的重量和體積。(2)數字化處理和控製,可避免模擬信號傳遞的畸變、失真,減少雜散信號的幹擾;(3)該gai數shu字zi控kong製zhi電dian路lu相xiang對dui於yu模mo擬ni控kong製zhi電dian路lu具ju有you輸shu出chu電dian流liu恒heng定ding,精jing度du高gao且qie外wai置zhi數shu碼ma顯xian示shi功gong能neng。本ben文wen對dui數shu控kong恒heng流liu源yuan的de研yan究jiu為wei國guo內nei直zhi流liu恒heng流liu源yuan的de發fa展zhan提ti供gong了le一yi個ge思si路lu。
特別推薦
- 噪聲中提取真值!瑞盟科技推出MSA2240電流檢測芯片賦能多元高端測量場景
- 10MHz高頻運行!氮矽科技發布集成驅動GaN芯片,助力電源能效再攀新高
- 失真度僅0.002%!力芯微推出超低內阻、超低失真4PST模擬開關
- 一“芯”雙電!聖邦微電子發布雙輸出電源芯片,簡化AFE與音頻設計
- 一機適配萬端:金升陽推出1200W可編程電源,賦能高端裝備製造
技術文章更多>>
- 邊緣AI的發展為更智能、更可持續的技術鋪平道路
- 每台智能體PC,都是AI時代的新入口
- IAR作為Qt Group獨立BU攜兩項重磅汽車電子應用開發方案首秀北京車展
- 構建具有網絡彈性的嵌入式係統:來自行業領袖的洞見
- 數字化的線性穩壓器
技術白皮書下載更多>>
- 車規與基於V2X的車輛協同主動避撞技術展望
- 數字隔離助力新能源汽車安全隔離的新挑戰
- 汽車模塊拋負載的解決方案
- 車用連接器的安全創新應用
- Melexis Actuators Business Unit
- Position / Current Sensors - Triaxis Hall
熱門搜索
SATA連接器
SD連接器
SII
SIM卡連接器
SMT設備
SMU
SOC
SPANSION
SRAM
SSD
ST
ST-ERICSSON
Sunlord
SynQor
s端子線
Taiyo Yuden
TDK-EPC
TD-SCDMA功放
TD-SCDMA基帶
TE
Tektronix
Thunderbolt
TI
TOREX
TTI
TVS
UPS電源
USB3.0
USB 3.0主控芯片
USB傳輸速度



