一種基於CAN總線的遠程電表抄表係統集中器設計方案
發布時間:2016-06-08 責任編輯:susan
【導讀】由於目前已使用的遠程抄表還麵臨著一些挑戰:比如初期成本較高,同時總線上傳輸的數據是終端用戶所消費的水、電、氣等重要數據,對總線的抗幹擾性要求非常高,要具有抵抗容性、感性的偶合幹擾的能力,為節約成本,要采用遠程供電的方式給從設備提供電源,以盡可能減少元器件的使用。
目前,我國城市居民用戶的電表、水表、天然氣表很多是人工抄表,由抄表工作人員每月逐個查抄各種儀表,也有很多地區已經通過抄表改造工程實現了集中抄表。
由於目前已經使用的遠程抄表還麵臨一些挑戰:比如初期成本較高,同時總線上傳輸的數據是終端用戶所消費的水、電、氣等重要數據,對總線的抗幹擾性要求非常高,要具有抵抗容性、感性的偶合幹擾的能力,為節約成本,要采用遠程供電的方式給從設備提供電源,以盡可能減少元器件的使用。
為了解決以上問題,本文設計了一種基於CAN總線的遠程電表抄表係統集中器。基於CAN總zong線xian的de智zhi能neng電dian表biao係xi統tong具ju有you造zao價jia較jiao低di,可ke靠kao性xing高gao,組zu網wang簡jian單dan,管guan理li方fang便bian,操cao作zuo簡jian捷jie等deng優you點dian,並bing且qie可ke以yi通tong過guo擴kuo展zhan和he升sheng級ji硬ying件jian,利li用yong有you線xian網wang絡luo或huo無wu線xian網wang絡luo通tong信xin,把ba集ji中zhong器qi采cai集ji到dao的de實shi時shi數shu據ju發fa送song到dao售shou電dian公gong司si的de管guan理li係xi統tong中zhong統tong一yi管guan理li,通tong過guo應ying用yong線xian損sun分fen析xi、遠程通斷電、防竊電分析等功能達到更高的智能化。
1.集中器的功能及原理分析
一般的智能電表係統由四部分組成:表頭,集中器,通訊器,上位機係統。具體如圖1所示,其工作原理是通過一體化載波表或安裝在電表表尾的電力計量傳感係統模塊經CAN總線組網,集中器按設定好的時間段接收數據並保存到內部flash中,當上位機發來讀數據的信號後上位機通過RS232或RS485讀數,讀到的數據通過網絡傳送到用電管理中心。
在遠程抄表表係統中,集中器是一個重要組成部分。
集中器通過CAN總線控製並讀取表頭的數據,數據存儲在集中器的flash中。集中器執行從上位機發送的控製命令:
對時、讀flash、讀表數、限電、增加表頭地址等。
集中器通過CAN控製器發送讀表命令信號到總線上,每個表頭根據讀表命令將采集的信號通過CAN總線發送到集中器。集中器將采集的信號存儲在flash芯片中。上位機通過串口發送讀數據信號到集中器,集中器就把存儲在flash中的數據傳送給上位機。
2.集中器硬件設計
主控芯片采用的是ST公司的STM32係列的STM32F103Tx,該係列單片機是ARM的CortexTM-M3處理器是最新一代的嵌入式ARM處理器,它為實現MCU的需要提供了低成本的平台、縮減的引腳數目、降低的係統功耗,同時提供卓越的計算性能和先進的中斷係統響應。具有運行速度快(係統時鍾頻率最高可達72MHz)26個複用GPIO;64KB片上RAM;2個12位模數轉換器,1μs轉換時間(多達16個輸入通道);3個SPI,5個USARTs,2個IIC接口;片上256KBFLASH;2個看門狗,11個定時器;芯片具有獨立的實時時鍾,能夠相關資料豐富,提供單片機使用庫函數,用C語言編程十分方便,易於開發。
由於智能電表控製器需要很準確的實時性,以方便售電公司收取用電費用。因為主控芯片自帶實時時鍾,所以隻需要外接獨立的32.768kHz的晶體。實時時鍾既可以通過寄存器設置年月日及具體時間,同時還有鬧鍾功能,定時中斷進行指定操作。
智能電表集中器的硬件部分結構如圖1所示,主要有ARM,Flash,時鍾芯片,接口電路,RS232,RS485,電源等組成。ARM作為控製芯片,有標準設計;ARM接口電路比較簡單,以下重點討論CAN總線接口和Flash接口設計。

圖1.智能電表抄表係統結構框圖
2.1 CAN總線接口電路設計
因為係統對信號傳輸過程中的穩定性和抗幹擾能力要求很高,所以CAN接口采用高標準接口電路。電路圖如圖2所示。

圖2.CAN接口硬件電路圖
CAN-bus接口電路采用+3.3V供電,選擇CTM8251A隔離CAN收發器。該芯片是3.3V工業級的隔離CAN收發器。CTD0信號連接主控芯片的CAN控製器的發送腳,CRD0信號連接CAN控製器的接收腳。CTM隔離CAN收發器內有一完整的CAN-bus隔離收發器電路,可以將來自CAN控製器的邏輯電平轉換為CAN總線信號,並具有DC2500V隔離功能。另外,CTM收發器可以選擇集成ESD保護功能的“T”係列,從而省略外擴的ESD保護器件。共模扼流圈T1起著EMI增強的功能,用於提高設備的EMI能力;共模扼流圈T1的電感參數很重要,選擇CAN-bus專用器件,比如EPCOS的B82793扼流圈。
2.2 Flash接口電路設計
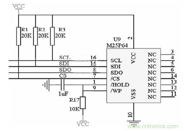
集中器需要對與之相連的每個電表表頭采集數據,所以數據量較大,從而對存儲有著較高的要求,故選用ST的M25P64-VMF6TP。該芯片為64M串行接口閃存,增強數據傳輸時鍾速率為50MHz;讀的吞吐量為50Mbps;接口為簡單的4線SPI(串行外圍設備接口)接口;深度降功耗模式間斷功耗,電流消耗僅為1uA。
M25P64Flash芯片,通過SPI總線與ARM相連。SPI總線係統是一種同步串行外設接口,它可以使MCU與各種外圍設備以串行方式進行通信以交換信息,一般使用4條線:串行時鍾線(SCL)、主機輸入/從機輸出數據線MISO(SDO)、主機輸出/從機輸入數據線MOSI(SDI)和低電平有效的從機選擇線CS。SPI以主從方式工作,通常有一個主設備和一個或多個從設備。
圖3為ARM與Flash的連接電路圖。以下幾點說明:(1)SCL串行時鍾信號,由主設備產生;(2)SDO主設備數據輸出,從設備數據輸入;(3)SDI主設備數據輸入,從設備數據輸出;(4)CS為片選,從設備使能信號,由主設備控製。(5)對7、15、16角外接上拉電阻,提高芯片輸入信號的噪聲容限增強抗幹擾能力。

圖3.Flash接口硬件電路圖
3.集中器軟件設計
jizhongqixitongcaiyongshuxuchengxusheji,angongnengmokuaishejichengxu,youzhuchengxutiaoyonggegegongnengmokuaichengxushixiangegexiangyinggongneng,gegegongnengmokuaitongguotiaoyongdicenghanshuwanchengxiangyingdecaozuo。jutiliuchengjiantu4,啟(qi)動(dong)後(hou),開(kai)始(shi)初(chu)始(shi)化(hua)係(xi)統(tong)。係(xi)統(tong)進(jin)入(ru)等(deng)待(dai)命(ming)令(ling)模(mo)式(shi),如(ru)果(guo)有(you)上(shang)位(wei)機(ji)操(cao)作(zuo)命(ming)令(ling)或(huo)有(you)定(ding)時(shi)中(zhong)斷(duan)發(fa)生(sheng)則(ze)進(jin)入(ru)對(dui)時(shi)程(cheng)序(xu),對(dui)時(shi)如(ru)果(guo)超(chao)出(chu)一(yi)定(ding)時(shi)間(jian)還(hai)未(wei)成(cheng)功(gong)則(ze)向(xiang)上(shang)位(wei)機(ji)報(bao)警(jing)。
對dui時shi成cheng功gong後hou,集ji中zhong器qi繼ji續xu等deng待dai上shang位wei機ji的de讀du數shu命ming令ling或huo等deng待dai中zhong斷duan讀du數shu命ming令ling。當dang收shou到dao讀du數shu的de命ming令ling後hou,定ding時shi讀du數shu使shi集ji中zhong器qi按an設she置zhi的de時shi間jian,自zi動dong讀du取qu表biao頭tou采cai集ji來lai的de數shu據ju;讀數使集中器讀取當前表頭的數據。

圖4.係統軟件流程圖
集中器通過CAN總線可以掛載最多100個表頭,集中器發出CAN總線設備的ID。每個分係統表接收到對應的ID號後,根據係統發出的讀表頭命令來反饋數據。如果CAN通訊有故障,CAN控製器通訊將報故障。如係統回路正常,集中器的發送命令數據包。每幀CAN數據包含8字節,因為每次讀數的數據流量不是很大,所以每次通訊隻需要使用一幀CAN數據即可,表頭ID使用幀ID來識別,每個表頭對應獨立的幀ID。
集中器發送CAN數據命令包到CAN總線,表頭根據各自的ID選擇接收讀表命令後發送應答數據到CAN總線上。
集中器將接收到的應答數據提取出電表讀數存儲在flash中。CAN數據收發工作流程如圖5所示。

圖5.數據收發流程圖
4.結束語
本設計作為智能電表抄表係統的一部分,目前成功應用於某些遠程抄表係統中,由於成本適中、xingnengwending,qudelejiaohaodejingjixiaoyi,juyouhenhaodetuiguangqianjing,tongshijingguojiandandexiugaijiukeyikaifachuqitadeyuanchengchaobiaoxitong,ruranqiyuanchengchaobiaoxitongdeng。
特別推薦
- 噪聲中提取真值!瑞盟科技推出MSA2240電流檢測芯片賦能多元高端測量場景
- 10MHz高頻運行!氮矽科技發布集成驅動GaN芯片,助力電源能效再攀新高
- 失真度僅0.002%!力芯微推出超低內阻、超低失真4PST模擬開關
- 一“芯”雙電!聖邦微電子發布雙輸出電源芯片,簡化AFE與音頻設計
- 一機適配萬端:金升陽推出1200W可編程電源,賦能高端裝備製造
技術文章更多>>
- 貿澤EIT係列新一期,探索AI如何重塑日常科技與用戶體驗
- 算力爆發遇上電源革新,大聯大世平集團攜手晶豐明源線上研討會解鎖應用落地
- 創新不止,創芯不已:第六屆ICDIA創芯展8月南京盛大啟幕!
- AI時代,為什麼存儲基礎設施的可靠性決定數據中心的經濟效益
- 矽典微ONELAB開發係列:為毫米波算法開發者打造的全棧工具鏈
技術白皮書下載更多>>
- 車規與基於V2X的車輛協同主動避撞技術展望
- 數字隔離助力新能源汽車安全隔離的新挑戰
- 汽車模塊拋負載的解決方案
- 車用連接器的安全創新應用
- Melexis Actuators Business Unit
- Position / Current Sensors - Triaxis Hall
熱門搜索
微波功率管
微波開關
微波連接器
微波器件
微波三極管
微波振蕩器
微電機
微調電容
微動開關
微蜂窩
位置傳感器
溫度保險絲
溫度傳感器
溫控開關
溫控可控矽
聞泰
穩壓電源
穩壓二極管
穩壓管
無焊端子
無線充電
無線監控
無源濾波器
五金工具
物聯網
顯示模塊
顯微鏡結構
線圈
線繞電位器
線繞電阻


