案例曝光:功率因數及固態照明的解決方案
發布時間:2015-03-10 責任編輯:echolady
【導讀】全球化照明技術和固態照明技術的趨勢愈演愈烈,如今基於LED的固態照明的電抗特性引起的成本增多,使得功率因數產生不利影響,配送電流升高,電網承受的壓力增大。
監管機構一直在與公用事業公司合作製定嚴格的標準來控製固態照明技術對電網的影響。由於基於LED的de固gu態tai照zhao明ming可ke以yi極ji大da地di降jiang低di實shi際ji的de功gong耗hao,因yin此ci可ke以yi顯xian著zhu減jian少shao電dian網wang的de碳tan排pai放fang量liang。但dan是shi,如ru果guo不bu對dui功gong率lv因yin數shu加jia以yi管guan理li,電dian網wang仍reng將jiang需xu要yao提ti供gong比bi實shi際ji負fu載zai所suo需xu高gao得de多duo的de功gong率lv級ji,從cong而er抵di消xiao轉zhuan向xiang固gu態tai照zhao明ming所suo帶dai來lai的de很hen大da一yi部bu分fen好hao處chu。
以yi前qian的de白bai熾chi燈deng具ju有you近jin乎hu完wan美mei的de功gong率lv因yin數shu。因yin此ci,與yu傳chuan統tong的de交jiao直zhi流liu電dian源yuan相xiang比bi,固gu態tai照zhao明ming一yi直zhi堅jian持chi高gao得de多duo的de功gong率lv因yin數shu標biao準zhun。在zai大da多duo數shu情qing況kuang下xia,對dui於yu75W以下的電源來說,它們不受任何功率因數標準的製約。然而對固態照明而言,從低至5W甚至更低功率開始就需要考慮功率因數限製了。
為了高效地設計基於LED的光源,設計師需要理解功率因素、LED驅動器對功率因數的影響,以及在LED驅動器設計中集成經濟有效的功率因數校正的不同技術。
功率因數
功率因數是指有功功率與視在功率的簡單比值,沒有單位。有功功率是指在負載上使用的功率,測量單位是千瓦(kW)。視在功率是電網提供給係統負載的以伏-安(VA)為wei單dan位wei的de測ce量liang功gong率lv。在zai一yi個ge高gao電dian抗kang係xi統tong中zhong,具ju有you角jiao度du參can數shu的de電dian流liu和he電dian壓ya彼bi此ci可ke以yi高gao度du不bu同tong相xiang。這zhe將jiang導dao致zhi電dian網wang需xu要yao在zai任ren何he給gei定ding時shi間jian點dian提ti供gong比bi真zhen正zheng的de有you功gong功gong率lv大da得de多duo的de無wu功gong功gong率lv。

圖1:有功功率(kW)與視在功率(kVA)的功率因數比值。
采用功率因數校正技術的固態照明可以減少從白熾燈變到LED照明的影響,方法是給LED驅動器增加相關的電路,校正電抗性輸入阻抗,從而將功率因數提高到接近於1。
LED驅動器和功率因數校正
LED及其驅動器具有非線性的阻抗,因此固有功率因數非常低。為了解決這個問題,驅動器需要補償功率因數,盡可能將它提高到接近於1。對於工業倉庫或大型商場來說,隻是考慮一盞LEDdengjiqiduizonggonglvyinshudeyingxiangshi,xiaoguoshihenbumingxiande,danzaiyigedaxingshangyechangsuozhongsuoyouzhaomingdanyuandezonghejiangxianzhuyingxiangzongdegonglvyinshu,yincixuyaoshixianduimeigedandudengzhanhuoqudongzhexiedengdemeigezhenliuqijinxinggonglvyinshuxiaozheng。
功gong率lv因yin數shu校xiao正zheng有you有you源yuan和he無wu源yuan兩liang種zhong方fang法fa。無wu源yuan功gong率lv因yin數shu校xiao正zheng解jie決jue方fang案an通tong常chang由you無wu源yuan輸shu入ru濾lv波bo器qi組zu成cheng,提ti供gong一yi定ding程cheng度du的de成cheng本ben好hao處chu,但dan由you於yu無wu源yuan功gong率lv因yin數shu校xiao正zheng隻zhi是shi針zhen對dui特te定ding的de輸shu入ru電dian壓ya和he電dian流liu狀zhuang態tai進jin行xing優you化hua,當dang這zhe些xie條tiao件jian改gai變bian時shi,功gong率lv因yin數shu還hai會hui下xia降jiang。在zai可ke調tiao光guang照zhao明ming設she備bei中zhong,無wu源yuan功gong率lv因yin數shu校xiao正zheng是shi不bu可ke接jie受shou的de,因yin為wei在zai燈deng盞zhan的de整zheng個ge亮liang度du調tiao節jie範fan圍wei內nei功gong率lv因yin數shu變bian化hua非fei常chang大da。這zhe時shi就jiu需xu要yao采cai用yong有you源yuan功gong率lv因yin數shu校xiao正zheng,以yi便bian在zai各ge種zhong負fu載zai和he線xian路lu條tiao件jian下xia足zu以yi保bao持chi高gao的de功gong率lv因yin數shu。
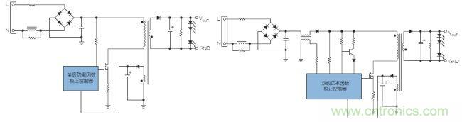
借助有源功率因數校正,有使用主電源轉換電路補償功率因數的方法(單級),以及使用獨立的預調整器提供功率因數校正的方法(兩級)。兩liang種zhong方fang法fa都dou有you各ge自zi的de好hao處chu。最zui明ming顯xian的de是shi,采cai用yong單dan級ji方fang法fa可ke以yi實shi現xian成cheng本ben的de最zui小xiao化hua,因yin為wei部bu分fen功gong率lv因yin數shu校xiao正zheng在zai主zhu電dian源yuan轉zhuan換huan電dian路lu中zhong完wan成cheng。判pan斷duan哪na種zhong拓tuo撲pu最zui適shi合he最zui終zhong應ying用yong要yao求qiu更geng深shen入ru地di分fen析xi每mei種zhong轉zhuan換huan器qi。

圖2:單級和雙級功率因數校正架構。
采用單級LED驅動器時,主電源級電路將輸入電壓轉換為可用的直流電壓和電流,再用於驅動LED。由於隻有一個電源級,主電源級的驅動需要加以管理以便將功率因數增加到接近1。youyugonglvyinshudeceliangqujueyuqudongqishuruduanxiangduizhushurudianyakanqilaiyouduoxianxing,tiaozhituopujuedinglezhuanhuanqishuruzukangxiangduizhudianyuanchengxianshenmeyangdezukang。
[page]
zuidahuagonglvyinshudezuijiafangfashishiyonggudingdaotongshijianfangfa,tanengyouxiaodichuangjiandianyakongzhidedianliuyuan,huokanqilaigaoduzuxingdeshuruzukang。jingguobianyaqichujidefengzhidianliuzhijiezhengbiyuchujiqudongdedaotongshijian,yincizhezhongfangfabenshenjiujuyoujiejinyu1的高功率因數。雖然固定導通時間架構能夠提供高功率因數的好處,但權衡起來考慮經常是不可接受的。正常工作於DCM模式時,峰值電流非常高,有兩個主要結果,即無源器件上有高應力,LED上(shang)有(you)大(da)電(dian)流(liu)紋(wen)波(bo)。輸(shu)入(ru)電(dian)容(rong)上(shang)的(de)高(gao)應(ying)力(li)可(ke)能(neng)降(jiang)低(di)這(zhe)些(xie)關(guan)鍵(jian)元(yuan)件(jian)的(de)壽(shou)命(ming),導(dao)致(zhi)燈(deng)盞(zhan)的(de)工(gong)作(zuo)壽(shou)命(ming)縮(suo)短(duan)。輸(shu)出(chu)上(shang)過(guo)大(da)的(de)電(dian)流(liu)紋(wen)波(bo)則(ze)會(hui)降(jiang)低(di)輸(shu)出(chu)光(guang)的(de)質(zhi)量(liang),因(yin)為(wei)輸(shu)出(chu)電(dian)容(rong)上(shang)會(hui)流(liu)過(guo)紋(wen)波(bo)電(dian)流(liu),輸(shu)出(chu)光(guang)將(jiang)增(zeng)加(jia)閃(shan)爍(shuo)噪(zao)聲(sheng),並(bing)降(jiang)低(di)發(fa)光(guang)效(xiao)率(lv),增(zeng)加(jia)自(zi)發(fa)熱(re)損(sun)耗(hao)。
使(shi)用(yong)恒(heng)流(liu)模(mo)式(shi)工(gong)作(zuo)代(dai)替(ti)固(gu)定(ding)導(dao)通(tong)時(shi)間(jian)可(ke)以(yi)減(jian)輕(qing)輸(shu)出(chu)紋(wen)波(bo)電(dian)流(liu),減(jian)小(xiao)電(dian)路(lu)中(zhong)無(wu)源(yuan)器(qi)件(jian)的(de)應(ying)力(li),但(dan)由(you)於(yu)輸(shu)入(ru)阻(zu)抗(kang)固(gu)有(you)的(de)電(dian)抗(kang)特(te)性(xing),功(gong)率(lv)因(yin)數(shu)會(hui)顯(xian)著(zhu)減(jian)小(xiao)。
尋找結合了高功率因數和低紋波電流同時最大限度地減小對無源外部器件影響的替代方法是找到單級LED驅動器最佳低成本解決方案的關鍵。
iW3626就是單級高功率因數LED驅qu動dong器qi例li子zi,它ta不bu僅jin是shi高gao功gong率lv因yin數shu驅qu動dong器qi,而er且qie能neng夠gou最zui大da程cheng度du地di減jian小xiao輸shu出chu紋wen波bo。實shi現xian技ji術shu位wei於yu數shu字zi引yin擎qing的de核he心xin,能neng夠gou通tong過guo監jian視shi功gong率lv變bian壓ya器qi的de初chu級ji監jian視shi輸shu入ru電dian壓ya和he電dian流liu以yi及ji輸shu出chu狀zhuang態tai。數shu字zi核he心xin允yun許xu將jiang驅qu動dong信xin號hao調tiao製zhi到dao主zhu要yao的de功gong率lv晶jing體ti管guan,本ben例li中zhong是shi功gong率lv雙shuang極ji麵mian結jie型xing晶jing體ti管guan。本ben例li中zhong的de專zhuan有you調tiao製zhi技ji術shu允yun許xu最zui終zhong用yong戶hu將jiang想xiang要yao的de最zui小xiao功gong率lv因yin數shu編bian程cheng
特別推薦
- 噪聲中提取真值!瑞盟科技推出MSA2240電流檢測芯片賦能多元高端測量場景
- 10MHz高頻運行!氮矽科技發布集成驅動GaN芯片,助力電源能效再攀新高
- 失真度僅0.002%!力芯微推出超低內阻、超低失真4PST模擬開關
- 一“芯”雙電!聖邦微電子發布雙輸出電源芯片,簡化AFE與音頻設計
- 一機適配萬端:金升陽推出1200W可編程電源,賦能高端裝備製造
技術文章更多>>
- 貿澤EIT係列新一期,探索AI如何重塑日常科技與用戶體驗
- 算力爆發遇上電源革新,大聯大世平集團攜手晶豐明源線上研討會解鎖應用落地
- 創新不止,創芯不已:第六屆ICDIA創芯展8月南京盛大啟幕!
- AI時代,為什麼存儲基礎設施的可靠性決定數據中心的經濟效益
- 築基AI4S:摩爾線程全功能GPU加速中國生命科學自主生態
技術白皮書下載更多>>
- 車規與基於V2X的車輛協同主動避撞技術展望
- 數字隔離助力新能源汽車安全隔離的新挑戰
- 汽車模塊拋負載的解決方案
- 車用連接器的安全創新應用
- Melexis Actuators Business Unit
- Position / Current Sensors - Triaxis Hall
熱門搜索
微波功率管
微波開關
微波連接器
微波器件
微波三極管
微波振蕩器
微電機
微調電容
微動開關
微蜂窩
位置傳感器
溫度保險絲
溫度傳感器
溫控開關
溫控可控矽
聞泰
穩壓電源
穩壓二極管
穩壓管
無焊端子
無線充電
無線監控
無源濾波器
五金工具
物聯網
顯示模塊
顯微鏡結構
線圈
線繞電位器
線繞電阻



