且看單端反激電路“玩轉”逆變電源!
發布時間:2014-11-09 責任編輯:echolady
【導讀】相信大家都知道,電池供電的逆變電源通常由兩級組成,前級DC/DC電路將電池電壓變換成直流約350V 電壓,後級DC/AC電路將直流350V電壓變換為交流220V電壓。本文以24V電池供電,輸出電壓350V/1KW為例,深度解析單端反激電路如何玩轉逆變電源前級DC/DC電路。
在這類逆變電源中,前級DC/DC電路一般供電電壓較低(12V、24V或 48V),輸入電流較大,功率管導通壓降高、損耗大,所以電源效率很難提高。其電路形式有:單端反激、單端正激、雙管正激、半橋和全橋等,對於中小功率(約0.5~1kW)而言,單端反激電路具有一定優勢,如:電路簡單、控製方便、效率高等。
一、常規單端反激電路結構
常規單端反激電路結構如圖1所示,該電路的缺點在於功率管VT截止時,變壓器初級的反峰能量,被VD1、C 1和R 1組成的吸收電路消耗掉;而且在輸出功率相同的情況下,功率管通過電流(相對於多管並聯)大,導通壓降高,損耗大,所以效率和可靠性較低。

圖1:常規單端反激單路結構
如圖2所示,該電路的特點是,主功率電路采用4隻功率管並聯,每隻功率管通過的電流為單管應用時的1/4(假定4隻功率管參數一致),則功率管的導通壓降也 應為單管應用時的1/4.根據計算,在輸出550W時,理論上,4管並聯比單管可減小通態損耗約20W,提高效率近3個百分點。

圖2: 4隻功率管並聯主功率電路
三、采用能量回饋技術的單端反激電路結構
采用能量回饋技術的單端反激電路結構如圖3所示,其主要波形如圖4所示。在本電路中,用電容C 2、電感L 1、二極管VD1和VD2組成變壓器初級反峰吸收電路,可使大部分反峰能量回饋到輸入電容C 1上,減少了能量損耗,提高了電路效率。

圖3:初級反峰吸收電路

圖4:初級反峰吸收電路主要波形
(1)t 0~t 1階段:t 0時刻功率管截止,變壓器初級電感L 、漏感L K、電容C 2和功率管輸出電容C 0開始諧振,並很快使C 2電壓達到U 0(N 1/N 2),隨後次級二極管導通,初級電壓被鉗位到U 0(N 1/N 2),初級電感L 退出諧振,到t 1時刻I K為0,同時C 2和C 0上電壓達到最大值,即開關管電壓U S達到最大值(U IN+U C2MXA)。
(2) t 1~t 2階段:在L K、C 2、C 0繼續諧振,同時電感L 1參與諧振,C 2、C 0給輸入電容C 1回饋能量,並且給L 1補充能量,到t 2時刻諧振停止,C 2電壓又下降到U 0(N 1/N 2)。
(3)t 2~t 3階段:t 2時刻開始,電感L 1給輸入電容C 1回饋能量。C 2電壓被鉗位在(N 1/N 2)U 0、C 0即開關管上電壓為U IN+(N 1/N 2)U 0,均保持不變,到t 3時刻,L 1中能量釋放完畢。
(4)t 3~t 4階段:開關管完全截止,C 2電壓、C 0電壓(即開關管電壓)繼續保持不變。
(5)t 4~t 5階段:t 4時刻功率管導通,其電壓U S開始下降,C 0開始通過開關管放電,並很快放完畢(全部損耗在功率管上);C 2和L 1開始諧振,即把C 2中的能量轉移到L 1中,在t 5時刻L 1中電流達到最大值,功率管完全導通。
(6)t 5~t 6階段:t 5時刻L 1通過VD1和VD2給輸入電容C 1回饋能量,並給C 2充電到-U IN,到t 6時刻L 1中能量釋放完畢。
(7)t 6~t 7階段:該階段功率管繼續處於完全導通狀態。
以上過程形成一個完整工作周期,可以看出,變壓器漏感中的能量大部分被回饋到輸入電容C 1中(C 0中有部分能量被消耗掉),所以電源效率得到提高。
[page]
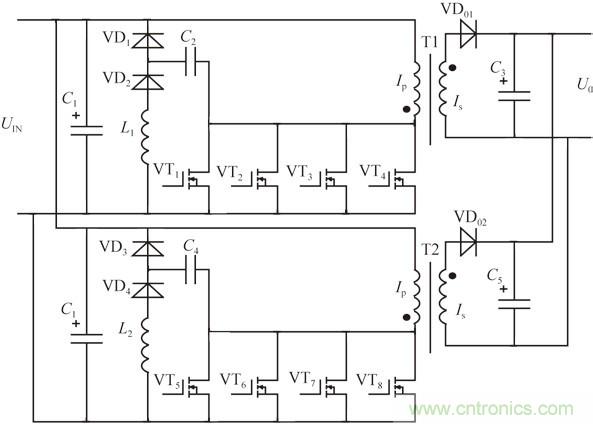
四、兩路單端反激並聯電路結構
若要增加輸出功率,采用如圖5並聯結構,該電路結構可輸出功率約1.1kW,用一隻SG3525控製即可。

圖5:兩路單端反激並聯電路結構
由兩路單端反激並聯組成的逆變電源前級DC/DC電路(見圖5),輸出功率約1.1kW,試驗結果如表1所示。
表1:前級DC/DC試驗結果

表2:1kVA逆變電源試驗結果

特別推薦
- 噪聲中提取真值!瑞盟科技推出MSA2240電流檢測芯片賦能多元高端測量場景
- 10MHz高頻運行!氮矽科技發布集成驅動GaN芯片,助力電源能效再攀新高
- 失真度僅0.002%!力芯微推出超低內阻、超低失真4PST模擬開關
- 一“芯”雙電!聖邦微電子發布雙輸出電源芯片,簡化AFE與音頻設計
- 一機適配萬端:金升陽推出1200W可編程電源,賦能高端裝備製造
技術文章更多>>
- 三星上演罕見對峙:工會集會討薪,股東隔街抗議
- 摩爾線程實現DeepSeek-V4“Day-0”支持,國產GPU適配再提速
- 築牢安全防線:智能駕駛邁向規模化應用的關鍵挑戰與破局之道
- GPT-Image 2:99%文字準確率,AI生圖告別“鬼畫符”
- 機器人馬拉鬆的勝負手:藏在主板角落裏的“時鍾戰爭”
技術白皮書下載更多>>
- 車規與基於V2X的車輛協同主動避撞技術展望
- 數字隔離助力新能源汽車安全隔離的新挑戰
- 汽車模塊拋負載的解決方案
- 車用連接器的安全創新應用
- Melexis Actuators Business Unit
- Position / Current Sensors - Triaxis Hall
熱門搜索
鑒頻器
江蘇商絡
交流電機
腳踏開關
接觸器接線
接近開關
接口IC
介質電容
介質諧振器
金屬膜電阻
晶體濾波器
晶體諧振器
晶體振蕩器
晶閘管
精密電阻
精密工具
景佑能源
聚合物電容
君耀電子
開發工具
開關
開關電源
開關電源電路
開關二極管
開關三極管
科通
可變電容
可調電感
可控矽
空心線圈

