全橋式變壓器開關電源工作原理
——陶顯芳老師談開關電源原理與設計
發布時間:2013-12-28 來源:陶顯芳老師 責任編輯:eliane
【導讀】全橋式變壓器kaiguandianyuanyeshuyushuangjishibianyaqikaiguandianyuan。tatongshijuyoutuiwanshibianyaqikaiguandianyuandianyaliyonglvgao,youjuyoubanqiaoshibianyaqikaiguandianyuannaiyagaodetedian。yinci,quanqiaoshibianyaqikaiguandianyuanjingchangyongyugongzuodianyagao,shuchudagonglvdadechanghe。benzhangjiangjieshaoquanqiaoshibianyaqikaiguandianyuangongzuoyuanli,xiangguanjisuanjiangzaixiayizhangjinxingjiangjie。
1-8-3-1.全橋式變壓器開關電源的工作原理
圖 1-47 是全橋式變壓器開關電源工作原理圖。圖中,K1、K2、K3、K4 是4 個控製開關,它們被分成兩組;K1 和K4 為一組,K2 和K3 為另一組。開關電源工作的時候,總是一組接通,另一組關斷,兩組控製開關輪流交替工作;T 為開關變壓器,N1 為變壓器的初級線圈,N2 為變壓器的次級線圈;Ui 為直流輸入電壓,R 為負載電阻;uo 為輸出電壓,io 為流過負載的電流。

從圖1-47 原理圖中可以看出,控製開關K1 和K4 與控製開關K2 和K3 正好組成一個電橋的兩臂,變壓器作為負載被跨接於電橋兩臂的中間。因此,我們把圖1-47 的電路稱為全橋式開關電源電路。
圖 1-47 中,當控製開關K1 和K4 接通時候,電源電壓Ui 被加到變壓器初級線圈N1 繞組的a、b 兩端,同時,由於電磁感應的作用在變壓器次級線圈N2 繞組的兩端也會輸出一個與N1 繞組輸入電壓Ui 成正比的電壓,並加到負載R 的兩端,使開關電源輸出一個正半周電壓。
當控製開關控製開關K1 和K4 由接通轉為關斷的時候,控製開關K2 和K3 則由關斷轉為接通,電源電壓Ui 被加到變壓器初級線圈N1 繞組的b、a 兩端;同理,由於電磁感應的作用在變壓器次級線圈N2 繞組的兩端也會輸出一個與N1 繞組輸入電壓成正比的電壓,並加到負載R 的兩端,使開關電源輸出一個負半周電壓。
全quan橋qiao式shi變bian壓ya器qi開kai關guan電dian源yuan工gong作zuo原yuan理li與yu推tui挽wan式shi變bian壓ya器qi開kai關guan電dian源yuan以yi及ji半ban橋qiao式shi變bian壓ya器qi開kai關guan電dian源yuan的de工gong作zuo原yuan理li是shi很hen相xiang似si的de,因yin此ci,分fen析xi方fang法fa也ye基ji本ben相xiang同tong。下xia麵mian我wo們men進jin一yi步bu詳xiang細xi分fen析xi全quan橋qiao式shi變bian壓ya器qi開kai關guan電dian源yuan的de工gong作zuo原yuan理li。
前七期閱讀:
專題:陶顯芳老師30年經驗大分享,開關電源設計那些事兒
http://m.0-fzl.cn/special/181
【連載7】陶顯芳老師談開關電源原理與設計
http://m.0-fzl.cn/power-art/80021940
[page]
當控製開關K1 和K4 接通時候,電源電壓Ui 被加到變壓器初級線圈N1 繞組的a、b 兩端,在變壓器初級線圈N1 繞組中將有電流經過,通過電磁感應會在變壓器的鐵心中產生磁場,並產生磁力線;同時,在初級線圈N1 繞組的兩端要產生自感電動勢e1,在次級線圈N2 繞組的兩端也會產生感應電動勢e2;感應電動勢e2 作用於負載R 的兩端,從而產生負載電流。
因此,在初、次級電流的共同作用下,在變壓器的鐵心中會產生一個由流過變壓器初、次級線圈電流產生的合成磁場,這個磁場的大小可用磁力線通量(簡稱磁通量),即磁力線的數目φ 來表示。
如果用φ1 來表示變壓器初級線圈N1 繞組電流產生的磁通量,用φ 2 來表示變壓器次級線圈電流產生的磁通量,由於變壓器初、次級線圈電流產生的磁場方向總是相反,則在控製開關K1 和K4接通期間,由流過變壓器初、次級線圈電流在變壓器鐵心中產生的合成磁場的總磁通量φ 為:
其中變壓器初級線圈電流產生的磁通φ1 還可以分成兩個部分,一部分用來抵消變壓器次級線圈電流產生的磁通φ2,記為φ10,另一部分是由勵磁電流產生的磁通,記為Δφ1。顯然φ10 =-φ2,Δφ1 = φ。即:變壓器鐵心中產生的磁通量φ,隻與流過變壓器初級線圈中的勵磁電流有關,與流過變壓器次級線圈中的電流無關;流過變壓器次級線圈中的電流產生的磁通,完全被流過變壓器初級線圈中的另一部分電流產生的磁通抵消。
根據電磁感應定律可以對變壓器初級線圈N1 繞組回路列出方程:

上式中,e1 為變壓器初級線圈產生的電動勢,Uab為電源加於變壓器初級線圈N1 繞組兩端的電壓,Uab= Ui ,dφ/dt變壓器鐵心中磁通的變化率。
同樣,可以對變壓器次級線圈N2 繞組回路列出方程:

上式中,(Up)為開關變壓器次級線圈N2 繞組正激輸出電壓的幅值,用括弧匡住來表示。由於流過開關變壓器初級線圈N1 繞組的勵磁電流或開關變壓器鐵心中的磁通是線性變化的,所以我們可認為開關變壓器次級線圈N2 繞組正激輸出電壓是一個方波。方波的幅值Up 與半波平均值Upa以及有效值Uo 三者完全相等。
根據(1-180)式和(1-181)式可以求得:

(1-182)式就是全橋式變壓器開關電源正激輸出時的電壓關係式。上式中,(Up)為開關變壓器次級線圈N2 繞組正激輸出電壓的幅值;Ui 為開關變壓器初級線圈N1 繞組的輸入電壓;n 為變壓器次、初級線圈的變壓比,即:開關變壓器次級線圈輸出電壓與初級線圈輸入電壓之比,n 也可以看成是開關變壓器次級線圈N2 繞組與初級線圈N1 繞組的匝數比,即:n = N2/N1。
[page]
由此可知,在控製開關K1 和K4 接通期間,全橋式變壓器開關變壓器次級輸出的正激電壓幅值隻與輸入電壓和變壓器的次/初級變壓比有關係。
同理我們也可以求得,當控製開關K2 和K3 接通時,開關變壓器N2 線圈繞組輸出的正激電壓幅值(Up-)為:

上式中的負號表示e2 的符號與(1-182)中的符號相反,(Up-)表示與(Up)的極性相反,因為Uab=-Uba。
這裏還需指出,(1-182)式和(1-183)式列出的計算結果,並沒有考慮控製開關K1 和K4 或K2 和K3 關斷瞬間,勵磁電流存儲的能量產生反電動勢的影響。當控製開關K1 和K4 或K2 和K3關斷瞬間,流過開關變壓器初級線圈的勵磁電流由最大值突然下降為零,使開關變壓器鐵心中的磁通量也要跟著產生變化;即:開關變壓器的初、次級線圈中都會產生感應電動勢,這種感應電動勢是勵磁電流存儲於關變壓器鐵心中的磁能量產生的;這種感應電動勢對於變壓器次級線圈電壓輸出繞組來說,屬於反激式輸出。即:全橋式變壓器開關電源同時存在正、反激電壓輸出。
反激式電壓產生的原因是因為K1 和K4 或K2 和K3 接通瞬間變壓器初級或次級線圈中的電流初始值不等於零,或磁通的初始值不等於零。
實(shi)際(ji)上(shang),全(quan)橋(qiao)式(shi)變(bian)壓(ya)器(qi)開(kai)關(guan)電(dian)源(yuan)的(de)反(fan)激(ji)式(shi)輸(shu)出(chu)電(dian)壓(ya)部(bu)分(fen)是(shi)不(bu)能(neng)忽(hu)略(lve)的(de)。全(quan)橋(qiao)式(shi)變(bian)壓(ya)器(qi)開(kai)關(guan)變(bian)壓(ya)器(qi)次(ci)級(ji)線(xian)圈(quan)的(de)輸(shu)出(chu)電(dian)壓(ya)應(ying)該(gai)同(tong)時(shi)包(bao)括(kuo)兩(liang)部(bu)分(fen),正(zheng)激(ji)輸(shu)出(chu)電(dian)壓(ya)和(he)反(fan)激(ji)輸(shu)出(chu)電(dian)壓(ya)。
因此,圖1-47 中,當控製開關K1 和K4 關斷,K2 和K3 接通瞬間,開關變壓器次級線圈輸出電壓應該等於正激電壓與反激電壓之和。正激電壓的計算可由(1-182)式和(1-183)式給出,反激電壓的計算可由(1-67)或(1-68)式給出。關於純電阻負載反激式輸出電壓的計算,請參考前麵《1-5-1.單激式變壓器開關電源的工作原理》章節中的相關內容分析,這裏不再贅述。
根據(1-67)式:

可求得,開關變壓器次級線圈N2 繞組產生的反激式輸出電壓為:

上式中,[uo] 表示開關變壓器次級線圈N2 繞組輸出的反激式電壓,[i2] 表示開關變壓器次級線圈N2 繞組輸出反激式電壓對負載R 產生的電流。
另外根據(1-183)式求得的結果,開關變壓器次級線圈N2 繞組產生的正激式輸出電壓為:

上麵兩式中,[uo] 表示開關變壓器次級線圈N2 繞組產生的反激式輸出電壓,(uo)表示開關變壓器次級線圈N2 繞組產生的正激式輸出電壓。
[page]
因此,開關變壓器次級線圈輸出電壓uo 等於正激電壓(uo)與反激電壓[uo]之和,即:

(1-186)式就是全橋式變壓器開關電源在負載為純電阻時,輸出電壓uo 的表達式。由(1-186)式可以看出,當t = 0 時,即:控製開關K1 關斷瞬間,輸出電壓有最大值:

從(1-187)式可以看出,在控製開關K1 和K4 關斷瞬間,當變壓器次級線圈回路負載開路,或負載很輕的時候,變壓器次級線圈回路會產生非常高的反電動勢。
但在實際應用中,並不完全是這樣。因為,當控製開關K1 和K4 關斷瞬間,控製開關K2 和K3 也會同時接通,此時開關變壓器初級線圈N1 繞組同時也被接到另一個電路中,即:原來電源Ui 是通過K1 和K4 把電壓加到開關變壓器初級線圈N1 繞組a、b 的兩端,對開關變壓器進行供電;
當K2 和K3 接通後,電源Ui 則通過K2 和K3 把電壓加到開關變壓器初級線圈N1 繞組b、a 的兩端,開關變壓器初級線圈N1 繞組產生的反電動勢首先要通過K2 和K3 對電源Ui 進行供電,然後電源Ui 才通過初級線圈N1 繞組b、a 的兩端對關變壓器進行供電。
這樣,就相當於通過控製開關K2 和K3 與K1 和K4 不停地對開關變壓器初級線圈N1 繞組進行換相的同時,電源在開始對變壓器供電的時候,也對反電動勢進行限幅。因此,變壓器次級線圈N2 繞組輸出電壓uo 中的反激式輸出電壓 [uo],並不會像(1-186)和(1-187)算式所表達的結果那麼高。
另(ling)外(wai),全(quan)橋(qiao)式(shi)變(bian)壓(ya)器(qi)開(kai)關(guan)電(dian)源(yuan)與(yu)其(qi)它(ta)雙(shuang)激(ji)式(shi)開(kai)關(guan)電(dian)源(yuan)一(yi)樣(yang),在(zai)設(she)計(ji)的(de)時(shi)候(hou)一(yi)般(ban)都(dou)把(ba)開(kai)關(guan)變(bian)壓(ya)器(qi)的(de)伏(fu)秒(miao)容(rong)量(liang)取(qu)得(de)很(hen)大(da),勵(li)磁(ci)電(dian)流(liu)取(qu)得(de)很(hen)小(xiao),反(fan)電(dian)動(dong)勢(shi)(反激輸出電壓)的半波平均值還是遠遠小於正激電壓的半波平均值。因此,反電動勢電壓的幅度可能很高,但能量不會很大,即:反電動勢脈衝的寬度很窄。
所以,(1-186)和(1-187)式所表示的結果,可看成是全橋式變壓器開關電源在輸出電壓中含有毛刺(輸出噪音)的表達式。
根據上麵分析,在一般情況下,全橋式變壓器開關電源的輸出電壓uo,主要還是由(1-181)、(1-182)、(1-183)等式來決定。即:全橋式變壓器開關電源的輸出電壓uo,主要由開關變壓器次級線圈N2 繞組輸出的正激電壓來決定。
在(zai)實(shi)際(ji)應(ying)用(yong)中(zhong),為(wei)防(fang)止(zhi)變(bian)壓(ya)器(qi)初(chu)級(ji)線(xian)圈(quan)產(chan)生(sheng)的(de)反(fan)電(dian)動(dong)勢(shi)把(ba)開(kai)關(guan)器(qi)件(jian)擊(ji)穿(chuan),降(jiang)低(di)開(kai)關(guan)器(qi)件(jian)半(ban)導(dao)通(tong)狀(zhuang)態(tai)期(qi)間(jian)的(de)損(sun)耗(hao)和(he)全(quan)橋(qiao)式(shi)變(bian)壓(ya)器(qi)開(kai)關(guan)電(dian)源(yuan)輸(shu)出(chu)電(dian)壓(ya)波(bo)形(xing)的(de)反(fan)衝(chong)幅(fu)度(du),一(yi)般(ban)可(ke)在(zai)圖(tu)1-47 中4 個控製開關,每個控製開關的兩端都並聯一個阻尼二極管,請參考圖1-29 和圖1-38 及(ji)相(xiang)關(guan)說(shuo)明(ming)。全(quan)橋(qiao)式(shi)變(bian)壓(ya)器(qi)開(kai)關(guan)電(dian)源(yuan)的(de)交(jiao)流(liu)輸(shu)出(chu)波(bo)形(xing)與(yu)推(tui)挽(wan)式(shi)變(bian)壓(ya)器(qi)開(kai)關(guan)電(dian)源(yuan)以(yi)及(ji)半(ban)橋(qiao)式(shi)變(bian)壓(ya)器(qi)開(kai)關(guan)電(dian)源(yuan)的(de)交(jiao)流(liu)輸(shu)出(chu)波(bo)形(xing)也(ye)基(ji)本(ben)相(xiang)同(tong),請(qing)參(can)考(kao)圖(tu)1-28 和圖1-37及相關說明。
[page]
1-8-3-2.整流輸出全橋式變壓器開關電源
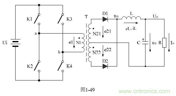
圖 1-48 是全波整流輸出全橋式變壓器開關電源工作原理圖;圖1-49 是輸出電壓可調的全橋式變壓器開關電源工作原理圖。


相關閱讀:
工程師實戰經驗:PSR開關電源設計的“獨特”方法
http://m.0-fzl.cn/power-art/80022036
大牛獨創(五):反激式開關電源設計方法及參數計算
http://m.0-fzl.cn/power-art/80021975
由簡到難,大師教你一步一步設計開關電源
http://m.0-fzl.cn/power-art/80021972
PCB布局該這麼做!150W LED驅動電源拆解學習
http://m.0-fzl.cn/power-art/80021947
特別推薦
- 噪聲中提取真值!瑞盟科技推出MSA2240電流檢測芯片賦能多元高端測量場景
- 10MHz高頻運行!氮矽科技發布集成驅動GaN芯片,助力電源能效再攀新高
- 失真度僅0.002%!力芯微推出超低內阻、超低失真4PST模擬開關
- 一“芯”雙電!聖邦微電子發布雙輸出電源芯片,簡化AFE與音頻設計
- 一機適配萬端:金升陽推出1200W可編程電源,賦能高端裝備製造
技術文章更多>>
- 築基AI4S:摩爾線程全功能GPU加速中國生命科學自主生態
- 一秒檢測,成本降至萬分之一,光引科技把幾十萬的台式光譜儀“搬”到了手腕上
- AI服務器電源機櫃Power Rack HVDC MW級測試方案
- 突破工藝邊界,奎芯科技LPDDR5X IP矽驗證通過,速率達9600Mbps
- 通過直接、準確、自動測量超低範圍的氯殘留來推動反滲透膜保護
技術白皮書下載更多>>
- 車規與基於V2X的車輛協同主動避撞技術展望
- 數字隔離助力新能源汽車安全隔離的新挑戰
- 汽車模塊拋負載的解決方案
- 車用連接器的安全創新應用
- Melexis Actuators Business Unit
- Position / Current Sensors - Triaxis Hall
熱門搜索



