一款高性價比能耗型鋰電池組均衡充電器設計
發布時間:2013-11-06 責任編輯:eliane
【導讀】鋰電池因其使用壽命長,可重複次數多等優點得到了廣泛應用,而單個鋰電池由於製造工藝、環境等差別,將對鋰電池組串聯充電的平衡性造成影響,因此如何解決鋰電池組充電的不平衡問題將是本文要講述的內容。
suizheguojiyuanyoujiagefeizhang,gezhongxinxingnengyuandeyanjiuchengweigongzhongguanzhudejiaodian。diannengzuoweidonglinengyuanyijingzaigezhongcheliangshangdedaoguangfanyingyong。lidianchiyijuyoujiaogaodenengliangzhiliangbihenengliangtijibi,wujiyixiaoying,kezhongfuchongdiancishuduo,shiyongshoumingjiaochangdengyoudianchengweidonglidiannengdeshouxuan。
作(zuo)為(wei)一(yi)種(zhong)新(xin)型(xing)動(dong)力(li)技(ji)術(shu),鋰(li)電(dian)池(chi)在(zai)使(shi)用(yong)中(zhong)必(bi)須(xu)串(chuan)聯(lian)才(cai)能(neng)達(da)到(dao)使(shi)用(yong)電(dian)壓(ya)的(de)需(xu)求(qiu),單(dan)體(ti)性(xing)能(neng)的(de)參(can)差(cha)不(bu)齊(qi)並(bing)不(bu)全(quan)緣(yuan)於(yu)電(dian)池(chi)生(sheng)產(chan)技(ji)術(shu)問(wen)題(ti),即(ji)使(shi)每(mei)隻(zhi)電(dian)池(chi)出(chu)廠(chang)時(shi)電(dian)壓(ya),內(nei)阻(zu)完(wan)全(quan)一(yi)致(zhi),使(shi)用(yong)一(yi)段(duan)時(shi)間(jian)以(yi)後(hou),也(ye)會(hui)產(chan)生(sheng)差(cha)異(yi),這(zhe)使(shi)得(de)解(jie)決(jue)動(dong)力(li)電(dian)池(chi)充(chong)電(dian)技(ji)術(shu)問(wen)題(ti)成(cheng)為(wei)迫(po)切(qie)需(xu)要(yao)解(jie)決(jue)的(de)技(ji)術(shu)問(wen)題(ti)。本(ben)設(she)計(ji)在(zai)充(chong)分(fen)考(kao)慮(lv)工(gong)業(ye)成(cheng)本(ben)控(kong)製(zhi)和(he)穩(wen)定(ding)性(xing)要(yao)求(qiu)的(de)基(ji)礎(chu)上(shang),采(cai)用(yong)能(neng)耗(hao)型(xing)部(bu)分(fen)分(fen)流(liu)法(fa)對(dui)動(dong)力(li)鋰(li)電(dian)池(chi)充(chong)電(dian)進(jin)行(xing)均(jun)衡(heng)管(guan)理(li),改(gai)善(shan)了(le)電(dian)池(chi)組(zu)充(chong)電(dian)的(de)不(bu)平(ping)衡(heng)性(xing),提(ti)高(gao)了(le)工(gong)作(zuo)性(xing)能(neng)。
鋰電池組充電方案選擇
1、單節鋰電池充電要求
對單節鋰離子電池的充電要求(GB/T18287-2000)首先是恒流充電,即電流一定,而電池電壓隨著充電過程逐步升高,當電池端電壓達到4.2V(4.1V),改恒流充電為恒壓充電,即電壓一定,電流根據電芯的飽和程度,隨著充電過程的繼續逐步減小,當減小到10mA時,認為充電終止,充電曲線如圖1所示。

圖1:鋰電池充電曲線
2、鋰電池組充電特性
在(zai)動(dong)力(li)電(dian)池(chi)組(zu)中(zhong)由(you)於(yu)各(ge)單(dan)體(ti)電(dian)池(chi)之(zhi)間(jian)存(cun)在(zai)不(bu)一(yi)致(zhi)性(xing)。連(lian)續(xu)的(de)充(chong)放(fang)電(dian)循(xun)環(huan)導(dao)致(zhi)的(de)差(cha)異(yi),將(jiang)使(shi)某(mou)些(xie)單(dan)體(ti)電(dian)池(chi)的(de)容(rong)量(liang)加(jia)速(su)衰(shuai)減(jian),串(chuan)聯(lian)電(dian)池(chi)組(zu)的(de)容(rong)量(liang)是(shi)由(you)單(dan)體(ti)電(dian)池(chi)的(de)最(zui)小(xiao)容(rong)量(liang)決(jue)定(ding)的(de),因(yin)此(ci)這(zhe)些(xie)差(cha)異(yi)將(jiang)使(shi)電(dian)池(chi)組(zu)的(de)使(shi)用(yong)壽(shou)命(ming)縮(suo)短(duan)。造(zao)成(cheng)這(zhe)種(zhong)不(bu)平(ping)衡(heng)的(de)主(zhu)要(yao)原(yuan)因(yin)有(you):
●電池製作過程中,由於工藝等原因,同批次電池的容量、內阻等存在差異;
●電池自放電率的不同,經長時間積累,造成電池容量的差異;
●電池使用過程中,使用環境如溫度、電路板的差異,導致電池容量的不平衡。
[page]
3、充電方案選擇
為了減小不平衡性對鋰電池組的影響,在充電過程中,要使用均衡電路。
目前對於鋰電池組進行均衡管理的方案主要有2zhong,nenghaoxinghehuikuixing。nenghaoxingshizhigeigegedantidianchitigongbinglianzhilu,jiangdianyaguogaodedantidianchitongguofenliuzhuanyidiannengdadaojunhengmude。huikuixingshizhitongguonengliangzhuanhuanqijiangdantizhijiandepianchanengliangkuisonghuidianchizuhuodianchizuzhongdemouxiedanti。
lilunshang,danghulvezhuanhuanxiaolvshi,huikuibuxiaohaonengliang,keshixiandongtaijunheng。danyouyuhuikuixingshejikongzhifangfafuza,zhizaochengbenjiaogao,benchongdianqicaiyongnenghaoxingsheji。
能neng耗hao型xing按an能neng量liang回hui路lu處chu理li方fang式shi又you可ke以yi分fen為wei斷duan流liu和he分fen流liu。斷duan流liu指zhi在zai監jian控kong單dan體ti電dian壓ya變bian化hua的de基ji礎chu上shang,滿man足zu一yi定ding條tiao件jian時shi把ba單dan體ti電dian池chi的de充chong電dian回hui路lu斷duan開kai,充chong電dian電dian流liu完wan全quan通tong過guo旁pang路lu電dian阻zu。通tong過guo機ji械xie觸chu點dian或huo電dian力li電dian子zi部bu件jian組zu成cheng的de開kai關guan矩ju陣zhen,動dong態tai改gai變bian電dian池chi組zu內nei單dan體ti之zhi間jian的de連lian接jie結jie構gou。而er分fen流liu並bing不bu斷duan開kai工gong作zuo回hui路lu,而er是shi給gei每mei隻zhi電dian池chi增zeng加jia一yi個ge旁pang路lu電dian阻zu,當dang某mou單dan體ti電dian池chi高gao於yu組zu內nei其qi他ta電dian池chi時shi,將jiang充chong電dian電dian流liu的de全quan部bu或huo一yi部bu分fen導dao入ru旁pang路lu電dian阻zu。從cong而er實shi現xian對dui各ge個ge單dan體ti電dian池chi的de均jun衡heng充chong電dian。由you於yu動dong力li鋰li電dian池chi組zu功gong率lv較jiao大da,在zai綜zong合he考kao慮lv充chong電dian效xiao率lv,熱re管guan理li等deng方fang麵mian因yin素su之zhi後hou,我wo們men使shi用yong部bu分fen分fen流liu法fa為wei充chong電dian器qi的de設she計ji方fang案an。
係統設計及分析
1、係統整體結構
如圖2係統框圖所示,工頻交流電通過開關電源轉化為18V/5A的直流電輸出給升壓電路,升壓電路根據CPU的控製信號為電池組充電提供一定的充電電流,電壓監控電路將電池的實時電壓情況反饋給CPU,CPU通過升壓電路實現對電池組整體充電電壓、電流的控製。通過均衡電路實現各個單體電池充電速率調整,以保證整個電池組充電的一致性。

圖2:係統整體框圖
2、升壓電路
電能的輸入轉化環節由開關電源電路和調壓電路兩部分組成。開關電源將輸入的工頻交流電轉化為18V/5A直流電輸出。由於當前開關電源技術已經相當成熟,在此就不再贅述。
[page]
升壓電路的作用是將開關電源輸出的直流電調節轉化為電池組充電所要求的電壓、電流,並能夠根據充電狀態對輸出電壓、電流進行實時調節。
升壓電路如圖3所示。

圖3:升壓電路
其中R1、R2、Q1構成電源反接保護電路,Q5是整個升壓電路的開關,Q2、Q4、U1構成場效應管Q3驅動級電路,Q3、L1、D1、C4、C5構成BOOST升壓調節電路,R9、R10、C6為電壓采樣電路。
在充電器正常工作時,開關電源的正負極輸出分別接到DC+,DC-,開關管Q5關斷。CPU根據電池監控電路反饋的電壓計算出的PWM占空比,輸出相應的調製信號。PWM調製信號經過驅動級放大調整,控製Q3開關狀態,以產生所需要的輸出電壓。
由於穩態條件下,電感兩端電壓在一個開關周期內的平均值為零。可得:

其中,UL為電感兩端電壓在一個開關周期內的平均值;U0為輸出電壓;Ui為輸入電壓;T為開關周期;ton為Q3處於通態的時間;toff為Q3處於斷態的時間。令UL=0,在電感電流連續的工作過程中有:

因此隻需要調節PWM輸出的占空比,就能有效地控製電池的充電電壓。
youyudangelidianchidedianyaguoxiao,weidedaogengdadegongzuodianya,yibanxuyaojianglidianchichuanlianshiyong。dianchizuchongdianguochengzhong,xuyaoduimeigedianchidedianyaqingkuangjinxingshishijiankong,yibaozhengmeigedianchigongzuozaizhengchanggongzuozhuangtaixia,bimianfashengguochongxianxiang,sunhuailidianchi。
串聯鋰電池電池組中,各個鋰電池的基準電平不同。假設電池組中的電池電壓分別為a1,a2,?,則對地第一節電池電壓為a1,第二節電池電壓為a1+a2,以此類推。
[page]
zaidianyajiankongzhongwomenxuyaoduigegedianchideshishidianyajinxingbijiao,jiubixushejiyidingdedianlu,jianggegedianchidedianyazhuanhuadaotongyijizhunshang。caiquguangougeliquyangdefangfakeyishixiandianpingzhuanhua,kaolvdaoxianxingguangoujiageshiputongguangoude10倍以上,出於工程中成本控製需要,將普通光耦線性化連接以實現電壓的采集和實時監控。

圖4:電壓監控電路
在如圖4suoshidedantidianchidianyajiankongdianluzhong,shiyongletongyixinghaotongyipicidelianggeputongguangouqijianhelianggeyunsuanfangdaqi。lianggeguangouzhong,yigeyongyushuchu,lingwaiyigeyongyufankui。fankuiyonglaibuchangfaguangerjiguanshijian、溫度特性上的非線性。

從式(5)可知,該測量電路的電壓增益隻與電阻R1,R2dezuzhiyouguan,yuguangoudedianliuchuanshucanshudengwuguan,congershixianleduidianyaxinhaodexianxinggeli。jingrutusuoshidianluzhuanhuahoudianchidianyabeizhuanhuaweijuyoutongyicankaodideshuchudianyaVout。
[page]
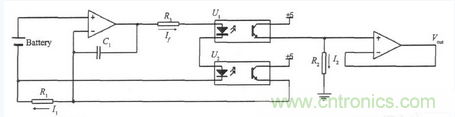
4、部分分流控製電路
如圖5分流控製電路所示,充電過程中,當某一單體電壓明顯高於組內其他電池時,CPU將控製端口拉高,則Q1導通,Q2基極電位被拉低,Q2導通,部分電能從旁路電阻R4分流,降低該電池充電速率,從而實現電池組各單體電池充電速率同步。
其中

Iequ為旁路電阻R4上所流過的電流,即均衡電流;P為旁路電阻R4上所消耗的功率;Ubat為電池兩端電壓。

圖5分流控製電路
均衡電流大小的選擇會直接影響充電器的性能。
電流大,充電器整體發熱量大,工作穩定性差。電流小,電壓調整幅度小,速率可調整幅度小。經反複實驗,當Iequ≈0.1Icharge時,調整能力和發熱量達到最佳平衡狀態。
由於充電時Ubat的範圍為3~4V,該充電電池標稱容量為2000mAh,最大充電電流為2A.綜合上麵因素,R4選擇將兩個47Ω電阻並聯。
結束語
由於單體鋰電池在製造工藝、工(gong)作(zuo)環(huan)境(jing)等(deng)方(fang)麵(mian)的(de)差(cha)別(bie),會(hui)造(zao)成(cheng)鋰(li)電(dian)池(chi)組(zu)串(chuan)聯(lian)充(chong)電(dian)的(de)不(bu)平(ping)衡(heng)性(xing)。運(yun)用(yong)部(bu)分(fen)分(fen)流(liu)法(fa)設(she)計(ji)的(de)能(neng)耗(hao)型(xing)鋰(li)電(dian)池(chi)組(zu)均(jun)衡(heng)充(chong)電(dian)器(qi),良(liang)好(hao)地(di)解(jie)決(jue)了(le)電(dian)池(chi)組(zu)充(chong)電(dian)的(de)不(bu)平(ping)衡(heng)問(wen)題(ti)。有(you)效(xiao)地(di)防(fang)止(zhi)過(guo)充(chong)現(xian)象(xiang),提(ti)高(gao)了(le)鋰(li)電(dian)池(chi)使(shi)用(yong)的(de)安(an)全(quan)性(xing),增(zeng)加(jia)了(le)電(dian)池(chi)組(zu)的(de)充(chong)電(dian)容(rong)量(liang),延(yan)長(chang)了(le)鋰(li)電(dian)池(chi)組(zu)的(de)使(shi)用(yong)壽(shou)命(ming)。經(jing)過(guo)反(fan)複(fu)試(shi)驗(yan),選(xuan)擇(ze)最(zui)適(shi)參(can)數(shu),控(kong)製(zhi)了(le)發(fa)熱(re)量(liang),保(bao)證(zheng)了(le)充(chong)電(dian)器(qi)的(de)長(chang)期(qi)穩(wen)定(ding)工(gong)作(zuo)。在(zai)設(she)計(ji)過(guo)程(cheng)中(zhong),充(chong)分(fen)考(kao)慮(lv)了(le)實(shi)際(ji)生(sheng)產(chan)的(de)需(xu)求(qiu)。在(zai)保(bao)證(zheng)實(shi)用(yong)性(xing)和(he)可(ke)靠(kao)性(xing)的(de)前(qian)提(ti)下(xia),簡(jian)化(hua)設(she)計(ji),選(xuan)擇(ze)常(chang)用(yong)器(qi)件(jian),提(ti)高(gao)了(le)性(xing)價(jia)比(bi),具(ju)有(you)良(liang)好(hao)的(de)應(ying)用(yong)前(qian)景(jing)。
相關閱讀:
危害鋰電池使用壽命的四大“誤區”
http://m.0-fzl.cn/power-art/80021298
鋰電池短路保護設計:功率MOSFET及驅動電路的選擇與設計
http://m.0-fzl.cn/cp-art/80021668
防止鋰離子電池組短路新方法
http://m.0-fzl.cn/cp-art/80020985
專家講解:如何實現電池組的高精度電池測量
http://m.0-fzl.cn/power-art/80021470
特別推薦
- 噪聲中提取真值!瑞盟科技推出MSA2240電流檢測芯片賦能多元高端測量場景
- 10MHz高頻運行!氮矽科技發布集成驅動GaN芯片,助力電源能效再攀新高
- 失真度僅0.002%!力芯微推出超低內阻、超低失真4PST模擬開關
- 一“芯”雙電!聖邦微電子發布雙輸出電源芯片,簡化AFE與音頻設計
- 一機適配萬端:金升陽推出1200W可編程電源,賦能高端裝備製造
技術文章更多>>
- 築基AI4S:摩爾線程全功能GPU加速中國生命科學自主生態
- 一秒檢測,成本降至萬分之一,光引科技把幾十萬的台式光譜儀“搬”到了手腕上
- AI服務器電源機櫃Power Rack HVDC MW級測試方案
- 突破工藝邊界,奎芯科技LPDDR5X IP矽驗證通過,速率達9600Mbps
- 通過直接、準確、自動測量超低範圍的氯殘留來推動反滲透膜保護
技術白皮書下載更多>>
- 車規與基於V2X的車輛協同主動避撞技術展望
- 數字隔離助力新能源汽車安全隔離的新挑戰
- 汽車模塊拋負載的解決方案
- 車用連接器的安全創新應用
- Melexis Actuators Business Unit
- Position / Current Sensors - Triaxis Hall
熱門搜索




