工程師整理的常見電源電路:穩壓、整流、濾波
發布時間:2013-07-29 來源:電子元件技術網 責任編輯:Cynthiali
【導讀】一位工程師整理的常見電源電路學習和查詢資料,整理了常見電源電路,包括各種穩壓電路、各種整流電路、各種濾波電路,非常清楚明了哦!
穩壓電路(穩壓管並聯穩壓電路、串聯型穩壓電路、開關型穩壓電路、集成化穩壓電路)、整流電路(半波整流、全波整流、全波橋式整流、倍壓整流)、濾波電路(電容濾波、電感濾波、L C 濾波、RC 濾波)。
一:穩壓電路
交流電網電壓的波動和負載電流的變化都會使整流電源的輸出電壓和電流隨之變動,因此要求較高的電子電路必須使用穩壓電源。
(1)穩壓管並聯穩壓電路
用一個穩壓管和負載並聯的電路是最簡單的穩壓電路,見下圖 (a)。圖中 R 是限流電阻。這個電路的輸出電流很小,它的輸出電壓等於穩壓管的穩定電壓值 V Z 。

(2)串聯型穩壓電路
有放大和負反饋作用的串聯型穩壓電路是最常用的穩壓電路。它的電路和框圖見上圖 (b)、(c)。它是從取樣電路( R3 、 R4 )中檢測出輸出電壓的變動,與基準電壓( V Z )比較並經放大器( VT2 )放大後加到調整管( VT1 )上,使調整管兩端的電壓隨著變化。如果輸出電壓下降,就使調整管管壓降也降低,於是輸出電壓被提升;如ru果guo輸shu出chu電dian壓ya上shang升sheng,就jiu使shi調tiao整zheng管guan管guan壓ya降jiang也ye上shang升sheng,於yu是shi輸shu出chu電dian壓ya被bei壓ya低di,結jie果guo就jiu使shi輸shu出chu電dian壓ya基ji本ben不bu變bian。在zai這zhe個ge電dian路lu的de基ji礎chu上shang發fa展zhan成cheng很hen多duo變bian型xing電dian路lu或huo增zeng加jia一yi些xie輔fu助zhu電dian路lu,如ru用yong複fu合he管guan作zuo調tiao整zheng管guan,輸shu出chu電dian壓ya可ke調tiao的de電dian路lu,用yong運yun算suan放fang 大器作比較放大的電路,以及增加輔助電源和過流保護電路等。
(3)開關型穩壓電路
開關穩壓電源從原理上分有很多種。它的基本原理框圖見上圖(d)。圖中電感 L 和電容 C 是儲能和濾波元件,二極管 VD 是調整管在關斷狀態時為 L 、 C 濾波器提供電流通路的續流二極管。開關穩壓電源的開關頻率都很高,一般為幾~幾十千赫,所以電感器的體積不很大,輸出電壓中的高次諧波也不多。
它的基本工作原理是 : 從取樣電路( R3 、 R4 )中檢測出取樣電壓經比較放大後去控製一個矩形波發生器。矩形波發生器的輸出脈衝是控製調整管( VT )的導通和截止時間的。如果輸出電壓 U 0 因為電網電壓或負載電流的變動而降低,就會使矩形波發生器的輸出脈衝變寬,於是調整管導通時間增大,使 L 、 C 儲能電路得到更多的能量,結果是使輸出電壓 U 0 被提升,達到了穩定輸出電壓的目的。
(4)集成化穩壓電路
上圖(e)是一個三端穩壓器電路。圖中 C 是主濾波電容, C1 、 C2 是消除寄生振蕩的電容 ,VD 是為防止輸入短路燒壞集成塊而使用的保護二極管。
二、整流電路
整流電路是利用半導體二極管的單向導電性能把交流電變成單向脈動直流電的電路。
(1)半波整流
半波整流電路隻需一個二極管,見下圖(a)。在交流電正半周時 VD 導通,負半周時 VD 截止,負載 R 上得到的是脈動的直流電

(2)全波整流
全波整流要用兩個二極管,而且要求變壓器有帶中心抽頭的兩個圈數相同的次級線圈,見上圖(b)。負載 R L 上得到的是脈動的全波整流電流,輸出電壓比半波整流電路高。
(3)全波橋式整流
用 4 個二極管組成的橋式整流電路可以使用隻有單個次級線圈的變壓器,見上圖( c )。負載上的電流波形和輸出電壓值與全波整流電路相同。
(4)倍壓整流
用多個二極管和 電容器可以獲得較高的直流電壓。上圖(d)是一個二倍壓整流電路。當 U2 為負半周時 VD1 導通, C1 被充電, C1 上最高電壓可接近 1.4U2 ;當 U2 正半周時 VD2 導通, C1 上的電壓和 U2 疊加在一起對 C2 充電,使 C2 上電壓接近 2.8U2 ,是 C1 上電壓的 2 倍,所以叫倍壓整流電路。
三、濾波電路
整流後得到的是脈動直流電,如果加上濾波電路濾除脈動直流電中的交流成分,就可得到平滑的直流電。
(1)電容濾波
把電容器和負載並聯,如下圖(a),正半周時電容被充電,負半周時電容放電,就可使負載上得到平滑的直流電。

(2)電感濾波
把電感和負載串聯起來,如上圖(b),也能濾除脈動電流中的交流成分。
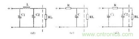
(3) L 、 C 濾波
用 1 個電感和 1 個電容組成的濾波電路因為象一個倒寫的字母“ L ”,被稱為 L 型,見上圖(c)。用 1 個電感和 2 個電容的濾波電路因為象字母“ π ”,被稱為 π 型,見上圖(d),這是濾波效果較好的電路。
(4) RC 濾波
電感器的成本高、體積大,所以在電流不太大的電子電路中常用電阻器取代電感器而組成 RC 濾波電路。同樣,它也有 L 型,見上圖(e); π 型,見上圖(f)。
特別推薦
- 噪聲中提取真值!瑞盟科技推出MSA2240電流檢測芯片賦能多元高端測量場景
- 10MHz高頻運行!氮矽科技發布集成驅動GaN芯片,助力電源能效再攀新高
- 失真度僅0.002%!力芯微推出超低內阻、超低失真4PST模擬開關
- 一“芯”雙電!聖邦微電子發布雙輸出電源芯片,簡化AFE與音頻設計
- 一機適配萬端:金升陽推出1200W可編程電源,賦能高端裝備製造
技術文章更多>>
- 築基AI4S:摩爾線程全功能GPU加速中國生命科學自主生態
- 一秒檢測,成本降至萬分之一,光引科技把幾十萬的台式光譜儀“搬”到了手腕上
- AI服務器電源機櫃Power Rack HVDC MW級測試方案
- 突破工藝邊界,奎芯科技LPDDR5X IP矽驗證通過,速率達9600Mbps
- 通過直接、準確、自動測量超低範圍的氯殘留來推動反滲透膜保護
技術白皮書下載更多>>
- 車規與基於V2X的車輛協同主動避撞技術展望
- 數字隔離助力新能源汽車安全隔離的新挑戰
- 汽車模塊拋負載的解決方案
- 車用連接器的安全創新應用
- Melexis Actuators Business Unit
- Position / Current Sensors - Triaxis Hall
熱門搜索
微波功率管
微波開關
微波連接器
微波器件
微波三極管
微波振蕩器
微電機
微調電容
微動開關
微蜂窩
位置傳感器
溫度保險絲
溫度傳感器
溫控開關
溫控可控矽
聞泰
穩壓電源
穩壓二極管
穩壓管
無焊端子
無線充電
無線監控
無源濾波器
五金工具
物聯網
顯示模塊
顯微鏡結構
線圈
線繞電位器
線繞電阻




