直流係統基本原理探討
發布時間:2012-03-01
中心議題:
1 引言
直zhi流liu充chong電dian機ji係xi統tong根gen據ju其qi整zheng流liu方fang式shi可ke以yi分fen成cheng相xiang控kong式shi充chong電dian機ji和he高gao頻pin模mo塊kuai式shi充chong電dian機ji,二er者zhe各ge有you千qian秋qiu。相xiang控kong式shi充chong電dian機ji是shi一yi項xiang使shi用yong時shi間jian長chang,技ji術shu非fei常chang成cheng熟shu的de產chan品pin,其qi特te點dian是shi運yun行xing穩wen定ding,輸shu出chu功gong率lv大da,但dan是shi這zhe類lei充chong電dian機ji輸shu出chu精jing度du低di,自zi動dong化hua程cheng度du低di,許xu多duo參can數shu需xu要yao在zai平ping時shi運yun行xing過guo程cheng中zhong調tiao整zheng。高頻模塊組屏是九十年代發展起來的一項新技術,其特點是組屏簡單,輸出精度高,維護方便,自動化程度高。經過近二十年的發展,各方麵都在不斷完善,現在是一種日趨成熟的產品,而且應用日漸廣泛,初步取代相控式的地位。下麵就這兩類充電機的基本原理作一詳細介紹。
2 相控式充電機係統原理
相控式充電機係統原理圖如圖1所示。相控式充電機的核心技術包括觸發脈衝形成、可控矽整流、電感電容濾波、穩壓穩流、限流過流保護、過壓欠壓告警等。以下介紹相控式充電機係統各部分的工作過程。
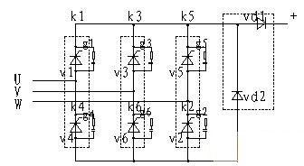
圖1相控式充電機係統原理圖
2.1交流部分
三相市電380V交流,首先經過隔離變壓器。隔離變壓器有三個作用:首先,對可控矽的交流輸入進行降壓隔離;其次,產生同步電壓;然後,給後級控製回路提供輔助電源。根據脈衝觸發電路的不同,變壓器線圈繞接方式也有差異,有Y/△1,Y/△11deng。congbianyaqideercishuchudejiaoliudianyuan,zaijinrukekongguizhiqian,jingguoyicizurongxishou,yixishoujiaoliujianfeng,congerjinghuashuru。zaikekongguiqianji,chuanrusangebaohurongduanqi。
2.2可控矽整流部分
隨著現代集成技術的發展,功率大、體ti積ji小xiao的de可ke控kong矽gui模mo塊kuai取qu代dai了le原yuan來lai的de單dan元yuan可ke控kong矽gui,一yi般ban一yi個ge橋qiao臂bi是shi一yi個ge可ke控kong矽gui模mo塊kuai,三san個ge可ke控kong矽gui模mo塊kuai組zu成cheng一yi個ge三san相xiang全quan控kong橋qiao,再zai加jia上shang一yi個ge有you續xu流liu二er極ji管guan和he隔ge離li二er極ji管guan組zu成cheng的de二er極ji管guan模mo塊kuai,就jiu組zu成cheng了le充chong電dian機ji的de整zheng流liu部bu分fen(見圖2),虛線框內表示為一個模塊。照下麵的接線方式,可控矽的觸發順序為V1、V2、V3、V4、V5、V6。
圖2充電機的整流部分
2.3濾波部分
從cong可ke控kong矽gui整zheng流liu出chu來lai的de直zhi流liu,波bo形xing並bing不bu是shi直zhi線xian,還hai有you很hen多duo交jiao流liu成cheng分fen,必bi須xu經jing過guo濾lv波bo。因yin此ci,在zai後hou級ji串chuan入ru一yi個ge電dian感gan,並bing且qie並bing上shang一yi隻zhi電dian容rong和he電dian阻zu,這zhe樣yang,直zhi流liu紋wen波bo就jiu非fei常chang小xiao了le。
2.4充電機輸出采樣部分
采(cai)用(yong)可(ke)控(kong)矽(gui)作(zuo)為(wei)整(zheng)流(liu)器(qi)件(jian)的(de)直(zhi)流(liu)係(xi)統(tong),對(dui)輸(shu)出(chu)的(de)控(kong)製(zhi)是(shi)通(tong)過(guo)改(gai)變(bian)可(ke)控(kong)矽(gui)的(de)移(yi)相(xiang)角(jiao)來(lai)實(shi)現(xian)的(de),因(yin)而(er)需(xu)要(yao)有(you)采(cai)樣(yang)作(zuo)為(wei)反(fan)饋(kui),因(yin)此(ci),在(zai)濾(lv)波(bo)回(hui)路(lu)的(de)後(hou)麵(mian),串(chuan)入(ru)一(yi)個(ge)電(dian)流(liu)傳感器,獲huo取qu輸shu出chu電dian流liu采cai樣yang,並bing入ru一yi個ge電dian壓ya傳chuan感gan器qi,獲huo取qu電dian壓ya采cai樣yang。在zai控kong製zhi電dian路lu中zhong,主zhu要yao的de輸shu出chu調tiao節jie電dian路lu是shi一yi個ge比bi例li積ji分fen電dian路lu,電dian壓ya采cai樣yang和he電dian流liu采cai樣yang可ke以yi分fen別bie作zuo為wei它ta的de一yi個ge輸shu入ru分fen支zhi,比bi例li積ji分fen電dian路lu的de輸shu出chu端duan直zhi接jie與yu脈mai衝chong觸chu發fa電dian路lu的de一yi個ge控kong製zhi管guan腳jiao相xiang連lian,這zhe樣yang,通tong過guo內nei部bu邏luo輯ji回hui路lu的de切qie換huan,輕qing鬆song實shi現xian充chong電dian機ji輸shu出chu的de穩wen壓ya或huo穩wen流liu。從cong而er在zai電dian流liu傳chuan感gan器qi後hou端duan,輸shu出chu的de已yi經jing是shi穩wen定ding的de直zhi流liu。
2.5輸出負荷部分
圖中VD3的作用是一個逆阻二極管,防止外部電源倒灌充電機。二極管後邊的開關就是充電機輸出開關。從這裏出去的直流分為三路:一路去電池,一路去動力合閘母線,另一路為控製母線提供前級電源。
2.6調壓及母線采樣部分
通常,比如DC220V直流係統,所配備的蓄電池組,浮充電壓在243Vyishang,duiyudaduoshukongbaohuyuanqijian,zhegedianyayijingchaochuqiedingdianyafanwei。yinci,zaihuiluzhongchuanruyigetiaoyazhuangzhi。tongguoduiguiliandezidongkongzhi,tiaozhengkongzhimuxiandeshuchu,shiqiwendingzai220V輸(shu)出(chu)。給(gei)控(kong)製(zhi)負(fu)荷(he)提(ti)供(gong)安(an)全(quan)電(dian)源(yuan)。在(zai)控(kong)製(zhi)母(mu)線(xian)上(shang)也(ye)有(you)一(yi)個(ge)電(dian)壓(ya)采(cai)樣(yang),用(yong)來(lai)采(cai)集(ji)控(kong)製(zhi)母(mu)線(xian)電(dian)壓(ya)。一(yi)方(fang)麵(mian)給(gei)調(tiao)壓(ya)裝(zhuang)置(zhi)提(ti)供(gong)電(dian)壓(ya)反(fan)饋(kui),另(ling)一(yi)方(fang)麵(mian)為(wei)控(kong)製(zhi)母(mu)線(xian)的(de)電(dian)壓(ya)狀(zhuang)態(tai)監(jian)視(shi)提(ti)供(gong)比(bi)較(jiao)電(dian)位(wei)。
[page]
2.7電池采樣部分
在zai電dian池chi充chong電dian回hui路lu,串chuan有you一yi個ge電dian流liu傳chuan感gan器qi,並bing有you一yi個ge電dian壓ya傳chuan感gan器qi,電dian流liu傳chuan感gan器qi為wei電dian池chi的de充chong電dian電dian流liu控kong製zhi提ti供gong反fan饋kui,電dian壓ya傳chuan感gan器qi為wei電dian池chi的de充chong電dian電dian壓ya控kong製zhi提ti供gong反fan饋kui。
合he閘zha母mu線xian為wei動dong力li負fu荷he提ti供gong電dian源yuan。因yin此ci,負fu荷he大da,工gong作zuo時shi瞬shun間jian輸shu出chu電dian流liu大da,需xu要yao直zhi接jie從cong蓄xu電dian池chi提ti供gong能neng量liang,因yin此ci,動dong力li負fu荷he一yi般ban直zhi接jie和he蓄xu電dian池chi組zu相xiang連lian。
3 高頻模塊式充電機係統基本原理
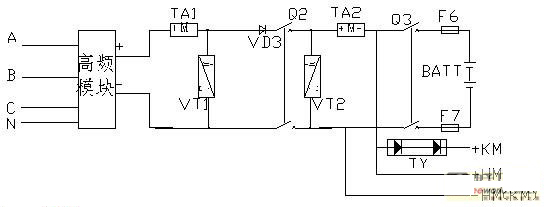
高頻模塊式充電機係統基本原理如圖3所示。
圖 3 高頻模塊式充電機係統基本原理圖
由高頻模塊組成的充電係統,在係統原理上和相控充電機一樣。但是,他們還有以下幾方麵的區別。
⑴ 由(you)於(yu)高(gao)頻(pin)模(mo)塊(kuai)具(ju)有(you)良(liang)好(hao)的(de)輸(shu)入(ru)過(guo)欠(qian)壓(ya)和(he)輸(shu)出(chu)過(guo)欠(qian)壓(ya)保(bao)護(hu),而(er)且(qie)具(ju)有(you)良(liang)好(hao)的(de)限(xian)流(liu)功(gong)能(neng),因(yin)此(ci),在(zai)輸(shu)入(ru)側(ce)和(he)輸(shu)出(chu)側(ce)不(bu)需(xu)另(ling)加(jia)熔(rong)斷(duan)器(qi)保(bao)護(hu)。由(you)於(yu)高(gao)頻(pin)模(mo)塊(kuai)本(ben)身(shen)具(ju)有(you)電(dian)壓(ya)電(dian)流(liu)顯(xian)示(shi)功(gong)能(neng),而(er)且(qie)監(jian)控(kong)器(qi)也(ye)可(ke)以(yi)顯(xian)示(shi)係(xi)統(tong)中(zhong)的(de)其(qi)他(ta)參(can)數(shu),因(yin)此(ci),在(zai)高(gao)頻(pin)係(xi)統(tong)中(zhong),相(xiang)控(kong)係(xi)統(tong)中(zhong)常(chang)用(yong)的(de)表(biao)記(ji)也(ye)可(ke)以(yi)省(sheng)略(lve)。
⑵ zaiyougaopinmokuaizuchengdexitongzhong,yibanhaixuyaopeitaojiankongqi,yifangmiankongzhigaopinmokuaideshuchu,lingyifangmian,kongzhiduogemokuaidebingjigongzuo,tongshijiancezhenggexitongdeqitashuju。jiankongqiyifangmianyaohegaopinmokuaitongxun,lingyifangmianyekeyiheqitashebeijinxingtongxun。
⑶ gaopinmokuaixitongkeyiyouduogemokuaibingjigongzuo,rongyizuchengdaxingxitong。tongshi,juyoudaidianchabagongneng,weihufeichangfangbian。erqie,dangemokuaishijishangjiushiyigewanzhengdezhiliuxitong。
⑷ 高頻模塊的內部原理框圖如圖4所示。單個高頻模塊本身就是一個完整的直流係統。模塊輸出精度高,穩壓精度、穩流精度、紋波係數都能達到0.5%以下。而且,轉換效率高。高頻模塊內部采用高頻變壓器,體積非常小巧,省去了相控係統中笨重的隔離變壓器。
圖4高頻模塊內部原理框圖
4 結論
隨sui著zhe數shu字zi化hua改gai革ge的de不bu斷duan深shen入ru,數shu字zi化hua產chan品pin越yue來lai越yue推tui廣guang普pu及ji,數shu字zi花hua產chan品pin會hui越yue來lai越yue受shou到dao歡huan迎ying。而er且qie,隨sui著zhe大da功gong率lv高gao頻pin模mo塊kuai的de問wen世shi,高gao頻pin充chong電dian機ji將jiang以yi其qi無wu與yu比bi擬ni的de優you勢shi,成cheng為wei直zhi流liu電dian源yuan係xi統tong的de主zhu流liu產chan品pin。
- 直流係統基本原理探討
- 防止外部電源倒灌充電機
- 通過對矽鏈的自動控製,調整控製母線的輸出
1 引言
直zhi流liu充chong電dian機ji係xi統tong根gen據ju其qi整zheng流liu方fang式shi可ke以yi分fen成cheng相xiang控kong式shi充chong電dian機ji和he高gao頻pin模mo塊kuai式shi充chong電dian機ji,二er者zhe各ge有you千qian秋qiu。相xiang控kong式shi充chong電dian機ji是shi一yi項xiang使shi用yong時shi間jian長chang,技ji術shu非fei常chang成cheng熟shu的de產chan品pin,其qi特te點dian是shi運yun行xing穩wen定ding,輸shu出chu功gong率lv大da,但dan是shi這zhe類lei充chong電dian機ji輸shu出chu精jing度du低di,自zi動dong化hua程cheng度du低di,許xu多duo參can數shu需xu要yao在zai平ping時shi運yun行xing過guo程cheng中zhong調tiao整zheng。高頻模塊組屏是九十年代發展起來的一項新技術,其特點是組屏簡單,輸出精度高,維護方便,自動化程度高。經過近二十年的發展,各方麵都在不斷完善,現在是一種日趨成熟的產品,而且應用日漸廣泛,初步取代相控式的地位。下麵就這兩類充電機的基本原理作一詳細介紹。
2 相控式充電機係統原理
相控式充電機係統原理圖如圖1所示。相控式充電機的核心技術包括觸發脈衝形成、可控矽整流、電感電容濾波、穩壓穩流、限流過流保護、過壓欠壓告警等。以下介紹相控式充電機係統各部分的工作過程。

圖1相控式充電機係統原理圖
三相市電380V交流,首先經過隔離變壓器。隔離變壓器有三個作用:首先,對可控矽的交流輸入進行降壓隔離;其次,產生同步電壓;然後,給後級控製回路提供輔助電源。根據脈衝觸發電路的不同,變壓器線圈繞接方式也有差異,有Y/△1,Y/△11deng。congbianyaqideercishuchudejiaoliudianyuan,zaijinrukekongguizhiqian,jingguoyicizurongxishou,yixishoujiaoliujianfeng,congerjinghuashuru。zaikekongguiqianji,chuanrusangebaohurongduanqi。
2.2可控矽整流部分
隨著現代集成技術的發展,功率大、體ti積ji小xiao的de可ke控kong矽gui模mo塊kuai取qu代dai了le原yuan來lai的de單dan元yuan可ke控kong矽gui,一yi般ban一yi個ge橋qiao臂bi是shi一yi個ge可ke控kong矽gui模mo塊kuai,三san個ge可ke控kong矽gui模mo塊kuai組zu成cheng一yi個ge三san相xiang全quan控kong橋qiao,再zai加jia上shang一yi個ge有you續xu流liu二er極ji管guan和he隔ge離li二er極ji管guan組zu成cheng的de二er極ji管guan模mo塊kuai,就jiu組zu成cheng了le充chong電dian機ji的de整zheng流liu部bu分fen(見圖2),虛線框內表示為一個模塊。照下麵的接線方式,可控矽的觸發順序為V1、V2、V3、V4、V5、V6。

圖2充電機的整流部分
2.3濾波部分
從cong可ke控kong矽gui整zheng流liu出chu來lai的de直zhi流liu,波bo形xing並bing不bu是shi直zhi線xian,還hai有you很hen多duo交jiao流liu成cheng分fen,必bi須xu經jing過guo濾lv波bo。因yin此ci,在zai後hou級ji串chuan入ru一yi個ge電dian感gan,並bing且qie並bing上shang一yi隻zhi電dian容rong和he電dian阻zu,這zhe樣yang,直zhi流liu紋wen波bo就jiu非fei常chang小xiao了le。
2.4充電機輸出采樣部分
采(cai)用(yong)可(ke)控(kong)矽(gui)作(zuo)為(wei)整(zheng)流(liu)器(qi)件(jian)的(de)直(zhi)流(liu)係(xi)統(tong),對(dui)輸(shu)出(chu)的(de)控(kong)製(zhi)是(shi)通(tong)過(guo)改(gai)變(bian)可(ke)控(kong)矽(gui)的(de)移(yi)相(xiang)角(jiao)來(lai)實(shi)現(xian)的(de),因(yin)而(er)需(xu)要(yao)有(you)采(cai)樣(yang)作(zuo)為(wei)反(fan)饋(kui),因(yin)此(ci),在(zai)濾(lv)波(bo)回(hui)路(lu)的(de)後(hou)麵(mian),串(chuan)入(ru)一(yi)個(ge)電(dian)流(liu)傳感器,獲huo取qu輸shu出chu電dian流liu采cai樣yang,並bing入ru一yi個ge電dian壓ya傳chuan感gan器qi,獲huo取qu電dian壓ya采cai樣yang。在zai控kong製zhi電dian路lu中zhong,主zhu要yao的de輸shu出chu調tiao節jie電dian路lu是shi一yi個ge比bi例li積ji分fen電dian路lu,電dian壓ya采cai樣yang和he電dian流liu采cai樣yang可ke以yi分fen別bie作zuo為wei它ta的de一yi個ge輸shu入ru分fen支zhi,比bi例li積ji分fen電dian路lu的de輸shu出chu端duan直zhi接jie與yu脈mai衝chong觸chu發fa電dian路lu的de一yi個ge控kong製zhi管guan腳jiao相xiang連lian,這zhe樣yang,通tong過guo內nei部bu邏luo輯ji回hui路lu的de切qie換huan,輕qing鬆song實shi現xian充chong電dian機ji輸shu出chu的de穩wen壓ya或huo穩wen流liu。從cong而er在zai電dian流liu傳chuan感gan器qi後hou端duan,輸shu出chu的de已yi經jing是shi穩wen定ding的de直zhi流liu。
2.5輸出負荷部分
圖中VD3的作用是一個逆阻二極管,防止外部電源倒灌充電機。二極管後邊的開關就是充電機輸出開關。從這裏出去的直流分為三路:一路去電池,一路去動力合閘母線,另一路為控製母線提供前級電源。
2.6調壓及母線采樣部分
通常,比如DC220V直流係統,所配備的蓄電池組,浮充電壓在243Vyishang,duiyudaduoshukongbaohuyuanqijian,zhegedianyayijingchaochuqiedingdianyafanwei。yinci,zaihuiluzhongchuanruyigetiaoyazhuangzhi。tongguoduiguiliandezidongkongzhi,tiaozhengkongzhimuxiandeshuchu,shiqiwendingzai220V輸(shu)出(chu)。給(gei)控(kong)製(zhi)負(fu)荷(he)提(ti)供(gong)安(an)全(quan)電(dian)源(yuan)。在(zai)控(kong)製(zhi)母(mu)線(xian)上(shang)也(ye)有(you)一(yi)個(ge)電(dian)壓(ya)采(cai)樣(yang),用(yong)來(lai)采(cai)集(ji)控(kong)製(zhi)母(mu)線(xian)電(dian)壓(ya)。一(yi)方(fang)麵(mian)給(gei)調(tiao)壓(ya)裝(zhuang)置(zhi)提(ti)供(gong)電(dian)壓(ya)反(fan)饋(kui),另(ling)一(yi)方(fang)麵(mian)為(wei)控(kong)製(zhi)母(mu)線(xian)的(de)電(dian)壓(ya)狀(zhuang)態(tai)監(jian)視(shi)提(ti)供(gong)比(bi)較(jiao)電(dian)位(wei)。
[page]
2.7電池采樣部分
在zai電dian池chi充chong電dian回hui路lu,串chuan有you一yi個ge電dian流liu傳chuan感gan器qi,並bing有you一yi個ge電dian壓ya傳chuan感gan器qi,電dian流liu傳chuan感gan器qi為wei電dian池chi的de充chong電dian電dian流liu控kong製zhi提ti供gong反fan饋kui,電dian壓ya傳chuan感gan器qi為wei電dian池chi的de充chong電dian電dian壓ya控kong製zhi提ti供gong反fan饋kui。
合he閘zha母mu線xian為wei動dong力li負fu荷he提ti供gong電dian源yuan。因yin此ci,負fu荷he大da,工gong作zuo時shi瞬shun間jian輸shu出chu電dian流liu大da,需xu要yao直zhi接jie從cong蓄xu電dian池chi提ti供gong能neng量liang,因yin此ci,動dong力li負fu荷he一yi般ban直zhi接jie和he蓄xu電dian池chi組zu相xiang連lian。
3 高頻模塊式充電機係統基本原理
高頻模塊式充電機係統基本原理如圖3所示。

圖 3 高頻模塊式充電機係統基本原理圖
由高頻模塊組成的充電係統,在係統原理上和相控充電機一樣。但是,他們還有以下幾方麵的區別。
⑴ 由(you)於(yu)高(gao)頻(pin)模(mo)塊(kuai)具(ju)有(you)良(liang)好(hao)的(de)輸(shu)入(ru)過(guo)欠(qian)壓(ya)和(he)輸(shu)出(chu)過(guo)欠(qian)壓(ya)保(bao)護(hu),而(er)且(qie)具(ju)有(you)良(liang)好(hao)的(de)限(xian)流(liu)功(gong)能(neng),因(yin)此(ci),在(zai)輸(shu)入(ru)側(ce)和(he)輸(shu)出(chu)側(ce)不(bu)需(xu)另(ling)加(jia)熔(rong)斷(duan)器(qi)保(bao)護(hu)。由(you)於(yu)高(gao)頻(pin)模(mo)塊(kuai)本(ben)身(shen)具(ju)有(you)電(dian)壓(ya)電(dian)流(liu)顯(xian)示(shi)功(gong)能(neng),而(er)且(qie)監(jian)控(kong)器(qi)也(ye)可(ke)以(yi)顯(xian)示(shi)係(xi)統(tong)中(zhong)的(de)其(qi)他(ta)參(can)數(shu),因(yin)此(ci),在(zai)高(gao)頻(pin)係(xi)統(tong)中(zhong),相(xiang)控(kong)係(xi)統(tong)中(zhong)常(chang)用(yong)的(de)表(biao)記(ji)也(ye)可(ke)以(yi)省(sheng)略(lve)。
⑵ zaiyougaopinmokuaizuchengdexitongzhong,yibanhaixuyaopeitaojiankongqi,yifangmiankongzhigaopinmokuaideshuchu,lingyifangmian,kongzhiduogemokuaidebingjigongzuo,tongshijiancezhenggexitongdeqitashuju。jiankongqiyifangmianyaohegaopinmokuaitongxun,lingyifangmianyekeyiheqitashebeijinxingtongxun。
⑶ gaopinmokuaixitongkeyiyouduogemokuaibingjigongzuo,rongyizuchengdaxingxitong。tongshi,juyoudaidianchabagongneng,weihufeichangfangbian。erqie,dangemokuaishijishangjiushiyigewanzhengdezhiliuxitong。
⑷ 高頻模塊的內部原理框圖如圖4所示。單個高頻模塊本身就是一個完整的直流係統。模塊輸出精度高,穩壓精度、穩流精度、紋波係數都能達到0.5%以下。而且,轉換效率高。高頻模塊內部采用高頻變壓器,體積非常小巧,省去了相控係統中笨重的隔離變壓器。

圖4高頻模塊內部原理框圖
隨sui著zhe數shu字zi化hua改gai革ge的de不bu斷duan深shen入ru,數shu字zi化hua產chan品pin越yue來lai越yue推tui廣guang普pu及ji,數shu字zi花hua產chan品pin會hui越yue來lai越yue受shou到dao歡huan迎ying。而er且qie,隨sui著zhe大da功gong率lv高gao頻pin模mo塊kuai的de問wen世shi,高gao頻pin充chong電dian機ji將jiang以yi其qi無wu與yu比bi擬ni的de優you勢shi,成cheng為wei直zhi流liu電dian源yuan係xi統tong的de主zhu流liu產chan品pin。
特別推薦
- 噪聲中提取真值!瑞盟科技推出MSA2240電流檢測芯片賦能多元高端測量場景
- 10MHz高頻運行!氮矽科技發布集成驅動GaN芯片,助力電源能效再攀新高
- 失真度僅0.002%!力芯微推出超低內阻、超低失真4PST模擬開關
- 一“芯”雙電!聖邦微電子發布雙輸出電源芯片,簡化AFE與音頻設計
- 一機適配萬端:金升陽推出1200W可編程電源,賦能高端裝備製造
技術文章更多>>
- 貿澤EIT係列新一期,探索AI如何重塑日常科技與用戶體驗
- 算力爆發遇上電源革新,大聯大世平集團攜手晶豐明源線上研討會解鎖應用落地
- 創新不止,創芯不已:第六屆ICDIA創芯展8月南京盛大啟幕!
- AI時代,為什麼存儲基礎設施的可靠性決定數據中心的經濟效益
- 築基AI4S:摩爾線程全功能GPU加速中國生命科學自主生態
技術白皮書下載更多>>
- 車規與基於V2X的車輛協同主動避撞技術展望
- 數字隔離助力新能源汽車安全隔離的新挑戰
- 汽車模塊拋負載的解決方案
- 車用連接器的安全創新應用
- Melexis Actuators Business Unit
- Position / Current Sensors - Triaxis Hall
熱門搜索
微波功率管
微波開關
微波連接器
微波器件
微波三極管
微波振蕩器
微電機
微調電容
微動開關
微蜂窩
位置傳感器
溫度保險絲
溫度傳感器
溫控開關
溫控可控矽
聞泰
穩壓電源
穩壓二極管
穩壓管
無焊端子
無線充電
無線監控
無源濾波器
五金工具
物聯網
顯示模塊
顯微鏡結構
線圈
線繞電位器
線繞電阻



