基於PT4115的大功率LED恒流驅動的設計方案
發布時間:2011-12-22
中心議題:
- 大功率LED恒流驅動設計方案
- LED工作特性
- LED 常用驅動技術比較研究
解決方案:
- 基於PT4115 的恒流驅動設計
本文對LED 常用驅動技術進行了比較研究,得出大功率LED 采用恒流驅動的合理性。並對采用PT4115 的大功率LED 恒流驅動的設計原理進行了詳細的介紹。該恒流驅動具有驅動原理簡單、成本低、恒流效果好等優點。並且,該恒流源相對於其也恒流源具有輸入電壓範圍寬泛、效率高的優點。對大功率LED 在太陽能行業上的應用具有很好的工程實用價值。
0 引言
光guang伏fu發fa電dian行xing業ye作zuo為wei一yi種zhong新xin興xing行xing業ye,其qi發fa展zhan具ju有you突tu飛fei猛meng進jin的de趨qu勢shi。光guang伏fu照zhao明ming是shi光guang伏fu產chan業ye中zhong的de支zhi柱zhu產chan業ye。由you於yu光guang伏fu電dian池chi所suo發fa出chu來lai的de電dian如ru果guo不bu經jing過guo一yi次ci變bian換huan的de話hua是shi直zhi流liu電dian,因yin此ci,LED 光源作為一種直流電光源,尤其適合光伏照明產業。但是,LED 的高效節能的優點要想保證的話,其驅動具有尤為重要的作用。本文對大功率LED 和小功率LED 適合的驅動進行了比較研究。並且提出一種基於PT4115 的高效率的大功率LED 恒流驅動解決方案。該種驅動電路簡單、高效、成本低,適合當今太陽能產品的市場化發展。
1 LED 工作特性
LED 具有對電壓敏感的特性,當LED 兩端電壓超過其導通電壓後。可近似的認為其正向電壓VF和正向電流IF 成比例關係。因此,電壓的變化會引起電流的變化。

圖1 LED 的VF 和IF 特性曲線線
從圖1 可以看出電壓的微小變化會引起電流的極大變化。由此,可以得出對於LED 應該采用恒流驅動,防止流過LED 電流的極大波動,影響LED 的使用壽命。因此,不管是交流恒流驅動還是直流恒流驅動,其輸出端LED 兩端電壓的峰峰值最好控製電流在幾十毫安。
2 LED 常用驅動技術比較研究
2. 1 電阻鎮流驅動

圖2 采用鎮流電阻驅動的原理圖
[page]
從圖2 中可見,采用電阻鎮流的驅動方式就是在LED 燈串上串聯上鎮流電阻。通過鎮流電阻降低在LED 燈串上的電壓,防止LED 過(guo)壓(ya)被(bei)擊(ji)穿(chuan)。鎮(zhen)流(liu)電(dian)阻(zu)的(de)驅(qu)動(dong)方(fang)式(shi)實(shi)際(ji)上(shang)就(jiu)是(shi)通(tong)常(chang)所(suo)說(shuo)的(de)恒(heng)壓(ya)驅(qu)動(dong)方(fang)式(shi)。該(gai)種(zhong)驅(qu)動(dong)方(fang)式(shi)雖(sui)然(ran)簡(jian)單(dan),但(dan)是(shi)在(zai)鎮(zhen)流(liu)電(dian)阻(zu)上(shang)會(hui)有(you)損(sun)耗(hao),並(bing)且(qie),損(sun)耗(hao)會(hui)隨(sui)輸(shu)入(ru)電(dian)壓(ya)的(de)增(zeng)大(da)而(er)增(zeng)大(da)。因(yin)此(ci),該(gai)種(zhong)技(ji)術(shu)作(zuo)為(wei)最(zui)早(zao)的(de)驅(qu)動(dong)技(ji)術(shu),已(yi)經(jing)隨(sui)著(zhe)技(ji)術(shu)的(de)發(fa)展(zhan),逐(zhu)漸(jian)被(bei)取(qu)代(dai)。
2. 2 PWM恒壓驅動方式
眾所周之,PWM驅動方式本身具有驅動效率高的優點。因此,采用PWM 恒壓驅動方式具有效率高,驅動電路簡單的優勢。但是,鎮流電阻這種恒驅動方式,已經不適合當今光伏照明的簡潔、高效的趨勢。因此,PWM恒壓IC 隨之出現。

圖3 恒壓驅動原理
對於采用恒壓驅動(見圖3) ,因輸出到LED 負載兩端的壓降不變,如果其中一路的某顆LED 發生短路故障,則這個輸出的恒壓壓降將全部降在其它LED 兩端,則剩餘的每顆LED 承受的電壓可能超過電壓額定值,而將其燒毀。
LED 因其VF 值特性原因做不到相同,隨著溫度及電流大小也有些VF 值也會發生變化,一般不適合並聯設計。但是有些情況又不得不並聯解決多顆LED 驅動成本問題,就像小功率LED 如果每一路采用一個恒流源會大大增加驅動成本,因此,就必須采用多組LED 燈串並聯,而采用恒壓驅動的方式進行驅動。
因此, 即使采用恒壓驅動的方式, 也要選擇PWM恒壓驅動IC ,提高驅動效率。
迫於小功率LED 要想實現和大功率相同的照度,所需數量大,如果每路驅動使用一個恒流驅動,將大大增加驅動成本,鑒於此問題,小功率LED 適合采用恒壓驅動方式。
2. 3 恒流驅動技術
對於恒流驅動實際上很大程度上是結合PWM恒壓驅動高效率的特點,對其進行改造以最簡單的方法實現恒流。
對於PWM恒壓IC 內置一個基準電壓,通過采樣反饋端FB 端電壓和內置電壓比較,以控製PWM輸出占空比,以實現恒壓驅動。
要(yao)進(jin)行(xing)恒(heng)流(liu)控(kong)製(zhi)就(jiu)要(yao)在(zai)斬(zhan)波(bo)輸(shu)出(chu)端(duan)串(chuan)聯(lian)一(yi)個(ge)小(xiao)電(dian)阻(zu),采(cai)樣(yang)其(qi)對(dui)地(di)電(dian)壓(ya),然(ran)後(hou)對(dui)其(qi)進(jin)行(xing)放(fang)大(da)並(bing)反(fan)饋(kui)到(dao)恒(heng)壓(ya)控(kong)製(zhi)端(duan),以(yi)進(jin)行(xing)恒(heng)流(liu)控(kong)製(zhi)。由(you)於(yu)采(cai)樣(yang)電(dian)阻(zu)串(chuan)聯(lian)在(zai)輸(shu)出(chu)回(hui)路(lu)裏(li),要(yao)降(jiang)低(di)落(luo)在(zai)電(dian)阻(zu)上(shang)的(de)功(gong)耗(hao),就(jiu)要(yao)盡(jin)量(liang)減(jian)小(xiao)電(dian)阻(zu)的(de)阻(zu)值(zhi),通(tong)常(chang)選(xuan)0. 1 Ω電阻。
采用恒流驅動,必須每一路LED 燈串有一個恒流源驅動。當燈串中單顆LED 發生短路故障時,由於輸出電流不變,因此,並不影響其它LED 的光效,采用恒流驅動能大大提高LED 的使用壽命。
3 基於PT4115 的恒流驅動技術
3. 1 PT4115 芯片簡介
1) 極少的外部原件
2) 很寬的電壓輸入範圍:從8 V 到30 V
3) 最大輸出1. 2 A 電流
4) 複用DIM 引腳進行LED 開關、模擬調光、PWM調光
5) 5 %的輸出電流精度
6) LED 開路保護
7) 高達97 %的效率
8) 輸出可調的恒流控製方法
9) 內部含有抖頻特性,極大的改善EMI
3. 2 典型應用電路

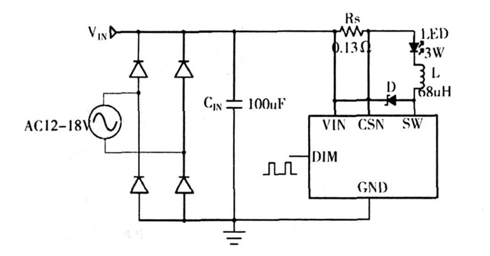
圖4 PT4114 典型應用電路
對於PT4115 (見圖4) 即可以應用於12~18 V 的交流,也可應用在8 V~30 V 的直流。因此,應用範圍更加廣泛。並且,驅動電路簡單,所需元器件均價格低廉。適合批量、市場化。
[page]
3. 3 PT4115 恒流原理
保持采樣端(CSN) 輸入電壓值為IC 內部設定值相對於VIN 電壓值不變即可實現恒流。因為:
![]()
式中:ILED ---流過L ED 的電流;VCSN ---電壓檢測端電壓;RS ---電流采樣電阻。
從式(1) 可見,隻要保證采樣端電壓相對於輸入端電壓不變,就能使流過LED 的電流恒定。
3. 4 PT4115 調光措施
PT4115 采用PWM 調光措施,當DIM 引腳電壓低於0. 3 V 時關斷LED 電流,高於2. 5 V 時開啟LED 電流。
PWM調光措施相對於傳統的線性調光,不影響LED 的光效。PWM 調光的基本原理是保持LED 正向導通電流恒定,而通過控製電流導通和關斷的時間比例,即控製每個周期電流導通的時間。PWM 調光的優勢是LED 正向導通的電流一直是恒定的,LED的色度就不會像模擬調光一樣會變化。PWM調光可以在精確控製LED 的亮度的同時,也保證LED 發光的色度。
線性調光是通過改變流過LED 的電流來調整光效的,流過LED 的電流的變化必然會影響LED 的色度。
因此,PWM調光相對傳統的線性調光具有很大的進步。
3. 5 PT4115 頻抖改善EMI 的原理
頻率抖動技術(Frequency Jitter) 是一種從分散諧波幹擾能量著手解決EMI 問題的新方法。頻率抖動技術是指開關電源的工作頻率並非固定不變,而是周期性地由窄帶變為寬帶的方式來降低EMI ,來減小電磁幹擾的方法。
頻率抖動技術通過擴展電源噪聲頻譜的方式降低了窄帶EMI.對於可以抖動多少的振蕩器頻(fs) ,存cun在zai一yi些xie局ju限xian性xing。其qi中zhong一yi些xie局ju限xian因yin素su是shi開kai關guan損sun耗hao和he磁ci路lu設she計ji。為wei了le將jiang升sheng壓ya電dian感gan盡jin可ke能neng的de保bao持chi較jiao小xiao,並bing將jiang開kai關guan損sun耗hao保bao持chi在zai可ke控kong範fan圍wei內nei,頻pin率lv抖dou動dong應ying不bu超chao過guo基ji本ben頻pin率lv的de20 %至30 %.
3. 6 PT4115 的動態溫度調節和過溫保護
對於PT4115 具有動態溫度調節的功能,並且,可以在此功能的基礎上實現過溫保護。
3. 6. 1 動態溫度調節。

圖5 動態溫度調節原理圖
從圖5 中可見,DIM 端內部是一個1MΩ 的上拉電阻,連接到內部5V 電源上。DIM 端電壓由內部上拉電阻和熱敏電阻NTC 分壓決定。從熱敏電阻的特性可以知道,溫度的變化會影響NTC 的阻值,進而影響DIM端電壓,以實現PT4115 的動態溫度調節。
[page]
3. 6. 2 過溫保護的實現。
從圖6 中可見,相對於圖5 多了一個三極管,當溫度升高時,NTC 電阻的阻值減小,其上的分壓也減小,則相應的其下麵電阻上的分壓升高,當超過三極管的開通電壓時, 三極管導通,DIM 端接地, 關斷LED電流, 當溫度降低時, IC 重啟, 因此, 實現了PT4115 的過溫保護。

圖6 過溫保護的實現原理圖
3. 7 PT4115 工程應用中的經驗
1) 電感越大,工作頻率越低,恒流效果越好;
2) 輸出電流越大,需要電感值越小,電感選擇方便;
3) 通常電感越大,功率開關的開關損耗越小,但相應的電感的損耗會增大;
4) PT4115 內部自帶過溫保護功能,外部過溫保護可設,對LED 實現雙重保護;
5) PCB 布線要盡可能的將銅箔與PT4115 的Ex2posed PAD 和GND 的接觸麵積增大,以利散熱;
6) 交流12V 整流管和續流二極管一定要選用低壓降的肖特基二極管,以降低自身功耗;
7) 電感選取時,其飽和電流要求為輸出電流的1. 5 倍。
4 實驗結果
4. 1 效率測定
采用實驗室精密儀表,對PT4115 的輸出效率進行了測量,現以輸出為3 顆LED 串聯負載為例,其結果見表1.

表1 不同輸入電壓下,輸出效率測定
從表1 可見, PT4115 的整體供電效率維持在91 %以上,相對於當前市場上的恒流源,是一款效率高的產品。並且,單路可以實現驅動最多7 顆1W的LED 串聯。由於,外圍電路簡單, IC 封裝體積小,可以將恒流驅動和LED 負載整合在一塊鋁基板上,實現驅動、散熱一體化的模組方案。
4. 2 實驗波形
通過示波器采樣肖特基二極管兩端的波形,同樣以3 顆LED 負載為例進行采樣。

圖7 輸入電壓12 V 負載為3 顆LED 串聯時的波形
從波形圖7 與可見斬波波形沒有毛刺,因此,諧波含量比較低,恒流驅動損耗小。
5 小結
本文通過對各種常用驅動技術進行比較,得出大功率LED 應采用恒流驅動的結論。並且,詳細介紹了基於PT4115 的大功率LED 恒流驅動的原理、優點、及其電路實現。同時, 也詳細敘述了在采用PT4115 實現恒流驅動過程中的經驗總結。最後對其實驗結果進行了描述,證明了該驅動的合理性、高效性、簡潔性等突出優點。該恒流驅動具有很強的工程實用性。
- 噪聲中提取真值!瑞盟科技推出MSA2240電流檢測芯片賦能多元高端測量場景
- 10MHz高頻運行!氮矽科技發布集成驅動GaN芯片,助力電源能效再攀新高
- 失真度僅0.002%!力芯微推出超低內阻、超低失真4PST模擬開關
- 一“芯”雙電!聖邦微電子發布雙輸出電源芯片,簡化AFE與音頻設計
- 一機適配萬端:金升陽推出1200W可編程電源,賦能高端裝備製造
- 貿澤EIT係列新一期,探索AI如何重塑日常科技與用戶體驗
- 算力爆發遇上電源革新,大聯大世平集團攜手晶豐明源線上研討會解鎖應用落地
- 創新不止,創芯不已:第六屆ICDIA創芯展8月南京盛大啟幕!
- AI時代,為什麼存儲基礎設施的可靠性決定數據中心的經濟效益
- 矽典微ONELAB開發係列:為毫米波算法開發者打造的全棧工具鏈
- 車規與基於V2X的車輛協同主動避撞技術展望
- 數字隔離助力新能源汽車安全隔離的新挑戰
- 汽車模塊拋負載的解決方案
- 車用連接器的安全創新應用
- Melexis Actuators Business Unit
- Position / Current Sensors - Triaxis Hall




