車載單元中智能電源的設計與實現
發布時間:2011-11-11
中心議題:
- ETC係統介紹
- 低功耗智能電源在電子不停車收費係統中應用設計方案
- 智能電源電路設計及器件選擇
gaoxingnenghedigonghaoshidianzixitongfazhandebiranqushi,qianrushixitongdegonghaoyuelaiyueshoudaorenmendeguanzhu,zheyidianduiyudianchigongdiandebianxieshiqianrushixitongyouweimingxian,zaidaduoshuqianrushixitongshejizhong,xingnengdetigaozongshibansuizhexitonggonghaodezengjia,jiejuehaoerzhezhijiandemaodun,tansuodigonghaodedianyuanguanlijishu,tigongqieshikexingdejiejuefangan,jiangshiquanqiuxiangguanxingyegongtongmianlindejiyuhetiaozhan。benwenyidianzibutingcheshoufeixitongweijichu,duixitongzhongchezaidanyuantichuleyizhongyouxiaodezhinengdianyuanguanlijiejuefangan。
1 ETC係統介紹
電子不停車收費(ElectronicTollCollection,ETC)設計成由路邊讀寫設備(Road Side Unit,簡稱RSU)、車載單元(OnBoardUnit,簡稱OBU)、IC卡、計算機安全控管技術、網絡及賬務等幾大部分組成。
其組成由圖1.1 所示:

圖1. 1 ETC係統組成圖
OBU 中存有車輛的識別信息,如車牌號、汽車ID號,一般安裝於車輛前麵的擋風玻璃上,RSU安an裝zhuang於yu收shou費fei站zhan旁pang邊bian,環huan路lu感gan應ying器qi安an裝zhuang於yu車che道dao地di麵mian下xia。中zhong心xin管guan理li係xi統tong有you大da型xing的de數shu據ju庫ku,存cun儲chu大da量liang注zhu冊ce車che輛liang和he用yong戶hu的de信xin息xi。當dang車che輛liang通tong過guo收shou費fei站zhan口kou時shi,環huan路lu感gan應ying器qi感gan知zhi車che輛liang,路lu邊bian單dan元yuan發fa出chu詢xun問wen信xin號hao,車che載zai單dan元yuan做zuo出chu響xiang應ying。並bing進jin行xing雙shuang向xiang通tong信xin和he數shu據ju交jiao換huan,中zhong心xin管guan理li係xi統tong獲huo取qu車che輛liang識shi別bie、車che型xing等deng信xin息xi並bing和he數shu據ju庫ku中zhong相xiang應ying信xin息xi進jin行xing比bi較jiao判pan斷duan,根gen據ju不bu同tong情qing況kuang來lai控kong製zhi管guan理li係xi統tong產chan生sheng不bu同tong的de動dong作zuo。通tong過guo路lu邊bian單dan元yuan與yu車che載zai單dan元yuan進jin行xing相xiang互hu通tong信xin和he信xin息xi交jiao換huan,以yi達da到dao對dui車che輛liang的de自zi動dong識shi別bie,並bing自zi動dong從cong該gai用yong戶hu的de專zhuan用yong帳zhang戶hu中zhong扣kou除chu通tong行xing費fei,從cong而er實shi現xian自zi動dong收shou費fei。
因為OBU在整個ETC 係統中起著非常重要的作用,而電源模塊的性能直接關係著OBU能否正常工作。現有的OBU供電方式一般有兩種,但各有缺憾。據此,新的低功耗電源設計方法應該產生。
2 低功耗智能電源在電子不停車收費係統中應用設計方案
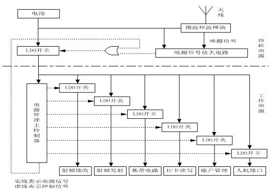
如OBU這zhe種zhong以yi嵌qian入ru式shi處chu理li器qi為wei核he心xin的de係xi統tong,其qi功gong耗hao主zhu要yao由you處chu理li器qi功gong耗hao和he外wai圍wei電dian路lu功gong耗hao組zu成cheng。考kao慮lv實shi際ji的de運yun行xing情qing況kuang,汽qi車che在zai公gong路lu上shang行xing駛shi的de整zheng個ge過guo程cheng中zhong,經jing過guo收shou費fei站zhan的de時shi間jian是shi非fei常chang短duan的de,OBU隻需要在汽車經過收費站時工作,而且工作時間不到一秒鍾,其他絕大部分時間都不需要工作。OBU智能電源管理采用電池供電的方法,控製OBU 工作在兩種模式,睡眠模式和激活模式;當車進入收費站時,OBU被激活,開始工作,處於激活模式;當交易完成,車離開收費站後,OBU馬上停止工作進入睡眠模式。根據這種特點,對電源采用分級管理的策略,即分為待機電源與工作電源,如圖2.1。

圖2. 1 OBU電源管理分級模塊結構圖[page]
同時,為實現進一步的分時供電控製,工作電源模塊又按功能模塊劃分獨立電源回路,各個模塊電源獨立可控,由主控製器統一協調。
激活的MCU,使用中斷編寫方式,對各個I/O 進行判斷後分時控製,輸出各個耗電模塊的DC/DC使能高電平信號,分時為射頻接收、射頻發送、基帶電路、IC卡讀寫、賬戶管理及人機接口供電;在任一時刻,係統除主控製器外最多隻為2 個模塊供電,大大減少了係統的功耗。
3 智能電源電路設計及器件選擇
3.1 放大電路設計
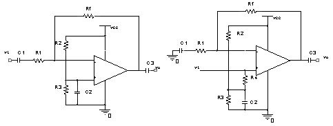
從(cong)檢(jian)波(bo)器(qi)檢(jian)測(ce)出(chu)來(lai)的(de)信(xin)號(hao)是(shi)非(fei)常(chang)微(wei)弱(ruo)的(de),可(ke)能(neng)是(shi)幾(ji)毫(hao)安(an)甚(shen)至(zhi)是(shi)微(wei)安(an)級(ji)的(de),這(zhe)麼(me)小(xiao)的(de)信(xin)號(hao)一(yi)般(ban)是(shi)不(bu)能(neng)滿(man)足(zu)後(hou)級(ji)各(ge)種(zhong)電(dian)路(lu)對(dui)信(xin)號(hao)幅(fu)度(du)的(de)要(yao)求(qiu),所(suo)以(yi)必(bi)須(xu)要(yao)進(jin)行(xing)放(fang)大(da)。運(yun)算(suan)放(fang)大(da)器(qi)的(de)靜(jing)態(tai)電(dian)流(liu)與(yu)帶(dai)寬(kuan)是(shi)成(cheng)正(zheng)比(bi)的(de),帶(dai)寬(kuan)越(yue)大(da),靜(jing)態(tai)電(dian)流(liu)也(ye)越(yue)大(da),這(zhe)一(yi)點(dian)在(zai)各(ge)大(da)半(ban)導(dao)體(ti)生(sheng)產(chan)商(shang)的(de)選(xuan)型(xing)表(biao)中(zhong)可(ke)以(yi)明(ming)顯(xian)的(de)看(kan)出(chu);通過比對,為了設計出增益大、噪聲小、又具有一定帶寬的放大器,本設計選擇TLV2382 最為喚醒信號放大器。

圖3. 1 運算放大器單電源供電電路
3.2 低功耗M C U 軟硬件設計
為了實現低功耗,MCU應該選擇自身能耗低的型號,一款超低功耗MCU,主要從以下幾方麵綜合考慮:係統平均電流、時鍾係統、中斷、片內外設、BOR 保護、管腳漏電流、處理效率。根據這一特點,本設計選擇了美國德州儀器(TI ) 1996 年開始推向市場的一種16 位超低功耗的混合信號處理器(Mixed SignalProcessor) MSP430 係列單片機。
3.3 係統時鍾的設計
對於一個帶有低電壓睡眠喚醒的係統,晶振dexuanzefeichangzhongyao。zheshiyinweidigongdiandianyashitigonggeijingtidejiligonglvjianshao,tebiezaishuimianhuanxingshi,zaochengjingzhenqizhenhenmanhuogenbenjiubunengqizhen,erqidongshijianguochangjianghuimingxiandizengjiaxitongdegonghao。MSP430F2001 設計的係統可以很好地解決這個問題。
低速時鍾選用12kHz 的VLOCLK,高頻由內部集成的DCO振蕩器產生,可以通過調整的控製參數選擇合適的輸出頻率。
3.4 電源供電的設計
本係統采用2 節幹電池作為測試供電,通過電源芯片產生+3.3V的電壓。由於TPS79633 的輸入電壓範圍是2.7~5.5V,使能信號高電平,而且低電平,因而可以直接使用單片機的I/O 管腳作為使能信號。
MCU的工作與否完全由總開關的輸出POW所決定,單片機隻在工作與斷電之間轉換。其他I/O 接口作為控製其餘模塊的輸出,進行分時控製。
3.5 軟件設計
在降低功耗上必須軟硬件結合才能達到理想的效果。軟件設計主要注意以下方麵:
係統采用中斷編寫方式,對各個I/O 進行判斷,分時控製,對每個模塊分時供電,從而降低功耗。其次輸出一個反饋信號,對總開關進行控製,達到斷電的功能。
係統的功耗會隨著係統的頻率升高而增加,在係統開始工作後使用12kHz 的主時鍾可以降低工作時的功耗。
4 結論
嵌qian入ru式shi係xi統tong的de低di功gong耗hao設she計ji是shi嵌qian入ru式shi係xi統tong設she計ji中zhong必bi須xu考kao慮lv的de設she計ji原yuan則ze,一yi個ge成cheng功gong的de低di功gong耗hao設she計ji應ying該gai是shi硬ying件jian設she計ji和he軟ruan件jian設she計ji的de結jie合he,從cong硬ying件jian設she計ji開kai始shi,就jiu應ying該gai充chong分fen意yi識shi到dao一yi個ge低di功gong耗hao應ying用yong的de特te性xing,選xuan擇ze一yi款kuan合he適shiMCU,通過對其特性的了解,設計係統方案;在軟件設計上,要考慮到低功耗編程的特殊性,並盡量使用單片機的低功耗模式。
- 噪聲中提取真值!瑞盟科技推出MSA2240電流檢測芯片賦能多元高端測量場景
- 10MHz高頻運行!氮矽科技發布集成驅動GaN芯片,助力電源能效再攀新高
- 失真度僅0.002%!力芯微推出超低內阻、超低失真4PST模擬開關
- 一“芯”雙電!聖邦微電子發布雙輸出電源芯片,簡化AFE與音頻設計
- 一機適配萬端:金升陽推出1200W可編程電源,賦能高端裝備製造
- 邊緣AI的發展為更智能、更可持續的技術鋪平道路
- 每台智能體PC,都是AI時代的新入口
- IAR作為Qt Group獨立BU攜兩項重磅汽車電子應用開發方案首秀北京車展
- 構建具有網絡彈性的嵌入式係統:來自行業領袖的洞見
- 數字化的線性穩壓器
- 車規與基於V2X的車輛協同主動避撞技術展望
- 數字隔離助力新能源汽車安全隔離的新挑戰
- 汽車模塊拋負載的解決方案
- 車用連接器的安全創新應用
- Melexis Actuators Business Unit
- Position / Current Sensors - Triaxis Hall





