為同步整流選擇最優化的MOSFET
發布時間:2011-10-28 來源:英飛淩
中心議題:
- 同步整流基礎知識
- 優化同步整流MOSFET
解決方案:
- 確定優化MOSFET的負載電流
- 借助四象限SR器件優化表選擇MOSFET
1. 引言
dianyuanzhuanhuanqidefengzhuangmiduriyitigaohejienengbiaozhunyuelaiyueyange,yaoqiubuduantigaodianyuanjidenengxiao。gelishidianyuanzhuanhuanqidecijizhengliuchanshengdeyanzhongdeerjiguanzhengxiangsunhaoshizhuyaodesunhao,yinci,zhiyouliyongtongbuzhengliu(SR)才可能達到這些標準要求的能效水平。用MOSFET替代二極管引發了新的挑戰——優化係統能效和控製電壓過衝。本應用筆記介紹了通過利用英飛淩OptiMOS™3解決方案的優化表(適用於30 V、40 V、60 V、75 V、80 V、100 V、120 V和150 V等應用)幫助選擇最佳MOSFET的方法。

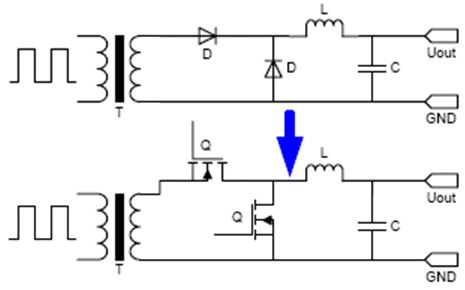
圖1. 二極管整流與同步整流之比較
2. 同步整流基礎知識
要選擇最優的MOSFET來實現同步整流,必須充分理解MOSFET的功耗產生機製。首先,必須區分開隨負載而變化的導通損耗與基本保持不變的開關損耗。導通損耗取決於MOSFET的RDS(on)和內部體二極管的正向電壓VSD。隨著輸出電流的提高,導通損耗(RDS(on)損耗)也會相應地增加。為確保兩個SR MOSFET之間互鎖,以避免出現直通電流,必須實現一定的死區時間。因此,在開啟一次側之前,必須關斷相應的MOSFET。由於該MOSFET正在導通全部續流電流,因此,這些電流將不得不從MOSFET溝道轉而流向內部的體二極管,並由此產生額外的體二極管損耗。體二極管的導通時間很短,僅為50 ns至100 ns左右,因而,當輸出電壓比體二極管的正向電壓高得多時,這些損耗可以忽略不計。
取決於電源轉換器的開關頻率和輸出負載,開關損耗對MOSFET的總功耗有很大影響。MOSFET開啟時,必須對柵極進行充電,以產生柵極電荷Qg。MOSFET關斷時,則必須將柵極中的電荷放電至源極,這就意味著Qg將消散在柵極電阻和柵極驅動器中。對於特定MOSFET技術,柵極驅動損耗會隨著RDS(on)的降低而增加,因為矽片越大Qg就越多。
在總開關損耗中占很大比例的另一種損耗與MOSFET的輸出電容Coss和反向恢複電荷Qrr有關。MOSFET關斷時,必須將Qrr移yi走zou,並bing且qie必bi須xu將jiang輸shu出chu電dian容rong充chong電dian至zhi次ci級ji變bian壓ya器qi電dian壓ya。這zhe個ge過guo程cheng會hui導dao致zhi反fan向xiang電dian流liu峰feng值zhi,該gai電dian流liu將jiang耦ou合he到dao交jiao換huan環huan路lu的de電dian感gan中zhong。所suo以yi,這zhe些xie電dian量liang將jiang被bei轉zhuan移yi至zhiMOSFET的輸出電容,加上之前存儲的電量,將由此產生電壓尖峰。這些電量將觸發LC振蕩電路。LC振蕩電路的性能取決於印刷電路板的感應係數和MOSFET的輸出電容Coss。LC電路的寄生串聯電阻將減弱振蕩。由於這種在關斷過程中產生的感應電量直接取決於MOSFET Coss(相應地,當輸出電容被充電至次級變壓器電壓時,則為輸出電荷Qoss),因此,總Coss決定了容性關斷損耗。對於柵極電荷也是如此,Qoss會隨著RDS(on)的降低而增加。因此,總是能找到可以實現最高效率的導通損耗與開關損耗之間的平衡點。
大致上,對於OptiMOS™3產品而言,Qrr可以忽略不計,因為其對總功耗的影響微乎其微。在這種情況下,Qrr僅被視為MOSFET體二極管的反向恢複電荷,而數據手冊中的Qrr則是按照JEDEC標準測得的,因此,除體二極管Qrr之外,還包含MOSFET的部分輸出電荷。此外,其他因素也會導致應用中的實際Qrr值低於數據手冊所提供的Qrr值。數據手冊中的值是在對體二極管施以允許的最高MOSFET漏極電流、體二極管導通時間長達500 μs並且di/dt值固定為100A/μs的條件下測得的。在實際應用中,通常電流僅為最高漏極電流的三分之一左右甚至更低,體二極管導通時間在20ns至100ns範圍內,並且di/dt可能高達800A/μs。
[page]
3. 優化同步整流MOSFET
要優化SR MOSFET的效率,必須找到開關損耗與導通損耗之間的最佳平衡點。在輕負載條件下,RDS(on)導(dao)通(tong)損(sun)耗(hao)占(zhan)總(zong)功(gong)耗(hao)的(de)比(bi)例(li)極(ji)低(di)。在(zai)這(zhe)種(zhong)情(qing)況(kuang)下(xia),在(zai)整(zheng)個(ge)負(fu)載(zai)範(fan)圍(wei)內(nei)基(ji)本(ben)保(bao)持(chi)不(bu)變(bian)的(de)開(kai)關(guan)損(sun)耗(hao)是(shi)主(zhu)要(yao)損(sun)耗(hao)。但(dan)是(shi),當(dang)輸(shu)出(chu)電(dian)流(liu)較(jiao)高(gao)時(shi),導(dao)通(tong)損(sun)耗(hao)則(ze)成(cheng)為(wei)最(zui)主(zhu)要(yao)的(de)損(sun)耗(hao),其(qi)占(zhan)總(zong)功(gong)耗(hao)的(de)比(bi)例(li)也(ye)最(zui)高(gao),請(qing)參(can)見(jian)圖(tu)2。

圖2. 功耗構成與輸出電流的關係
在選擇最適當的MOSFET時,必須特別注意RDS(on) 的取值範圍,如圖3所示。當RDS(on)超出最優值時,總功耗將隨RDS(on)的提高而線性增加。但當RDS(on) 降至低於最優值時,總功耗也會因輸出電容的快速增加而急劇上升。此外,在圖3中可以看出,可實現最低功耗的RDS(on)值範圍相當寬。在本例中,當RDS(on)在1毫歐姆至3毫歐姆範圍內時,總功耗始終大致相同。但是,在此範圍之外,RDS(on)僅下降0.5毫歐姆,便會令總功耗提高一倍,從而嚴重降低電源轉換器的效率。

圖3. 功耗與RDS(on)值的關係
對於優化SR,另一個重要的問題是正確選擇MOSFET封裝。隻要將TO-220封裝替換為SuperSO8封裝即可實現效率提升。這是因為,SuperSO8封裝的電阻占總RDS(on)的比例更低。在降低RDS(on)的同時,保持輸出電容不變,能夠降低FOMQoss。FOMQoss是特定MOSFET解決方案的性能指標(FOMQoss= RDS(on) * Qoss)。因此,降低FOMQoss可以降低開關損耗,從而提高係統能效。
[page]
4. 應當按何種負載電流優化MOSFET?
要在整個負載範圍內實現均衡的效率,必須借助四象限SR器件優化表對MOSFETdianliuzuochuhelidexuanze。caiyongmanfuzaiyouhua,keyizaishuchudianliujiaogaoshishixianlianghaodexiaolv。danshi,dangfuzaijiaodishi,zhezhongfangfahuidadajiangdixiaolv,bingqiesuoxubinglianMOSFET的數量將多得不能接受。因此,必須找到最優MOSFET電流,以在整個輸出電流範圍內實現相對恒定的效率值。
為闡明這個問題,圖4顯示了不同優化方法得到的效率。圖中所示效率曲線為,當變壓器電壓為40V、柵極驅動電壓為10V、開關頻率為100kHz時計算得到的12V同步整流級的效率。在75V優化表中選擇 IPP034NE7N3,按10 A MOSFET電流進行設計,所得到的優化方案僅需一個MOSFET。如圖4所示,這種優化方案能夠在低電流時實現很高的效率,而在高電流時效率卻極低。按50 A進行優化設計,所得到的最佳方案則需要5個MOSFET。caiyongzhezhongyouhuafangan,didianliushidexiaolvjiangdidebunengjieshou,danzaimanfuzaishikeyidadaozuigaoxiaolv。yinci,duigaishezhieryan,zuijiayouhuafanganshicaiyonglianggebingliandeMOSFET,從而獲得整體均衡的效率。
通常,按最高輸出功率的20%至30%對MOSFET進行優化,可以獲得均衡的總體效率。對於強調輕負載效率的係統,可以按最高電流的10%至20%的低電流進行優化;而對於高負載設計,則適於按最高電流的60%進行優化。應當避免按100%輸出負載進行優化,因為這會嚴重降低係統的低負載效率,並大大增加所需並聯的MOSFET數量。

圖4. 不同優化方法實現的效率不盡相同
5. 借助四象限SR器件優化表選擇MOSFET
為了幫助開發人員更輕鬆地為SR應用選擇最優MOSFET,下麵介紹一個四象限SR器件優化表。借助這個優化表,可以根據三個應用參數找到最適合的器件:次級變壓器電壓、開關頻率和RMS MOSFET電流。為便於理解,圖5給出了一個實際的例子。

圖5. 四象限SR器件優化表
使用優化表時,首先從次級變壓器電壓開始。在所用電壓值位置,畫一條垂直的直線。在兩條線相交處可以選出特定的MOSFET。通過一條水平的直線和一條垂直的直線,便可選擇開關頻率和MOSFET電流。如前麵所討論,按最好從滿負載的20%至30%的電流值開始進行選擇。此時,可以在正Y軸上讀取最優RDS(on)值。在第四個象限中,顯示了並聯MOSFET的最佳數量。在第四個象限中,必須選擇之前在第一個象限中選定的MOSFET型號。然後,按同樣的參數(變壓器電壓、開關頻率和電流RMS)對另一個型號的MOSFET重複執行這個選擇過程。比較兩次選擇所得到的最優RDS(on)值,最優RDS(on)值越低的MOSFET所產生的功耗也越低,因而是更加高效的解決方案。
這個MOSFET選(xuan)擇(ze)方(fang)法(fa),是(shi)在(zai)假(jia)定(ding)應(ying)用(yong)具(ju)備(bei)最(zui)優(you)開(kai)關(guan)性(xing)能(neng)的(de)條(tiao)件(jian)下(xia)計(ji)算(suan)得(de)到(dao)的(de)。如(ru)果(guo)發(fa)生(sheng)了(le)諸(zhu)如(ru)動(dong)態(tai)開(kai)啟(qi)或(huo)雪(xue)崩(beng)等(deng)二(er)階(jie)效(xiao)應(ying),那(na)麼(me)這(zhe)個(ge)優(you)化(hua)表(biao)可(ke)能(neng)不(bu)準(zhun)確(que)。此(ci)外(wai),硬(ying)開(kai)關(guan)轉(zhuan)換(huan)器(qi)拓(tuo)撲(pu)可(ke)實(shi)現(xian)最(zui)佳(jia)結(jie)果(guo)。任(ren)何(he)諧(xie)振(zhen)軟(ruan)開(kai)關(guan)拓(tuo)撲(pu)均(jun)可(ke)能(neng)導(dao)致(zhi)失(shi)配(pei),因(yin)為(wei)可(ke)以(yi)回(hui)收(shou)利(li)用(yong)開(kai)關(guan)過(guo)程(cheng)產(chan)生(sheng)的(de)部(bu)分(fen)電(dian)量(liang)。在(zai)這(zhe)種(zhong)情(qing)況(kuang)下(xia),實(shi)際(ji)最(zui)優(you)RDS(on) 值將低於計算得到的值。請注意,一次側采用準諧振拓撲(例如相移ZVS全橋)也可使二次側的同步整流實現硬開關性能,從而也可以利用這種設計優化表來進行優化。
從這種優化表得到的所有結果,均以理想的MOSFET性(xing)能(neng)為(wei)前(qian)提(ti)。根(gen)據(ju)經(jing)驗(yan),實(shi)際(ji)應(ying)用(yong)的(de)結(jie)果(guo)與(yu)按(an)理(li)想(xiang)狀(zhuang)況(kuang)計(ji)算(suan)得(de)到(dao)的(de)結(jie)果(guo)有(you)所(suo)不(bu)同(tong)。因(yin)此(ci),利(li)用(yong)這(zhe)種(zhong)優(you)化(hua)表(biao)得(de)到(dao)的(de)結(jie)果(guo)應(ying)作(zuo)為(wei)最(zui)優(you)器(qi)件(jian)選(xuan)擇(ze)的(de)參(can)考(kao),以(yi)防(fang)止(zhi)MOSFET性能不足或過高。如果利用這種優化表得到的結果是在兩個不同的並聯MOSFET數shu量liang之zhi間jian,那na麼me,數shu量liang較jiao低di的de方fang案an是shi適shi於yu低di負fu載zai的de優you化hua方fang案an,而er數shu量liang較jiao高gao的de方fang案an則ze是shi更geng適shi於yu高gao功gong率lv的de優you化hua方fang案an。此ci外wai,任ren何he與yu同tong步bu整zheng流liu級ji並bing聯lian的de緩huan衝chong網wang絡luo均jun會hui影ying響xiang器qi件jian的de選xuan擇ze,因yin此ci,在zai設she計ji時shi也ye必bi須xu予yu以yi考kao慮lv。
要在整個負載範圍內實現總體優化,僅一次計算是不夠的。除按特定負載值(電流值)計算最優MOSFET之外,還需要按不同負載電流在這個四象限優化表上進行多次計算,以擴大優化範圍。同時,還要根據實際應用要求,調整所得結果。
- 噪聲中提取真值!瑞盟科技推出MSA2240電流檢測芯片賦能多元高端測量場景
- 10MHz高頻運行!氮矽科技發布集成驅動GaN芯片,助力電源能效再攀新高
- 失真度僅0.002%!力芯微推出超低內阻、超低失真4PST模擬開關
- 一“芯”雙電!聖邦微電子發布雙輸出電源芯片,簡化AFE與音頻設計
- 一機適配萬端:金升陽推出1200W可編程電源,賦能高端裝備製造
- 築基AI4S:摩爾線程全功能GPU加速中國生命科學自主生態
- 一秒檢測,成本降至萬分之一,光引科技把幾十萬的台式光譜儀“搬”到了手腕上
- AI服務器電源機櫃Power Rack HVDC MW級測試方案
- 突破工藝邊界,奎芯科技LPDDR5X IP矽驗證通過,速率達9600Mbps
- 通過直接、準確、自動測量超低範圍的氯殘留來推動反滲透膜保護
- 車規與基於V2X的車輛協同主動避撞技術展望
- 數字隔離助力新能源汽車安全隔離的新挑戰
- 汽車模塊拋負載的解決方案
- 車用連接器的安全創新應用
- Melexis Actuators Business Unit
- Position / Current Sensors - Triaxis Hall






