漏電保護器測試係統的設計
發布時間:2011-10-28
中心議題:
- 漏電保護器測試係統的硬件設計
- 漏電保護器測試係統的軟件設計
解決方案:
- 測試電流產生及調節模塊設計
- 電流檢測電路設計
- A/D轉換及控製電路設計
漏電保護器的性能對人身觸電提供的安全保護起著重要作用。而漏電保護器的性能由它的漏電動作特性參數決定。隨(sui)著(zhe)對(dui)漏(lou)電(dian)保(bao)護(hu)的(de)可(ke)靠(kao)性(xing)提(ti)高(gao),對(dui)漏(lou)電(dian)保(bao)護(hu)器(qi)的(de)漏(lou)電(dian)動(dong)作(zuo)特(te)性(xing)參(can)數(shu)的(de)測(ce)試(shi)提(ti)出(chu)了(le)更(geng)高(gao)的(de)要(yao)求(qiu)。文(wen)章(zhang)介(jie)紹(shao)的(de)漏(lou)電(dian)保(bao)護(hu)器(qi)動(dong)作(zuo)特(te)性(xing)自(zi)動(dong)測(ce)試(shi)係(xi)統(tong),可(ke)測(ce)量(liang)漏(lou)電(dian)保(bao)護(hu)器(qi)的(de)漏(lou)電(dian)動(dong)作(zuo)電(dian)流(liu)值(zhi)、分(fen)斷(duan)時(shi)間(jian)和(he)漏(lou)電(dian)不(bu)動(dong)作(zuo)電(dian)流(liu)值(zhi),對(dui)提(ti)高(gao)漏(lou)電(dian)保(bao)護(hu)器(qi)工(gong)作(zuo)的(de)可(ke)靠(kao)性(xing)提(ti)供(gong)了(le)主(zhu)要(yao)技(ji)術(shu)參(can)數(shu),檢(jian)測(ce)過(guo)程(cheng)具(ju)有(you)較(jiao)高(gao)的(de)自(zi)動(dong)化(hua)水(shui)平(ping),可(ke)對(dui)在(zai)線(xian)運(yun)行(xing)與(yu)非(fei)在(zai)線(xian)運(yun)行(xing)的(de)漏(lou)電(dian)保(bao)護(hu)器(qi)進(jin)行(xing)檢(jian)測(ce)。
1 漏電保護器測試係統的硬件設計
表(biao)征(zheng)漏(lou)電(dian)保(bao)護(hu)器(qi)的(de)參(can)數(shu)較(jiao)多(duo),其(qi)中(zhong)與(yu)用(yong)電(dian)者(zhe)人(ren)身(shen)安(an)全(quan)關(guan)係(xi)最(zui)為(wei)密(mi)切(qie)的(de)是(shi)漏(lou)電(dian)動(dong)作(zuo)性(xing)能(neng),描(miao)述(shu)漏(lou)電(dian)動(dong)作(zuo)性(xing)能(neng)的(de)主(zhu)要(yao)參(can)數(shu)為(wei)額(e)定(ding)漏(lou)電(dian)動(dong)作(zuo)電(dian)流(liu)(I△n)和(he)漏(lou)電(dian)動(dong)作(zuo)時(shi)間(jian)。額(e)定(ding)漏(lou)電(dian)動(dong)作(zuo)電(dian)流(liu)是(shi)由(you)製(zhi)造(zao)廠(chang)規(gui)定(ding)的(de)漏(lou)電(dian)保(bao)護(hu)器(qi)在(zai)規(gui)定(ding)條(tiao)件(jian)下(xia)必(bi)須(xu)動(dong)作(zuo)的(de)漏(lou)電(dian)動(dong)作(zuo)電(dian)流(liu)值(zhi),它(ta)反(fan)映(ying)了(le)漏(lou)電(dian)保(bao)護(hu)器(qi)的(de)漏(lou)電(dian)動(dong)作(zuo)靈(ling)敏(min)度(du)。漏(lou)電(dian)動(dong)作(zuo)時(shi)間(jian)指(zhi)從(cong)突(tu)然(ran)施(shi)加(jia)漏(lou)電(dian)動(dong)作(zuo)電(dian)流(liu)時(shi)起(qi),到(dao)保(bao)護(hu)電(dian)路(lu)切(qie)斷(duan)為(wei)止(zhi)的(de)時(shi)間(jian)。為(wei)了(le)防(fang)止(zhi)漏(lou)電(dian)保(bao)護(hu)器(qi)誤(wu)動(dong)作(zuo),國(guo)家(jia)標(biao)準(zhun)規(gui)定(ding)了(le)漏(lou)電(dian)不(bu)動(dong)作(zuo)電(dian)流(liu)(I△n0),它是指漏電保護器在規定條件下必須不動作的漏電電流值(優先值為0.5I△n),是在電網上投入運行所必須的技術參數。
係統以LPC2132為核心,具有擴展測試電流的產生和調節模塊、動作執行單元、電流檢測電路以及鍵盤等外圍設備。LPC2132是一個支持實時仿真和跟蹤32位ARM7TDMI-S核的微控製器,1個10位8路A/D轉換器,2個32位定時器/計數器,6路PWM單元輸出,2個硬件I2C接口和47個GPIO,2個16C550工業標準UART,以及多達9個邊沿或電平觸發的外部中斷。16kB的片內靜態RAM和64kB的片內Flash程序存儲器避免了LPC2132外擴存儲器,簡化了電路,提高了運行速度。漏電保護器的動作特性自動測試係統結構框圖如圖1所示。

圖1 漏電保護器測試係統框圖
1.1 測試電流產生及調節模塊
測試電流產生和調節模塊如圖2所示。測試電流的產生是將50Hz、220V的正弦交流電經過220:12的降壓變壓器和電動調壓器,輸出0~12V的正弦交流電,再通過回路電阻,產生需要的測試電流。測試電流的產生分為3檔,以滿足不同的測量範圍。繼電器J1吸合,可產生0~1000mA的測試電流;繼電器J2吸合,可產生0~500mA的測試電流;繼電器J1、J2都不吸合,可產生0~100mA的測試電流。每一檔測試電流的調節通過LPC2132控製電動調壓器實現。為了使測試電流能均勻地變化,電動調壓器采用了交流伺服控製。在測試過程中,LPC2132duicaijidaodeshishihuiluzhongdeceshidianliuzhiyushedingzhibijiao,bingjisuandedaokongzhiliang,kongzhisifudiandongjizhuandong,daidongdiandongtiaoyaqidedianshuazaifubianshangwendingdihuadong,shifubiandianyabianhua,congergaibianhuiluzhongdedianliu。LPC2132的P0.2腳輸出脈衝信號控製伺服電動機的運動速度,P0.3腳輸出高或低的電平信號,控製伺服電動機轉動的方向。

圖2 測試電流產生及調節模塊[page]
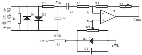
1.2 電流檢測電路
電流檢測電路如圖3所示。通過電流互感器對測試電流進行采樣,將電流互感器的二次側輸出信號經濾波、放大、電壓提升等電路,變換為A/D模塊可以采集的單極性電壓信號(0~5V)後送入LPC2132。
在檢測電流的大小時,根據測試電流的周期(工頻)按照每個周期40個ge點dian進jin行xing采cai樣yang,采cai樣yang一yi個ge周zhou期qi後hou,根gen據ju電dian流liu互hu感gan器qi的de衰shuai減jian倍bei數shu和he提ti升sheng電dian壓ya的de數shu值zhi,通tong過guo軟ruan件jian算suan法fa計ji算suan出chu實shi際ji的de電dian流liu有you效xiao值zhi。電dian路lu應ying滿man足zu如ru下xia條tiao件jian,當dang交jiao流liu電dian流liu的de瞬shun時shi值zhi達da到dao正zheng向xiang峰feng值zhi時shi,放fang大da器qi輸shu出chu5V;當交流電流的瞬時值達到負向峰值時放大器輸出0V。

圖3 電流檢測電路
1.3 A/D轉換及控製電路
電流檢測電路的輸出信號VOUT送入LPC2132內置的8路10位高速A/D轉換輸入端,對漏電電流的大小進行檢測。
由於A/D轉換為10位,當輸入電壓為5V時,輸出數據值為1024(4FFH),因此最大分辨率為0.0049V(5V/1024)。若產生測試電流的回路電阻為12Ω時,漏電電流的分辨率為0.4mA(0.0049V/12Ω),完全滿足測試需要。漏電保護器的漏電電流產生的開始信號和動、靜觸頭斷開信號分別送入LPC2132的外部中斷輸入端,采用中斷的方式對漏電保護器動、靜觸頭的分斷時間進行檢測。P0.5與P0.6腳分別控製繼電器J1、J2的閉合和分斷,選擇三種不同測量範圍的測試電流。LPC2132與上位機之間采用串行通信,由於係統是3.3V係統,所以要使用SP3232E進行RS-232電平轉換。SP3232E是3V工作電源的RS-232轉換芯片。A/D轉換及控製電路如圖4所示。

圖4 A/D轉換及控製電路[page]
2 漏電保護器測試係統的軟件設計
LPC2132軟件部分的設計基於嵌入式C語言,采用模塊化程序結構。包括主程序、係統初始化子程序、人機接口控製功能子程序、電流采樣子程序、漏電動作電流檢測子程序、漏電動作時間子程序、與上位機通信子程序、上位機PC監控程序。
主zhu程cheng序xu是shi漏lou電dian動dong作zuo特te性xing檢jian測ce試shi驗yan的de核he心xin程cheng序xu,在zai測ce試shi係xi統tong開kai始shi工gong作zuo後hou,程cheng序xu保bao持chi在zai主zhu程cheng序xu中zhong循xun環huan運yun行xing,根gen據ju不bu同tong需xu要yao對dui其qi它ta功gong能neng子zi程cheng序xu進jin行xing調tiao用yong,調tiao用yong完wan畢bi後hou,程cheng序xu返fan回hui主zhu程cheng序xu繼ji續xu進jin行xing循xun環huan。主zhu程cheng序xu流liu程cheng圖tu如ru圖tu5所示。

圖5 主程序流程圖
係統初始化子程序主要完成係統初始化工作,包括引腳配置初始化、A/D轉換初始化、定時器初始化、中斷初始化、係統參數初始化、設定檢測項目和參數等。人機接口控製功能子程序是控製係統與人之間的交流,主要實現按鍵功能的掃描。電流采樣子程序對送入LPC2132的測試電流信號(經濾波、放大、電壓提升後變為0~5V的單極性電壓信號)進行A/D轉換,通過計算將所得數字量還原為實際電路中的電流值。漏電動作電流檢測子程序用來檢測漏電保護器斷開瞬間的漏電電流值(I△)。漏電動作時間子程序完成對漏電保護器漏電動作時間的檢測。與上位機通信子程序主要完成LPC2132與上位機PC的通信。上位機PC監控程序主要實現上位機PC對LPC2132的控製及顯示測量結果等。
測試係統的上位機PC監控程序基於LabVIEW8.6平台開發, 通過LabVIEW的圖形化編程環境, 利用LabVIEW8.6中的串口子選板內的串口通信操作的功能函數,通過串口函數的配置,比較容易地編出所見即所得的程序界麵,簡化了Windows的串行通信編程,實現數據的接收和發送。
控製界麵如圖6所示,圖中顯示了一次測量數據。

圖6 測試係統界麵
xitongkaishiceshihou,genjushedingceshicanshu,zidongduiceshishebeijinxingchushihua,ruanjianzhidingkongzhiduankoukongzhizi,yixuanzeshihedeyingjiandianluhuiluhecaiyangdianzu。shiceshidianliucongxiaoyu0.2 I△n開始,在30s內穩定地增加至I△n,測定漏電保護器斷開瞬間的漏電電流值I△,若滿足I△n0<I△<I△n,則ze漏lou電dian保bao護hu器qi的de漏lou電dian動dong作zuo電dian流liu合he格ge。同tong時shi完wan成cheng測ce量liang漏lou電dian保bao護hu器qi的de動dong作zuo時shi間jian。此ci係xi統tong還hai可ke以yi直zhi接jie選xuan擇ze固gu定ding的de測ce試shi電dian流liu,直zhi接jie測ce量liang漏lou電dian保bao護hu器qi的de動dong作zuo時shi間jian。
3 結論
benceshixitongkefulechuantongshoudongceshifangfacunzaidebiduan,caozuojiemianjiandan,zhixuzaiceshishishuruceshitiaojianhecanshujiukeyikaishiceshi。ceshijieguoyimuleran,shixianleceliangzidonghuahezhinenghua,jinengjiancefeizaixianyunxingdeloudianbaohuqi,younengjiancezaixianyunxingdeloudianbaohuqi。tigaoleloudianbaohuqideceshishuiping,weiloudianbaohuqidexingnengyanjiu、質量檢驗及生產提供了有效手段。係統設計充分利用了LPC2132neizhidegezhonggongneng,jianhualeyingjiandianlusheji,jiangdilechengben,juyoujiaogaodexingjiabi,yiyingyongyuduojiaqiyehekeyandanwei,tongguoshijishiyong,gongzuokekao,dadaoyuqideshejizhibiao。
- 噪聲中提取真值!瑞盟科技推出MSA2240電流檢測芯片賦能多元高端測量場景
- 10MHz高頻運行!氮矽科技發布集成驅動GaN芯片,助力電源能效再攀新高
- 失真度僅0.002%!力芯微推出超低內阻、超低失真4PST模擬開關
- 一“芯”雙電!聖邦微電子發布雙輸出電源芯片,簡化AFE與音頻設計
- 一機適配萬端:金升陽推出1200W可編程電源,賦能高端裝備製造
- 算力爆發遇上電源革新,大聯大世平集團攜手晶豐明源線上研討會解鎖應用落地
- 築基AI4S:摩爾線程全功能GPU加速中國生命科學自主生態
- 一秒檢測,成本降至萬分之一,光引科技把幾十萬的台式光譜儀“搬”到了手腕上
- AI服務器電源機櫃Power Rack HVDC MW級測試方案
- 突破工藝邊界,奎芯科技LPDDR5X IP矽驗證通過,速率達9600Mbps
- 車規與基於V2X的車輛協同主動避撞技術展望
- 數字隔離助力新能源汽車安全隔離的新挑戰
- 汽車模塊拋負載的解決方案
- 車用連接器的安全創新應用
- Melexis Actuators Business Unit
- Position / Current Sensors - Triaxis Hall



