單相橋式PWM逆變器死區補償的一種方法
發布時間:2011-08-23
中心議題:
- 單相橋式PWM逆變電路
- PWM控製過程的分析
橋式PWM逆變器中,為了防止同橋臂開關器(qi)件(jian)直(zhi)通(tong),需(xu)要(yao)在(zai)其(qi)互(hu)補(bu)驅(qu)動(dong)信(xin)號(hao)中(zhong)設(she)置(zhi)死(si)區(qu),但(dan)同(tong)時(shi)會(hui)導(dao)致(zhi)輸(shu)出(chu)電(dian)壓(ya)基(ji)波(bo)幅(fu)值(zhi)降(jiang)低(di)並(bing)產(chan)生(sheng)低(di)次(ci)諧(xie)波(bo)等(deng)。為(wei)改(gai)善(shan)輸(shu)出(chu)電(dian)壓(ya)波(bo)形(xing),可(ke)采(cai)取(qu)多(duo)種(zhong)方(fang)法(fa),相(xiang)關(guan)資(zi)料(liao)也(ye)介(jie)紹(shao)了(le)死(si)區(qu)補(bu)償(chang)的(de)方(fang)法(fa),但(dan)未(wei)能(neng)采(cai)用(yong)圖(tu)文(wen)形(xing)象(xiang)、直觀的介紹死區補償的過程,而采用純數學推理和文字說明較抽象,不易理解。本文詳細介紹了一種死區補償的方法。
1 單相橋式PWM逆變電路
在采用IGBT作為開關器件的單相橋式PWM逆變電路中,假設負載為阻感負載。工作時V1和V2的通斷狀態互補,V3和V4的通斷狀態也互補。逆變橋的主回路由左右橋臂組成,每個橋臂有兩個IGBT,每一個開關器件都有一個PWM波控製其導通,且同一橋臂上的兩功率開關器件不能同時導通,否則會導致直流電壓短路。考慮到在感性負載下二極管VD1、VD2、VD3、VD4存在著續流的現象,且逆變橋同一橋臂上的兩個IGBT不能同時導通,所以在逆變電路中存在著五種開關狀態,具體情況如表1所示。單相橋式刪逆變電路如圖1所示。


圖1 單相橋式PWM逆變電路
2 PWM控製過程的分析
2.1 PWM的產生機製
本文采用調製法產生PWM波bo形xing,采cai用yong等deng腰yao三san角jiao波bo作zuo為wei載zai波bo,因yin為wei等deng腰yao三san角jiao波bo上shang任ren一yi點dian的de水shui平ping寬kuan度du和he高gao度du成cheng線xian性xing關guan係xi且qie左zuo右you對dui稱cheng,當dang它ta與yu任ren何he一yi個ge平ping緩huan變bian化hua的de調tiao製zhi信xin號hao波bo相xiang交jiao時shi,如ru果guo在zai交jiao點dian時shi刻ke對dui電dian路lu中zhong開kai關guan器qi件jian的de通tong斷duan進jin行xing控kong製zhi,就jiu可ke以yi得de到dao正zheng比bi於yu信xin號hao波bo幅fu值zhi的de脈mai衝chong,這zhe正zheng好hao符fu合hePWM控製的要求。
本文設置三角波頻率為550Hz,正弦波頻率為50Hz,通過調製法得到每個IGBT的PWM波形圖如圖2所示。

圖2 IGBT的控製信號[page]
2.2 死區補償
在電壓型逆變電路的PWM控製中,同一相上下兩個橋臂的驅動信號都是互補的。但由於IGBT的截止時間約為200多納秒,導通時間約為100多納秒,開通速度比關斷速度快。如果在一個IGBT截止的同時讓此橋臂的另一個IGBT導dao通tong,將jiang會hui出chu現xian上shang下xia兩liang個ge橋qiao臂bi直zhi通tong而er短duan路lu的de現xian象xiang。為wei了le防fang止zhi發fa生sheng這zhe一yi現xian象xiang,必bi須xu在zai開kai通tong和he關guan斷duan信xin號hao之zhi間jian設she置zhi一yi個ge死si區qu時shi間jian,因yin而er理li想xiang的de調tiao製zhi信xin號hao和he開kai關guan管guan輸shu出chu的de實shi際ji信xin號hao之zhi間jian存cun在zai偏pian差cha。死si區qu時shi間jian的de存cun在zai導dao致zhi輸shu出chu電dian壓ya波bo形xing產chan生sheng畸ji變bian,降jiang低di了le基ji波bo幅fu值zhi,增zeng加jia了le負fu載zai的de諧xie波bo損sun耗hao。
為(wei)了(le)避(bi)免(mian)橋(qiao)臂(bi)直(zhi)通(tong)設(she)置(zhi)的(de)死(si)區(qu)時(shi)間(jian)雖(sui)然(ran)寬(kuan)度(du)很(hen)小(xiao),僅(jin)占(zhan)開(kai)關(guan)周(zhou)期(qi)的(de)百(bai)分(fen)之(zhi)幾(ji),單(dan)個(ge)脈(mai)衝(chong)不(bu)足(zu)以(yi)影(ying)響(xiang)整(zheng)個(ge)係(xi)統(tong)的(de)性(xing)能(neng),但(dan)由(you)於(yu)開(kai)關(guan)頻(pin)率(lv)較(jiao)高(gao),其(qi)積(ji)累(lei)效(xiao)應(ying)足(zu)以(yi)使(shi)輸(shu)出(chu)波(bo)形(xing)發(fa)生(sheng)畸(ji)變(bian)並(bing)產(chan)生(sheng)諧(xie)波(bo)幹(gan)擾(rao),所(suo)以(yi)有(you)必(bi)要(yao)對(dui)死(si)區(qu)效(xiao)應(ying)進(jin)行(xing)補(bu)償(chang)。
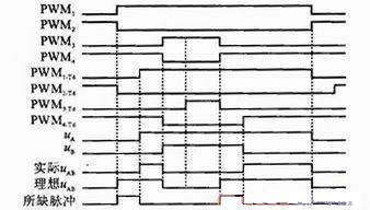
在圖1所示的單相SPWM逆變電路中,設置死區前後的控製波形如圖3所示。

圖3 單相SPWM逆變橋設置死區前後的控製波形(i>0時)
由圖3可知,由死區及續流所致,當i>0時,正向脈衝較理想時減小了Td,負向脈衝增加了Td;當i<0時,情況相反。
由於在死區時間內,存在V1、V2、V3、V4都不導通的情況。當電路為阻感負載時,由於電感中的電流不能突變,所以電路會在死區時間通過續流二極管續流。
通過比較可知,因為續流的緣故,死區時間內A、B點的電位不再為零。當i>0時,VD2、VD3續流形成回路,A端電位UA為-Ed/2,B端電位UB為+Ed/2;當i<0時,VD1、VD4續流形成回路,A端電位UA為+Ed/2,B端電位UB為-Ed/2。
A、B兩點之間電壓分別為,UAB=UA-UB,UAB''=UA''-UB'',可以看出,原來處於死區時間內電壓為0的區域在續流的作用下變得有電壓了。電壓的大小由電流的方向決定,當i>0時,VD2、VD3續流形成回路,輸出電壓UO=UA-UB為-Ed;當i<0時,VD1、VD4續流形成回路,輸出電壓UO=UA-UB為+Ed。
由於受續流的影響,輸出電壓和輸出電流存在相位差φ,降低了係統的功率因素。為了提高功率因數,需要對波形進行死區補償。
圖4是在死區時間Td內A點和B點的電位。圖中虛線部分麵積和Td時間內產生的UA"(或UB")的麵積大小相等。

圖4 死區補償原理圖
設置死區後的PWM波形會發生形變,使其稍稍偏離正弦波。這時需要對IGBT在死區時間中功率的減小做出補償。將圖4(a)中的虛線部分補償給ur得到圖4(c),將圖4(b)中虛線部分補償給反向正弦波得到圖4(d),從而實現了在死區時間內功率損失的補償。
[page]
2.3 輸出電壓和輸出電流的分析
圖5(a)和(b)分別為輸出電壓和輸出電流的波形,從圖中可以看出輸出電流的相位比輸出電壓滯後φ個角度。為了便於對器件的選擇,將輸出電流的波形進行了分解。

圖5 單相SPWM逆變電路輸出波形圖
其中Id為輸出電流的有效值,iβ0為器件上電流的基波分量,iβ為器件上的電流。
3 實驗與結果
本文以三角波頻率550Hz,正弦波頻率50Hz為例介紹了死區補償的方法,但在實際應用中三角波頻率要大得多,這裏選取550Hz目的是為了便於分析。
在實驗中,開關頻率為10kHz,正弦波頻率為50Hz,取L1=1.15mH,L2=0.1mH,C=90μF,負載為純阻性,滿載時為8歐姆,死區時間Td設置為2μs。
通過實驗得出補償前後的波形圖如圖6所示。

圖6 補償前後輸出電壓及諧波分量的波形
4 結束語
在zai死si區qu時shi間jian內nei,由you於yu續xu流liu的de緣yuan故gu輸shu出chu電dian壓ya波bo形xing發fa生sheng了le畸ji變bian,通tong過guo對dui波bo形xing進jin行xing等deng效xiao的de補bu償chang可ke以yi得de到dao準zhun正zheng弦xian波bo。推tui理li和he實shi驗yan均jun證zheng明ming該gai方fang法fa能neng較jiao好hao地di對dui逆ni變bian器qi橋qiao路lu輸shu出chu電dian壓ya進jin行xing補bu償chang。該gai方fang法fa簡jian單dan實shi用yong,易yi於yu實shi現xian,具ju有you一yi定ding的de工gong程cheng使shi用yong價jia值zhi。
- 噪聲中提取真值!瑞盟科技推出MSA2240電流檢測芯片賦能多元高端測量場景
- 10MHz高頻運行!氮矽科技發布集成驅動GaN芯片,助力電源能效再攀新高
- 失真度僅0.002%!力芯微推出超低內阻、超低失真4PST模擬開關
- 一“芯”雙電!聖邦微電子發布雙輸出電源芯片,簡化AFE與音頻設計
- 一機適配萬端:金升陽推出1200W可編程電源,賦能高端裝備製造
- 邊緣AI的發展為更智能、更可持續的技術鋪平道路
- 每台智能體PC,都是AI時代的新入口
- IAR作為Qt Group獨立BU攜兩項重磅汽車電子應用開發方案首秀北京車展
- 構建具有網絡彈性的嵌入式係統:來自行業領袖的洞見
- 數字化的線性穩壓器
- 車規與基於V2X的車輛協同主動避撞技術展望
- 數字隔離助力新能源汽車安全隔離的新挑戰
- 汽車模塊拋負載的解決方案
- 車用連接器的安全創新應用
- Melexis Actuators Business Unit
- Position / Current Sensors - Triaxis Hall



