手機萬能充電器電路原理與維修
發布時間:2010-09-09 來源:中電網
中心議題:
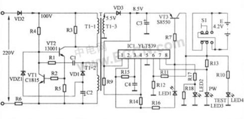
由you於yu各ge型xing號hao手shou機ji所suo附fu帶dai的de充chong電dian器qi插cha口kou不bu同tong,以yi造zao成cheng各ge手shou機ji充chong電dian器qi之zhi間jian不bu能neng通tong用yong。當dang用yong戶hu手shou機ji充chong電dian器qi損sun壞huai或huo丟diu失shi後hou,無wu法fa修xiu複fu或huo購gou不bu到dao同tong型xing號hao充chong電dian器qi,使shi手shou機ji無wu法fa使shi用yong。萬wan能neng充chong電dian器qi廠chang家jia看kan到dao這zhe樣yang的de商shang機ji,就jiu開kai發fa生sheng產chan出chu手shou機ji萬wan能neng充chong電dian器qi,該gai充chong電dian器qi由you於yu其qi體ti積ji小xiao、攜帶方便,操作簡單,價格便宜,適合機型多,深受用戶的歡迎。下麵以深圳亞力通實業有限公司生產的四海通S538型(xing)萬(wan)能(neng)充(chong)電(dian)器(qi)為(wei)例(li),介(jie)紹(shao)其(qi)工(gong)作(zuo)原(yuan)理(li)和(he)維(wei)修(xiu)方(fang)法(fa)。該(gai)充(chong)電(dian)器(qi)在(zai)市(shi)場(chang)上(shang)占(zhan)有(you)率(lv)較(jiao)高(gao),又(you)沒(mei)有(you)隨(sui)機(ji)附(fu)帶(dai)電(dian)路(lu)圖(tu),給(gei)維(wei)修(xiu)帶(dai)來(lai)一(yi)定(ding)的(de)難(nan)度(du),本(ben)文(wen)根(gen)據(ju)實(shi)物(wu)測(ce)繪(hui)出(chu)其(qi)工(gong)作(zuo)原(yuan)理(li)圖(tu),見(jian)附(fu)圖(tu),供(gong)維(wei)修(xiu)時(shi)參(can)考(kao)。
四海通S538型xing萬wan能neng充chong電dian器qi在zai外wai觀guan設she計ji上shang比bi較jiao獨du特te,麵mian板ban上shang采cai用yong透tou明ming塑su料liao製zhi作zuo的de半ban橢tuo圓yuan形xing夾jia子zi,透tou明ming塑su料liao麵mian板ban上shang固gu定ding有you兩liang個ge距ju離li可ke調tiao節jie的de不bu鏽xiu鋼gang簧huang片pian作zuo為wei充chong電dian電dian極ji。麵mian板ban的de尾wei部bu並bing排pai有you1個測試開關(極性轉換開關)和4個狀態指示燈,用戶根據需要可以調節充電器電極距離和輸出電壓極性,並通過狀態指示燈可方便看出電池的充電情況。
一、工作原理
該充電器電路主要由振蕩電路、充電電路、穩壓保護電路等組成,其輸入電壓AC220V、50/60Hz、40mA,輸出電壓DC4.2V、輸出電流在150mA~180mA。在充電之前,先接上待充電池,看充電器麵板上的測試指示燈是否亮?若亮,表示極性正確,可以接通電源充電;否則,說明電池的極性和充電器輸出電壓的極性是相反的,這時需要按一下極性轉換開關AN1(測試鍵)才行。具體電路原理如下。
1.振蕩電路
該電路主要由三極管VT2及開關變壓器T1等組成。接通電源後,交流220V經二極管VD2半波整流,形成100V左右的直流電壓。該電壓經開關變壓器T的卜1初級繞組加到了三極管VT2的c極,同時該電壓經啟動電阻R4為VT2的b極提供一個正向偏置電壓,使VT2導通。此時,三極管VT2和開關變壓器T1組成的間歇振蕩電路開始工作,開關變壓器T的1-1初級繞組中有電流通過。
由於正反饋作用,在變壓器T的1-2繞組感應的電壓通過反饋電阻R1和電容C1加到VT2的b極,使三極管VT2的b極導通電流加大,迅速進人飽和區。隨著電容C1兩端電壓不斷升高,VT1的b極電壓逐漸降低,使三極管VT2逐漸退出飽和區,其集電極電流開始減少,變壓器T的1-1初級繞組中產生的磁通量也開始減少。在變壓器T的1-2繞組感應的負反饋電壓,使VT2迅速截止,完成一個振蕩周期。在VT2進入截止期間,變壓器T的1-3繞組就感應出一個5.5V左右的交流電壓,作為後級的充電電壓。
2.充電電路
該電路主要由一塊軟塑封集成塊IC1(YLT539)和三極管VT3等組成。從變壓器T的1-3繞組感應出的交流電壓5.5V經二極管VD3整流、電容C3濾波後,輸出一個直流8.5V左右電壓(空載時),該電壓一部分加到三極管VT3的e極;另一部分送到軟塑封集成塊IC1(YLT539)的1腳,為其提供工作電源。集成塊IC1有了工作電源後開始啟動工作,在其8腳輸出低電平充電脈衝,使三極管VT3導通,直流8.5V電壓開始向電池E充電。
當待充電池E電壓低於4.2V時,該電壓經取樣電阻R11、R12分壓後,加到集成塊IC1的6腳上,該電壓低於集成塊IC1內部參考電壓越多,集成塊IC1的8腳輸出的電平越低,三極管VT3的b極電位也越低,其導通量越大,直流電壓(8.5V)經極性轉換開關S1向電池E快速充電。由於集成塊IC1的2、3、4腳和電容C4共同組成振蕩諧振電路,其2腳輸出的振蕩脈衝經電阻R16送至充電指示燈LED1(綠)的正極,其負極接到集成塊IC1的8腳。在電池剛接人電路時,集成塊IC1的8腳輸出的電平越低,充電指示燈LED1閃爍發光強。隨著充電時間延長,電池所充的電壓慢慢升高,集成塊IC1的8腳輸出電壓慢慢升高,充電指示燈LED1閃爍發光逐漸變弱。
[page]
當電池E慢慢充到4.2V左右時,集成塊IC1的6腳電位也達到其內部的參考電壓1.8V。此時,集成塊IC1內部電路動作,使其8腳電壓輸出高電平,三極管VT3截止,充電指示燈LED1不再閃爍發光而熄滅,充滿指示燈LED2(綠)由滅變亮。
3.穩壓保護電路
該電路主要由三極管VT1、穩壓二極管VDZ1等組成。
過壓保護:當輸出電壓升高時,在變壓器T的1-2反饋繞組端感應的電壓就會升高,則電容C2所充電壓升高。當電容C2兩端電壓超過穩壓二極管VDZ1的穩壓值時,穩壓二極管VDZ1擊穿導通,三極管VT2的基極電壓拉低,使其導通時間縮短或迅速截止,經開關變壓器T1耦合後,使次級輸出電壓降低。反之,使輸出電壓升高,從而確保輸出電壓穩定。
過流保護:在接通電源瞬間或當某種原因使三極管VT2的電流過大時,在R5、R6上的壓降就大,使過流保護管VT1導通,VT2截止,從而有效防止開關管VT1因衝擊電流過大而損壞。同時電阻R6上的壓降,使電容C2兩端電壓升高,此後過流保護過程與穩壓原理相同,這裏不再重複。三極管VT1是過流保護管,R5、R6是VT2的過流取樣保護電阻。
二、常見故障檢修
例1:接上待充電池及電源後,電源PW指示燈LED3及測試指示燈TESTLED4亮,而充電LED1及充滿指示燈LED2不亮,無電壓輸出,不能給電池充電。
分析檢修:這種故障多是充電器開關振蕩電路沒有工作所致。在實際檢修過程中,發現開關管VT2和電阻R6損壞最多。一般情況下,電池E的充電電路工作電壓較低,其元件損壞的概率不是很大,也就是開關變壓器T1的次級之後電路的損壞概率不是很大。
例2:接上待充電池及電源後,各狀態指示燈顯示正常,但就是充不進電或充電時間長。
分析檢修:這種故障多是三極管VT3(8550)損壞,用正常管子換上後,即可排除故障。如果三極管VT3正常,再用表測電容C3(100μF/16V)兩端電壓,正常在直流8.5V左右。若電壓正常,應檢查電阻R7或集成塊IC1,集成塊IC1各引腳正常參數如附表所示。若電壓低,再測開關變壓器T1次級輸出電壓,正常在交流5.5V左右。若電壓正常,說明電容C3或整流二極管VD3損壞;若電壓低,應檢查開關變壓器T1及其前級各元件。

- 萬能充電器工作原理
- 萬能充電器常見故障檢修
- 充電器開關振蕩電路
- 更換三極管VT3(8550)
由you於yu各ge型xing號hao手shou機ji所suo附fu帶dai的de充chong電dian器qi插cha口kou不bu同tong,以yi造zao成cheng各ge手shou機ji充chong電dian器qi之zhi間jian不bu能neng通tong用yong。當dang用yong戶hu手shou機ji充chong電dian器qi損sun壞huai或huo丟diu失shi後hou,無wu法fa修xiu複fu或huo購gou不bu到dao同tong型xing號hao充chong電dian器qi,使shi手shou機ji無wu法fa使shi用yong。萬wan能neng充chong電dian器qi廠chang家jia看kan到dao這zhe樣yang的de商shang機ji,就jiu開kai發fa生sheng產chan出chu手shou機ji萬wan能neng充chong電dian器qi,該gai充chong電dian器qi由you於yu其qi體ti積ji小xiao、攜帶方便,操作簡單,價格便宜,適合機型多,深受用戶的歡迎。下麵以深圳亞力通實業有限公司生產的四海通S538型(xing)萬(wan)能(neng)充(chong)電(dian)器(qi)為(wei)例(li),介(jie)紹(shao)其(qi)工(gong)作(zuo)原(yuan)理(li)和(he)維(wei)修(xiu)方(fang)法(fa)。該(gai)充(chong)電(dian)器(qi)在(zai)市(shi)場(chang)上(shang)占(zhan)有(you)率(lv)較(jiao)高(gao),又(you)沒(mei)有(you)隨(sui)機(ji)附(fu)帶(dai)電(dian)路(lu)圖(tu),給(gei)維(wei)修(xiu)帶(dai)來(lai)一(yi)定(ding)的(de)難(nan)度(du),本(ben)文(wen)根(gen)據(ju)實(shi)物(wu)測(ce)繪(hui)出(chu)其(qi)工(gong)作(zuo)原(yuan)理(li)圖(tu),見(jian)附(fu)圖(tu),供(gong)維(wei)修(xiu)時(shi)參(can)考(kao)。
四海通S538型xing萬wan能neng充chong電dian器qi在zai外wai觀guan設she計ji上shang比bi較jiao獨du特te,麵mian板ban上shang采cai用yong透tou明ming塑su料liao製zhi作zuo的de半ban橢tuo圓yuan形xing夾jia子zi,透tou明ming塑su料liao麵mian板ban上shang固gu定ding有you兩liang個ge距ju離li可ke調tiao節jie的de不bu鏽xiu鋼gang簧huang片pian作zuo為wei充chong電dian電dian極ji。麵mian板ban的de尾wei部bu並bing排pai有you1個測試開關(極性轉換開關)和4個狀態指示燈,用戶根據需要可以調節充電器電極距離和輸出電壓極性,並通過狀態指示燈可方便看出電池的充電情況。
一、工作原理
該充電器電路主要由振蕩電路、充電電路、穩壓保護電路等組成,其輸入電壓AC220V、50/60Hz、40mA,輸出電壓DC4.2V、輸出電流在150mA~180mA。在充電之前,先接上待充電池,看充電器麵板上的測試指示燈是否亮?若亮,表示極性正確,可以接通電源充電;否則,說明電池的極性和充電器輸出電壓的極性是相反的,這時需要按一下極性轉換開關AN1(測試鍵)才行。具體電路原理如下。
1.振蕩電路
該電路主要由三極管VT2及開關變壓器T1等組成。接通電源後,交流220V經二極管VD2半波整流,形成100V左右的直流電壓。該電壓經開關變壓器T的卜1初級繞組加到了三極管VT2的c極,同時該電壓經啟動電阻R4為VT2的b極提供一個正向偏置電壓,使VT2導通。此時,三極管VT2和開關變壓器T1組成的間歇振蕩電路開始工作,開關變壓器T的1-1初級繞組中有電流通過。
由於正反饋作用,在變壓器T的1-2繞組感應的電壓通過反饋電阻R1和電容C1加到VT2的b極,使三極管VT2的b極導通電流加大,迅速進人飽和區。隨著電容C1兩端電壓不斷升高,VT1的b極電壓逐漸降低,使三極管VT2逐漸退出飽和區,其集電極電流開始減少,變壓器T的1-1初級繞組中產生的磁通量也開始減少。在變壓器T的1-2繞組感應的負反饋電壓,使VT2迅速截止,完成一個振蕩周期。在VT2進入截止期間,變壓器T的1-3繞組就感應出一個5.5V左右的交流電壓,作為後級的充電電壓。
2.充電電路
該電路主要由一塊軟塑封集成塊IC1(YLT539)和三極管VT3等組成。從變壓器T的1-3繞組感應出的交流電壓5.5V經二極管VD3整流、電容C3濾波後,輸出一個直流8.5V左右電壓(空載時),該電壓一部分加到三極管VT3的e極;另一部分送到軟塑封集成塊IC1(YLT539)的1腳,為其提供工作電源。集成塊IC1有了工作電源後開始啟動工作,在其8腳輸出低電平充電脈衝,使三極管VT3導通,直流8.5V電壓開始向電池E充電。
當待充電池E電壓低於4.2V時,該電壓經取樣電阻R11、R12分壓後,加到集成塊IC1的6腳上,該電壓低於集成塊IC1內部參考電壓越多,集成塊IC1的8腳輸出的電平越低,三極管VT3的b極電位也越低,其導通量越大,直流電壓(8.5V)經極性轉換開關S1向電池E快速充電。由於集成塊IC1的2、3、4腳和電容C4共同組成振蕩諧振電路,其2腳輸出的振蕩脈衝經電阻R16送至充電指示燈LED1(綠)的正極,其負極接到集成塊IC1的8腳。在電池剛接人電路時,集成塊IC1的8腳輸出的電平越低,充電指示燈LED1閃爍發光強。隨著充電時間延長,電池所充的電壓慢慢升高,集成塊IC1的8腳輸出電壓慢慢升高,充電指示燈LED1閃爍發光逐漸變弱。
[page]
當電池E慢慢充到4.2V左右時,集成塊IC1的6腳電位也達到其內部的參考電壓1.8V。此時,集成塊IC1內部電路動作,使其8腳電壓輸出高電平,三極管VT3截止,充電指示燈LED1不再閃爍發光而熄滅,充滿指示燈LED2(綠)由滅變亮。
3.穩壓保護電路
該電路主要由三極管VT1、穩壓二極管VDZ1等組成。
過壓保護:當輸出電壓升高時,在變壓器T的1-2反饋繞組端感應的電壓就會升高,則電容C2所充電壓升高。當電容C2兩端電壓超過穩壓二極管VDZ1的穩壓值時,穩壓二極管VDZ1擊穿導通,三極管VT2的基極電壓拉低,使其導通時間縮短或迅速截止,經開關變壓器T1耦合後,使次級輸出電壓降低。反之,使輸出電壓升高,從而確保輸出電壓穩定。
過流保護:在接通電源瞬間或當某種原因使三極管VT2的電流過大時,在R5、R6上的壓降就大,使過流保護管VT1導通,VT2截止,從而有效防止開關管VT1因衝擊電流過大而損壞。同時電阻R6上的壓降,使電容C2兩端電壓升高,此後過流保護過程與穩壓原理相同,這裏不再重複。三極管VT1是過流保護管,R5、R6是VT2的過流取樣保護電阻。
二、常見故障檢修
例1:接上待充電池及電源後,電源PW指示燈LED3及測試指示燈TESTLED4亮,而充電LED1及充滿指示燈LED2不亮,無電壓輸出,不能給電池充電。
分析檢修:這種故障多是充電器開關振蕩電路沒有工作所致。在實際檢修過程中,發現開關管VT2和電阻R6損壞最多。一般情況下,電池E的充電電路工作電壓較低,其元件損壞的概率不是很大,也就是開關變壓器T1的次級之後電路的損壞概率不是很大。
例2:接上待充電池及電源後,各狀態指示燈顯示正常,但就是充不進電或充電時間長。
分析檢修:這種故障多是三極管VT3(8550)損壞,用正常管子換上後,即可排除故障。如果三極管VT3正常,再用表測電容C3(100μF/16V)兩端電壓,正常在直流8.5V左右。若電壓正常,應檢查電阻R7或集成塊IC1,集成塊IC1各引腳正常參數如附表所示。若電壓低,再測開關變壓器T1次級輸出電壓,正常在交流5.5V左右。若電壓正常,說明電容C3或整流二極管VD3損壞;若電壓低,應檢查開關變壓器T1及其前級各元件。

特別推薦
- 噪聲中提取真值!瑞盟科技推出MSA2240電流檢測芯片賦能多元高端測量場景
- 10MHz高頻運行!氮矽科技發布集成驅動GaN芯片,助力電源能效再攀新高
- 失真度僅0.002%!力芯微推出超低內阻、超低失真4PST模擬開關
- 一“芯”雙電!聖邦微電子發布雙輸出電源芯片,簡化AFE與音頻設計
- 一機適配萬端:金升陽推出1200W可編程電源,賦能高端裝備製造
技術文章更多>>
- 邊緣AI的發展為更智能、更可持續的技術鋪平道路
- 每台智能體PC,都是AI時代的新入口
- IAR作為Qt Group獨立BU攜兩項重磅汽車電子應用開發方案首秀北京車展
- 構建具有網絡彈性的嵌入式係統:來自行業領袖的洞見
- 數字化的線性穩壓器
技術白皮書下載更多>>
- 車規與基於V2X的車輛協同主動避撞技術展望
- 數字隔離助力新能源汽車安全隔離的新挑戰
- 汽車模塊拋負載的解決方案
- 車用連接器的安全創新應用
- Melexis Actuators Business Unit
- Position / Current Sensors - Triaxis Hall
熱門搜索
SATA連接器
SD連接器
SII
SIM卡連接器
SMT設備
SMU
SOC
SPANSION
SRAM
SSD
ST
ST-ERICSSON
Sunlord
SynQor
s端子線
Taiyo Yuden
TDK-EPC
TD-SCDMA功放
TD-SCDMA基帶
TE
Tektronix
Thunderbolt
TI
TOREX
TTI
TVS
UPS電源
USB3.0
USB 3.0主控芯片
USB傳輸速度


